ARISTON CX65FA X F
Zeptejte se. Rádi poradíme.
Marek Proche
Zákaznická podpora
Po–Čt 8:00—17:00
Pá 8:00—15:00
poradna@servis-whirlpool.cz
| Komerční kód: | CX65FA X F |
| Kód 12NC: | 869990449080 |
| I.C. kód: | 25449080010 |
| Značka: | ARISTON |
| Typ produktu: | Volně stojící sporáky a trouby |
| Další podobné modely: | 25449080110, 25449080210 |
Potřebujete servis? Jsme tady pro Vás
Nabídka náhradních dílů
| Číslo | Kód | Název | Cena | ||
|---|---|---|---|---|---|
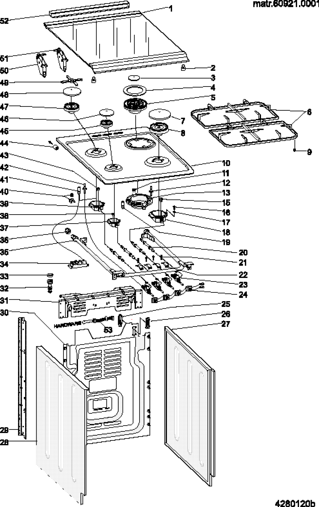
| 000 4280120b |
C00194358
482000060187 |
QUICK GUIDE ARISTON E0 COOKERS | Na dotaz | Zadat poptávku | |
| 000 4280120b |
C00252666 | NÁVOD K OBSLUZE FR | Na dotaz | Zadat poptávku | |
| 001 4280120b |
C00141621
482000029582 |
KRYT SKLO ÚPLNÝ KOUŘOVÝ' C60X60 | Na dotaz | Zadat poptávku | |
| 001 4280120b |
C00704347
488000704347 |
KRYT SKLO ÚPLNÝ KOUŘOVÝ' C60X60 | Na dotaz | Zadat poptávku | |
| 002 4280120b |
C00034196
482000026269 |
BUFFER GRAY GLASS COVER G604M8 | Na dotaz | Zadat poptávku | |
| 003 4280120b |
C00053175
482000026843 |
Kryt hořáku | 481 Kč
€ 19.70 |
||
| 004 4280120b |
C00053174
482000026842 |
KRYT USMĚRŇ. PLAMENE TR.KORUNA CERNA | Na dotaz | Zadat poptávku | |
| 005 4280120b |
C00053173
482000026841 |
HOŘÁK TROJITÁ KORUNA | Na dotaz | Zadat poptávku | |
| 006 4280120b |
C00194392
482000030180 |
MŘÍŽKA PRAC.DESKY 2 HOŘ. SMALT ČERNÁ | Na dotaz | Zadat poptávku | |
| 006 4280120b |
C00570766
488000570766 |
MŘÍŽKA PRAC.DESKY 2 HOŘ. SMALT NO RUBBER | Na dotaz | Zadat poptávku | |
| 007 4280120b |
C00052931
482000026824 |
Víko hořáku velké | 177 Kč
€ 7.30 |
||
| 008 4280120b |
C00052928
482000026821 |
Těleso hořáku velké | Na dotaz | Zadat poptávku | |
| 009 4280120b |
C00039148
482000022610 |
PRYŽ MŘÍŽKA VESTAV.VARNÉ DESKY 68 | Na dotaz | Zadat poptávku | |
| 010 4280120b |
C00098869 | PRACOVNÍ PLOCHA IX 3+TROJITÁ KORUNA | Na dotaz | Zadat poptávku | |
| 011 4280120b |
C00065921
482000022671 |
TRYSKA ZEM.PLYN TROJ. KORUNA D.133 | Na dotaz | Zadat poptávku | |
| 013 4280120b |
C00053254
482000026856 |
KRYT HOŘÁK TROJITÁ KORUNA | Na dotaz | Zadat poptávku | |
| 013 4280120b |
C00094331
488000094331 |
GASKET CUP PLANES | Na dotaz | Zadat poptávku | |
| 015 4280120b |
C00052940
482000026831 |
Tryska G20 – zemní plyn (116) | 136 Kč
€ 5.60 |
||
| 016 4280120b |
C00052960
482000074747 |
ŠROUB M3X12 INOX UPEVNĚNÍ KRYTU HOŘÁKU | Na dotaz | Zadat poptávku | |
| 018 4280120b |
C00052925
482000026818 |
KRYT HOŘÁK RYCHLÝ 'SABAF' | Na dotaz | Zadat poptávku | |
| 018 4280120b |
C00090353
482000027806 |
FAST BURNER SEAL | Na dotaz | Zadat poptávku | |
| 019 4280120b |
C00053244
482000026855 |
ZAPALOVACÍ SVÍČKA TROJITÁ KORUNA | Na dotaz | Zadat poptávku | |
| 020 4280120b |
C00116140
482000028873 |
GAS PIPE - ALUMINIUM TUBE L=480 MM | Na dotaz | Zadat poptávku | |
| 021 4280120b |
C00090205
482000077482 |
BOLT M5X15 TE | Na dotaz | Zadat poptávku | |
| 022 4280120b |
C00088881
482000027767 |
FIXING SADDLE - GAS TAP | Na dotaz | Zadat poptávku | |
| 023 4280120b |
C00090011
482000027798 |
KOHOUT MULTIGAS JEDNOCESTNÝ 41 COPRECI | Na dotaz | Zadat poptávku | |
| 023 4280120b |
C00090013
482000027799 |
KOHOUT MULTIGAS JEDNOCESTNÝ 30 COPRECI | Na dotaz | Zadat poptávku | |
| 023 4280120b |
C00090017
482000077445 |
FAST BURNER TAP COPRECI 5MM | Na dotaz | Zadat poptávku | |
| 024 4280120b |
C00097082
482000028188 |
MICROSWITCH UNIT (4) SABAF | Na dotaz | Zadat poptávku | |
| 025 4280120b |
C00142027
482000081769 |
SERIAL PORT COVER HOT2005 | Na dotaz | Zadat poptávku | |
| 026 4280120b |
C00142028
482000029608 |
ADAPTOR HOUSING HARDWARE HOT2005 | Na dotaz | Zadat poptávku | |
| 027 4280120b |
C00115187
482000061994 |
SIDE PANEL RIGHT INOX 50X60X60 | Na dotaz | Zadat poptávku | |
| 028 4280120b |
C00115188
482000061996 |
SIDE PANEL LEFT INOX 50X60X60 | Na dotaz | Zadat poptávku | |
| 029 4280120b |
C00098784
482000078605 |
VÝZTUHA ZADNÍ PRAVÁ/LEVÁ C60X60 LODZ | Na dotaz | Zadat poptávku | |
| 029 4280120b |
C00308395
482000090875 |
VÝZTUHA ZADNÍ PRAVÁ/LEVÁ C60X60 LODZ | Na dotaz | Zadat poptávku | |
| 030 4280120b |
C00194405 | ZADNÍ ČÁSTC60X60 C60 HW | Na dotaz | Zadat poptávku | |
| 031 4280120b |
C00064142
482000075285 |
TRAVERZA PODPĚRA ROVINA C60 S2000 | Na dotaz | Zadat poptávku | |
| 032 4280120b |
C00010017
482000025935 |
METHANE/TOWN GAS PIPE NF (70531) | Na dotaz | Zadat poptávku | |
| 032 4280120b |
C00121674
482000029162 |
LPG ADAPTOR | Na dotaz | Zadat poptávku | |
| 033 4280120b |
C00010506
482000025938 |
SEALING WASHER - GAS ELBOW/PIPE | Na dotaz | Zadat poptávku | |
| 034 4280120b |
C00118464
482000029034 |
TRANSFORMÁTOR VYPUŠTĚNÍ + FILTR | Na dotaz | Zadat poptávku | |
| 035 4280120b |
C00098873
482000062570 |
RAMPA 4 HOŘÁKY TROUBA PYRO | Na dotaz | Zadat poptávku | |
| 036 4280120b |
C00004682
482000025913 |
ZÁTKA UZAVÍRACÍ 1/2 PLYN VÁLCOVÁ | Na dotaz | Zadat poptávku | |
| 037 4280120b |
C00052927
482000026820 |
KRYT HOŘÁK POMOC. 'SABAF' | Na dotaz | Zadat poptávku | |
| 037 4280120b |
C00090355
482000027808 |
AUXILARY BURNER SEAL | Na dotaz | Zadat poptávku | |
| 038 4280120b |
C00066166
482000027225 |
TRYSKA HOŘÁK POMOC. METAN 79 'SABAF' | Na dotaz | Zadat poptávku | |
| 039 4280120b |
C00052926
482000026819 |
BURNER CUP - MEDIUM BURNER | Na dotaz | Zadat poptávku | |
| 039 4280120b |
C00090354
482000027807 |
SEMI-FAST BURNER SEAL | Na dotaz | Zadat poptávku | |
| 040 4280120b |
C00052934
482000026827 |
PRUŽINA ZAPAL.SVÍČKY HOŘÁKU 'SABAF' | Na dotaz | Zadat poptávku | |
| 041 4280120b |
C00008569
482000072616 |
PODLOŽKA SVÍČKOVÁ | Na dotaz | Zadat poptávku | |
| 041 4280120b |
C00118496
482000054600 |
ELECTRODE L=520 | Na dotaz | Zadat poptávku | |
| 043 4280120b |
C00057740
482000022655 |
TRYSKA HOŘÁK POMOCNÝ GZ35 'SABAF'106 | Na dotaz | Zadat poptávku | |
| 044 4280120b |
C00064110
482000075282 |
REAR SPACER | Na dotaz | Zadat poptávku | |
| 045 4280120b |
C00052930
482000026823 |
BURNER BASE/FLAME SPLITTER - S | Na dotaz | Zadat poptávku | |
| 046 4280120b |
C00052933
482000026826 |
KRYT HOŘÁKU POM. 'SABAF' CERNA | Na dotaz | Zadat poptávku | |
| 047 4280120b |
C00052929
482000026822 |
Těleso hořáku polorychlé plynové varné desky Whirlpool | 506 Kč
€ 20.80 |
||
| 048 4280120b |
C00052932
482000026825 |
Víko hořáku střední | 159 Kč
€ 6.50 |
||
| 049 4280120b |
C00064003
482000027141 |
REDUKČNÍ MŘÍŽKA C60 S2000 | Na dotaz | Zadat poptávku | |
| 050 4280120b |
C00063863
482000027136 |
ZÁVĚS KRYT LEVÝ | Na dotaz | Zadat poptávku | |
| 051 4280120b |
C00063862
482000027135 |
ZÁVĚS KRYT PRAVÝ C60 S2000 | Na dotaz | Zadat poptávku | |
| 053 4280120b |
C00194349
482000083131 |
KABELÁŽ SÉRIOVÝ KLÍČ HARDWARE HOT2005 | Na dotaz | Zadat poptávku | |
| 099 4280120b |
C00002470
482000072581 |
STOP RING | Na dotaz | Zadat poptávku | |
| 099 4280120b |
C00111155
482000028500 |
JETS KIT GN G20 20MBAR/G25 25MBAR C60 | Na dotaz | Zadat poptávku | |
| 099 4280120b |
C00111156
482000028501 |
JETS KIT LPG G30 29MBAR/G31 37MBAR C60 | Na dotaz | Zadat poptávku | |
| 001 4280240 |
C00143453
482000061871 |
EVAC.CONDUIT PREASSEMBLED ROHS | Na dotaz | Zadat poptávku | |
| 002 4280240 |
C00139061
482000022934 |
Termostat 16A 250V 230C T300C | 620 Kč
€ 25.40 |
||
| 002 4280240 |
C00259458
482000030550 |
TERMOSTAT 10A 250V 130°C | Na dotaz | Zadat poptávku | |
| 002 4280240 |
C00141597
482000029578 |
TERMOSTAT 250V 130° | Na dotaz | Zadat poptávku | |
| 003 4280240 |
C00114006
482000061914 |
CLOSING PANEL | Na dotaz | Zadat poptávku | |
| 004 4280240 |
C00098848
482000028307 |
CERAMIC CATALYSER PYRO | Na dotaz | Zadat poptávku | |
| 005 4280240 |
C00138831
482000081400 |
CHIMNEY | Na dotaz | Zadat poptávku | |
| 006 4280240 |
C00138851
482000022926 |
Senzor teploty, čidlo, termistor, termostat sporáku Whirlpool, Indesit | 2 678 Kč
€ 109.90 |
||
| 007 4280240 |
C00140135
482000022942 |
TOPNÉ TĚLÍSKO GRILL HORNÍ 2700W/230V | Na dotaz | Zadat poptávku | |
| 008 4280240 |
C00194354 | UPPER INSULATING C60 E0 | Na dotaz | Zadat poptávku | |
| 008 4280240 |
C00194355 | IZOLACE TROUBY C60 E0 | Na dotaz | Zadat poptávku | |
| 009 4280240 |
C00098837
482000028305 |
VNITŘ.STĚNA PYRO TAŽ.VOD.LIŠTY SML | Na dotaz | Zadat poptávku | |
| 010 4280240 |
C00098844
482000028306 |
PŘEDNÍ STĚNA TROUBY SML PYRO 60X60 LODZ | Na dotaz | Zadat poptávku | |
| 012 4280240 |
C00098793
482000078607 |
PODPĚRA ZÁVĚSU PRAVÁ DVÍŘKA TROUBY FV 60X60 LODZ | Na dotaz | Zadat poptávku | |
| 013 4280240 |
C00137834
482000022922 |
Plech na pečení mělký černý | Na dotaz | Zadat poptávku | |
| 014 4280240 |
C00081578
482000022702 |
Grilovací mřížka / Rošt do trouby sporáku Whirlpool | 739 Kč
€ 30.30 |
||
| 015 4280240 |
C00098803
482000078611 |
RÁMEČEK SBĚRU KONDENZÁTU C60X60 LODZ | Na dotaz | Zadat poptávku | |
| 016 4280240 |
C00081585
482000027500 |
TAPTITE SCREW | Na dotaz | Zadat poptávku | |
| 017 4280240 |
C00142045
482000029609 |
OVEN BACK PANEL PIRO | Na dotaz | Zadat poptávku | |
| 018 4280240 |
C00098788
482000028301 |
HRANOL POSÍLENÍ DESKY C60X60 LODZ | Na dotaz | Zadat poptávku | |
| 018 4280240 |
C00098887
488000098887 |
DESKA NOHOU C60X60 LODZ | Na dotaz | Zadat poptávku | |
| 020 4280240 |
C00139991
482000081474 |
PANEL DĚLÍCÍ TROUBA/PŘIHRÁDKA | Na dotaz | Zadat poptávku | |
| 021 4280240 |
C00082367
482000022712 |
JEHLA -VIDLICE-RUKOJEŤ F2000 | Na dotaz | Zadat poptávku | |
| 022 4280240 |
C00082359
482000027537 |
REDUKČNÍ MOTOR OTOČNÉHO ROŽNĚ | Na dotaz | Zadat poptávku | |
| 023 4280240 |
C00138869
482000029401 |
KONZOLA OTOČNÉHO ROŽNĚ | Na dotaz | Zadat poptávku | |
| 026 4280240 |
C00098847 | OCHRANA PRAVÁ/LEVÁ IZOLACE PYRO | Na dotaz | Zadat poptávku | |
| 027 4280240 |
C00098792
482000078606 |
PODPĚRA ZÁVĚSU LEVÁ DVÍŘKA TROUBY FV 60X60 LODZ | Na dotaz | Zadat poptávku | |
| 028 4280240 |
C00138834
482000022925 |
Kruhové topné těleso horkovzduchu trouby sporáku Whirlpool / Indesit | 1 005 Kč
€ 41.20 |
||
| 029 4280240 |
C00132816
482000022906 |
SKLO OSVĚTLENÍ | Na dotaz | Zadat poptávku | |
| 030 4280240 |
C00132815
482000022905 |
TĚSNĚNÍ ŽÁROVKY | Na dotaz | Zadat poptávku | |
| 031 4280240 |
C00138833
482000029393 |
Žárovka + kryt | 577 Kč
€ 23.70 |
||
| 031 4280240 |
C00273472
482000031162 |
Osvětlení trouby komplet | 1 164 Kč
€ 47.80 |
||
| 032 4280240 |
C00098846
482000078616 |
OVEN LAMP DEFLECTOR | Na dotaz | Zadat poptávku | |
| 033 4280240 |
C00142038
482000081774 |
IZOLACE ZADNÍ STĚNY TROUBY | Na dotaz | Zadat poptávku | |
| 034 4280240 |
C00081601
482000027503 |
SVORKOVNICE JEDNOFÁZOVÁ ITW X F2000 | Na dotaz | Zadat poptávku | |
| 034 4280240 |
C00271142
482000031029 |
SVORKOVNICE JEDNOFÁZOVÁ | Na dotaz | Zadat poptávku | |
| 034 4280240 |
C00301593
488000301593 |
ŠROUB 8PX8.5 TCB1/2P | Na dotaz | Zadat poptávku | |
| 035 4280240 |
C00119339
482000022890 |
TRAVERZA ZADNÍ NEW S2000 | Na dotaz | Zadat poptávku | |
| 036 4280240 |
C00082175
482000054567 |
NAPÁJECÍ KABEL D=960 MM 3 X 1,5 | Na dotaz | Zadat poptávku | |
| 037 4280240 |
C00094418
482000090899 |
STOP MAINS SUPPLY CABLE | Na dotaz | Zadat poptávku | |
| 040 4280240 |
C00140299
482000029493 |
VENTILÁTOR TROUBY PYRO | Na dotaz | Zadat poptávku | |
| 041 4280240 |
C00098833 | HRANOL ZADNÍ UPEVNĚNÍ ROZVOD C60X60 | Na dotaz | Zadat poptávku | |
| 042 4280240 |
C00138844
482000081401 |
TANGENTIAL FAN SEAL | Na dotaz | Zadat poptávku | |
| 043 4280240 |
C00098841
482000061913 |
HORNÍ ČÁST ODVOD NUCENÁ PYROLÝZA | Na dotaz | Zadat poptávku | |
| 045 4280240 |
C00138845
482000054518 |
VENTILÁTOR TANGENCIÁLNÍ PYRO | Na dotaz | Zadat poptávku | |
| 045 4280240 |
C00255068
482000030393 |
VENTILÁTOR TANGENCIÁLNÍ PYRO | Na dotaz | Zadat poptávku | |
| 046 4280240 |
C00037385
482000026340 |
REINFORCEMENT WASHER FOR FOOT ATTACHMENT | Na dotaz | Zadat poptávku | |
| 047 4280240 |
C00074052
482000027272 |
FOOT INOX | Na dotaz | Zadat poptávku | |
| 099 4280240 |
C00083853
482000054375 |
JUNCTION CLAMP | Na dotaz | Zadat poptávku | |
| 099 4280240 |
C00091315
482000058289 |
FRONT DEFLECTOR | Na dotaz | Zadat poptávku | |
| 001 4280350b |
C00194348
482000030173 |
KABELÁŽ POTENC/ENCOD.E0 HOT2005 | Na dotaz | Zadat poptávku | |
| 002 4280350b |
C00276528
482000031340 |
DISPLAY E0 PYRO AUTOCK UK+STANDBY | Na dotaz | Zadat poptávku | |
| 003 4280350b |
C00252770 | PŘEDNÍ PANEL S POTISKEM CX65FA X F | Na dotaz | Zadat poptávku | |
| 004 4280350b |
C00194362
482000083133 |
KNOB DISC C60 CR | Na dotaz | Zadat poptávku | |
| 005 4280350b |
C00194360
482000030174 |
KNOB ENCODER CR ARISTON | Na dotaz | Zadat poptávku | |
| 005 4280350b |
C00194361
482000030175 |
KNOB BURNERS CR ARISTON | Na dotaz | Zadat poptávku | |
| 005 4280350b |
C00194363
482000030176 |
KNOB POTENTIOMETER CR ARISTON | Na dotaz | Zadat poptávku | |
| 006 4280350b |
C00194364
482000030177 |
PROGRAMMER KNOB CR E0 C60 | Na dotaz | Zadat poptávku | |
| 007 4280350b |
C00194395
482000030181 |
KLÁVESA PROGRAMÁTOR E0 CR | Na dotaz | Zadat poptávku | |
| 010 4280350b |
C00196812
482000083350 |
OCHRANA KARTA ELEKTRONICKÁ 330x260 | Na dotaz | Zadat poptávku | |
| 010 4280350b |
C00275985
482000031301 |
KARTA SILOVÁ HOT2005 PYRO+STANDBY | Na dotaz | Zadat poptávku | |
| 011 4280350b |
C00142024 | BRACKET FOR MAIN BOARD HOT2005 | Na dotaz | Zadat poptávku | |
| 012 4280350b |
C00098898
482000078623 |
VNITŘNÍ DVEŘE TROUBA SMALTOVANÁ PYRO | Na dotaz | Zadat poptávku | |
| 012 4280350b |
C00112061
482000079736 |
TĚSNĚNÍ DVEŘÍ F2003 L=80 | Na dotaz | Zadat poptávku | |
| 013 4280350b |
C00098897
482000078622 |
MADLO DVÍŘEK TROUBY CHROMOVANÉ L=593 | Na dotaz | Zadat poptávku | |
| 014 4280350b |
C00111527
482000028529 |
GLASS 295X415MM | Na dotaz | Zadat poptávku | |
| 015 4280350b |
C00138860
482000029396 |
PYRO THERMAX GLASS 297X418 | Na dotaz | Zadat poptávku | |
| 016 4280350b |
C00138859
482000029395 |
THERMOCORD SEAL | Na dotaz | Zadat poptávku | |
| 017 4280350b |
C00098834
482000078614 |
GLUED FLOW DISTRIBUTION SCREEN | Na dotaz | Zadat poptávku | |
| 018 4280350b |
C00258803
482000030524 |
SEST. SKLO DVEŘE TROUBY PÁSEK HA IX | Na dotaz | Zadat poptávku | |
| 019 4280350b |
C00098881
482000078621 |
VNITŘNÍ DVEŘE ZÁSUVKA SV SLOUPKY 60X60 | Na dotaz | Zadat poptávku | |
| 021 4280350b |
C00098880
482000078620 |
DVÍŘKA OHŘÍVACÍ SKŘÍNKY INOX 593X138 | Na dotaz | Zadat poptávku | |
| 023 4280350b |
C00139979
482000022939 |
FRONT DRAWER SUPPORT | Na dotaz | Zadat poptávku | |
| 024 4280350b |
C00139980
482000022940 |
ZÁSUVKA OHŘÍVAČ POKRMŮ C60X60 | Na dotaz | Zadat poptávku | |
| 025 4280350b |
C00098780
482000022806 |
ZARÁŽKA LEVÁ VODÍCÍ LIŠTA CELEK OHŘEV 60X60 | Na dotaz | Zadat poptávku | |
| 026 4280350b |
C00098779
482000022805 |
ZARÁŽKA PRAVÁ VODÍCÍ LIŠTA CELEK OHŘEV 60X60 | Na dotaz | Zadat poptávku | |
| 027 4280350b |
C00138861
482000029397 |
ENAMELLED GLASS SQUARE | Na dotaz | Zadat poptávku | |
| 028 4280350b |
C00098836
482000028304 |
ZÁVĚS DVEŘÍ TROUBA PYRO 4 SKLA C60 | Na dotaz | Zadat poptávku | |
| 029 4280350b |
C00131242
482000022901 |
ROLLER HOLDER | Na dotaz | Zadat poptávku | |
| 030 4280350b |
C00033743
488000033743 |
PODLOŽKA DVEŘÍ TROUBY | Na dotaz | Zadat poptávku | |
| 031 4280350b |
C00096820
482000028167 |
TĚSNĚNÍ PYROCLIPS 21 CLIPS | Na dotaz | Zadat poptávku | |
| 032 4280350b |
C00138867
482000029399 |
ZÁMEK/BLOKACE DVEŘÍ ELTEK | Na dotaz | Zadat poptávku | |
| 033 4280350b |
C00194099
482000090928 |
OCHRANA (MYLAR) 80x80 | Na dotaz | Zadat poptávku | |
| 035 4280350b |
C00259456
482000023058 |
ZABLOKOVÁNÍ DVEŘÍ BITRON | Na dotaz | Zadat poptávku | |
| 035 4280350b |
C00194353 | LOCKING SYSTEM BITRON T105° | Na dotaz | Zadat poptávku | |
| 036 4280350b |
C00098410
482000078554 |
SESTAVA ENCODER ARISTON NO PUSH HOT2003 | Na dotaz | Zadat poptávku | |
| 036 4280350b |
C00112453
482000028587 |
VITE AUT.4.2X9.5 TPRP ZN. | Na dotaz | Zadat poptávku | |
| 037 4280350b |
C00193532
482000030149 |
Potenciometr (9 pozic) sporáku Whirlpool, Indesit | 394 Kč
€ 16.20 |
||
| 038 4280350b |
C00194351
482000091616 |
VNITŘNÍ ČELNÍ DESKA C60X60 BLOK DVEŘÍ C6 | Na dotaz | Zadat poptávku | |
| 043 4280350b |
C00276675
482000031349 |
CARD 8KB HOT2005 SW 28423860002 PYRO | Na dotaz | Zadat poptávku | |
| 044 4280350b |
C00252539
482000084826 |
SMART READER FOR CARD 8KB | Na dotaz | Zadat poptávku | |
| 099 4280350b |
C00094464
488000094464 |
DOOR INSULATION MATRESS | Na dotaz | Zadat poptávku | |