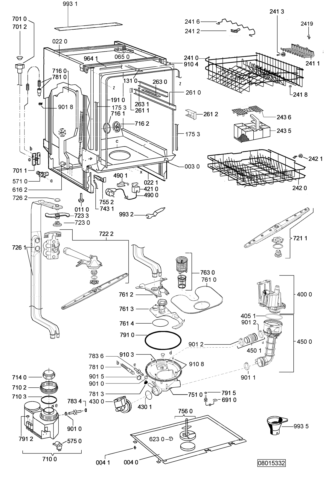
IKEA DW 110 W
Zeptejte se. Rádi poradíme.
Marek Proche
Zákaznická podpora
Po–Čt 8:00—17:00
Pá 8:00—15:00
poradna@servis-whirlpool.cz
| Komerční kód: | DW 110 W |
| Kód 12NC: | 854511015830 |
| I.C. kód: | 854511015831 |
| Značka: | IKEA |
| Typ produktu: | Myčky |
| Další podobné modely: | 854511015830, Q0922630000, 854511015839, Q0922630009, 854511015835, 854511015836 |
Potřebujete servis? Jsme tady pro Vás
Nabídka náhradních dílů
| Číslo | Kód | Název | Cena | ||
|---|---|---|---|---|---|
| 003 0 WHR05147 |
C00328008
481244011455 |
LISTA ADP962/3 | Na dotaz | Zadat poptávku | |
| 004 0 WHR05147 |
C00317159
481244011463 |
Krycí plech spodní myčky Whirlpool | 653 Kč
€ 26.80 |
||
| 004 1 WHR05147 |
C00317898
481240118402 |
drzak | Na dotaz | Zadat poptávku | |
| 011 0 WHR05147 |
C00311544
481250518418 |
noha nastavitelna uz nebude!!!!! | Na dotaz | Zadat poptávku | |
| 022 0 WHR05147 |
C00316509
481244011467 |
Side panel left metallic | Na dotaz | Zadat poptávku | |
| 022 1 WHR05147 |
C00316507
481244011466 |
stena prava | Na dotaz | Zadat poptávku | |
| 040 1 WHR05147 |
C00313635
481231019244 |
Hinge | Na dotaz | Zadat poptávku | |
| 044 0 WHR05147 |
C00311639
481249238362 |
Pružina Dveří | 1 001 Kč
€ 41.10 |
||
| 047 0 WHR05147 |
C00311044
481240448746 |
Brzda dveří myčky nádobí Whirlpool | 29 Kč
€ 1.20 |
||
| 047 1 WHR05147 |
C00311072
481240118707 |
Brzdná páska dveří myčky nádobí Whirlpool, Ignis | 134 Kč
€ 5.50 |
||
| 047 2 WHR05147 |
C00311951
481240468023 |
hak brzdne pasky | 154 Kč
€ 6.30 |
||
| 053 0 WHR05147 |
C00328410
481244089138 |
plech | 1 078 Kč
€ 44.20 |
||
| 065 0 WHR05147 |
C00330893
481246648051 |
izolace | Na dotaz | Zadat poptávku | |
| 103 0 WHR05147 |
C00344974
480140100476 |
Door outer , BI/IKEA/ | Na dotaz | Zadat poptávku | |
| 105 0 WHR05147 |
C00311337
481240448611 |
Držák dveří dekoru | 368 Kč
€ 15.10 |
||
| 105 2 WHR05147 |
C00314238
481250568027 |
prichytka dveri | 75 Kč
€ 3.10 |
||
| 120 0 WHR05147 |
C00314067
481244011718 |
Vnitřní plech dveří myčky Whirlpool, Bauknecht | 3 296 Kč
€ 135.20 |
||
| 130 0 WHR05147 |
C00311942
481241758398 |
Zámek dveří, blokování, blokace myčky nádobí Whirlpool, Indesit | 1 130 Kč
€ 46.40 |
||
| 131 0 WHR05147 |
C00314010
481240118416 |
pojistka zamku | 1 376 Kč
€ 56.50 |
||
| 175 3 WHR05147 |
C00330945
481246668867 |
Těsnění dveří boční šedé | 796 Kč
€ 32.70 |
||
| 191 0 WHR05147 |
C00311041
481246668564 |
Těsnění dveří myčky - obvodové | 522 Kč
€ 21.40 |
||
| 192 0 WHR05147 |
C00313059
481246668912 |
Spodní těsnění dveří myčky nádobí Whirlpool, Ignis | 213 Kč
€ 8.70 |
||
| 241 0 WHR05147 |
C00498279
481245819027 |
KOS NA RIAD HORNY KOV N | Na dotaz | Zadat poptávku | |
| 241 1 WHR05147 |
C00314727
481245819264 |
Držák sklenic | 724 Kč
€ 29.70 |
||
| 241 2 WHR05147 |
C00315630
481253578095 |
pouzdro | Na dotaz | Zadat poptávku | |
| 241 6 WHR05147 |
C00319117
481245819355 |
Držák sklenic | 190 Kč
€ 7.80 |
||
| 241 8 WHR05147 |
C00311091
481246668848 |
Distanční díl horního koše myčky nádobí Whirlpool, Ignis | 313 Kč
€ 12.80 |
||
| 241 9 WHR05147 |
C00311550
481252888117 |
Držák kolečka myčky Whirlpool, Ignis - komplet | 421 Kč
€ 17.30 |
||
| 242 0 WHR05147 |
C00313649
481231028388 |
Basket lower KIT wh/gr | Na dotaz | Zadat poptávku | |
| 242 1 WHR05147 |
C00311316
481252888112 |
Kolečko spodního koše - sada 8 ks | 780 Kč
€ 32.00 |
||
| 243 5 WHR05147 |
C00311331
481231038897 |
Cutlery basket KIT soft 10809/10752 | Na dotaz | Zadat poptávku | |
| 243 6 WHR05147 |
C00314807
481245819296 |
Mřížka košíku na příbory myčky nádobí Whirlpool | 641 Kč
€ 26.30 |
||
| 261 0 WHR05147 |
C00311448
481246279831 |
Rail telescope, inner | Na dotaz | Zadat poptávku | |
| 261 1 WHR05147 |
C00311245
481246279768 |
Koncovka kolejnice - zadní | Na dotaz | Zadat poptávku | |
| 261 2 WHR05147 |
C00311243
481246279986 |
Koncovka kolejnice | Na dotaz | Zadat poptávku | |
| 263 0 WHR05147 |
C00311960
481952018013 |
Ball cage cpl. | Na dotaz | Zadat poptávku | |
| 263 1 WHR05147 |
C00311847
481231048026 |
kulicka plastova | 320 Kč
€ 13.10 |
||
| 301 0 WHR05147 |
C00319009
481245373196 |
panel ovladaci | 843 Kč
€ 34.60 |
||
| 303 1 WHR05147 |
C00337771
481246038153 |
Plate handle WH | Na dotaz | Zadat poptávku | |
| 305 0 WHR05147 |
C00327956
481244010773 |
lista nastav.10mm WH | Na dotaz | Zadat poptávku | |
| 305 1 WHR05147 |
C00333202
481950218241 |
Screw synthetic | Na dotaz | Zadat poptávku | |
| 305 2 WHR05147 |
C00333238
481950518191 |
matice | Na dotaz | Zadat poptávku | |
| 305 3 WHR05147 |
C00316321
481244010772 |
lista | Na dotaz | Zadat poptávku | |
| 331 0 WHR05147 |
C00341862
481241359207 |
knoflik mycky | 157 Kč
€ 6.40 |
||
| 332 0 WHR05147 |
C00329286
481241029184 |
Button WH | Na dotaz | Zadat poptávku | |
| 332 3 WHR05147 |
C00329288
481241029187 |
Button cap ON/OFF WH | Na dotaz | Zadat poptávku | |
| 350 2 WHR05147 |
C00328857
481238128078 |
Light guide | Na dotaz | Zadat poptávku | |
| 400 0 WHR05147 |
C00320731
480140100848 |
Motor, SET MPH PERM 220/230V EUR | Na dotaz | Zadat poptávku | |
| 405 1 WHR05147 |
C00322630
480140100908 |
tesneni | 207 Kč
€ 8.50 |
||
| 421 0 WHR05147 |
C00311367
481212118276 |
Interf.filter | Na dotaz | Zadat poptávku | |
| 430 0 WHR05147 |
C00311158
481236018558 |
Čerpadlo myčky Whirlpool, Bauknecht - vypouštěcí 481236018558 | 380 Kč
€ 15.60 |
||
| 430 1 WHR05147 |
C00317755
481246668689 |
tesneni | 516 Kč
€ 21.20 |
||
| 450 0 WHR05147 |
C00311283
480131000114 |
Heating element | Na dotaz | Zadat poptávku | |
| 450 1 WHR05147 |
C00312781
480140100778 |
Hadice myčky Whirlpool vnitřní + spona | 878 Kč
€ 36.00 |
||
| 480 0 WHR05147 |
C00313136
481232128499 |
kabelaz | Na dotaz | Zadat poptávku | |
| 480 0 WHR05147 |
C00343785
480140101419 |
kabelaz | Na dotaz | Zadat poptávku | |
| 480 3 WHR05147 |
C00311946
481240118418 |
Protector f.wiring | Na dotaz | Zadat poptávku | |
| 490 0 WHR05147 |
C00314874
481232118049 |
Cable mains UK | Na dotaz | Zadat poptávku | |
| 490 1 WHR05147 |
C00309418
481232128367 |
Přechodka | 324 Kč
€ 13.30 |
||
| 521 0 WHR05147 |
C00312894
481221838522 |
User board (CB) SAM BASIC | Na dotaz | Zadat poptávku | |
| 521 0 WHR05147 |
C00342660
480140100445 |
programator mycky h. | Na dotaz | Zadat poptávku | |
| 521 8 WHR05147 |
C00314532
481253078066 |
Osa knoflíku | 405 Kč
€ 16.60 |
||
| 571 0 WHR05147 |
C00311288
481228128462 |
Napouštecí ventil myčky - jednocestný, přímý | 980 Kč
€ 40.20 |
||
| 575 0 WHR05147 |
C00314610
481231019146 |
ventil regeneracni | 2 016 Kč
€ 82.70 |
||
| 616 2 WHR05147 |
C00311116
481231019147 |
Senzor průtokoměru | 1 158 Kč
€ 47.50 |
||
| 621 0 WHR05147 |
C00311983
481227618495 |
Spínač hlavní | 888 Kč
€ 36.40 |
||
| 621 0 WHR05147 |
C00314725
480140100929 |
Spínač ON/OFF | 1 030 Kč
€ 42.30 |
||
| 623 0 WHR05147 |
C00319339
481227138489 |
mikrospinac plovaku | 797 Kč
€ 32.70 |
||
| 633 0 WHR05147 |
C00319289
481227138488 |
Microswitch door | Na dotaz | Zadat poptávku | |
| 680 0 WHR05147 |
C00311789
481241868371 |
Combidosage | Na dotaz | Zadat poptávku | |
| 680 1 WHR05147 |
C00314550
481246668495 |
Těsnění násypky | 547 Kč
€ 22.40 |
||
| 680 3 WHR05147 |
C00328081
481244011725 |
Lever,fastener | Na dotaz | Zadat poptávku | |
| 681 1 WHR05147 |
C00313952
481246668497 |
Gasket SK 5244.04.04 | Na dotaz | Zadat poptávku | |
| 681 2 WHR05147 |
C00316126
481244018975 |
klapka | 527 Kč
€ 21.60 |
||
| 682 0 WHR05147 |
C00319741
481246668496 |
tesneni nasypky | 126 Kč
€ 5.20 |
||
| 691 0 WHR05147 |
C00311048
481228268051 |
Senzor NTC | 543 Kč
€ 22.30 |
||
| 701 0 WHR05147 |
C00309500
481953028928 |
hadice napousteci | Na dotaz | Zadat poptávku | |
| 701 0 WHR05147 |
C00312612
481953028926 |
Hose inlet 2.5 m (Eltek) | Na dotaz | Zadat poptávku | |
| 701 0 WHR05147 |
C00498607
481253028081 |
HADICA | Na dotaz | Zadat poptávku | |
| 701 1 WHR05147 |
C00319991
481231018302 |
drzak hadic | Na dotaz | Zadat poptávku | |
| 701 2 WHR05147 |
C00318772
482248050159 |
Sieve inlet | Na dotaz | Zadat poptávku | |
| 710 0 WHR05147 |
C00312413
481241868372 |
zasobnik soli | 2 563 Kč
€ 105.20 |
||
| 710 2 WHR05147 |
C00316961
481231038896 |
matice k zásobníku soli pro myčku Whirlpool | 154 Kč
€ 6.30 |
||
| 710 3 WHR05147 |
C00315128
481946669562 |
Gasket set | Na dotaz | Zadat poptávku | |
| 714 0 WHR05147 |
C00312631
481246279906 |
uzaver zasob. soli | 632 Kč
€ 25.90 |
||
| 716 0 WHR05147 |
C00310997
481241868368 |
Změkčovač s průtokoměrem,Labyrint do myčky Whirlpool | 1 617 Kč
€ 66.40 |
||
| 716 1 WHR05147 |
C00315959
481246668475 |
Gasket | Na dotaz | Zadat poptávku | |
| 716 2 WHR05147 |
C00311305
481246278994 |
mrizka bloku upravy vody | 302 Kč
€ 12.40 |
||
| 721 1 WHR05147 |
C00311132
481236068689 |
Spray arm lower. cpl. sa | Na dotaz | Zadat poptávku | |
| 722 2 WHR05147 |
C00311304
481236068693 |
Spray arm 2nd level cpl. saph | Na dotaz | Zadat poptávku | |
| 723 0 WHR05147 |
C00312540
481236068691 |
Douche ceiling | Na dotaz | Zadat poptávku | |
| 726 1 WHR05147 |
C00313019
481253029331 |
Trubka rozvodu vody do horního ramene myčky nádobí Whirlpool, Ignis | 601 Kč
€ 24.70 |
||
| 726 2 WHR05147 |
C00314925
481250518208 |
matice plast | 286 Kč
€ 11.70 |
||
| 743 1 WHR05147 |
C00314290
481253028102 |
Hadička | 82 Kč
€ 3.40 |
||
| 751 0 WHR05147 |
C00315548
481241818598 |
nadoba sberna | Na dotaz | Zadat poptávku | |
| 755 2 WHR05147 |
C00332503
481253048148 |
Přepadový kanál levý | 206 Kč
€ 8.50 |
||
| 756 0 WHR05147 |
C00318106
481236058479 |
plovák | Na dotaz | Zadat poptávku | |
| 761 0 WHR05147 |
C00313265
481248058122 |
sitko jemne | Na dotaz | Zadat poptávku | |
| 761 2 WHR05147 |
C00311695
481241818337 |
kryt | Na dotaz | Zadat poptávku | |
| 761 3 WHR05147 |
C00311568
481241818341 |
Cover | Na dotaz | Zadat poptávku | |
| 761 4 WHR05147 |
C00311339
481253058141 |
Spodní těsnění k přívodu vody do mycích ramen myčky Whirlpool ADG 2040 FD, 5720 IX, ADG 6 | 174 Kč
€ 7.10 |
||
| 763 0 WHR05147 |
C00313492
481248058363 |
Sieve | Na dotaz | Zadat poptávku | |
| 781 0 WHR05147 |
C00311031
481253029113 |
Hadice výtoková na myčku Whirlpool | 161 Kč
€ 6.60 |
||
| 781 3 WHR05147 |
C00317931
481228128417 |
Klapka zpětná | 697 Kč
€ 28.60 |
||
| 783 4 WHR05147 |
C00314292
481253028888 |
Hadice myčky Whirlpool, Ignis | 58 Kč
€ 2.40 |
||
| 783 6 WHR05147 |
C00332409
481253028796 |
Hose 10x3x180+10 | Na dotaz | Zadat poptávku | |
| 791 0 WHR05147 |
C00313003
481253268099 |
Těsnění jímky (spodní nádoby) myčky nádobí Whirlpool ADG 5720 FD A+, ADG 6240 FD, ADG 772 | 636 Kč
€ 26.10 |
||
| 791 2 WHR05147 |
C00312677
481253058093 |
Gasket SK 5199 01 4 | Na dotaz | Zadat poptávku | |
| 791 5 WHR05147 |
C00330909
481246668504 |
tesneni | 333 Kč
€ 13.70 |
||
| 900 1 WHR05147 |
C00314510
481231028401 |
Sada montážní pro vestavnou myčku | Na dotaz | Zadat poptávku | |
| 901 0 WHR05147 |
C00311521
481240118709 |
Clamp hose S10-16/9-C7W1 | Na dotaz | Zadat poptávku | |
| 901 0 WHR05147 |
C00317847
482240110492 |
spona12-20/9A | 112 Kč
€ 4.60 |
||
| 901 1 WHR05147 |
C00311510
481240118708 |
SPONA | 93 Kč
€ 3.80 |
||
| 901 2 WHR05147 |
C00312178
481240118705 |
spona na hadici | 56 Kč
€ 2.30 |
||
| 901 5 WHR05147 |
C00311821
481240148588 |
SPONA 028,6 | 75 Kč
€ 3.10 |
||
| 901 8 WHR05147 |
C00328917
481240118711 |
Spona hadice | 436 Kč
€ 17.90 |
||
| 902 2 WHR05147 |
C00329172
481240478241 |
Držák | 318 Kč
€ 13.00 |
||
| 910 1 WHR05147 |
C00311881
481250218394 |
Šroub | 74 Kč
€ 3.00 |
||
| 910 2 WHR05147 |
C00316659
481250218363 |
Šroub | 191 Kč
€ 7.80 |
||
| 910 3 WHR05147 |
C00332082
481250218527 |
Screw 4x15 T204x15 T20 | Na dotaz | Zadat poptávku | |
| 910 4 WHR05147 |
C00332118
481250218743 |
Screw M3,5x8TC STAR | Na dotaz | Zadat poptávku | |
| 910 5 WHR05147 |
C00345782
481250218393 |
Screw 3,5x9-1 Tx15 | Na dotaz | Zadat poptávku | |
| 910 7 WHR05147 |
C00314887
481250218397 |
Screw INOX A2 M 5x14 TX20 | Na dotaz | Zadat poptávku | |
| 910 8 WHR05147 |
C00345781
481250218389 |
sroub 5x20-TORX | 76 Kč
€ 3.10 |
||
| 910 9 WHR05147 |
C00314583
481240118706 |
sroub | 29 Kč
€ 1.20 |
||
| 964 1 WHR05147 |
C00330914
481246668573 |
Těsnění horní skříně vestavné myčky Whirlpool | 396 Kč
€ 16.20 |
||
| 993 1 WHR05147 |
C00319875
481246678388 |
Ochranná fólie, parní zábrana nad vestavnou myčku nádobí Whirlpool | 146 Kč
€ 6.00 |
||
| 993 2 WHR05147 |
C00329037
481240448753 |
Kliž pro nastavení nohy myčky | 318 Kč
€ 13.00 |
||
| 993 5 WHR05147 |
C00335151
482253280216 |
SALT FUNNEL | Na dotaz | Zadat poptávku | |
| 999 WHR05147 |
C00349135 | Testprogram WHP | Na dotaz | Zadat poptávku | |