BAUKNECHT EXCELLENCE 1600 WASHING MACHINES BK
Zeptejte se. Rádi poradíme.
Marek Proche
Zákaznická podpora
Po–Čt 8:00—17:00
Pá 8:00—15:00
poradna@servis-whirlpool.cz
| Komerční kód: | EXCELLENCE 1600 WASHING MACHINES BK |
| Kód 12NC: | 855490812100 |
| I.C. kód: | 855490812101 |
| Značka: | BAUKNECHT |
| Typ produktu: | Pračky |
| Další podobné modely: | 855490812000, 855490812002, 855490812001, 855490812100 |
Potřebujete servis? Jsme tady pro Vás
Nabídka náhradních dílů
| Číslo | Kód | Název | Cena | ||
|---|---|---|---|---|---|
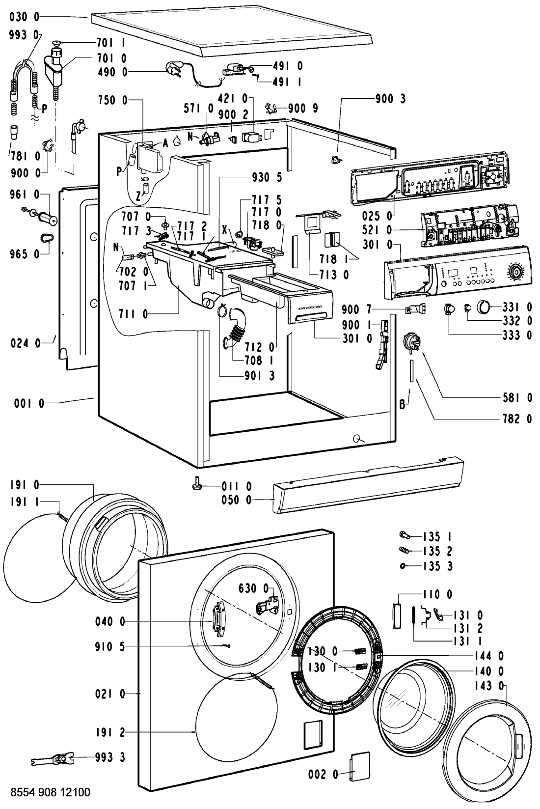
| 0010 WHR15371 |
C00327957
481244010784 |
Cabinet GW | Na dotaz | Zadat poptávku | |
| 0020 WHR15371 |
C00340841
481244010812 |
Flap Filter square GW | Na dotaz | Zadat poptávku | |
| 0040 WHR15371 |
C00497924
481244018993 |
ZBERAC AQUA DELTA | Na dotaz | Zadat poptávku | |
| 0110 WHR15371 |
C00330679
481246248421 |
Adjust.foot | Na dotaz | Zadat poptávku | |
| 0210 WHR15371 |
C00340649
481244010927 |
Front square flap GW 50mm | Na dotaz | Zadat poptávku | |
| 0240 WHR15371 |
C00328103
481244018998 |
Stěna přední AWM250 | Na dotaz | Zadat poptávku | |
| 0250 WHR15371 |
C00491728
481244011067 |
Holder GAMMA BK | Na dotaz | Zadat poptávku | |
| 0300 WHR15371 |
C00327986
481244011175 |
Table topEBL short | Na dotaz | Zadat poptávku | |
| 0400 WHR15371 |
C00312018
481241718787 |
Závěs dveří pračky | 625 Kč
€ 25.60 |
||
| 0500 WHR15371 |
C00489312
481244089046 |
Plinth VBL BK GW | Na dotaz | Zadat poptávku | |
| 0610 WHR15371 |
C00331509
481246688818 |
Counter weight upper 1600 | Na dotaz | Zadat poptávku | |
| 0611 WHR15371 |
C00331510
481246688819 |
Counter weight bottom 1600 | Na dotaz | Zadat poptávku | |
| 0613 WHR15371 |
C00326731
481209498006 |
Mounting kit Weight bottom, 1600 | Na dotaz | Zadat poptávku | |
| 0614 WHR15371 |
C00331511
481246688821 |
Counter weight front 1600 | Na dotaz | Zadat poptávku | |
| 0615 WHR15371 |
C00326732
481209498007 |
Mounting kit weight front, 1600 | Na dotaz | Zadat poptávku | |
| 0810 WHR15371 |
C00313104
481246648088 |
Tlumič třecí pro předem plněné pračky Whirlpool | 766 Kč
€ 31.30 |
||
| 0840 WHR15371 |
C00330907
481246658001 |
drzak pruziny agreg. | Na dotaz | Zadat poptávku | |
| 0862 WHR15371 |
C00314527
481240118412 |
pojistka tlumice | 333 Kč
€ 13.60 |
||
| 1100 WHR15371 |
C00345884
481249818675 |
Rukojeť dveří | 741 Kč
€ 30.30 |
||
| 1300 WHR15371 |
C00318057
481241728047 |
desticka uzaveru dv. | 27 Kč
€ 1.10 |
||
| 1301 WHR15371 |
C00329782
481241728048 |
Plate Doorlock LowerDoorlock Lower | Na dotaz | Zadat poptávku | |
| 1310 WHR15371 |
C00312433
481241728046 |
Lock Door | Na dotaz | Zadat poptávku | |
| 1311 WHR15371 |
C00312243
481241728045 |
osa uzaveru dveri | 43 Kč
€ 1.80 |
||
| 1312 WHR15371 |
C00312651
481249258022 |
Pružina uzávěru dveří | 237 Kč
€ 9.70 |
||
| 1351 WHR15371 |
C00317048
481249818262 |
pojistka dveri | 227 Kč
€ 9.30 |
||
| 1352 WHR15371 |
C00317024
481249148004 |
Pružina | 220 Kč
€ 9.00 |
||
| 1353 WHR15371 |
C00313732
481229068153 |
drzak pojistky | Na dotaz | Zadat poptávku | |
| 1400 WHR15371 |
C00331123
481245058983 |
Door glass | Na dotaz | Zadat poptávku | |
| 1430 WHR15371 |
C00328006
481244011453 |
Glassdoor frame EBL BK | Na dotaz | Zadat poptávku | |
| 1440 WHR15371 |
C00313481
481244011139 |
Frame door glas | Na dotaz | Zadat poptávku | |
| 1910 WHR15371 |
C00311499
481246668841 |
Door bellow short 1600 EPDM | Na dotaz | Zadat poptávku | |
| 1911 WHR15371 |
C00328913
481240118673 |
Strap 1600 | Na dotaz | Zadat poptávku | |
| 1912 WHR15371 |
C00318256
481953058059 |
spona TVO predni st. | Na dotaz | Zadat poptávku | |
| 2001 WHR15371 |
C00329838
481241818534 |
Tub, half front 53l, 1600 | Na dotaz | Zadat poptávku | |
| 2002 WHR15371 |
C00319018
481241818533 |
Tub, half rear 53l, 1600 | Na dotaz | Zadat poptávku | |
| 2004 WHR15371 |
C00314317
481229088054 |
Spona nádrže | 378 Kč
€ 15.50 |
||
| 2200 WHR15371 |
C00318240
481241818532 |
Drum 1600, 53l, PP | Na dotaz | Zadat poptávku | |
| 2710 WHR15371 |
C00328555
481235818194 |
Belt POLY-5 1272 J 5 | Na dotaz | Zadat poptávku | |
| 2720 WHR15371 |
C00332370
481252858039 |
Pulley 1600 | Na dotaz | Zadat poptávku | |
| 2723 WHR15371 |
C00313776
481250518371 |
matice remenice | Na dotaz | Zadat poptávku | |
| 2920 WHR15371 |
C00332635
481253058176 |
Gasket Tub 1600 | Na dotaz | Zadat poptávku | |
| 3010 WHR15371 |
C00460792
481245215875 |
Control panel + handle drawer | Na dotaz | Zadat poptávku | |
| 3310 WHR15371 |
C00457958
481241458303 |
KNOFLIK | Na dotaz | Zadat poptávku | |
| 3320 WHR15371 |
C00457721
481241029376 |
Button Options EBL BK | Na dotaz | Zadat poptávku | |
| 3330 WHR15371 |
C00457720
481241029375 |
Button Start EBL BK | Na dotaz | Zadat poptávku | |
| 4000 WHR15371 |
C00312930
481236158413 |
Motor MCA 61/64-148/WHE8, 1600 Delta | Na dotaz | Zadat poptávku | |
| 4001 WHR15371 |
C00332114
481250218737 |
Screw 8x38 | Na dotaz | Zadat poptávku | |
| 4090 WHR15371 |
C00315357
481236248443 |
Brush,carbon BS. | Na dotaz | Zadat poptávku | |
| 4210 WHR15371 |
C00311350
481212118285 |
Filtr odrušovací 1 uF | 294 Kč
€ 12.00 |
||
| 4300 WHR15371 |
C00311139
481231028144 |
Vypouštěcí čerpadlo pračky Whirlpool / Bauknecht | 576 Kč
€ 23.60 |
||
| 4510 WHR15371 |
C00373838
481225928905 |
Topné těleso + NTC | 1 272 Kč
€ 52.10 |
||
| 4800 WHR15371 |
C00311380
481232178109 |
vodice svazek motor | Na dotaz | Zadat poptávku | |
| 4900 WHR15371 |
C00316393
481932118136 |
Flexo kabel 2 m, konektory | Na dotaz | Zadat poptávku | |
| 4910 WHR15371 |
C00309418
481232128367 |
Přechodka | 324 Kč
€ 13.30 |
||
| 4911 WHR15371 |
C00318425
481250238152 |
Screw 4.8x19 | Na dotaz | Zadat poptávku | |
| 5210 WHR15371 |
C00378551
481221479691 |
Control board Basic GAMMA, BK2, SAM | Na dotaz | Zadat poptávku | |
| 5210 WHR15371 |
C00455877
481221479658 |
Control board GAMMA BK2 programmed | Na dotaz | Zadat poptávku | |
| 5710 WHR15371 |
C00492928
481227128543 |
ventil jednocestny | 1 013 Kč
€ 41.50 |
||
| 5810 WHR15371 |
C00311217
481227128554 |
Presostat pračky | 207 Kč
€ 8.50 |
||
| 6300 WHR15371 |
C00311146
481228058044 |
Blokování dveří předem plněné pračky Whirlpool | Na dotaz | Zadat poptávku | |
| 6310 WHR15371 |
C00317471
481227138358 |
mikrospinac plovaku | 745 Kč
€ 30.50 |
||
| 6311 WHR15371 |
C00315271
481236058112 |
Plovák hladinového spínače pračky Whirlpool, Bauknecht | 186 Kč
€ 7.60 |
||
| 6910 WHR15371 |
C00313117
481228219485 |
senzor NTC | 857 Kč
€ 35.10 |
||
| 7010 WHR15371 |
C00312612
481953028926 |
Hose inlet 2.5 m (Eltek) | Na dotaz | Zadat poptávku | |
| 7010 WHR15371 |
C00332408
481253028781 |
HYDRO-SECURITY 4m 90# 10 BAR straight | Na dotaz | Zadat poptávku | |
| 7011 WHR15371 |
C00316490
481946669704 |
tesneni + sitko | 173 Kč
€ 7.10 |
||
| 7020 WHR15371 |
C00313911
481953029019 |
Hadice ventil - násypka pračky Whirlpool, Ignis, Bauknecht | 105 Kč
€ 4.30 |
||
| 7070 WHR15371 |
C00317102
481252648031 |
Tryska násypky pračky | 104 Kč
€ 4.30 |
||
| 7071 WHR15371 |
C00332324
481252648028 |
Tryska násypky pračky | Na dotaz | Zadat poptávku | |
| 7081 WHR15371 |
C00313009
481253048143 |
hadice k násypce pračky Whirlpool uz nebude !!!! | Na dotaz | Zadat poptávku | |
| 7110 WHR15371 |
C00481273
481241868328 |
těleso násypky | 1 848 Kč
€ 75.60 |
||
| 7120 WHR15371 |
C00458941
481241868369 |
Drawer 3 C., white, BK EBL | Na dotaz | Zadat poptávku | |
| 7130 WHR15371 |
C00314041
481241889037 |
vlozka nasypky klap. | Na dotaz | Zadat poptávku | |
| 7170 WHR15371 |
C00314912
481232318006 |
motorek distribuce vody násypky pračky | 580 Kč
€ 23.70 |
||
| 7171 WHR15371 |
C00338398
481232138015 |
Lever water distr. OME | Na dotaz | Zadat poptávku | |
| 7172 WHR15371 |
C00338404
481232138014 |
Lever OMEGA/GAMMA | Na dotaz | Zadat poptávku | |
| 7173 WHR15371 |
C00338410
481232138016 |
Lever connection OMEGAconnection OMEG | Na dotaz | Zadat poptávku | |
| 7175 WHR15371 |
C00342853
481231018459 |
VACKA AKTUATORA OMEG | 265 Kč
€ 10.80 |
||
| 7180 WHR15371 |
C00332332
481252648051 |
sifon do nasypky | 462 Kč
€ 18.90 |
||
| 7181 WHR15371 |
C00458995
481241889065 |
Separator 3 C. white, BK EBL | Na dotaz | Zadat poptávku | |
| 7500 WHR15371 |
C00332502
481253048139 |
Expanzní nádoba pračky Whirlpool, Bauknecht | 141 Kč
€ 5.80 |
||
| 7531 WHR15371 |
C00312723
481941868234 |
vzdusnik | Na dotaz | Zadat poptávku | |
| 7540 WHR15371 |
C00312061
481253028826 |
Hadice nádrž-čerpadlo | Na dotaz | Zadat poptávku | |
| 7541 WHR15371 |
C00309391
481253028832 |
Kulička hadice mezi vanou a čerpadlem pračky Whirpool | 894 Kč
€ 36.60 |
||
| 7542 WHR15371 |
C00332452
481253029352 |
Příruba eco AWT,AWO/D | 317 Kč
€ 13.00 |
||
| 7600 WHR15371 |
C00314625
481248058105 |
Filtr čerpadla DELTA | 697 Kč
€ 28.50 |
||
| 7810 WHR15371 |
C00314886
481253029355 |
hadice | Na dotaz | Zadat poptávku | |
| 7820 WHR15371 |
C00317136
481253028827 |
Hose Pressostat | Na dotaz | Zadat poptávku | |
| 7831 WHR15371 |
C00332453
481253029353 |
Steam hose | Na dotaz | Zadat poptávku | |
| 7833 WHR15371 |
C00310140
481253018001 |
Connection Part | Na dotaz | Zadat poptávku | |
| 7834 WHR15371 |
C00317150
481253029354 |
Hose | Na dotaz | Zadat poptávku | |
| 7870 WHR15371 |
C00315511
481253028813 |
hadice odparovaci | 447 Kč
€ 18.30 |
||
| 7872 WHR15371 |
C00311154
481940118174 |
Spona odparov.hadica | 122 Kč
€ 5.00 |
||
| 7945 WHR15371 |
C00319466
481253058098 |
tesneni vzdusniku Náhrada 481010395017 |
Na dotaz | Zadat poptávku | |
| 9000 WHR15371 |
C00318811
481225518287 |
Holder Hose outlet right | Na dotaz | Zadat poptávku | |
| 9001 WHR15371 |
C00327315
481229088086 |
Bracket | Na dotaz | Zadat poptávku | |
| 9002 WHR15371 |
C00327313
481229088077 |
Cable clamp | Na dotaz | Zadat poptávku | |
| 9003 WHR15371 |
C00328874
481240118446 |
Cable clamp | Na dotaz | Zadat poptávku | |
| 9004 WHR15371 |
C00316612
481240118414 |
SPONA39,7 | 37 Kč
€ 1.50 |
||
| 9005 WHR15371 |
C00309461
481940118529 |
Spona nádrž-čerpadlo | 105 Kč
€ 4.30 |
||
| 9006 WHR15371 |
C00317960
481240118444 |
Držák topení pračky Whirlpool, Ignis | Na dotaz | Zadat poptávku | |
| 9007 WHR15371 |
C00327148
481225698031 |
Holder pressostat | Na dotaz | Zadat poptávku | |
| 9009 WHR15371 |
C00327126
481225518286 |
Holder Hose outlet left | Na dotaz | Zadat poptávku | |
| 9013 WHR15371 |
C00318107
481240118549 |
Clamp hose | Na dotaz | Zadat poptávku | |
| 9105 WHR15371 |
C00332081
481250218516 |
Screw 4,2 x 13 | Na dotaz | Zadat poptávku | |
| 9106 WHR15371 |
C00332107
481250218678 |
Screw 10.9-M8X50-F | Na dotaz | Zadat poptávku | |
| 9107 WHR15371 |
C00332108
481250218682 |
Screw P6X40 | Na dotaz | Zadat poptávku | |
| 9300 WHR15371 |
C00345869
481249238391 |
Spring Suspension 53l, 1400 | Na dotaz | Zadat poptávku | |
| 9305 WHR15371 |
C00312356
481249238359 |
Pružina trysky násypky | 13 Kč
€ 0.50 |
||
| 9410 WHR15371 |
C00332295
481252028186 |
Ložisko 6208 SKF 2Z, 6208 2Z C3 | 963 Kč
€ 39.40 |
||
| 9411 WHR15371 |
C00318543
481252028001 |
Bearing,ball BB1-0625 DD | Na dotaz | Zadat poptávku | |
| 9530 WHR15371 |
C00332636
481253058177 |
gufero 50x93x12,5/9 | 556 Kč
€ 22.80 |
||
| 9610 WHR15371 |
C00333324
481953268829 |
Vložka vymezovací | 305 Kč
€ 12.50 |
||
| 9650 WHR15371 |
C00330912
481246668545 |
Záslepka otvoru po zajišťovacím šroubu bubnu pračky Whirlpool | 206 Kč
€ 8.40 |
||
| 9930 WHR15371 |
C00316831
481953029028 |
Ohyb plastový/držák vypouštěcí hadice pračky | Na dotaz | Zadat poptávku | |
| 9933 WHR15371 |
C00328868
481239558004 |
klic montazni | Na dotaz | Zadat poptávku | |