BAUKNECHT GSIK 6593 AL
 
             
                 
                
    Zeptejte se. Rádi poradíme.
    
        
            
                
                     
              
        
        
            
    
    
             
            Marek Proche
                    
Zákaznická podpora
            
Po–Čt 8:00—17:00
                
Pá 8:00—15:00             
            
        
            
        poradna@servis-whirlpool.cz     
    
    
| Komerční kód: | GSIK 6593 AL | 
| Kód 12NC/I.C. kód: | 854665922790 | 
| Značka: | BAUKNECHT | 
| Typ produktu: | 
Potřebujete servis? Jsme tady pro Vás
Nabídka náhradních dílů
| Číslo | Kód | Název | Cena | ||
|---|---|---|---|---|---|
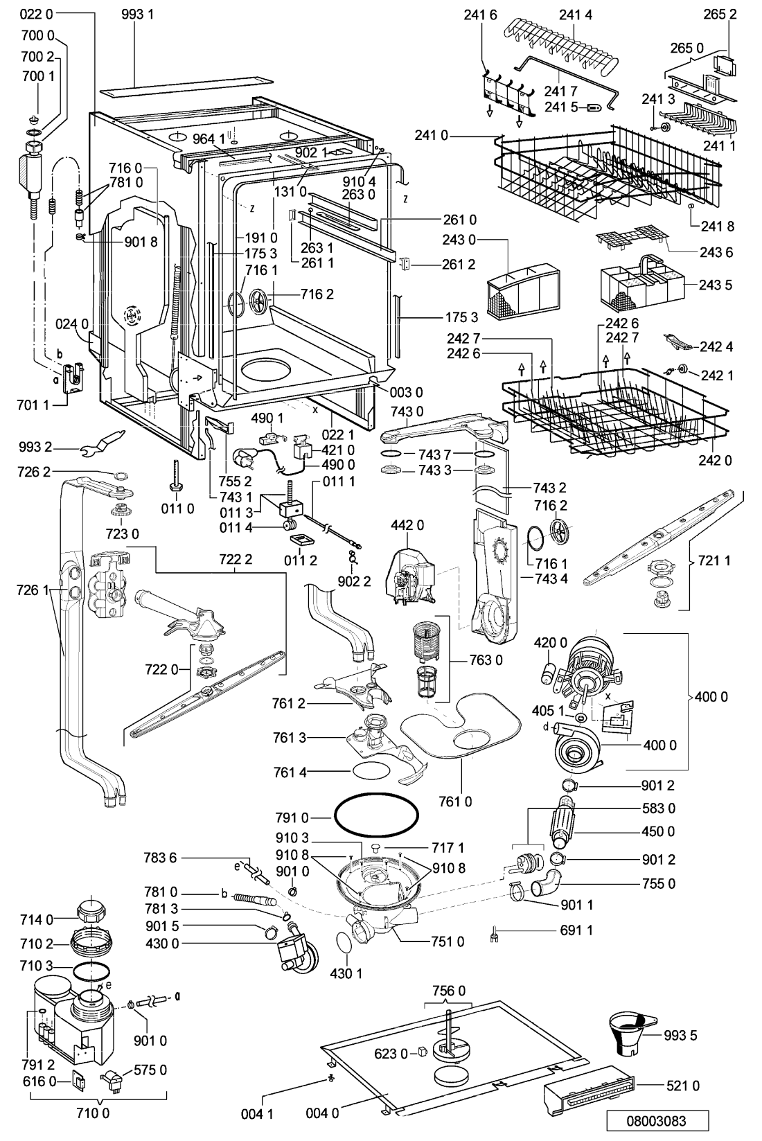
| 003 0 WHR97141 | C00497944 481244019594 | LISTA ADP962/3 N | Na dotaz | Zadat poptávku | |
| 004 0 WHR97141 | C00328100 481244018952 | Drip tray assy | Na dotaz | Zadat poptávku | |
| 004 1 WHR97141 | C00317898 481240118402 | drzak | Na dotaz | Zadat poptávku | |
| 011 0 WHR97141 | C00318437 481250518369 | Foot long | Na dotaz | Zadat poptávku | |
| 011 1 WHR97141 | C00318701 481252898004 | Tyčka nastavení | 205 Kč € 8.40 | ||
| 011 2 WHR97141 | C00315501 481252878032 | Kluzák zadní středové nohy | 339 Kč € 13.90 | ||
| 011 3 WHR97141 | C00311494 481253598054 | Gear | Na dotaz | Zadat poptávku | |
| 011 4 WHR97141 | C00315507 481252898001 | kolecko nohy | 470 Kč € 19.30 | ||
| 022 0 WHR97141 | C00336326 481244019398 | stena bocni leva | Na dotaz | Zadat poptávku | |
| 022 1 WHR97141 | C00336308 481244019397 | stena bocni prava | Na dotaz | Zadat poptávku | |
| 024 0 WHR97141 | C00497878 481244010417 | Panel, rear | Na dotaz | Zadat poptávku | |
| 040 1 WHR97141 | C00312272 481241718774 | Závěs dveří levý | 568 Kč € 23.30 | ||
| 040 2 WHR97141 | C00312358 481241718773 | zaves dveri pravy | 568 Kč € 23.30 | ||
| 044 0 WHR97141 | C00311639 481249238362 | Pružina Dveří | 1 001 Kč € 41.10 | ||
| 047 0 WHR97141 | C00311044 481240448746 | Brzda dveří | 29 Kč € 1.20 | ||
| 047 1 WHR97141 | C00311343 481240118397 | Band,brake | Na dotaz | Zadat poptávku | |
| 047 2 WHR97141 | C00311951 481240468023 | hak brzdne pasky | 154 Kč € 6.30 | ||
| 053 0 WHR97141 | C00316344 481244088884 | Plinth | Na dotaz | Zadat poptávku | |
| 103 0 WHR97141 | C00497934 481244019478 | dvere mycky vnejsi | Na dotaz | Zadat poptávku | |
| 105 0 WHR97141 | C00311337 481240448611 | Držák dveří dekoru | 368 Kč € 15.10 | ||
| 105 2 WHR97141 | C00498573 481250568004 | PR?CHYTKA KOV N | Na dotaz | Zadat poptávku | |
| 120 0 WHR97141 | C00328106 481244019456 | vnitrek dveri mycky | Na dotaz | Zadat poptávku | |
| 120 1 WHR97141 | C00328101 481244018969 | lista | Na dotaz | Zadat poptávku | |
| 130 0 WHR97141 | C00329789 481241758373 | Tilt lock cpl. bk | Na dotaz | Zadat poptávku | |
| 131 0 WHR97141 | C00314010 481240118416 | pojistka zamku | 1 376 Kč € 56.40 | ||
| 175 3 WHR97141 | C00344437 481246668572 | Batten | Na dotaz | Zadat poptávku | |
| 191 0 WHR97141 | C00311041 481246668564 | Těsnění dveří myčky - obvodové | 654 Kč € 26.80 | ||
| 192 0 WHR97141 | C00311260 481246668467 | Těsnění dveří - spodní myčky nádobí Whirlpool | 666 Kč € 27.30 | ||
| 241 0 WHR97141 | C00344443 481245819028 | Basketupper straight | Na dotaz | Zadat poptávku | |
| 241 1 WHR97141 | C00339513 481245819036 | Holdercups right gr | Na dotaz | Zadat poptávku | |
| 241 3 WHR97141 | C00315034 481252888068 | Set of 4 Basket Wheels | Na dotaz | Zadat poptávku | |
| 241 4 WHR97141 | C00339629 481245819033 | Holder dishes gr | Na dotaz | Zadat poptávku | |
| 241 5 WHR97141 | C00344405 481253578054 | Bearing | Na dotaz | Zadat poptávku | |
| 241 6 WHR97141 | C00339608 481245819032 | Holder glasses gr | Na dotaz | Zadat poptávku | |
| 241 7 WHR97141 | C00497590 481240448751 | Hoop | Na dotaz | Zadat poptávku | |
| 241 8 WHR97141 | C00319787 481246668659 | doraz kose | Na dotaz | Zadat poptávku | |
| 242 0 WHR97141 | C00344465 481231028135 | Basket lower KITlower KIT | Na dotaz | Zadat poptávku | |
| 242 1 WHR97141 | C00337174 481252888094 | Wheel,basketlower gr | Na dotaz | Zadat poptávku | |
| 242 4 WHR97141 | C00330894 481246648091 | Fixation grgr | Na dotaz | Zadat poptávku | |
| 242 6 WHR97141 | C00335802 481245819034 | Support plateleft | Na dotaz | Zadat poptávku | |
| 242 7 WHR97141 | C00335800 481245819035 | Support plateright | Na dotaz | Zadat poptávku | |
| 243 5 WHR97141 | C00342222 481231038538 | Cutlery basketKIT | Na dotaz | Zadat poptávku | |
| 243 6 WHR97141 | C00498280 481245819029 | Grille | Na dotaz | Zadat poptávku | |
| 261 0 WHR97141 | C00311448 481246279831 | Rail telescope, inner | Na dotaz | Zadat poptávku | |
| 261 1 WHR97141 | C00311245 481246279768 | Koncovka kolejnice - zadní | Na dotaz | Zadat poptávku | |
| 261 2 WHR97141 | C00330752 481246279832 | Cap rail ahead | Na dotaz | Zadat poptávku | |
| 261 2 WHR97141 | C00342838 481246279767 | Cap | Na dotaz | Zadat poptávku | |
| 263 0 WHR97141 | C00311960 481952018013 | Ball cage cpl. | Na dotaz | Zadat poptávku | |
| 263 1 WHR97141 | C00332297 481252048001 | Ball Niro 8 D | Na dotaz | Zadat poptávku | |
| 265 0 WHR97141 | C00312469 481240448637 | Basket adjustm. cpl. cpl. | Na dotaz | Zadat poptávku | |
| 265 2 WHR97141 | C00340206 481240448749 | Gripbasket adjustment | Na dotaz | Zadat poptávku | |
| 301 0 WHR97141 | C00740814 481245371833 | Control panel ALU | Na dotaz | Zadat poptávku | |
| 303 1 WHR97141 | C00490031 481246038106 | rukojet dveri mycky | Na dotaz | Zadat poptávku | |
| 305 1 WHR97141 | C00333202 481950218241 | Screw synthetic | Na dotaz | Zadat poptávku | |
| 305 2 WHR97141 | C00333238 481950518191 | matice | Na dotaz | Zadat poptávku | |
| 305 6 WHR97141 | C00489132 481244010333 | Batten ALU | Na dotaz | Zadat poptávku | |
| 331 0 WHR97141 | C00500438 481241359058 | Knob program cpl. ALU | Na dotaz | Zadat poptávku | |
| 332 0 WHR97141 | C00493457 481241078102 | Button ALU | Na dotaz | Zadat poptávku | |
| 332 1 WHR97141 | C00527623 481241028756 | Button ALU | Na dotaz | Zadat poptávku | |
| 332 3 WHR97141 | C00527622 481241028755 | Button ON/OFF ALU | Na dotaz | Zadat poptávku | |
| 350 0 WHR97141 | C00482544 481227658116 | Display board | Na dotaz | Zadat poptávku | |
| 400 0 WHR97141 | C00311248 481236158334 | Motor + spray pump - PNT permanent | Na dotaz | Zadat poptávku | |
| 405 1 WHR97141 | C00333259 481951528158 | podlozka | 358 Kč € 14.70 | ||
| 420 0 WHR97141 | C00326768 481212118132 | Capacitor | Na dotaz | Zadat poptávku | |
| 421 0 WHR97141 | C00318174 481212118158 | Interf.filter - 68820-06 | Na dotaz | Zadat poptávku | |
| 430 0 WHR97141 | C00312277 481236018508 | Pump,draining - 7828.64747 | Na dotaz | Zadat poptávku | |
| 430 1 WHR97141 | C00317755 481246668689 | tesneni | 501 Kč € 20.50 | ||
| 442 0 WHR97141 | C00497529 481236118402 | VENTILATOR | Na dotaz | Zadat poptávku | |
| 450 0 WHR97141 | C00311759 481225928684 | Heating element 2040W 220V - 303554 | Na dotaz | Zadat poptávku | |
| 480 0 WHR97141 | C00499776 481232128406 | Cable harness set | Na dotaz | Zadat poptávku | |
| 480 2 WHR97141 | C00493174 481232128383 | VODIČ 6 POLOVY | Na dotaz | Zadat poptávku | |
| 480 3 WHR97141 | C00311946 481240118418 | Protector f.wiring | Na dotaz | Zadat poptávku | |
| 490 0 WHR97141 | C00316393 481932118136 | Flexo kabel 2 m, konektory | Na dotaz | Zadat poptávku | |
| 490 1 WHR97141 | C00309418 481232128367 | Přechodka | 324 Kč € 13.30 | ||
| 521 0 WHR97141 | C00482360 481221478995 | Control board (CB) | Na dotaz | Zadat poptávku | |
| 531 0 WHR97141 | C00497327 481227318055 | SPINAC DAVKOVANIA SOLI N | Na dotaz | Zadat poptávku | |
| 531 1 WHR97141 | C00497328 481227318056 | GOMBIK NASTAVOVACI PLAST. N | Na dotaz | Zadat poptávku | |
| 575 0 WHR97141 | C00327511 481228128361 | Regen.valve | Na dotaz | Zadat poptávku | |
| 583 0 WHR97141 | C00313314 481227128459 | Senzor integrovaný OWI 459 | 998 Kč € 40.90 | ||
| 616 0 WHR97141 | C00327505 481228118047 | Contact reed salt | Na dotaz | Zadat poptávku | |
| 616 1 WHR97141 | C00327262 481227158161 | Contact reed rinsing agent | Na dotaz | Zadat poptávku | |
| 620 0 WHR97141 | C00526903 481221838118 | PLATINE SELECTION (UB) | Na dotaz | Zadat poptávku | |
| 621 0 WHR97141 | C00311780 481941029004 | Spínač síťový | 128 Kč € 5.30 | ||
| 623 0 WHR97141 | C00338099 481227138356 | Microswitch | Na dotaz | Zadat poptávku | |
| 633 0 WHR97141 | C00327238 481227138355 | Microswitch door | Na dotaz | Zadat poptávku | |
| 680 0 WHR97141 | C00312283 481241868155 | Combidosage | Na dotaz | Zadat poptávku | |
| 680 1 WHR97141 | C00314550 481246668495 | Těsnění násypky | 547 Kč € 22.40 | ||
| 681 1 WHR97141 | C00313952 481246668497 | Gasket SK 5244.04.04 | Na dotaz | Zadat poptávku | |
| 681 2 WHR97141 | C00316126 481244018975 | klapka | 527 Kč € 21.60 | ||
| 682 0 WHR97141 | C00319741 481246668496 | tesneni nasypky | 126 Kč € 5.20 | ||
| 691 1 WHR97141 | C00335994 481246279769 | Stopper NTC | Na dotaz | Zadat poptávku | |
| 700 0 WHR97141 | C00337227 481253028804 | Wasserstopp-Zulaufschlauch XSSG4000 | Na dotaz | Zadat poptávku | |
| 700 0 WHR97141 | C00339223 481253028848 | Hose, inlet aqua stop 2m | Na dotaz | Zadat poptávku | |
| 700 1 WHR97141 | C00345763 481248048095 | filtr | Na dotaz | Zadat poptávku | |
| 700 2 WHR97141 | C00330915 481246668628 | Gasket | Na dotaz | Zadat poptávku | |
| 701 1 WHR97141 | C00327323 481231018153 | Držák hadic | 666 Kč € 27.30 | ||
| 710 0 WHR97141 | C00319374 481241868128 | Monoblock | Na dotaz | Zadat poptávku | |
| 710 2 WHR97141 | C00319772 481931038536 | matice upevnovaci-náhrada 481231038896 | Na dotaz | Zadat poptávku | |
| 710 3 WHR97141 | C00315128 481946669562 | Gasket set | Na dotaz | Zadat poptávku | |
| 714 0 WHR97141 | C00319565 481246278993 | Threaded cap | Na dotaz | Zadat poptávku | |
| 716 0 WHR97141 | C00311895 481241868147 | 4812 418 68368 POSUDA | Na dotaz | Zadat poptávku | |
| 716 1 WHR97141 | C00315959 481246668475 | Gasket | Na dotaz | Zadat poptávku | |
| 716 2 WHR97141 | C00311305 481246278994 | mrizka bloku upravy vody | 302 Kč € 12.40 | ||
| 717 1 WHR97141 | C00330750 481246279793 | Stopper | Na dotaz | Zadat poptávku | |
| 721 1 WHR97141 | C00311729 481236068347 | Spray arm lower. cpl. | Na dotaz | Zadat poptávku | |
| 722 0 WHR97141 | C00497515 481236068381 | Spray arm upper gr | Na dotaz | Zadat poptávku | |
| 722 2 WHR97141 | C00316502 481236068379 | rameno myci stredni | Na dotaz | Zadat poptávku | |
| 723 0 WHR97141 | C00318248 481236068351 | Douche ceiling | Na dotaz | Zadat poptávku | |
| 726 1 WHR97141 | C00314298 481253029118 | Tube assembly cpl. SUB 481253029331 | Na dotaz | Zadat poptávku | |
| 726 2 WHR97141 | C00314925 481250518208 | matice plast | 286 Kč € 11.70 | ||
| 743 0 WHR97141 | C00498644 481253048594 | kanal vzduchu | Na dotaz | Zadat poptávku | |
| 743 1 WHR97141 | C00314290 481253028102 | Hadička | 82 Kč € 3.40 | ||
| 743 2 WHR97141 | C00343538 481251148334 | Condenser | Na dotaz | Zadat poptávku | |
| 743 3 WHR97141 | C00330755 481246279857 | Matice plast | 293 Kč € 12.00 | ||
| 743 4 WHR97141 | C00555619 481251148335 | Adapter.. | Na dotaz | Zadat poptávku | |
| 743 7 WHR97141 | C00319749 481246668514 | tesneni | 407 Kč € 16.70 | ||
| 751 0 WHR97141 | C00315536 481241818338 | nadoba sberna | Na dotaz | Zadat poptávku | |
| 755 0 WHR97141 | C00312127 481253029119 | Hadice myčky Whirlpool, Ignis | 905 Kč € 37.10 | ||
| 755 2 WHR97141 | C00332503 481253048148 | Přepadový kanál levý | 206 Kč € 8.40 | ||
| 756 0 WHR97141 | C00340827 481236058099 | Floater | Na dotaz | Zadat poptávku | |
| 761 0 WHR97141 | C00313265 481248058122 | sitko jemne | Na dotaz | Zadat poptávku | |
| 761 2 WHR97141 | C00311695 481241818337 | kryt | Na dotaz | Zadat poptávku | |
| 761 3 WHR97141 | C00311568 481241818341 | Cover | Na dotaz | Zadat poptávku | |
| 761 4 WHR97141 | C00311339 481253058141 | Spodní těsnění k přívodu vody do mycích ramen myčky Whirlpool ADG 2040 FD, 5720 IX, ADG 6 | 174 Kč € 7.10 | ||
| 763 0 WHR97141 | C00345765 481248058123 | Sieve coarse | Na dotaz | Zadat poptávku | |
| 781 0 WHR97141 | C00311031 481253029113 | Hadice výtoková na myčku Whirlpool | 161 Kč € 6.60 | ||
| 781 3 WHR97141 | C00317931 481228128417 | Klapka zpětná | 697 Kč € 28.60 | ||
| 783 6 WHR97141 | C00332409 481253028796 | Hose 10x3x180+10 | Na dotaz | Zadat poptávku | |
| 791 0 WHR97141 | C00313003 481253268099 | Těsnění jímky (spodní nádoby) myčky nádobí Whirlpool ADG 5720 FD A+, ADG 6240 FD, ADG 772 | 636 Kč € 26.10 | ||
| 791 2 WHR97141 | C00312677 481253058093 | Gasket SK 5199 01 4 | Na dotaz | Zadat poptávku | |
| 900 1 WHR97141 | C00340990 481231028021 | Fastener set (not shown) | Na dotaz | Zadat poptávku | |
| 901 0 WHR97141 | C00312134 482240110258 | SPONA HADICE OD VENT | 77 Kč € 3.20 | ||
| 901 1 WHR97141 | C00317950 481240118424 | spona050,0 | Na dotaz | Zadat poptávku | |
| 901 2 WHR97141 | C00311047 481240118157 | spona 33-55 | 117 Kč € 4.80 | ||
| 901 5 WHR97141 | C00314613 481240148573 | spona028,6 | Na dotaz | Zadat poptávku | |
| 901 8 WHR97141 | C00328871 481240118075 | spona20-32/9 | Na dotaz | Zadat poptávku | |
| 902 1 WHR97141 | C00330973 481246678015 | uhelnik upevnovaci | 227 Kč € 9.30 | ||
| 902 2 WHR97141 | C00329172 481240478241 | Držák | 318 Kč € 13.00 | ||
| 910 1 WHR97141 | C00318425 481250238152 | Screw 4.8x19 | Na dotaz | Zadat poptávku | |
| 910 2 WHR97141 | C00316659 481250218363 | Šroub | 191 Kč € 7.80 | ||
| 910 3 WHR97141 | C00345781 481250218389 | sroub 5x20-TORX | 76 Kč € 3.10 | ||
| 910 4 WHR97141 | C00345780 481250218385 | Screw M3,5x8-T15M | Na dotaz | Zadat poptávku | |
| 910 5 WHR97141 | C00345782 481250218393 | Screw 3,5x9-1 Tx15 | Na dotaz | Zadat poptávku | |
| 910 7 WHR97141 | C00314887 481250218397 | Screw INOX A2 M 5x14 TX20 | Na dotaz | Zadat poptávku | |
| 910 8 WHR97141 | C00332082 481250218527 | Screw 4x15 T204x15 T20 | Na dotaz | Zadat poptávku | |
| 910 9 WHR97141 | C00328872 481240118425 | Screw 2,5x18-H | Na dotaz | Zadat poptávku | |
| 964 1 WHR97141 | C00330914 481246668573 | Těsnění horní skříně vestavné myčky Whirlpool | 396 Kč € 16.20 | ||
| 993 1 WHR97141 | C00319875 481246678388 | Ochranná fólie, parní zábrana nad vestavnou myčku nádobí Whirlpool | 172 Kč € 7.10 | ||
| 993 2 WHR97141 | C00329037 481240448753 | Kliž pro nastavení nohy myčky | 318 Kč € 13.00 | ||
| 993 5 WHR97141 | C00335151 482253280216 | SALT FUNNEL | Na dotaz | Zadat poptávku | |