ARISTON HO 10 IX
Zeptejte se. Rádi poradíme.
Marek Proche
Zákaznická podpora
Po–Čt 8:00—17:00
Pá 8:00—15:00
poradna@servis-whirlpool.cz
| Komerční kód: | HO 10 IX |
| Kód 12NC: | 869990265080 |
| I.C. kód: | 03265080000 |
| Značka: | ARISTON |
| Typ produktu: | Vestavné trouby a varné desky |
Potřebujete servis? Jsme tady pro Vás
Nabídka náhradních dílů
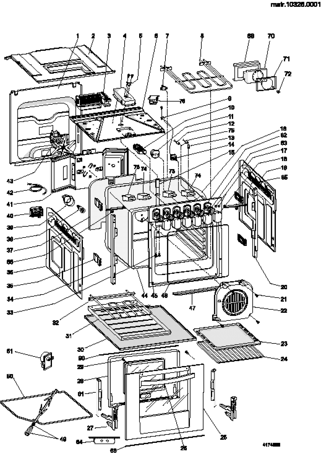
| Číslo | Kód | Název | Cena | ||
|---|---|---|---|---|---|
| 000 4174090 |
C00084976 | USER INSTRUCTIONS BOOKLET HO10 | Na dotaz | Zadat poptávku | |
| 001 4174090 |
C00081571
482000076724 |
BACK PANEL OVENS | Na dotaz | Zadat poptávku | |
| 003 4174090 |
C00081586
482000027501 |
MOTOR VENTILÁTORU 220-240 F.2000 | Na dotaz | Zadat poptávku | |
| 004 4174090 |
C00081592
482000053436 |
EVAC.CONDUIT,RR PREASSEMBLED | Na dotaz | Zadat poptávku | |
| 005 4174090 |
C00081599
482000022708 |
Termostat 75 °C vestavné trouby Whirlpool, Indesit | 620 Kč
€ 25.40 |
||
| 006 4174090 |
C00081587
482000076727 |
VENTILATION DUCTING | Na dotaz | Zadat poptávku | |
| 006 4174090 |
C00082503
482000076832 |
OVEN TOP | Na dotaz | Zadat poptávku | |
| 007 4174090 |
C00081600
482000054561 |
TERMOSTAT PEVNÝ 240[C NC | Na dotaz | Zadat poptávku | |
| 008 4174090 |
C00084681
482000022725 |
UPPER ELEMENT OVEN/GRILL 230V-F2000 | Na dotaz | Zadat poptávku | |
| 009 4174090 |
C00039578
482000022614 |
Pružina | 94 Kč
€ 3.90 |
||
| 010 4174090 |
C00051757
482000022637 |
COMMUTATOR FOR EL.OVEN WHITOUT GRILL NEW | Na dotaz | Zadat poptávku | |
| 012 4174090 |
C00082507
482000022714 |
KONTROLKA ZELENÁ (ART.28) | Na dotaz | Zadat poptávku | |
| 014 4174090 |
C00081597
482000022707 |
TERMOSTAT ELEKTRICKÝ | Na dotaz | Zadat poptávku | |
| 015 4174090 |
C00081582
482000091600 |
CHIMNEY | Na dotaz | Zadat poptávku | |
| 017 4174090 |
C00074135
482000022675 |
KRYTKA KONTROLKY TRANSPARENTNÍ ART 28 | Na dotaz | Zadat poptávku | |
| 018 4174090 |
C00082490
482000027550 |
OVLADAČ CHROM | Na dotaz | Zadat poptávku | |
| 019 4174090 |
C00081569
482000058138 |
SIDE PANEL RIGHT | Na dotaz | Zadat poptávku | |
| 020 4174090 |
C00083863
482000076922 |
HINGE GAS ROLLER SUPP+ROLLER RIGHT | Na dotaz | Zadat poptávku | |
| 023 4174090 |
C00081577
482000032356 |
HLUBOKÝ PLECH SMALT. ČERNÝ | Na dotaz | Zadat poptávku | |
| 024 4174090 |
C00081578
482000022702 |
Grilovací mřížka / Rošt do trouby sporáku Whirlpool | 739 Kč
€ 30.30 |
||
| 025 4174090 |
C00084967 | DVÍŘKA TROUBY TECH INOX | Na dotaz | Zadat poptávku | |
| 026 4174090 |
C00082499 | MADLO DVÍŘEK TROUBY TECH CHROMOVANÉ | Na dotaz | Zadat poptávku | |
| 027 4174090 |
C00082494
482000027552 |
ZÁVĚS DVEŘÍ TROUBA TECH | Na dotaz | Zadat poptávku | |
| 027 4174090 |
C00264068
482000085770 |
ZÁVĚS DVEŘÍ TROUBA N/P 2 GLASS BRERA | Na dotaz | Zadat poptávku | |
| 028 4174090 |
C00082407
482000076819 |
VNITŘNÍ DVEŘE TROUBA SMALTOVANÁ+SKLO | Na dotaz | Zadat poptávku | |
| 029 4174090 |
C00017240
482000025977 |
ŠROUB SAMOŘEZNÝ 8PX9,52 T1/2T ČERNÁ | Na dotaz | Zadat poptávku | |
| 030 4174090 |
C00084978
482000077029 |
OVEN BOTTOM COVER C.I.TECH | Na dotaz | Zadat poptávku | |
| 031 4174090 |
C00081588
482000053396 |
DUCTING - LOWER HEATING ELEMENT | Na dotaz | Zadat poptávku | |
| 032 4174090 |
C00081590
482000076728 |
TOPNÉ TĚLÍSKO ŽLÁBEK TROUBY 230V/1200 | Na dotaz | Zadat poptávku | |
| 032 4174090 |
C00288251
482000023277 |
Spodní topné těleso trouby sporáku Whirlpool / Indesit | 653 Kč
€ 26.80 |
||
| 033 4174090 |
C00081583 | TAPTITE SCREW M4X8 | Na dotaz | Zadat poptávku | |
| 034 4174090 |
C00083864
482000053426 |
PODPĚRA ZÁVĚSU DVÍŘEK TROUBY LEVÁ | Na dotaz | Zadat poptávku | |
| 035 4174090 |
C00082487
482000027549 |
CABINET FIXING SQUARE | Na dotaz | Zadat poptávku | |
| 036 4174090 |
C00081570
482000058139 |
BOČNÍ STĚNA LEVÁ NOVÉ TROUBY VALUE | Na dotaz | Zadat poptávku | |
| 038 4174090 |
C00015910
482000025965 |
OVEN LAMPS T22 230-240V 15W E14S BRASS C | Na dotaz | Zadat poptávku | |
| 039 4174090 |
C00038035
482000026352 |
Osvětlení trouby komplet | 858 Kč
€ 35.20 |
||
| 040 4174090 |
C00082512
482000022716 |
SVORKOVNICE TROJFÁZOVÁ ITW F2000 | Na dotaz | Zadat poptávku | |
| 041 4174090 |
C00081574
482000053635 |
TRAVERZA ZADNÍ | Na dotaz | Zadat poptávku | |
| 044 4174090 |
C00086328
482000058242 |
ELECTRIC OVEN | Na dotaz | Zadat poptávku | |
| 045 4174090 |
C00084977 | OVEN FRONT PANEL + GRAPHICS HO10 IX | Na dotaz | Zadat poptávku | |
| 046 4174090 |
C00081579
482000022703 |
Těsnění dveří trouby | 621 Kč
€ 25.50 |
||
| 047 4174090 |
C00083866
488000083866 |
CONDENSATION TRIM - LOWER DOOR EDGE TECH | Na dotaz | Zadat poptávku | |
| 061 4174090 |
C00033337
482000026242 |
PODPĚRA ZÁVĚSU DVÍŘEK TROUBY TOP90 TR 3 | Na dotaz | Zadat poptávku | |
| 062 4174090 |
C00082492
482000027551 |
DISK OVLADAČ TECH ŠEDÝ | Na dotaz | Zadat poptávku | |
| 063 4174090 |
C00039156
482000026373 |
PRUŽINA KOTOUČE OVLADAČE VAR.DESEK 68 | Na dotaz | Zadat poptávku | |
| 064 4174090 |
C00082495
482000076831 |
REAR LOWER | Na dotaz | Zadat poptávku | |
| 065 4174090 |
C00082500 | PODPĚRA , PRAVÁ , SIGHT FLAP CHROM. | Na dotaz | Zadat poptávku | |
| 066 4174090 |
C00082501 | PODPĚRA , LEVÁ , SIGHT FLAP CHROM. | Na dotaz | Zadat poptávku | |
| 068 4174090 |
C00082498
482000027553 |
TĚSNĚNÍ DVEŘÍ TROUBY TECH | Na dotaz | Zadat poptávku | |
| 073 4174090 |
C00037056
482000022605 |
Regulátor 50.57021.010 | 412 Kč
€ 16.90 |
||
| 074 4174090 |
C00056412
482000022649 |
REGULÁTOR ENERGIE 230V DVOJITÝ OKRUH | Na dotaz | Zadat poptávku | |
| 075 4174090 |
C00074157
482000027280 |
Kontrolka / signálka červená sporáku Whirlpool, Indesit | 212 Kč
€ 8.70 |
||
| 076 4174090 |
C00092141 | TERMINAL CONNECTOR 5W | Na dotaz | Zadat poptávku | |
| 090 4174090 |
C00140197
482000029489 |
TĚSNĚNÍ DVEŘÍ | Na dotaz | Zadat poptávku | |
| 099 4174090 |
C00044805
482000074188 |
NÝT UZEMNĚNÍ 2 PÓLOVÝ | Na dotaz | Zadat poptávku | |
| 099 4174090 |
C00013973
482000072687 |
SCREW 8P X 12,75 TPR BLACK | Na dotaz | Zadat poptávku | |
| 099 4174090 |
C00086569
482000022738 |
SADA KONEKTORŮ ZAPOJENÍ DESEK VT/TROUBY | Na dotaz | Zadat poptávku | |
| 099 4174090 |
C00082505
482000076833 |
HINGE SURROUND | Na dotaz | Zadat poptávku | |