IKEA HOO 502 B 645 346 80
Zeptejte se. Rádi poradíme.
Marek Proche
Zákaznická podpora
Po–Čt 8:00—17:00
Pá 8:00—15:00
poradna@servis-whirlpool.cz
| Komerční kód: | HOO 502 B 645 346 80 |
| Kód 12NC/I.C. kód: | 857950201010 |
| Značka: | IKEA |
| Typ produktu: |
Potřebujete servis? Jsme tady pro Vás
Nabídka náhradních dílů
| Číslo | Kód | Název | Cena | ||
|---|---|---|---|---|---|
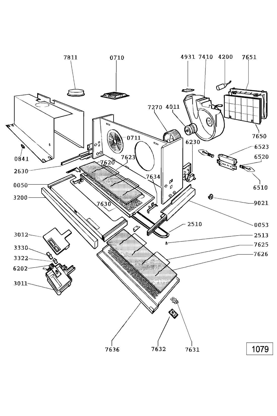
| 005 0 WHR114175 |
C00783819
481944268265 |
Drawer | Na dotaz | Zadat poptávku | |
| 005 3 WHR114175 |
C00783874
481940479479 |
Holder | Na dotaz | Zadat poptávku | |
| 071 0 WHR114175 |
C00318087
481944268527 |
Deflector | Na dotaz | Zadat poptávku | |
| 071 1 WHR114175 |
C00481336
481952648458 |
mrizka ventilatoru | 250 Kč
€ 10.30 |
||
| 084 1 WHR114175 |
C00492626
481952918052 |
TLMIC AKR 633 N | Na dotaz | Zadat poptávku | |
| 251 0 WHR114175 |
C00320086
481946279964 |
Cover lamp | Na dotaz | Zadat poptávku | |
| 251 3 WHR114175 |
C00316817
481949268622 |
Spona fixační Náhrada C00861341 |
Na dotaz | Zadat poptávku | |
| 263 0 WHR114175 |
C00486023
481246238105 |
kolejnice vysuvna | Na dotaz | Zadat poptávku | |
| 263 0 WHR114175 |
C00556169
481946238528 |
KOLAJNICKA AKR633 N | Na dotaz | Zadat poptávku | |
| 301 1 WHR114175 |
C00380493
481946288061 |
kryt desky spinacu | 204 Kč
€ 8.40 |
||
| 301 2 WHR114175 |
C00783820
481945299384 |
Control panel | Na dotaz | Zadat poptávku | |
| 320 0 WHR114175 |
C00783875
481945299872 |
Control panel | Na dotaz | Zadat poptávku | |
| 332 2 WHR114175 |
C00604591
481941028743 |
BUTTON. | Na dotaz | Zadat poptávku | |
| 333 0 WHR114175 |
C00604592
481941028744 |
BUTTON. | Na dotaz | Zadat poptávku | |
| 401 1 WHR114175 |
C00382562
481936118404 |
motor ventilatoru | 3 333 Kč
€ 136.80 |
||
| 420 0 WHR114175 |
C00342812
481912118152 |
Capacitor | Na dotaz | Zadat poptávku | |
| 493 1 WHR114175 |
C00486775
481946279973 |
Cover terminal block | Na dotaz | Zadat poptávku | |
| 620 2 WHR114175 |
C00378038
481929068272 |
Deska spínačů | 2 518 Kč
€ 103.30 |
||
| 623 0 WHR114175 |
C00111143
481927138276 |
MICROSWITCH LEVER | Na dotaz | Zadat poptávku | |
| 651 0 WHR114175 |
C00332814
481913488088 |
Žárovka digestoře 40W E14 | Na dotaz | Zadat poptávku | |
| 652 0 WHR114175 |
C00555728
481925518204 |
OBJIMKA ZIAROVKY AKR633 N | Na dotaz | Zadat poptávku | |
| 652 3 WHR114175 |
C00621568
481940479313 |
Objímka žárovky | Na dotaz | Zadat poptávku | |
| 727 0 WHR114175 |
C00138652
481951528261 |
vrtule ventilatoru | Na dotaz | Zadat poptávku | |
| 741 0 WHR114175 |
C00484420
481944278297 |
VZDUCHOVY KANAL | Na dotaz | Zadat poptávku | |
| 762 0 WHR114175 |
C00378097
481948048178 |
Filtr tukový hliníkový pro odsavač Whirlpool | 1 266 Kč
€ 51.90 |
||
| 762 3 WHR114175 |
C00481327
481940478287 |
drzak filtru - drat. | 115 Kč
€ 4.70 |
||
| 762 5 WHR114175 |
C00492546
481949268594 |
Držák tukového filtru odsavače Whirlpool, Bauknecht | 102 Kč
€ 4.20 |
||
| 762 6 WHR114175 |
C00481887
481948048177 |
Filtr tukový hliníkový pro odsavač Whirlpool | 1 216 Kč
€ 49.90 |
||
| 763 0 WHR114175 |
C00604201
481945868245 |
PEVNA MRIEZKA AKR633NB N | Na dotaz | Zadat poptávku | |
| 763 1 WHR114175 |
C00344341
481940449894 |
drzak mrizky diges. Náhrada C00952152 |
Na dotaz | Zadat poptávku | |
| 763 2 WHR114175 |
C00621727
481953528019 |
TLACITKO PLAST N | Na dotaz | Zadat poptávku | |
| 763 4 WHR114175 |
C00481202
481941719631 |
Držák levý+pravý | Na dotaz | Zadat poptávku | |
| 763 6 WHR114175 |
C00604200
481945868244 |
VYSUVNA MRIEZKA AKR633NB N | Na dotaz | Zadat poptávku | |
| 765 0 WHR114175 |
C00591989
481948048324 |
AKG789/DKF24-TYP150 UHLIKOVY FILTER | Na dotaz | Zadat poptávku | |
| 765 1 WHR114175 |
C00379160
481940479216 |
Držák filtru | 301 Kč
€ 12.40 |
||
| 781 1 WHR114175 |
C00333103
481946279975 |
Flange 120mm | Na dotaz | Zadat poptávku | |
| 902 1 WHR114175 |
C00109666
481946699133 |
SPACER 7,1mm | Na dotaz | Zadat poptávku | |