BAUKNECHT KGE 3382 A2+ FRESH IL
 
             
                
    Zeptejte se. Rádi poradíme.
    
        
            
                
                     
              
        
        
            
    
    
             
            Marek Proche
                    
Zákaznická podpora
            
Po–Čt 8:00—17:00
                
Pá 8:00—15:00             
            
        
            
        poradna@servis-whirlpool.cz     
    
    
| Komerční kód: | KGE 3382 A2+ FRESH IL | 
| Kód 12NC: | 855024601380 | 
| I.C. kód: | 855024601382 | 
| Značka: | BAUKNECHT | 
| Typ produktu: | Volně stojící lednice s mrazákem | 
| Další podobné modely: | 855024601380, 855024601381, 855024601383 | 
Potřebujete servis? Jsme tady pro Vás
Nabídka náhradních dílů
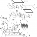
| Číslo | Kód | Název | Cena | ||
|---|---|---|---|---|---|
| 0110 WHR26203 | C00330455 481246218263 | noha lednice | 77 Kč € 3.20 | ||
| 0400 WHR26203 | C00329779 481241719517 | Závěs horní | 641 Kč € 26.30 | ||
| 0402 WHR26203 | C00329780 481241719518 | Závěs spodní | 680 Kč € 27.90 | ||
| 0403 WHR26203 | C00319920 481241719519 | Závěs dveří střední - chladničky Whirlpool, Ignis | 697 Kč € 28.60 | ||
| 1020 WHR26203 | C00442517 481010586990 | DVEŘE MRAZNIČKY TS/MG 779x588 MM | Na dotaz | Zadat poptávku | |
| 1040 WHR26203 | C00442442 481010585297 | Door refriger. TS/MG 1043,5x588 mm | Na dotaz | Zadat poptávku | |
| 1050 WHR26203 | C00325328 481010568481 | BUSHING GREY MG | Na dotaz | Zadat poptávku | |
| 1051 WHR26203 | C00325329 481010568491 | SLEEVE RIGHT GREY MG | Na dotaz | Zadat poptávku | |
| 1052 WHR26203 | C00325330 481010568493 | SLEEVE LEFT GREY MG | Na dotaz | Zadat poptávku | |
| 1100 WHR26203 | C00464647 481249848056 | Handle | Na dotaz | Zadat poptávku | |
| 1117 WHR26203 | C00330204 481245918279 | Nameplate BAUKNECHT | Na dotaz | Zadat poptávku | |
| 1520 WHR26203 | C00432327 480132101588 | Door dairy upper,printed BK | Na dotaz | Zadat poptávku | |
| 1521 WHR26203 | C00323429 480132101235 | police | Na dotaz | Zadat poptávku | |
| 1522 WHR26203 | C00432195 480132101234 | police | Na dotaz | Zadat poptávku | |
| 1524 WHR26203 | C00323303 480132100543 | Horní část - poklop police dveří chladničky Whirlpool | 1 033 Kč € 42.40 | ||
| 1525 WHR26203 | C00431912 480132100538 | Separator 00137 transparent grey | Na dotaz | Zadat poptávku | |
| 1551 WHR26203 | C00323386 480132101126 | Police s držákem na vejce do dveří chladničky Whirlpool | 613 Kč € 25.20 | ||
| 1560 WHR26203 | C00322568 480132103428 | Miska na led | Na dotaz | Zadat poptávku | |
| 1830 WHR26203 | C00324399 481010461412 | Držák kompresoru | 227 Kč € 9.30 | ||
| 1851 WHR26203 | C00522120 481010443535 | Noha (zadní) chladničky Whirlpool | 272 Kč € 11.20 | ||
| 1889 WHR26203 | C00324639 481010493638 | Čep horního závěsu dveří chladničky Whirlpool | 53 Kč € 2.20 | ||
| 1910 WHR26203 | C00311563 481246668941 | Těsnění magnetické do dveří lednice chladničky Indesit | 1 227 Kč € 50.40 | ||
| 1911 WHR26203 | C00311915 481246668942 | Těsnění magnetické do dveří mrazáku chladničky Whirlpool | 1 502 Kč € 61.70 | ||
| 2410 WHR26203 | C00432167 480132101118 | Crisper transparent grey+sticker | Na dotaz | Zadat poptávku | |
| 2411 WHR26203 | C00379100 480132101142 | Koš mrazničky | 2 314 Kč € 95.10 | ||
| 2412 WHR26203 | C00323396 480132101145 | Koš mrazničky Whirlpool - spodní | 2 342 Kč € 96.20 | ||
| 2413 WHR26203 | C00432928 480132103045 | Drawer FFC,grey transp. FRESH FOOD | Na dotaz | Zadat poptávku | |
| 2415 WHR26203 | C00441891 481010569998 | Drawer central, transp.grey | Na dotaz | Zadat poptávku | |
| 2440 WHR26203 | C00432170 480132101131 | GLASS SHELF CRISPER+DARK SILVER PROFILE | Na dotaz | Zadat poptávku | |
| 2441 WHR26203 | C00323389 480132101134 | Skleněná police (včetně ochranných lišt) chladničky Whirlpool WBE34132 A++W, WBE3411 S. | 748 Kč € 30.70 | ||
| 2442 WHR26203 | C00323435 480132101256 | Skleněná police chladničky Whirlpool | 600 Kč € 24.70 | ||
| 2493 WHR26203 | C00432174 480132101165 | FRONTAL INSERT DARK SILVER | Na dotaz | Zadat poptávku | |
| 2498 WHR26203 | C00326513 481052822691 | Krycí lišta - zadní skleněné police chladničky Whirlpool, Ignis | 263 Kč € 10.80 | ||
| 2610 WHR26203 | C00432352 480132101655 | Slide GW right FFC drawer | Na dotaz | Zadat poptávku | |
| 2611 WHR26203 | C00432353 480132101656 | Slide GW left FFC drawer | Na dotaz | Zadat poptávku | |
| 2613 WHR26203 | C00316805 480132101137 | pojezd | Na dotaz | Zadat poptávku | |
| 2640 WHR26203 | C00332376 481252878073 | kolecko zasuvky | 75 Kč € 3.10 | ||
| 3010 WHR26203 | C00442238 481010581144 | CONTROL PANEL GREY MG | Na dotaz | Zadat poptávku | |
| 3014 WHR26203 | C00325229 481010559559 | Cover contr.panel grey MG | Na dotaz | Zadat poptávku | |
| 3230 WHR26203 | C00432175 480132101166 | Sticker HIGIENE3 FRESH BOX | Na dotaz | Zadat poptávku | |
| 3560 WHR26203 | C00314958 481010426517 | jednotka displejová | Na dotaz | Zadat poptávku | |
| 3561 WHR26203 | C00438920 481010478915 | Control panel DOTYK A++,DC,BK | Na dotaz | Zadat poptávku | |
| 4020 WHR26203 | C00318190 480132101215 | Kompresor HXK 95 AA | Na dotaz | Zadat poptávku | |
| 4021 WHR26203 | C00327837 481241848824 | miska na kondenzat | Na dotaz | Zadat poptávku | |
| 4200 WHR26203 | C00278650 481212018029 | Kondenzátor 4uF náhrada C00526514 | Na dotaz | Zadat poptávku | |
| 4400 WHR26203 | C00316811 480132101184 | Fan box GW cpl. VELA with switch | Na dotaz | Zadat poptávku | |
| 4801 WHR26203 | C00320449 481010438899 | Kabel dveří chladničky | 475 Kč € 19.50 | ||
| 4900 WHR26203 | C00326484 481052309423 | Cable mains 2450 mm 10-16A/250V black | Na dotaz | Zadat poptávku | |
| 4912 WHR26203 | C00323438 480132101293 | Kryt filtru | 125 Kč € 5.10 | ||
| 4913 WHR26203 | C00267000 481229088084 | KRYT PLAST | Na dotaz | Zadat poptávku | |
| 5210 WHR26203 | C00397446 481010543900 | modul chlad. | Na dotaz | Zadat poptávku | |
| 5612 WHR26203 | C00267004 481229088112 | konektor | 85 Kč € 3.50 | ||
| 6140 WHR26203 | C00323421 480132101216 | Monoblock ZXF5 | 530 Kč € 21.80 | ||
| 6520 WHR26203 | C00315544 481010555027 | LED osvětlení chladničky Whirlpool | 1 111 Kč € 45.70 | ||
| 6550 WHR26203 | C00316967 481010573169 | SWITCH LIGHT GREY MG | Na dotaz | Zadat poptávku | |
| 6914 WHR26203 | C00387098 480132103044 | Cover sensor print.PROFRESH SENSOR | Na dotaz | Zadat poptávku | |
| 6917 WHR26203 | C00314452 481231019153 | senzor | 864 Kč € 35.50 | ||
| 7400 WHR26203 | C00323624 480132102076 | kondenzator | Na dotaz | Zadat poptávku | |
| 7430 WHR26203 | C00387099 481010551495 | Cover MF GREEN INTEL. | Na dotaz | Zadat poptávku | |
| 7450 WHR26203 | C00437485 481010427186 | Evaporator A++ CB09 less wires | Na dotaz | Zadat poptávku | |
| 7461 WHR26203 | C00319388 480132102069 | drzak vyparniku levy | 56 Kč € 2.30 | ||
| 7462 WHR26203 | C00320174 480132102068 | drzak vyparniku pravy | 71 Kč € 2.90 | ||
| 7464 WHR26203 | C00319325 481246098055 | Podpora koše mrazničky | 90 Kč € 3.70 | ||
| 7620 WHR26203 | C00345845 481248048173 | Filtr antibakteriální - BAUKNECHT | Na dotaz | Zadat poptávku | |
| 7640 WHR26203 | C00266743 481948028144 | Filtr chladničky - patrona Náhrada C00495431 | Na dotaz | Zadat poptávku | |
| 7811 WHR26203 | C00319432 481217158005 | Odtokový kanál - odmražení | 381 Kč € 15.70 | ||
| 7830 WHR26203 | C00313237 481281719208 | VALVE, 1/4 BODY+TUBE 100MM | Na dotaz | Zadat poptávku | |
| 9026 WHR26203 | C00432176 480132101167 | INSERT DRAWER 440,5 mm HOT FOIL BK | Na dotaz | Zadat poptávku | |
| 9040 WHR26203 | C00325307 481010567278 | Cover grey, MG left | Na dotaz | Zadat poptávku | |
| 9041 WHR26203 | C00325308 481010567279 | Cover grey, MG right | Na dotaz | Zadat poptávku | |
| 9042 WHR26203 | C00325306 481010567277 | Kryt závěsu levý | 305 Kč € 12.50 | ||
| 9043 WHR26203 | C00325305 481010567276 | Kryt závěsu pravý | Na dotaz | Zadat poptávku | |
| 9651 WHR26203 | C00324951 481010600779 | Záslepky volně stojící chladničky Whirlpool, Indesit | 203 Kč € 8.30 | ||
| 9652 WHR26203 | C00325395 481010574993 | Plug grey, MG | Na dotaz | Zadat poptávku | |
| 9655 WHR26203 | C00325741 481010628173 | zaslepky | 167 Kč € 6.90 | ||
| 9932 WHR26203 | C00326483 481052303195 | čistič odtoku | 420 Kč € 17.30 | ||
| 999 WHR26203 | C00346536 488000346536 | NTC/PTC Chart WHP | Na dotaz | Zadat poptávku | |
| 999 WHR26203 | C00540622 | Circuit/Wiring Diagram WHP | Na dotaz | Zadat poptávku | |