KITCHENAID KWML 8510 WP
Zeptejte se. Rádi poradíme.
Marek Proche
Zákaznická podpora
Po–Čt 8:00—17:00
Pá 8:00—15:00
poradna@servis-whirlpool.cz
| Komerční kód: | KWML 8510 WP |
| Kód 12NC/I.C. kód: | 851305001000 |
| Značka: | KITCHENAID |
| Typ produktu: | Pračky |
| Další podobné modely: | 851305001007 |
Potřebujete servis? Jsme tady pro Vás
Nabídka náhradních dílů
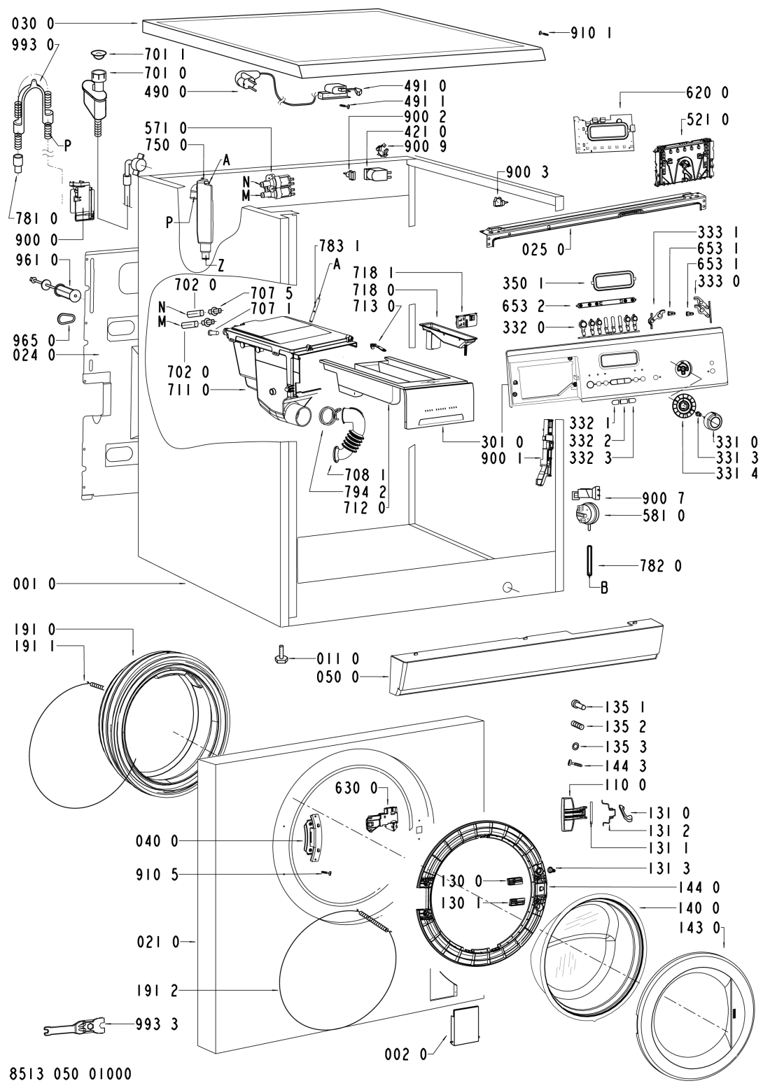
| Číslo | Kód | Název | Cena | ||
|---|---|---|---|---|---|
| 001 0 WHR08765 |
C00320961
480111100339 |
skelet | Na dotaz | Zadat poptávku | |
| 002 0 WHR08765 |
C00316479
481244011131 |
kryt filtru | Na dotaz | Zadat poptávku | |
| 004 0 WHR08765 |
C00320966
480111100593 |
Drip tray assy | Na dotaz | Zadat poptávku | |
| 011 0 WHR08765 |
C00330679
481246248421 |
Adjust.foot | Na dotaz | Zadat poptávku | |
| 021 0 WHR08765 |
C00459143
481244011639 |
PREDNY PANEL | Na dotaz | Zadat poptávku | |
| 024 0 WHR08765 |
C00316521
481244011544 |
stena zadni | 1 472 Kč
€ 60.50 |
||
| 025 0 WHR08765 |
C00316513
481244011472 |
Support control board | Na dotaz | Zadat poptávku | |
| 030 0 WHR08765 |
C00320907
481244011691 |
Horní deska pračky Whirlpool, Bauknecht | Na dotaz | Zadat poptávku | |
| 040 0 WHR08765 |
C00312018
481241718787 |
Závěs dveří pračky | 625 Kč
€ 25.70 |
||
| 050 0 WHR08765 |
C00313304
481244089097 |
sokl pracky EBL | Na dotaz | Zadat poptávku | |
| 061 0 WHR08765 |
C00331527
481246688936 |
Counter weight upper | Na dotaz | Zadat poptávku | |
| 061 1 WHR08765 |
C00331542
481246688981 |
Counter weight bottom | Na dotaz | Zadat poptávku | |
| 061 2 WHR08765 |
C00320419
481231039135 |
Mounting kit weight top | Na dotaz | Zadat poptávku | |
| 081 0 WHR08765 |
C00311556
480111100195 |
Tlumič pračky Whirlpool | 789 Kč
€ 32.40 |
||
| 084 0 WHR08765 |
C00330907
481246658001 |
drzak pruziny agreg. | Na dotaz | Zadat poptávku | |
| 086 2 WHR08765 |
C00314527
481240118412 |
pojistka tlumice | 333 Kč
€ 13.70 |
||
| 110 0 WHR08765 |
C00345884
481249818675 |
Rukojeť dveří | 741 Kč
€ 30.40 |
||
| 130 0 WHR08765 |
C00318057
481241728047 |
desticka uzaveru dv. | 27 Kč
€ 1.10 |
||
| 130 1 WHR08765 |
C00318073
481241728108 |
podlozka | 380 Kč
€ 15.60 |
||
| 131 0 WHR08765 |
C00312433
481241728046 |
Lock Door | Na dotaz | Zadat poptávku | |
| 131 1 WHR08765 |
C00312243
481241728045 |
osa uzaveru dveri | 143 Kč
€ 5.90 |
||
| 131 2 WHR08765 |
C00312651
481249258022 |
Pružina uzávěru dveří | 237 Kč
€ 9.70 |
||
| 131 3 WHR08765 |
C00345875
481249258056 |
Spring Door Lock Child | Na dotaz | Zadat poptávku | |
| 135 1 WHR08765 |
C00317048
481249818262 |
pojistka dveri | 227 Kč
€ 9.30 |
||
| 135 2 WHR08765 |
C00317024
481249148004 |
Pružina | 220 Kč
€ 9.00 |
||
| 135 3 WHR08765 |
C00313732
481229068153 |
drzak pojistky | Na dotaz | Zadat poptávku | |
| 140 0 WHR08765 |
C00311241
481245059812 |
Sklo dveří | 2 067 Kč
€ 84.90 |
||
| 143 0 WHR08765 |
C00328006
481244011453 |
Glassdoor frame EBL BK | Na dotaz | Zadat poptávku | |
| 144 0 WHR08765 |
C00317167
481244011575 |
Frame door glas | Na dotaz | Zadat poptávku | |
| 144 3 WHR08765 |
C00318393
481250218669 |
sroub pojistka dv. | 267 Kč
€ 11.00 |
||
| 191 0 WHR08765 |
C00312668
481246068615 |
Door bellow dark | Na dotaz | Zadat poptávku | |
| 191 1 WHR08765 |
C00313764
481249218017 |
spona TVO - vnitřní | 149 Kč
€ 6.10 |
||
| 191 2 WHR08765 |
C00318256
481953058059 |
spona TVO predni st. | Na dotaz | Zadat poptávku | |
| 200 1 WHR08765 |
C00313933
481241818626 |
Tub, half front 60L,8kg | Na dotaz | Zadat poptávku | |
| 200 2 WHR08765 |
C00311904
481241818627 |
Tub, half rear 60L-1000/1400 | Na dotaz | Zadat poptávku | |
| 200 4 WHR08765 |
C00314317
481229088054 |
Spona nádrže | 378 Kč
€ 15.50 |
||
| 220 0 WHR08765 |
C00311954
481241818682 |
Drum 1400,8kg -frej | Na dotaz | Zadat poptávku | |
| 271 0 WHR08765 |
C00313729
481235818212 |
Řemen 6 PJE 1264 pračky Whirlpool | 502 Kč
€ 20.60 |
||
| 272 0 WHR08765 |
C00315438
480111100924 |
remenice | Na dotaz | Zadat poptávku | |
| 272 3 WHR08765 |
C00314234
481250218794 |
Screw pulley frejus | Na dotaz | Zadat poptávku | |
| 292 0 WHR08765 |
C00311501
481253058101 |
těsnění bočnice | 694 Kč
€ 28.50 |
||
| 301 0 WHR08765 |
C00425764
480111100925 |
Control panel + handle drawer | Na dotaz | Zadat poptávku | |
| 331 0 WHR08765 |
C00329536
481241458338 |
Knoflík | 319 Kč
€ 13.10 |
||
| 331 3 WHR08765 |
C00311525
481241458307 |
Unašeč knoflíku AWO/D | 399 Kč
€ 16.40 |
||
| 331 4 WHR08765 |
C00329535
481241458337 |
Disc Knob timer, silver | Na dotaz | Zadat poptávku | |
| 332 0 WHR08765 |
C00402265
481241029557 |
Push button SET | 508 Kč
€ 20.90 |
||
| 332 1 WHR08765 |
C00457773
481241029554 |
Button left | Na dotaz | Zadat poptávku | |
| 332 2 WHR08765 |
C00457774
481241029555 |
Button middle | Na dotaz | Zadat poptávku | |
| 332 3 WHR08765 |
C00457775
481241029556 |
Button right | Na dotaz | Zadat poptávku | |
| 333 0 WHR08765 |
C00402266
481241029558 |
Push button BGW-2 opt. | Na dotaz | Zadat poptávku | |
| 333 1 WHR08765 |
C00402267
481241029559 |
Push button BGW-1 opt. | Na dotaz | Zadat poptávku | |
| 350 1 WHR08765 |
C00330869
481246469354 |
Frame FLD | Na dotaz | Zadat poptávku | |
| 400 0 WHR08765 |
C00315064
481236158502 |
Motor ACC U126 G65 8kg 1400 | Na dotaz | Zadat poptávku | |
| 400 1 WHR08765 |
C00332114
481250218737 |
Screw 8x38 | Na dotaz | Zadat poptávku | |
| 409 0 WHR08765 |
C00311255
481236248442 |
Brush,carbon ACC sub 481281719419 | Na dotaz | Zadat poptávku | |
| 421 0 WHR08765 |
C00311350
481212118285 |
Filtr odrušovací 1 uF | 294 Kč
€ 12.10 |
||
| 430 0 WHR08765 |
C00320191
481236018599 |
Vypouštěcí čerpadlo předem plněné pračky Whirlpool | 2 237 Kč
€ 91.90 |
||
| 451 0 WHR08765 |
C00318278
481225928919 |
Heating element 2050W, 230V + NTC | Na dotaz | Zadat poptávku | |
| 480 0 WHR08765 |
C00312121
481232178351 |
Cable DOMINO-MOT 7 | Na dotaz | Zadat poptávku | |
| 490 0 WHR08765 |
C00316393
481932118136 |
Flexo kabel 2 m, konektory | Na dotaz | Zadat poptávku | |
| 491 0 WHR08765 |
C00309418
481232128367 |
Přechodka | 324 Kč
€ 13.30 |
||
| 491 1 WHR08765 |
C00318425
481250238152 |
Screw 4.8x19 | Na dotaz | Zadat poptávku | |
| 521 0 WHR08765 |
C00317775
481221470694 |
Control unit DOM,C3 basic | Na dotaz | Zadat poptávku | |
| 521 0 WHR08765 |
C00425763
480111100923 |
Control unit DOMINO, programmed | Na dotaz | Zadat poptávku | |
| 571 0 WHR08765 |
C00311060
481227128558 |
Napouštěcí ventil pračky - dvoucestný, rohový | 222 Kč
€ 9.10 |
||
| 581 0 WHR08765 |
C00311217
481227128554 |
Presostat pračky | 207 Kč
€ 8.50 |
||
| 620 0 WHR08765 |
C00319845
481223958088 |
Module B2 | Na dotaz | Zadat poptávku | |
| 630 0 WHR08765 |
C00311250
481228058048 |
Door lock Rold DA069516 | Na dotaz | Zadat poptávku | |
| 631 0 WHR08765 |
C00314788
480111100338 |
spinac | 803 Kč
€ 33.00 |
||
| 631 1 WHR08765 |
C00315271
481236058112 |
Plovák hladinového spínače pračky Whirlpool, Bauknecht | 186 Kč
€ 7.60 |
||
| 653 1 WHR08765 |
C00326847
481213448391 |
Guide,light BGW-single | Na dotaz | Zadat poptávku | |
| 653 2 WHR08765 |
C00326846
481213448389 |
Guide,light opt. | Na dotaz | Zadat poptávku | |
| 691 0 WHR08765 |
C00313117
481228219485 |
senzor NTC | 857 Kč
€ 35.20 |
||
| 701 0 WHR08765 |
C00312612
481953028926 |
Hose inlet 2.5 m (Eltek) | Na dotaz | Zadat poptávku | |
| 701 0 WHR08765 |
C00332408
481253028781 |
HYDRO-SECURITY 4m 90# 10 BAR straight | Na dotaz | Zadat poptávku | |
| 701 1 WHR08765 |
C00316490
481946669704 |
tesneni + sitko | 173 Kč
€ 7.10 |
||
| 702 0 WHR08765 |
C00315519
481253029405 |
hadice od ventilu | 108 Kč
€ 4.40 |
||
| 707 1 WHR08765 |
C00330775
481246279955 |
Threaded cap for dispenser | Na dotaz | Zadat poptávku | |
| 707 5 WHR08765 |
C00332326
481252648035 |
Nozzle warm | Na dotaz | Zadat poptávku | |
| 708 1 WHR08765 |
C00313009
481253048143 |
hadice k násypce pračky Whirlpool uz nebude !!!! | Na dotaz | Zadat poptávku | |
| 711 0 WHR08765 |
C00327875
481241868437 |
Dispenser Box | Na dotaz | Zadat poptávku | |
| 712 0 WHR08765 |
C00312664
481241868415 |
Drawer | Na dotaz | Zadat poptávku | |
| 713 0 WHR08765 |
C00312158
481241868382 |
Pojistka násypky | 305 Kč
€ 12.50 |
||
| 718 0 WHR08765 |
C00315768
481241889085 |
Vložka násypky | 295 Kč
€ 12.10 |
||
| 718 1 WHR08765 |
C00315499
481252648252 |
Vložka násypky | 90 Kč
€ 3.70 |
||
| 750 0 WHR08765 |
C00314658
481253049373 |
Chamber,expand. long | Na dotaz | Zadat poptávku | |
| 753 1 WHR08765 |
C00312723
481941868234 |
vzdusnik | Na dotaz | Zadat poptávku | |
| 754 0 WHR08765 |
C00312061
481253028826 |
Hadice nádrž-čerpadlo | Na dotaz | Zadat poptávku | |
| 754 1 WHR08765 |
C00309391
481253028832 |
Kulička hadice mezi vanou a čerpadlem pračky Whirpool | 894 Kč
€ 36.70 |
||
| 754 2 WHR08765 |
C00332452
481253029352 |
Příruba eco AWT,AWO/D | 317 Kč
€ 13.00 |
||
| 760 0 WHR08765 |
C00314625
481248058105 |
Filtr čerpadla DELTA | 697 Kč
€ 28.60 |
||
| 781 0 WHR08765 |
C00314886
481253029355 |
hadice | Na dotaz | Zadat poptávku | |
| 782 0 WHR08765 |
C00317136
481253028827 |
Hose Pressostat | Na dotaz | Zadat poptávku | |
| 783 1 WHR08765 |
C00332488
481253029473 |
hadice k nasypce | Na dotaz | Zadat poptávku | |
| 783 4 WHR08765 |
C00314522
481253029392 |
Hose pump/tank | Na dotaz | Zadat poptávku | |
| 794 2 WHR08765 |
C00318107
481240118549 |
Clamp hose | Na dotaz | Zadat poptávku | |
| 794 5 WHR08765 |
C00319466
481253058098 |
tesneni vzdusniku Náhrada 481010395017 |
Na dotaz | Zadat poptávku | |
| 900 0 WHR08765 |
C00320981
480111100785 |
Holder hose outlet | Na dotaz | Zadat poptávku | |
| 900 1 WHR08765 |
C00327315
481229088086 |
Bracket | Na dotaz | Zadat poptávku | |
| 900 2 WHR08765 |
C00327313
481229088077 |
Cable clamp | Na dotaz | Zadat poptávku | |
| 900 3 WHR08765 |
C00328874
481240118446 |
Cable clamp | Na dotaz | Zadat poptávku | |
| 900 4 WHR08765 |
C00316612
481240118414 |
SPONA39,7 | 37 Kč
€ 1.50 |
||
| 900 5 WHR08765 |
C00309461
481940118529 |
Spona nádrž-čerpadlo | 105 Kč
€ 4.30 |
||
| 900 6 WHR08765 |
C00317960
481240118444 |
Držák topení pračky Whirlpool, Ignis | Na dotaz | Zadat poptávku | |
| 900 7 WHR08765 |
C00327148
481225698031 |
Holder pressostat | Na dotaz | Zadat poptávku | |
| 900 9 WHR08765 |
C00327126
481225518286 |
Holder Hose outlet left | Na dotaz | Zadat poptávku | |
| 910 1 WHR08765 |
C00332163
481250248344 |
Šroub | Na dotaz | Zadat poptávku | |
| 910 5 WHR08765 |
C00312157
481250218815 |
Šroub | 62 Kč
€ 2.50 |
||
| 930 0 WHR08765 |
C00345871
481249238411 |
Spring,suspens. D38 | Na dotaz | Zadat poptávku | |
| 941 0 WHR08765 |
C00332295
481252028186 |
Ložisko 6208 SKF 2Z, 6208 2Z C3 | 963 Kč
€ 39.60 |
||
| 941 1 WHR08765 |
C00317100
481252028071 |
Ložisko 6305 2Z C3 GJN (SKF) | 232 Kč
€ 9.50 |
||
| 953 0 WHR08765 |
C00332636
481253058177 |
gufero 50x93x12,5/9 | 556 Kč
€ 22.80 |
||
| 961 0 WHR08765 |
C00332682
481253268158 |
Spacer | Na dotaz | Zadat poptávku | |
| 965 0 WHR08765 |
C00330912
481246668545 |
Záslepka otvoru po zajišťovacím šroubu bubnu pračky Whirlpool | 206 Kč
€ 8.50 |
||
| 993 0 WHR08765 |
C00316831
481953029028 |
Ohyb plastový/držák vypouštěcí hadice pračky | Na dotaz | Zadat poptávku | |
| 993 3 WHR08765 |
C00328868
481239558004 |
klic montazni | Na dotaz | Zadat poptávku | |
| 999 WHR08765 |
C00353173 | Testprogram WHP | Na dotaz | Zadat poptávku | |