ARISTON PF3 20M (IX)
Zeptejte se. Rádi poradíme.
Marek Proche
Zákaznická podpora
Po–Čt 8:00—17:00
Pá 8:00—15:00
poradna@servis-whirlpool.cz
| Komerční kód: | PF3 20M (IX) |
| Kód 12NC: | 869990073770 |
| I.C. kód: | 55073770000 |
| Značka: | ARISTON |
| Typ produktu: | Vestavné trouby a varné desky |
Potřebujete servis? Jsme tady pro Vás
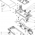
Nabídka náhradních dílů
| Číslo | Kód | Název | Cena | ||
|---|---|---|---|---|---|
| 000 4171110 |
C00045222 | USER INSTRUCTION BOOK-I-DE-ES-FR-NL-P-GB | Na dotaz | Zadat poptávku | |
| 001 4171110 |
C00045208 | BURNER GRID (2 BURNER) - BLACK | Na dotaz | Zadat poptávku | |
| 002 4171110 |
C00045230
488000045230 |
BURNER CAP - SMALL BURNER (BLACK) | Na dotaz | Zadat poptávku | |
| 003 4171110 |
C00045228 | FLAME SPLITTER - SMALL BURNER | Na dotaz | Zadat poptávku | |
| 004 4171110 |
C00045226 | BURNER BASE - SMALL BURNER | Na dotaz | Zadat poptávku | |
| 005 4171110 |
C00045206 | KNOB (GAS TAP) - BLACK | Na dotaz | Zadat poptávku | |
| 005 4171110 |
C00045256 | KNOB (GAS TAP) - WHITE | Na dotaz | Zadat poptávku | |
| 006 4171110 |
C00045207
482000074203 |
IGNITION BUTTON - BLACK | Na dotaz | Zadat poptávku | |
| 006 4171110 |
C00045257
482000074210 |
IGNITION BUTTON - WHIE | Na dotaz | Zadat poptávku | |
| 007 4171110 |
C00045209 | "ARISTON" NAMEPLATE | Na dotaz | Zadat poptávku | |
| 008 4171110 |
C00045249 | SPARK IGNITION LEAD | Na dotaz | Zadat poptávku | |
| 009 4171110 |
C00045232
482000074206 |
SURROUND - IGNITION BUTTON 10X14X1 | Na dotaz | Zadat poptávku | |
| 010 4171110 |
C00045231 | IGNITION TRANSFORMER (C/P 2U 220/240) | Na dotaz | Zadat poptávku | |
| 011 4171110 |
C00045216
482000074204 |
GAS TAP - LARGE BURNER (NOZZLE 0.39) | Na dotaz | Zadat poptávku | |
| 012 4171110 |
C00045210 | GAS PIPE - SUPPLY / TAPS | Na dotaz | Zadat poptávku | |
| 013 4171110 |
C00045261 | BRACKET - SUPPLY GAS PIPE | Na dotaz | Zadat poptávku | |
| 014 4171110 |
C00045235
481231038832 |
spona | Na dotaz | Zadat poptávku | |
| 015 4171110 |
C00045205 | BASE COVER TRAY | Na dotaz | Zadat poptávku | |
| 016 4171110 |
C00045250 | CLAMPING PLATE - HOB/WORKTOP | Na dotaz | Zadat poptávku | |
| 017 4171110 |
C00045245 | CABLE CLAMP - MAINS CABLE (BLACK) | Na dotaz | Zadat poptávku | |
| 018 4171110 |
C00045246 | SUPPORT PLATE -TERMINAL BLOCK | Na dotaz | Zadat poptávku | |
| 019 4171110 |
C00045247 | INSULATION PLATE - TERMINAL BLOCK | Na dotaz | Zadat poptávku | |
| 020 4171110 |
C00045248 | TERMINAL BLOCK (2 POLE) | Na dotaz | Zadat poptávku | |
| 021 4171110 |
C00045258
482000055903 |
SEALING GASKET - GAS TAP | Na dotaz | Zadat poptávku | |
| 022 4171110 |
C00045217 | GAS TAP - SMALL BURNER (NOZZLE 0.27) | Na dotaz | Zadat poptávku | |
| 023 4171110 |
C00045214 | GAS PIPE - TAP/SMALL BURNER | Na dotaz | Zadat poptávku | |
| 024 4171110 |
C00045224 | BURNER CAP - SMALL BURNER | Na dotaz | Zadat poptávku | |
| 025 4171110 |
C00045219 | LPG JET KIT- 2 JETS + HOSE ADAPTOR | Na dotaz | Zadat poptávku | |
| 025 4171110 |
C00045220 | GAS JET (80) SMALL BURNER - METHANE | Na dotaz | Zadat poptávku | |
| 025 4171110 |
C00048223 | GAS JET ( )SMALL BURNER - LPG | Na dotaz | Zadat poptávku | |
| 025 4171110 |
C00048224 | AUXILIARY CITTA GAS G.110 | Na dotaz | Zadat poptávku | |
| 026 4171110 |
C00045215 | GAS PIPE - TAP/LARGE BURNER | Na dotaz | Zadat poptávku | |
| 027 4171110 |
C00045223 | BURNER CUP - LARGE BURNER | Na dotaz | Zadat poptávku | |
| 028 4171110 |
C00045218
482000074205 |
GAS JET (130) LARGE BURNER - METHANE | Na dotaz | Zadat poptávku | |
| 028 4171110 |
C00048226 | GAS JET ( ) LARGE BURNER - LPG | Na dotaz | Zadat poptávku | |
| 028 4171110 |
C00048228 | RAPID CITTA GAS NOZZLE G.110 | Na dotaz | Zadat poptávku | |
| 029 4171110 |
C00045212 | NUT 1/2G - SUPPLY PIPE | Na dotaz | Zadat poptávku | |
| 030 4171110 |
C00045213 | COMPRESION CONE (0 14 V/D 2048/5) | Na dotaz | Zadat poptávku | |
| 031 4171110 |
C00045211 | GAS ELBOW 1/2G MALE X2 | Na dotaz | Zadat poptávku | |
| 032 4171110 |
C00045233
482000074207 |
SPARK IGNITION PLUG L=500 | Na dotaz | Zadat poptávku | |
| 032 4171110 |
C00045234 | SPARK IGNITION PLUG L=350 | Na dotaz | Zadat poptávku | |
| 033 4171110 |
C00045204 | SPILLAGE TRAY - STAINLESS STEEL | Na dotaz | Zadat poptávku | |
| 033 4171110 |
C00045255 | SPILLAGE TRAY - WHITE | Na dotaz | Zadat poptávku | |
| 034 4171110 |
C00045225 | BURNER BASE - LARGE BURNER | Na dotaz | Zadat poptávku | |
| 035 4171110 |
C00045227 | FLAME SPLITTER - LARGE BURNER | Na dotaz | Zadat poptávku | |
| 036 4171110 |
C00045229 | BURNER CAP - LARGE BURNER (BLACK) | Na dotaz | Zadat poptávku | |
| 037 4171110 |
C00036424
482000073614 |
RUBBER BUFFER (GLASS COVER) - WHITE | Na dotaz | Zadat poptávku | |
| 037 4171110 |
C00042937
482000026500 |
PRYŽ.TĚSNĚNÍ SKLENĚNÉHO VÍKA ČERNÉ 54-90 | Na dotaz | Zadat poptávku | |
| 038 4171110 |
C00045253 | GLASS LID (NOT UK) - BLACK KIT | Na dotaz | Zadat poptávku | |
| 038 4171110 |
C00045254 | GLASS LID (NOT UK) - WHITE | Na dotaz | Zadat poptávku | |
| 039 4171110 |
C00045260 | HINGE LH (NOT UK) - GLASS LID | Na dotaz | Zadat poptávku | |
| 040 4171110 |
C00024414
482000054277 |
CARTER ZÁVĚS VÍČKO BÍLÉ | Na dotaz | Zadat poptávku | |
| 040 4171110 |
C00025355
482000073043 |
CARTER ZÁVĚS VÍČKO ČERNÉ | Na dotaz | Zadat poptávku | |
| 041 4171110 |
C00045259 | HINGE RH (NOT UK) - GLASS LID | Na dotaz | Zadat poptávku | |
| 042 4171110 |
C00032682
482000026225 |
KRYT OTVORU VÍKO ČERNÝ | Na dotaz | Zadat poptávku | |
| 043 4171110 |
C00026766
482000064710 |
HINGE SUPPORT PLATE (4+2/5+1) | Na dotaz | Zadat poptávku | |