WHIRLPOOL Pure 1485
Zeptejte se. Rádi poradíme.
Marek Proche
Zákaznická podpora
Po–Čt 8:00—17:00
Pá 8:00—15:00
poradna@servis-whirlpool.cz
| Komerční kód: | Pure 1485 |
| Kód 12NC: | 859201612000 |
| I.C. kód: | 859201612002 |
| Značka: | WHIRLPOOL |
| Typ produktu: | Pračky |
| Další podobné modely: | 859201612000 |
Potřebujete servis? Jsme tady pro Vás
Nabídka náhradních dílů
| Číslo | Kód | Název | Cena | ||
|---|---|---|---|---|---|
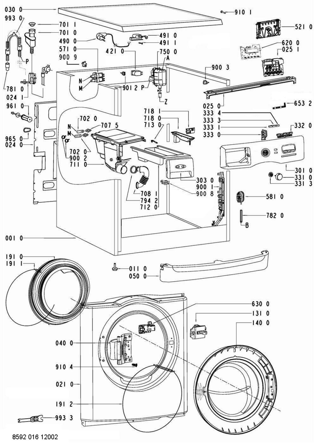
| 001 0 WHR14060 |
C00320962
480111100352 |
Cabinet | Na dotaz | Zadat poptávku | |
| 011 0 WHR14060 |
C00312325
480111101039 |
Adjust. foot Eureka 490 | Na dotaz | Zadat poptávku | |
| 021 0 WHR14060 |
C00313270
480111100198 |
stena predni | Na dotaz | Zadat poptávku | |
| 024 0 WHR14060 |
C00316521
481244011544 |
stena zadni | 1 472 Kč
€ 60.20 |
||
| 024 1 WHR14060 |
C00320981
480111100785 |
Holder hose outlet | Na dotaz | Zadat poptávku | |
| 025 0 WHR14060 |
C00316513
481244011472 |
Support control board | Na dotaz | Zadat poptávku | |
| 025 1 WHR14060 |
C00314275
480111102215 |
Support Display | Na dotaz | Zadat poptávku | |
| 030 0 WHR14060 |
C00335631
480111101433 |
deska horni | Na dotaz | Zadat poptávku | |
| 040 0 WHR14060 |
C00314881
480111100209 |
Hinge Eureka 490 | Na dotaz | Zadat poptávku | |
| 050 0 WHR14060 |
C00316812
480111100234 |
Plinth Eureka 490 | Na dotaz | Zadat poptávku | |
| 061 0 WHR14060 |
C00314406
480111100193 |
Závaží horní | 1 674 Kč
€ 68.50 |
||
| 061 1 WHR14060 |
C00315057
480111101399 |
Závaží spodní | 1 372 Kč
€ 56.10 |
||
| 061 2 WHR14060 |
C00312077
481231039249 |
sroub+podlozka | 81 Kč
€ 3.30 |
||
| 081 0 WHR14060 |
C00311556
480111100195 |
Tlumič pračky Whirlpool | 789 Kč
€ 32.30 |
||
| 084 0 WHR14060 |
C00330907
481246658001 |
drzak pruziny agreg. | Na dotaz | Zadat poptávku | |
| 131 0 WHR14060 |
C00311268
480111101377 |
Hák dveří | Na dotaz | Zadat poptávku | |
| 140 0 WHR14060 |
C00317757
480111101379 |
Door cpl. Eureka 490 HR black | Na dotaz | Zadat poptávku | |
| 191 0 WHR14060 |
C00311135
480111100188 |
Těsnění dveří pračky (TVO) | 608 Kč
€ 24.90 |
||
| 191 1 WHR14060 |
C00311853
480111100191 |
Spona těsnění dveří pračky (TVO) | 229 Kč
€ 9.40 |
||
| 191 2 WHR14060 |
C00311661
480111100189 |
Ring Bellow-Panel, Eureka 490 | Na dotaz | Zadat poptávku | |
| 200 0 WHR14060 |
C00311148
480111102416 |
Nádrž kompletní | Na dotaz | Zadat poptávku | |
| 223 0 WHR14060 |
C00310994
480111104173 |
Drum lifter 64l (L 278,5mm) 3pcs. | Na dotaz | Zadat poptávku | |
| 271 0 WHR14060 |
C00315115
480111104417 |
Řemen 5 PJE 1266 pračky Whirlpool | 576 Kč
€ 23.60 |
||
| 272 0 WHR14060 |
C00311999
480111102563 |
Řemenice bubnu | 1 090 Kč
€ 44.60 |
||
| 272 3 WHR14060 |
C00313276
481250218817 |
sroub remenice | Na dotaz | Zadat poptávku | |
| 301 0 WHR14060 |
C00427940
480111104326 |
Control panel + handle drawer | Na dotaz | Zadat poptávku | |
| 303 0 WHR14060 |
C00314338
480111101382 |
Handle drawer | Na dotaz | Zadat poptávku | |
| 331 0 WHR14060 |
C00341890
480111101462 |
Knoflík | 432 Kč
€ 17.70 |
||
| 331 3 WHR14060 |
C00312359
480111100231 |
pouzdro | 270 Kč
€ 11.00 |
||
| 332 0 WHR14060 |
C00312311
480111100224 |
tlacitka | 235 Kč
€ 9.60 |
||
| 333 0 WHR14060 |
C00312098
480111100221 |
Tlačítko start /reset | 438 Kč
€ 17.90 |
||
| 333 1 WHR14060 |
C00316671
480111101436 |
Button Start delay | Na dotaz | Zadat poptávku | |
| 333 3 WHR14060 |
C00317098
480111101437 |
tlacitko | 90 Kč
€ 3.70 |
||
| 333 4 WHR14060 |
C00320878
480111101438 |
tlacitko | Na dotaz | Zadat poptávku | |
| 400 0 WHR14060 |
C00379582
480111104818 |
motor | Na dotaz | Zadat poptávku | |
| 400 1 WHR14060 |
C00321166
480111104821 |
filtr | Na dotaz | Zadat poptávku | |
| 400 2 WHR14060 |
C00318902
480111104822 |
Support PFC | Na dotaz | Zadat poptávku | |
| 421 0 WHR14060 |
C00311350
481212118285 |
Filtr odrušovací 1 uF | 294 Kč
€ 12.00 |
||
| 430 0 WHR14060 |
C00311151
480111101394 |
Pump Eureka 490, EM Outlet | Na dotaz | Zadat poptávku | |
| 451 0 WHR14060 |
C00318278
481225928919 |
Heating element 2050W, 230V + NTC | Na dotaz | Zadat poptávku | |
| 480 0 WHR14060 |
C00321167
480111104825 |
Cable CCU-Choke | Na dotaz | Zadat poptávku | |
| 480 1 WHR14060 |
C00319550
480111104823 |
Cable Choke-Motor | Na dotaz | Zadat poptávku | |
| 480 2 WHR14060 |
C00316415
480111104824 |
Cable CCU | Na dotaz | Zadat poptávku | |
| 490 0 WHR14060 |
C00316393
481932118136 |
Flexo kabel 2 m, konektory | Na dotaz | Zadat poptávku | |
| 491 0 WHR14060 |
C00309418
481232128367 |
Přechodka | 324 Kč
€ 13.30 |
||
| 491 1 WHR14060 |
C00318425
481250238152 |
Screw 4.8x19 | Na dotaz | Zadat poptávku | |
| 521 0 WHR14060 |
C00343168
480111102409 |
Control unit DOMINO CIM F2, basic | Na dotaz | Zadat poptávku | |
| 521 0 WHR14060 |
C00427941
480111104327 |
Control unit DOMINO, programmed | Na dotaz | Zadat poptávku | |
| 571 0 WHR14060 |
C00311060
481227128558 |
Napouštěcí ventil pračky - dvoucestný, rohový | 222 Kč
€ 9.10 |
||
| 581 0 WHR14060 |
C00311217
481227128554 |
Presostat pračky | 207 Kč
€ 8.50 |
||
| 620 0 WHR14060 |
C00311652
480111101428 |
Modul / Elektrická jednotka s displejem pračky Whirlpool | 3 764 Kč
€ 154.00 |
||
| 630 0 WHR14060 |
C00311157
480111101392 |
Blokování dveří pračky Whirlpool / Bauknecht | 787 Kč
€ 32.20 |
||
| 653 2 WHR14060 |
C00318145
480111101435 |
Light guide | Na dotaz | Zadat poptávku | |
| 691 0 WHR14060 |
C00313117
481228219485 |
senzor NTC | 857 Kč
€ 35.10 |
||
| 701 0 WHR14060 |
C00309499
481253029256 |
Přívodní hadice 1,5m s Aqua Stopem náhrada 481010802244 | Na dotaz | Zadat poptávku | |
| 701 0 WHR14060 |
C00312612
481953028926 |
Hose inlet 2.5 m (Eltek) | Na dotaz | Zadat poptávku | |
| 701 0 WHR14060 |
C00332408
481253028781 |
HYDRO-SECURITY 4m 90# 10 BAR straight | Na dotaz | Zadat poptávku | |
| 701 1 WHR14060 |
C00316490
481946669704 |
tesneni + sitko | 173 Kč
€ 7.10 |
||
| 702 0 WHR14060 |
C00315519
481253029405 |
hadice od ventilu | 108 Kč
€ 4.40 |
||
| 707 5 WHR14060 |
C00332326
481252648035 |
Nozzle warm | Na dotaz | Zadat poptávku | |
| 708 1 WHR14060 |
C00313076
481253049392 |
Hadice násypka-nádrž pračky Whirlpool | 535 Kč
€ 21.90 |
||
| 711 0 WHR14060 |
C00313079
480111100333 |
teleso nasypky | 1 710 Kč
€ 70.00 |
||
| 712 0 WHR14060 |
C00311522
480111100203 |
nasypka | Na dotaz | Zadat poptávku | |
| 713 0 WHR14060 |
C00312158
481241868382 |
Pojistka násypky | 305 Kč
€ 12.50 |
||
| 718 0 WHR14060 |
C00315768
481241889085 |
Vložka násypky | 295 Kč
€ 12.10 |
||
| 718 1 WHR14060 |
C00315499
481252648252 |
Vložka násypky | 90 Kč
€ 3.70 |
||
| 750 0 WHR14060 |
C00312027
480111100202 |
Chamber Expand | Na dotaz | Zadat poptávku | |
| 754 0 WHR14060 |
C00313144
481253029495 |
Hadice čerpadlo - nádrž pračky Whirlpool | 639 Kč
€ 26.20 |
||
| 754 1 WHR14060 |
C00309391
481253028832 |
Kulička hadice mezi vanou a čerpadlem pračky Whirpool | 894 Kč
€ 36.60 |
||
| 760 0 WHR14060 |
C00312342
481248058385 |
Filtr čerpadla Whirlpool AWO/D | 292 Kč
€ 12.00 |
||
| 781 0 WHR14060 |
C00311863
480111100342 |
Vypouštěcí hadice pračky Whirlpool, Bauknecht | 463 Kč
€ 18.90 |
||
| 782 0 WHR14060 |
C00312246
481253029497 |
Hadice k presostatu pračky Whirlpool | 50 Kč
€ 2.00 |
||
| 783 1 WHR14060 |
C00312415
480111100207 |
Hadička násypka/nádrž | 325 Kč
€ 13.30 |
||
| 783 4 WHR14060 |
C00312724
480111100206 |
Hadice | Na dotaz | Zadat poptávku | |
| 786 0 WHR14060 |
C00320204
480111101395 |
hadice | Na dotaz | Zadat poptávku | |
| 786 1 WHR14060 |
C00317781
481246278179 |
threaded cap | Na dotaz | Zadat poptávku | |
| 794 2 WHR14060 |
C00318107
481240118549 |
Clamp hose | Na dotaz | Zadat poptávku | |
| 900 1 WHR14060 |
C00320950
480111100204 |
Bracket cable, Eureka 490 | Na dotaz | Zadat poptávku | |
| 900 2 WHR14060 |
C00328881
481240118501 |
Svorka hadice 1 | 69 Kč
€ 2.80 |
||
| 900 3 WHR14060 |
C00328874
481240118446 |
Cable clamp | Na dotaz | Zadat poptávku | |
| 900 4 WHR14060 |
C00316612
481240118414 |
SPONA39,7 | 37 Kč
€ 1.50 |
||
| 900 5 WHR14060 |
C00309461
481940118529 |
Spona nádrž-čerpadlo | 105 Kč
€ 4.30 |
||
| 900 8 WHR14060 |
C00320945
480111100143 |
Holder hose right | Na dotaz | Zadat poptávku | |
| 900 9 WHR14060 |
C00327126
481225518286 |
Holder Hose outlet left | Na dotaz | Zadat poptávku | |
| 901 2 WHR14060 |
C00327313
481229088077 |
Cable clamp | Na dotaz | Zadat poptávku | |
| 910 1 WHR14060 |
C00332163
481250248344 |
Šroub | Na dotaz | Zadat poptávku | |
| 910 4 WHR14060 |
C00320952
480111100213 |
Screw M5x12 hinge-front | Na dotaz | Zadat poptávku | |
| 930 0 WHR14060 |
C00320949
480111100197 |
pružina nádrže pračky Whirlpool | 266 Kč
€ 10.90 |
||
| 961 0 WHR14060 |
C00320953
480111100217 |
Safety device 54, 64 l | Na dotaz | Zadat poptávku | |
| 965 0 WHR14060 |
C00330912
481246668545 |
Záslepka otvoru po zajišťovacím šroubu bubnu pračky Whirlpool | 206 Kč
€ 8.40 |
||
| 993 0 WHR14060 |
C00316831
481953029028 |
Ohyb plastový/držák vypouštěcí hadice pračky | Na dotaz | Zadat poptávku | |
| 993 3 WHR14060 |
C00328868
481239558004 |
klic montazni | Na dotaz | Zadat poptávku | |
| 999 WHR14060 |
C00352898 | Testprogram WHP | Na dotaz | Zadat poptávku | |