IKEA UTDRAG 20304623 EI
Zeptejte se. Rádi poradíme.
Marek Proche

Marek Proche
Zákaznická podpora

227 191 733

Po–Čt 8:00—17:00
Pá 8:00—15:00

poradna@servis-whirlpool.cz

Položit dotaz

Komerční kód: UTDRAG 20304623 EI
Kód 12NC/I.C. kód: 856730600580
Značka: IKEA
Typ produktu:Odsavače a digestoře

Potřebujete servis? Jsme tady pro Vás

Nabídka náhradních dílů

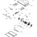
Číslo Kód Název Cena    
0053
WHR28753
C00333922
482000009742
Frame left Na dotaz Zadat poptávku
0054
WHR28753
C00333923
482000009743
Frame right Na dotaz Zadat poptávku
207
WHR28753
C00329142
481240449865
Držák 391 Kč
€ 16.10
2510
WHR28753
C00505249
482000094763
Kryt žárovky 203 Kč
€ 8.30
2630
WHR28753
C00330378
481246068566
Kolejnice digestoře - samostatná 1 112 Kč
€ 45.70
3010
WHR28753
C00520565
482000098689
Control panel complete Na dotaz Zadat poptávku
3012
WHR28753
C00315322
482000009745
Control panel Na dotaz Zadat poptávku
3200
WHR28753
C00418164
482000022261
Panel Na dotaz Zadat poptávku
4000
WHR28753
C00520566
482000098690
Motor complete Na dotaz Zadat poptávku
4010
WHR28753
C00382552
482000022262
Motor Na dotaz Zadat poptávku
4210
WHR28753
C00382553
482000022263
CONNECT. 2 WAY IEC320 WHIT Na dotaz Zadat poptávku
4840
WHR28753
C00383111
482000022283
Kabel flexo 767 Kč
€ 31.50
544
WHR28753
C00333932
482000009759
Support front panel Na dotaz Zadat poptávku
6202
WHR28753
C00313921
482000009750
Modul digestoře + kabel 3 130 Kč
€ 128.50
6510
WHR28753
C00418165
482000022265
Lamp Na dotaz Zadat poptávku
6520
WHR28753
C00311279
481225528008
Objímka žárovky
Náhrada C00861139
Na dotaz Zadat poptávku
7271
WHR28753
C00302767
482000013865
Turbina 730 Kč
€ 30.00
7415
WHR28753
C00480741
482000093126
Conveyor left Na dotaz Zadat poptávku
7416
WHR28753
C00419263
482000090286
Kryt motoru digestoře 271 Kč
€ 11.10
7620
WHR28753
C00333929
482000009755
Filtr tukový digestoře Whirlpool Na dotaz Zadat poptávku
7650
WHR28753
C00384666
484000008782
Uhlíkový filtr WPro AKB 000-1 (TYPE 58) 413 Kč
€ 17.00
7813
WHR28753
C00327618
482000021676
Kryt kolejnice 212 Kč
€ 8.70
7814
WHR28753
C00333931
482000009757
Klapka zpětná průměr 120 mm - jedno křídlo Na dotaz Zadat poptávku
9930
WHR28753
C00520567
482000098691
Mounting kit Na dotaz Zadat poptávku
Autorizované servisní centrum

Veškerý servis rodiny Whirlpool

Kamenná prodejna a sklad

Otevřená 5 dní v týdnu

Originální díly a příslušenství

Veškeré zboží přímo od výrobce

Odborný personál

Pomůžeme lajkům i odborníkům

Jednou za čas posíláme informace o speciální akcích, slevách a výprodejích. Nudné a zbytečné obchodní e-maily neposíláme.

×