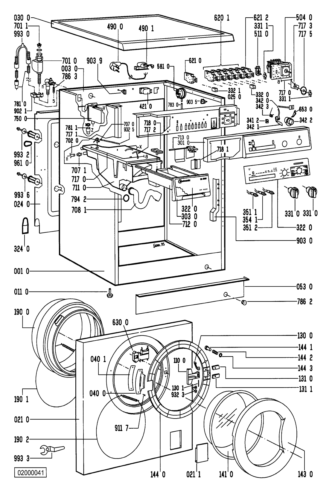
BAUKNECHT WA 2552     WASHING MACHINES          BK
 
             
                 
                
    Zeptejte se. Rádi poradíme.
    
        
            
                
                     
              
        
        
            
    
    
             
            Marek Proche
                    
Zákaznická podpora
            
Po–Čt 8:00—17:00
                
Pá 8:00—15:00             
            
        
            
        poradna@servis-whirlpool.cz     
    
    
| Komerční kód: | WA 2552 WASHING MACHINES BK | 
| Kód 12NC: | 855495438000 | 
| I.C. kód: | 855495438001 | 
| Značka: | BAUKNECHT | 
| Typ produktu: | Pračky | 
| Další podobné modely: | 855495438000, 855495438002 | 
Potřebujete servis? Jsme tady pro Vás
Nabídka náhradních dílů
| Číslo | Kód | Název | Cena | ||
|---|---|---|---|---|---|
| 001 0 WHR91356 | C00343946 481244018996 | Cabinet | Na dotaz | Zadat poptávku | |
| 003 0 WHR91356 | C00591849 481246448097 | Crossbar Rear top degre. | Na dotaz | Zadat poptávku | |
| 004 0 WHR91356 | C00497924 481244018993 | ZBERAC AQUA DELTA | Na dotaz | Zadat poptávku | |
| 011 0 WHR91356 | C00340775 481250018068 | Nastavitelná noha pračky | Na dotaz | Zadat poptávku | |
| 021 0 WHR91356 | C00340697 481244019329 | Front | Na dotaz | Zadat poptávku | |
| 021 1 WHR91356 | C00340845 481244019331 | Flap Filter | Na dotaz | Zadat poptávku | |
| 024 0 WHR91356 | C00341521 481244018997 | PANEL, REAR | Na dotaz | Zadat poptávku | |
| 025 0 WHR91356 | C00555288 481244018989 | HOLDER CONTROL.. | Na dotaz | Zadat poptávku | |
| 030 0 WHR91356 | C00335667 481231038181 | Table top | Na dotaz | Zadat poptávku | |
| 040 0 WHR91356 | C00312018 481241718787 | Hinge BK | Na dotaz | Zadat poptávku | |
| 040 1 WHR91356 | C00497791 481241728009 | PODLOZKA ZAVESU AWM 242 N | Na dotaz | Zadat poptávku | |
| 053 0 WHR91356 | C00497145 481245938011 | Plinth | Na dotaz | Zadat poptávku | |
| 061 1 WHR91356 | C00555559 481246688457 | COUNTER WEIGHT.. | Na dotaz | Zadat poptávku | |
| 080 0 WHR91356 | C00555528 481246648053 | Shock absorber.. | Na dotaz | Zadat poptávku | |
| 084 0 WHR91356 | C00330907 481246658001 | drzak pruziny agreg. | Na dotaz | Zadat poptávku | |
| 086 0 WHR91356 | C00316610 481240118409 | Holder Shock Absorber | Na dotaz | Zadat poptávku | |
| 086 2 WHR91356 | C00314527 481240118412 | pojistka tlumice | 333 Kč € 13.70 | ||
| 110 0 WHR91356 | C00339968 481249818139 | Handle,door white | Na dotaz | Zadat poptávku | |
| 130 0 WHR91356 | C00312433 481241728046 | Lock Door | Na dotaz | Zadat poptávku | |
| 130 1 WHR91356 | C00312243 481241728045 | osa uzaveru dveri | 143 Kč € 5.90 | ||
| 131 0 WHR91356 | C00318057 481241728047 | desticka uzaveru dv. | 27 Kč € 1.10 | ||
| 131 1 WHR91356 | C00329782 481241728048 | Plate Doorlock LowerDoorlock Lower | Na dotaz | Zadat poptávku | |
| 141 0 WHR91356 | C00339065 481245068218 | Door glass | Na dotaz | Zadat poptávku | |
| 143 0 WHR91356 | C00340314 481244018988 | Glassdoor frame white | Na dotaz | Zadat poptávku | |
| 144 0 WHR91356 | C00340711 481245928043 | Frame,door glas | Na dotaz | Zadat poptávku | |
| 144 1 WHR91356 | C00345878 481249818137 | Knob Door safetyDoor safety | Na dotaz | Zadat poptávku | |
| 144 2 WHR91356 | C00318221 481249258023 | Spring Door Safety | Na dotaz | Zadat poptávku | |
| 144 3 WHR91356 | C00313732 481229068153 | drzak pojistky | Na dotaz | Zadat poptávku | |
| 190 0 WHR91356 | C00555539 481246668507 | NAHRADENE 481246668546 N | Na dotaz | Zadat poptávku | |
| 190 1 WHR91356 | C00335947 481249218015 | Strap Fix. Bellow | Na dotaz | Zadat poptávku | |
| 190 2 WHR91356 | C00311875 481249298011 | spona TVO - přední stěna | 111 Kč € 4.60 | ||
| 200 0 WHR91356 | C00337457 481241818181 | Tub | Na dotaz | Zadat poptávku | |
| 201 0 WHR91356 | C00344300 481246448002 | bocnice | 3 087 Kč € 126.60 | ||
| 210 0 WHR91356 | C00318535 481252018034 | Crosspiece,asm. | Na dotaz | Zadat poptávku | |
| 220 0 WHR91356 | C00556789 481241818197 | Drum 1200,48L.. | Na dotaz | Zadat poptávku | |
| 223 0 WHR91356 | C00341177 481951528244 | Drum lifter | Na dotaz | Zadat poptávku | |
| 228 0 WHR91356 | C00342241 481241818096 | Crosspiece,drum | Na dotaz | Zadat poptávku | |
| 271 0 WHR91356 | C00555027 481235818007 | NAHRADENE 481235818157 N | Na dotaz | Zadat poptávku | |
| 272 0 WHR91356 | C00337074 481252858004 | Pulley | Na dotaz | Zadat poptávku | |
| 272 1 WHR91356 | C00344074 481253228006 | pouzdro plastove | Na dotaz | Zadat poptávku | |
| 292 0 WHR91356 | C00340417 481253058003 | tesneni bocnice | 391 Kč € 16.00 | ||
| 301 0 WHR91356 | C00555369 481245219216 | Control panel.. | Na dotaz | Zadat poptávku | |
| 303 0 WHR91356 | C00498527 481249818138 | Handle, drawer | Na dotaz | Zadat poptávku | |
| 322 0 WHR91356 | C00528849 481245219224 | INSERT PANEL WA 2552/WS-I | Na dotaz | Zadat poptávku | |
| 324 0 WHR91356 | C00338357 481244018992 | Lid Rearcover | Na dotaz | Zadat poptávku | |
| 331 0 WHR91356 | C00338580 481241348222 | Knob | Na dotaz | Zadat poptávku | |
| 331 1 WHR91356 | C00636641 481241318191 | ADAPTER F. KNOB. | Na dotaz | Zadat poptávku | |
| 332 0 WHR91356 | C00491591 481241028543 | krytka tlacitka | Na dotaz | Zadat poptávku | |
| 332 1 WHR91356 | C00587027 481241028544 | Push button Start. | Na dotaz | Zadat poptávku | |
| 341 2 WHR91356 | C00555187 481241378474 | Indicator Spin-Speed.. | Na dotaz | Zadat poptávku | |
| 342 0 WHR91356 | C00488803 481241318192 | Program indic. | Na dotaz | Zadat poptávku | |
| 342 1 WHR91356 | C00482560 481227888006 | Slide Indicator | Na dotaz | Zadat poptávku | |
| 342 2 WHR91356 | C00555180 481241318193 | Cam Indicator.. | Na dotaz | Zadat poptávku | |
| 342 3 WHR91356 | C00480768 481241318194 | Spring | Na dotaz | Zadat poptávku | |
| 351 1 WHR91356 | C00497247 481213448191 | Lamp Door | Na dotaz | Zadat poptávku | |
| 351 2 WHR91356 | C00488442 481213448204 | Lamp Aquastop | Na dotaz | Zadat poptávku | |
| 354 1 WHR91356 | C00341467 481213448179 | SIGNÁLKA AWM248/1 | Na dotaz | Zadat poptávku | |
| 401 0 WHR91356 | C00341661 481236158093 | Motor MCA52/148-1200 | Na dotaz | Zadat poptávku | |
| 401 1 WHR91356 | C00311127 481236248004 | Brush,carbon, Motor CESET | Na dotaz | Zadat poptávku | |
| 421 0 WHR91356 | C00326769 481212118142 | Interf.filter 1,00 uF1,00 uF. | Na dotaz | Zadat poptávku | |
| 430 0 WHR91356 | C00337062 481236018362 | PUMP | Na dotaz | Zadat poptávku | |
| 451 0 WHR91356 | C00339927 481225928669 | Topné těleso pračky Whirlpool 2050 W s NTC čidlem | 955 Kč € 39.20 | ||
| 490 0 WHR91356 | C00316393 481932118136 | Flexo kabel 2 m, konektory | Na dotaz | Zadat poptávku | |
| 490 1 WHR91356 | C00309418 481232128367 | Přechodka | 324 Kč € 13.30 | ||
| 504 0 WHR91356 | C00554976 481228218452 | Timer.. | Na dotaz | Zadat poptávku | |
| 511 0 WHR91356 | C00336534 481241348223 | Selector Temp./Spin | Na dotaz | Zadat poptávku | |
| 581 0 WHR91356 | C00554922 481227128357 | Pressostat 1 Level.. | Na dotaz | Zadat poptávku | |
| 620 1 WHR91356 | C00335726 481227618238 | Switch Options | Na dotaz | Zadat poptávku | |
| 621 0 WHR91356 | C00335720 481227618239 | Switch Start | Na dotaz | Zadat poptávku | |
| 621 2 WHR91356 | C00491079 481227618241 | spinac | Na dotaz | Zadat poptávku | |
| 623 0 WHR91356 | C00317471 481227138358 | mikrospinac plovaku | 745 Kč € 30.60 | ||
| 623 1 WHR91356 | C00554928 481227138359 | Support Switch Aquasto.. | Na dotaz | Zadat poptávku | |
| 630 0 WHR91356 | C00315131 481228058019 | Door lock | Na dotaz | Zadat poptávku | |
| 653 0 WHR91356 | C00591603 481213448189 | Guide,light On/Off. | Na dotaz | Zadat poptávku | |
| 701 0 WHR91356 | C00498604 481253018002 | HADICA PRIVOD. AQUA, AWM031 gum | Na dotaz | Zadat poptávku | |
| 701 0 WHR91356 | C00498613 481253028808 | HADICA PRIVODOVA AQUA AWM031 N | Na dotaz | Zadat poptávku | |
| 701 1 WHR91356 | C00318772 482248050159 | Sieve inlet | Na dotaz | Zadat poptávku | |
| 702 0 WHR91356 | C00591857 481253028811 | Hose Valve/D. Container. | Na dotaz | Zadat poptávku | |
| 707 0 WHR91356 | C00317102 481252648031 | Tryska násypky pračky | 104 Kč € 4.30 | ||
| 707 1 WHR91356 | C00332324 481252648028 | Tryska násypky pračky | Na dotaz | Zadat poptávku | |
| 708 1 WHR91356 | C00344350 481253048141 | Bend | Na dotaz | Zadat poptávku | |
| 711 0 WHR91356 | C00317871 481241888025 | teleso nasypky | Na dotaz | Zadat poptávku | |
| 712 0 WHR91356 | C00341235 481241878036 | DRAWER DETERGENT | Na dotaz | Zadat poptávku | |
| 713 0 WHR91356 | C00317121 481241888019 | vlozka nasypky klap. | Na dotaz | Zadat poptávku | |
| 717 0 WHR91356 | C00344286 481241878925 | Bovden komplet | Na dotaz | Zadat poptávku | |
| 717 1 WHR91356 | C00328523 481232138013 | Páčka trysky násypky | Na dotaz | Zadat poptávku | |
| 717 2 WHR91356 | C00328522 481232138012 | drzak | 26 Kč € 1.10 | ||
| 717 3 WHR91356 | C00336270 481227888007 | posouvac | Na dotaz | Zadat poptávku | |
| 717 5 WHR91356 | C00342864 481231018381 | Cam | Na dotaz | Zadat poptávku | |
| 718 0 WHR91356 | C00318585 481252648027 | viko prepadu nasypky | 54 Kč € 2.20 | ||
| 718 1 WHR91356 | C00314031 481241888018 | ovladac | 396 Kč € 16.20 | ||
| 750 0 WHR91356 | C00332502 481253048139 | Expanzní nádoba pračky Whirlpool, Bauknecht | 141 Kč € 5.80 | ||
| 753 1 WHR91356 | C00342744 481241868125 | Chamber,air | Na dotaz | Zadat poptávku | |
| 754 0 WHR91356 | C00498615 481253028838 | HADICA NADRZ-CERPADLO/DELTA | Na dotaz | Zadat poptávku | |
| 756 0 WHR91356 | C00555119 481236058101 | Floater.. | Na dotaz | Zadat poptávku | |
| 760 0 WHR91356 | C00340935 481248058075 | Filter Set Pump | Na dotaz | Zadat poptávku | |
| 760 1 WHR91356 | C00340427 481241868138 | Gasket Sieve / Rough | Na dotaz | Zadat poptávku | |
| 781 0 WHR91356 | C00339213 481253028815 | HOSE,DRAINING | Na dotaz | Zadat poptávku | |
| 781 1 WHR91356 | C00498614 481253028818 | HADICA CERPADLO-KOMORA/D | Na dotaz | Zadat poptávku | |
| 783 0 WHR91356 | C00339268 481253028816 | Hose Pressostat | Na dotaz | Zadat poptávku | |
| 783 1 WHR91356 | C00332412 481253028822 | hadice násypka-přepad | Na dotaz | Zadat poptávku | |
| 783 3 WHR91356 | C00310140 481253018001 | Connection Part | Na dotaz | Zadat poptávku | |
| 786 0 WHR91356 | C00314984 481253028812 | Hadice vypouštěcího čerpadla pračky Whirlpool, Bauknecht, Ignis | 584 Kč € 24.00 | ||
| 786 1 WHR91356 | C00498413 481246279641 | Stopper | Na dotaz | Zadat poptávku | |
| 786 2 WHR91356 | C00591847 481246279642 | Threaded cap. | Na dotaz | Zadat poptávku | |
| 786 3 WHR91356 | C00339392 481253028809 | Hose Aqua-Stop | Na dotaz | Zadat poptávku | |
| 787 0 WHR91356 | C00332411 481253028819 | Hose with hole (exhaust) | Na dotaz | Zadat poptávku | |
| 794 2 WHR91356 | C00337979 481253058005 | O-Ring | Na dotaz | Zadat poptávku | |
| 794 5 WHR91356 | C00498646 481253058015 | Gasket | Na dotaz | Zadat poptávku | |
| 901 0 WHR91356 | C00343364 481240118054 | Clamp hose | Na dotaz | Zadat poptávku | |
| 901 2 WHR91356 | C00335973 481240118401 | Strap | Na dotaz | Zadat poptávku | |
| 901 3 WHR91356 | C00316612 481240118414 | SPONA39,7 | 37 Kč € 1.50 | ||
| 902 1 WHR91356 | C00327119 481225518204 | Vnější držák hadic pračky Whirlpool | Na dotaz | Zadat poptávku | |
| 903 0 WHR91356 | C00344192 481229088043 | Bracket Door lock | Na dotaz | Zadat poptávku | |
| 903 5 WHR91356 | C00327310 481229088048 | Cable clamp | Na dotaz | Zadat poptávku | |
| 903 9 WHR91356 | C00343868 481229088046 | Cable clamp | Na dotaz | Zadat poptávku | |
| 904 0 WHR91356 | C00336812 481252958002 | Rivet Base | Na dotaz | Zadat poptávku | |
| 910 0 WHR91356 | C00331290 481245218994 | Screw M8x20 A2F | Na dotaz | Zadat poptávku | |
| 910 1 WHR91356 | C00555368 481245218995 | NAHRADA 481950218417 | Na dotaz | Zadat poptávku | |
| 910 5 WHR91356 | C00336591 481250218359 | Screw damper | Na dotaz | Zadat poptávku | |
| 911 7 WHR91356 | C00332781 481290308014 | sroub M5x16 H | Na dotaz | Zadat poptávku | |
| 912 0 WHR91356 | C00336566 481250218361 | Screw M8x30 | Na dotaz | Zadat poptávku | |
| 921 0 WHR91356 | C00336832 481201118522 | Ring,circlip 52x252x2 | Na dotaz | Zadat poptávku | |
| 923 0 WHR91356 | C00337249 481253218024 | PODLOZKA | Na dotaz | Zadat poptávku | |
| 931 0 WHR91356 | C00498517 481249238361 | Spring Suspension Suspension | Na dotaz | Zadat poptávku | |
| 932 3 WHR91356 | C00312651 481249258022 | Pružina uzávěru dveří | 237 Kč € 9.70 | ||
| 932 5 WHR91356 | C00312356 481249238359 | Pružina trysky násypky | 13 Kč € 0.50 | ||
| 941 0 WHR91356 | C00344371 481231018366 | Bearing, kit KD Set Ag KD Set Agg2 | Na dotaz | Zadat poptávku | |
| 953 0 WHR91356 | C00320177 481253068001 | tesneni bubnu VA-40 | 564 Kč € 23.10 | ||
| 961 0 WHR91356 | C00343009 481232148004 | Cover | Na dotaz | Zadat poptávku | |
| 962 0 WHR91356 | C00342374 481246638011 | Cover protect. heating element | Na dotaz | Zadat poptávku | |
| 993 0 WHR91356 | C00344289 481253048017 | Bow | Na dotaz | Zadat poptávku | |
| 993 2 WHR91356 | C00555134 481239588005 | Fastener.. | Na dotaz | Zadat poptávku | |
| 993 3 WHR91356 | C00328868 481239558004 | klic montazni | 64 Kč € 2.60 | ||
| 993 6 WHR91356 | C00636429 481226818014 | Lever,security. | Na dotaz | Zadat poptávku | |