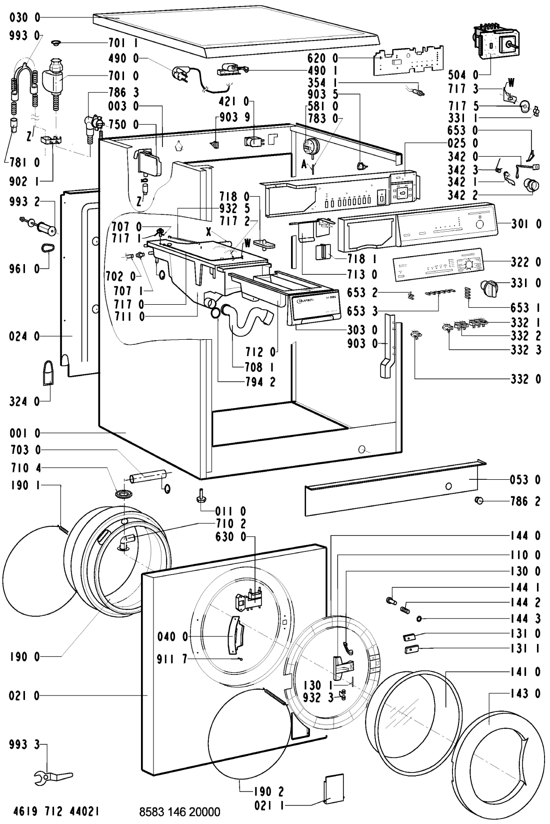
BAUKNECHT WA 3363 /WS-B
Zeptejte se. Rádi poradíme.
Marek Proche
Zákaznická podpora
Po–Čt 8:00—17:00
Pá 8:00—15:00
poradna@servis-whirlpool.cz
| Komerční kód: | WA 3363 /WS-B |
| Kód 12NC/I.C. kód: | 858314620000 |
| Značka: | BAUKNECHT |
| Typ produktu: | Pračky |
Potřebujete servis? Jsme tady pro Vás
Nabídka náhradních dílů
| Číslo | Kód | Název | Cena | ||
|---|---|---|---|---|---|
| 001 0 WHR104450 |
C00343946
481244018996 |
Cabinet | Na dotaz | Zadat poptávku | |
| 003 0 WHR104450 |
C00555523
481246448098 |
PRIECKA ZADNA AWM031 N | Na dotaz | Zadat poptávku | |
| 004 0 WHR104450 |
C00497924
481244018993 |
ZBERAC AQUA DELTA | Na dotaz | Zadat poptávku | |
| 011 0 WHR104450 |
C00340775
481250018068 |
Nastavitelná noha pračky | Na dotaz | Zadat poptávku | |
| 021 0 WHR104450 |
C00340697
481244019329 |
Front | Na dotaz | Zadat poptávku | |
| 021 1 WHR104450 |
C00340845
481244019331 |
Flap Filter | Na dotaz | Zadat poptávku | |
| 024 0 WHR104450 |
C00341521
481244018997 |
PANEL, REAR | Na dotaz | Zadat poptávku | |
| 025 0 WHR104450 |
C00555288
481244018989 |
HOLDER CONTROL.. | Na dotaz | Zadat poptávku | |
| 030 0 WHR104450 |
C00335667
481231038181 |
Table top | Na dotaz | Zadat poptávku | |
| 040 0 WHR104450 |
C00312018
481241718787 |
Závěs dveří pračky | 625 Kč
€ 25.60 |
||
| 053 0 WHR104450 |
C00497145
481245938011 |
Plinth | Na dotaz | Zadat poptávku | |
| 061 1 WHR104450 |
C00343073
481246688463 |
Counter weight SS-TUB,1000,1200 | Na dotaz | Zadat poptávku | |
| 080 0 WHR104450 |
C00529739
481246648061 |
Shock absorber SS-TUB SS-TUB 600-1000 | Na dotaz | Zadat poptávku | |
| 084 0 WHR104450 |
C00330907
481246658001 |
drzak pruziny agreg. | Na dotaz | Zadat poptávku | |
| 086 0 WHR104450 |
C00316610
481240118409 |
Holder Shock Absorber | Na dotaz | Zadat poptávku | |
| 086 2 WHR104450 |
C00314527
481240118412 |
pojistka tlumice | 333 Kč
€ 13.60 |
||
| 110 0 WHR104450 |
C00339968
481249818139 |
Handle,door white | Na dotaz | Zadat poptávku | |
| 130 0 WHR104450 |
C00312433
481241728046 |
Lock Door | Na dotaz | Zadat poptávku | |
| 130 1 WHR104450 |
C00312243
481241728045 |
osa uzaveru dveri | 43 Kč
€ 1.80 |
||
| 131 0 WHR104450 |
C00318057
481241728047 |
desticka uzaveru dv. | 27 Kč
€ 1.10 |
||
| 131 1 WHR104450 |
C00329782
481241728048 |
Plate Doorlock LowerDoorlock Lower | Na dotaz | Zadat poptávku | |
| 141 0 WHR104450 |
C00339065
481245068218 |
Door glass | Na dotaz | Zadat poptávku | |
| 143 0 WHR104450 |
C00340314
481244018988 |
Glassdoor frame white | Na dotaz | Zadat poptávku | |
| 144 0 WHR104450 |
C00340711
481245928043 |
Frame,door glas | Na dotaz | Zadat poptávku | |
| 144 1 WHR104450 |
C00345878
481249818137 |
Knob Door safetyDoor safety | Na dotaz | Zadat poptávku | |
| 144 2 WHR104450 |
C00318221
481249258023 |
Spring Door Safety | Na dotaz | Zadat poptávku | |
| 144 3 WHR104450 |
C00313732
481229068153 |
drzak pojistky | Na dotaz | Zadat poptávku | |
| 190 0 WHR104450 |
C00319757
481246668557 |
Door bellow DELTA EPDM | Na dotaz | Zadat poptávku | |
| 190 1 WHR104450 |
C00335947
481249218015 |
Strap Fix. Bellow | Na dotaz | Zadat poptávku | |
| 190 2 WHR104450 |
C00311875
481249298011 |
spona TVO - přední stěna | 111 Kč
€ 4.50 |
||
| 200 0 WHR104450 |
C00337457
481241818181 |
Tub | Na dotaz | Zadat poptávku | |
| 201 0 WHR104450 |
C00344300
481246448002 |
Bočnice nádrže pračky Whirlpool / Bauknecht | 3 087 Kč
€ 126.30 |
||
| 210 0 WHR104450 |
C00486291
481252018011 |
Crosspiece Agg. 1 Agg. 1 | Na dotaz | Zadat poptávku | |
| 220 0 WHR104450 |
C00497801
481241818178 |
NAHRADA 481241818512 | Na dotaz | Zadat poptávku | |
| 228 0 WHR104450 |
C00591682
481241818094 |
Crosspiece,drum. | Na dotaz | Zadat poptávku | |
| 271 0 WHR104450 |
C00344354
481235818157 |
Řemen PV 1254 J4 pračky Whirlpool | 502 Kč
€ 20.50 |
||
| 272 0 WHR104450 |
C00337074
481252858004 |
Pulley | Na dotaz | Zadat poptávku | |
| 272 1 WHR104450 |
C00344074
481253228006 |
pouzdro plastove | Na dotaz | Zadat poptávku | |
| 292 0 WHR104450 |
C00340417
481253058003 |
tesneni bocnice | 391 Kč
€ 16.00 |
||
| 301 0 WHR104450 |
C00594439
481245219337 |
Control panel SERVICE. | Na dotaz | Zadat poptávku | |
| 303 0 WHR104450 |
C00498527
481249818138 |
Handle, drawer | Na dotaz | Zadat poptávku | |
| 322 0 WHR104450 |
C00778788
481245219672 |
Insert panel WA 3363-B | Na dotaz | Zadat poptávku | |
| 324 0 WHR104450 |
C00338357
481244018992 |
Lid Rearcover | Na dotaz | Zadat poptávku | |
| 331 0 WHR104450 |
C00338580
481241348222 |
Knob | Na dotaz | Zadat poptávku | |
| 331 1 WHR104450 |
C00636641
481241318191 |
ADAPTER F. KNOB. | Na dotaz | Zadat poptávku | |
| 332 0 WHR104450 |
C00527604
481241028546 |
Push button Start Start | Na dotaz | Zadat poptávku | |
| 332 1 WHR104450 |
C00591676
481241348225 |
Push button Right. | Na dotaz | Zadat poptávku | |
| 332 2 WHR104450 |
C00591675
481241318195 |
Push button Middle. | Na dotaz | Zadat poptávku | |
| 332 3 WHR104450 |
C00591678
481241348226 |
Push button Left. | Na dotaz | Zadat poptávku | |
| 342 0 WHR104450 |
C00488803
481241318192 |
Program indic. | Na dotaz | Zadat poptávku | |
| 342 1 WHR104450 |
C00482560
481227888006 |
Slide Indicator | Na dotaz | Zadat poptávku | |
| 342 2 WHR104450 |
C00491643
481241318212 |
Cam indicator | Na dotaz | Zadat poptávku | |
| 342 3 WHR104450 |
C00480768
481241318194 |
Spring | Na dotaz | Zadat poptávku | |
| 354 1 WHR104450 |
C00591607
481213448216 |
Pilot lamp. | Na dotaz | Zadat poptávku | |
| 401 0 WHR104450 |
C00341661
481236158093 |
Motor MCA52/148-1200 | Na dotaz | Zadat poptávku | |
| 401 1 WHR104450 |
C00311127
481236248004 |
Brush,carbon, Motor CESET | Na dotaz | Zadat poptávku | |
| 421 0 WHR104450 |
C00326769
481212118142 |
Interf.filter 1,00 uF1,00 uF. | Na dotaz | Zadat poptávku | |
| 430 0 WHR104450 |
C00337062
481236018362 |
PUMP | Na dotaz | Zadat poptávku | |
| 451 0 WHR104450 |
C00339927
481225928669 |
Topné těleso pračky Whirlpool 2050 W s NTC čidlem | 955 Kč
€ 39.10 |
||
| 490 0 WHR104450 |
C00316393
481932118136 |
Flexo kabel 2 m, konektory | Na dotaz | Zadat poptávku | |
| 490 1 WHR104450 |
C00309418
481232128367 |
Přechodka | 324 Kč
€ 13.30 |
||
| 504 0 WHR104450 |
C00555000
481231018417 |
PROGRAMATOR EC4489 | Na dotaz | Zadat poptávku | |
| 581 0 WHR104450 |
C00591616
481227128365 |
Pressostat. | Na dotaz | Zadat poptávku | |
| 620 0 WHR104450 |
C00482535
481227618255 |
Module BK-TIMER 3 5+6OPT. | Na dotaz | Zadat poptávku | |
| 623 0 WHR104450 |
C00317471
481227138358 |
mikrospinac plovaku | 745 Kč
€ 30.50 |
||
| 623 1 WHR104450 |
C00315271
481236058112 |
Plovák hladinového spínače pračky Whirlpool, Bauknecht | 186 Kč
€ 7.60 |
||
| 630 0 WHR104450 |
C00315131
481228058019 |
Door lock | Na dotaz | Zadat poptávku | |
| 653 0 WHR104450 |
C00591603
481213448189 |
Guide,light On/Off. | Na dotaz | Zadat poptávku | |
| 653 1 WHR104450 |
C00591604
481213448194 |
Guide,light 4x. | Na dotaz | Zadat poptávku | |
| 653 2 WHR104450 |
C00526799
481213448193 |
Guide,light 2x 2x | Na dotaz | Zadat poptávku | |
| 653 3 WHR104450 |
C00591605
481213448195 |
Guide,light 6x. | Na dotaz | Zadat poptávku | |
| 701 0 WHR104450 |
C00498604
481253018002 |
HADICA PRIVOD. AQUA, AWM031 gum | Na dotaz | Zadat poptávku | |
| 701 0 WHR104450 |
C00498613
481253028808 |
HADICA PRIVODOVA AQUA AWM031 N | Na dotaz | Zadat poptávku | |
| 701 1 WHR104450 |
C00316490
481946669704 |
tesneni + sitko | 173 Kč
€ 7.10 |
||
| 702 0 WHR104450 |
C00556323
481953029017 |
HADICA AWM248/10000 GUM. N | Na dotaz | Zadat poptávku | |
| 703 0 WHR104450 |
C00339480
481253048162 |
Hose | Na dotaz | Zadat poptávku | |
| 707 0 WHR104450 |
C00317102
481252648031 |
Tryska násypky pračky | 104 Kč
€ 4.30 |
||
| 707 1 WHR104450 |
C00332324
481252648028 |
Tryska násypky pračky | Na dotaz | Zadat poptávku | |
| 708 1 WHR104450 |
C00344350
481253048141 |
Bend | Na dotaz | Zadat poptávku | |
| 710 2 WHR104450 |
C00498636
481253048161 |
Fitting | Na dotaz | Zadat poptávku | |
| 710 4 WHR104450 |
C00332649
481253078011 |
podlozka trysky spr. | Na dotaz | Zadat poptávku | |
| 711 0 WHR104450 |
C00553546
481241888032 |
Dispenser.. | Na dotaz | Zadat poptávku | |
| 712 0 WHR104450 |
C00317123
481241888029 |
Drawer DetergentDetergent | Na dotaz | Zadat poptávku | |
| 713 0 WHR104450 |
C00317121
481241888019 |
vlozka nasypky klap. | Na dotaz | Zadat poptávku | |
| 717 0 WHR104450 |
C00344286
481241878925 |
Bovden komplet | Na dotaz | Zadat poptávku | |
| 717 1 WHR104450 |
C00328523
481232138013 |
Páčka trysky násypky | Na dotaz | Zadat poptávku | |
| 717 2 WHR104450 |
C00328522
481232138012 |
drzak | 26 Kč
€ 1.10 |
||
| 717 3 WHR104450 |
C00336270
481227888007 |
posouvac | Na dotaz | Zadat poptávku | |
| 717 5 WHR104450 |
C00342864
481231018381 |
Cam | Na dotaz | Zadat poptávku | |
| 718 0 WHR104450 |
C00318585
481252648027 |
viko prepadu nasypky | 54 Kč
€ 2.20 |
||
| 718 1 WHR104450 |
C00314031
481241888018 |
ovladac | 396 Kč
€ 16.20 |
||
| 750 0 WHR104450 |
C00332502
481253048139 |
Expanzní nádoba pračky Whirlpool, Bauknecht | 141 Kč
€ 5.80 |
||
| 753 1 WHR104450 |
C00342744
481241868125 |
Chamber,air | Na dotaz | Zadat poptávku | |
| 754 0 WHR104450 |
C00498615
481253028838 |
HADICA NADRZ-CERPADLO/DELTA | Na dotaz | Zadat poptávku | |
| 756 0 WHR104450 |
C00555119
481236058101 |
Floater.. | Na dotaz | Zadat poptávku | |
| 760 0 WHR104450 |
C00340969
481248058085 |
Filter | Na dotaz | Zadat poptávku | |
| 781 0 WHR104450 |
C00312966
481953028959 |
Hose draining 1,5m. | Na dotaz | Zadat poptávku | |
| 781 1 WHR104450 |
C00498614
481253028818 |
HADICA CERPADLO-KOMORA/D | Na dotaz | Zadat poptávku | |
| 783 0 WHR104450 |
C00339268
481253028816 |
Hose Pressostat | Na dotaz | Zadat poptávku | |
| 783 1 WHR104450 |
C00332412
481253028822 |
hadice násypka-přepad | Na dotaz | Zadat poptávku | |
| 783 3 WHR104450 |
C00310140
481253018001 |
Connection Part | Na dotaz | Zadat poptávku | |
| 786 0 WHR104450 |
C00555639
481253028852 |
HOSE BK,WH,BI.. | Na dotaz | Zadat poptávku | |
| 786 1 WHR104450 |
C00498413
481246279641 |
Stopper | Na dotaz | Zadat poptávku | |
| 786 2 WHR104450 |
C00591847
481246279642 |
Threaded cap. | Na dotaz | Zadat poptávku | |
| 786 3 WHR104450 |
C00339392
481253028809 |
Hose Aqua-Stop | Na dotaz | Zadat poptávku | |
| 787 0 WHR104450 |
C00332411
481253028819 |
Hose with hole (exhaust) | Na dotaz | Zadat poptávku | |
| 794 2 WHR104450 |
C00337979
481253058005 |
O-Ring | Na dotaz | Zadat poptávku | |
| 794 5 WHR104450 |
C00498646
481253058015 |
Gasket | Na dotaz | Zadat poptávku | |
| 901 0 WHR104450 |
C00343364
481240118054 |
Clamp hose | Na dotaz | Zadat poptávku | |
| 901 2 WHR104450 |
C00311047
481240118157 |
spona 33-55 | 117 Kč
€ 4.80 |
||
| 901 3 WHR104450 |
C00316612
481240118414 |
SPONA39,7 | 37 Kč
€ 1.50 |
||
| 902 1 WHR104450 |
C00327119
481225518204 |
Vnější držák hadic pračky Whirlpool | Na dotaz | Zadat poptávku | |
| 903 0 WHR104450 |
C00344192
481229088043 |
Bracket Door lock | Na dotaz | Zadat poptávku | |
| 903 5 WHR104450 |
C00327310
481229088048 |
Cable clamp | Na dotaz | Zadat poptávku | |
| 903 9 WHR104450 |
C00343868
481229088046 |
Cable clamp | Na dotaz | Zadat poptávku | |
| 904 0 WHR104450 |
C00336812
481252958002 |
Rivet Base | Na dotaz | Zadat poptávku | |
| 910 0 WHR104450 |
C00331290
481245218994 |
Screw M8x20 A2F | Na dotaz | Zadat poptávku | |
| 910 1 WHR104450 |
C00336705
481950218417 |
sroub remenice NT | Na dotaz | Zadat poptávku | |
| 910 5 WHR104450 |
C00336591
481250218359 |
Screw damper | Na dotaz | Zadat poptávku | |
| 911 7 WHR104450 |
C00332781
481290308014 |
sroub M5x16 H | Na dotaz | Zadat poptávku | |
| 912 0 WHR104450 |
C00336566
481250218361 |
Screw M8x30 | Na dotaz | Zadat poptávku | |
| 921 0 WHR104450 |
C00492094
481253078002 |
Ring circlip | Na dotaz | Zadat poptávku | |
| 923 0 WHR104450 |
C00337249
481253218024 |
PODLOZKA | Na dotaz | Zadat poptávku | |
| 931 0 WHR104450 |
C00336071
481249238357 |
Spring SuspensionSuspension | Na dotaz | Zadat poptávku | |
| 932 3 WHR104450 |
C00312651
481249258022 |
Pružina uzávěru dveří | 237 Kč
€ 9.70 |
||
| 932 5 WHR104450 |
C00312356
481249238359 |
Pružina trysky násypky | 13 Kč
€ 0.50 |
||
| 941 0 WHR104450 |
C00497385
481231018365 |
loziska sada | Na dotaz | Zadat poptávku | |
| 941 1 WHR104450 |
C00315098
481252028002 |
Ložisko 6203 SKF 2Z C3 | 173 Kč
€ 7.10 |
||
| 953 0 WHR104450 |
C00320177
481253068001 |
tesneni bubnu VA-40 | 564 Kč
€ 23.10 |
||
| 961 0 WHR104450 |
C00330912
481246668545 |
Záslepka otvoru po zajišťovacím šroubu bubnu pračky Whirlpool | 206 Kč
€ 8.40 |
||
| 962 0 WHR104450 |
C00342374
481246638011 |
Cover protect. heating element | Na dotaz | Zadat poptávku | |
| 993 0 WHR104450 |
C00344289
481253048017 |
Bow | Na dotaz | Zadat poptávku | |
| 993 2 WHR104450 |
C00342139
481231018435 |
Distance sleeve BK ser | Na dotaz | Zadat poptávku | |
| 993 3 WHR104450 |
C00328868
481239558004 |
klic montazni | Na dotaz | Zadat poptávku | |