BAUKNECHT WA 5341
 
             
                 
                
    Zeptejte se. Rádi poradíme.
    
        
            
                
                     
              
        
        
            
    
    
             
            Marek Proche
                    
Zákaznická podpora
            
Po–Čt 8:00—17:00
                
Pá 8:00—15:00             
            
        
            
        poradna@servis-whirlpool.cz     
    
    
| Komerční kód: | WA 5341 | 
| Kód 12NC: | 855433116700 | 
| I.C. kód: | 855433116705 | 
| Značka: | BAUKNECHT | 
| Typ produktu: | Pračky | 
| Další podobné modely: | 855433116700, 855433116701, 855433116703, 855433116704 | 
Potřebujete servis? Jsme tady pro Vás
Nabídka náhradních dílů
| Číslo | Kód | Název | Cena | ||
|---|---|---|---|---|---|
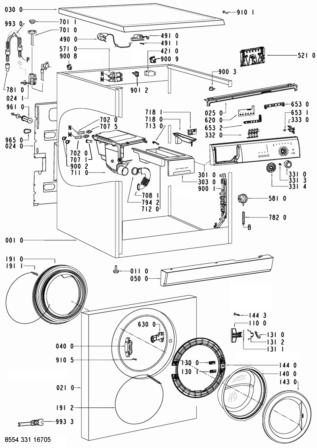
| 001 0 WHR08785 | C00321034 480111101727 | skrin | Na dotaz | Zadat poptávku | |
| 011 0 WHR08785 | C00330679 481246248421 | Adjust.foot | Na dotaz | Zadat poptávku | |
| 021 0 WHR08785 | C00311725 481244011564 | stena predni | 2 720 Kč € 111.60 | ||
| 024 0 WHR08785 | C00316521 481244011544 | stena zadni | 1 472 Kč € 60.40 | ||
| 024 1 WHR08785 | C00331035 481244138021 | Holder hose outlet | Na dotaz | Zadat poptávku | |
| 025 0 WHR08785 | C00316513 481244011472 | Support control board | Na dotaz | Zadat poptávku | |
| 030 0 WHR08785 | C00317161 481244011473 | deska horni GW | Na dotaz | Zadat poptávku | |
| 040 0 WHR08785 | C00312018 481241718787 | Hinge BK | Na dotaz | Zadat poptávku | |
| 050 0 WHR08785 | C00312706 481244010779 | sokl pracky GW | Na dotaz | Zadat poptávku | |
| 061 0 WHR08785 | C00313390 481246689017 | Counter weight upper, Eureka 50-54l | Na dotaz | Zadat poptávku | |
| 061 1 WHR08785 | C00312927 481246689018 | Counter weight front, bottom, Eureka 50l | Na dotaz | Zadat poptávku | |
| 061 2 WHR08785 | C00312077 481231039249 | sroub+podlozka | 81 Kč € 3.30 | ||
| 081 0 WHR08785 | C00313078 480111102361 | Tlumič pračky Whirlpool FSCR | 432 Kč € 17.70 | ||
| 084 0 WHR08785 | C00330907 481246658001 | drzak pruziny agreg. | Na dotaz | Zadat poptávku | |
| 110 0 WHR08785 | C00345886 481249818738 | rukojet dveri | Na dotaz | Zadat poptávku | |
| 130 0 WHR08785 | C00318057 481241728047 | desticka uzaveru dv. | 27 Kč € 1.10 | ||
| 130 1 WHR08785 | C00318073 481241728108 | podlozka | 380 Kč € 15.60 | ||
| 131 0 WHR08785 | C00312433 481241728046 | Lock Door | Na dotaz | Zadat poptávku | |
| 131 1 WHR08785 | C00312243 481241728045 | osa uzaveru dveri | 143 Kč € 5.90 | ||
| 131 2 WHR08785 | C00312651 481249258022 | Pružina uzávěru dveří | 237 Kč € 9.70 | ||
| 140 0 WHR08785 | C00311241 481245059812 | Sklo dveří | 2 067 Kč € 84.80 | ||
| 143 0 WHR08785 | C00328044 481244011577 | Glassdoor frame BK | Na dotaz | Zadat poptávku | |
| 144 0 WHR08785 | C00317167 481244011575 | Frame door glas | Na dotaz | Zadat poptávku | |
| 144 3 WHR08785 | C00332081 481250218516 | Screw 4,2 x 13 | Na dotaz | Zadat poptávku | |
| 191 0 WHR08785 | C00311125 481246068633 | Těsnění dveří, manžeta pračky Whirlpool | 350 Kč € 14.40 | ||
| 191 1 WHR08785 | C00312650 481249218028 | spona TVO - vnitřní | 54 Kč € 2.20 | ||
| 191 2 WHR08785 | C00318256 481953058059 | spona TVO predni st. | Na dotaz | Zadat poptávku | |
| 200 0 WHR08785 | C00314930 480111101507 | Wash unit EUREKA/1200/50L | Na dotaz | Zadat poptávku | |
| 223 0 WHR08785 | C00313239 481241848978 | Drum lifter eureka 50lt | Na dotaz | Zadat poptávku | |
| 271 0 WHR08785 | C00311752 481235818214 | Belt eureka 50lt | Na dotaz | Zadat poptávku | |
| 272 0 WHR08785 | C00311999 480111102563 | Řemenice bubnu | 1 090 Kč € 44.70 | ||
| 272 3 WHR08785 | C00313276 481250218817 | sroub remenice | Na dotaz | Zadat poptávku | |
| 301 0 WHR08785 | C00427127 480111102957 | Control panel + handle drawer | Na dotaz | Zadat poptávku | |
| 303 0 WHR08785 | C00426501 480111102132 | Handle, drawer | Na dotaz | Zadat poptávku | |
| 331 0 WHR08785 | C00457965 481241458321 | Knob timer BK | Na dotaz | Zadat poptávku | |
| 331 3 WHR08785 | C00311525 481241458307 | Unašeč knoflíku AWO/D | 399 Kč € 16.40 | ||
| 331 4 WHR08785 | C00329530 481241458317 | Knob timer ring-VB 06 | Na dotaz | Zadat poptávku | |
| 332 0 WHR08785 | C00457758 481241029499 | Push button 4opt. | Na dotaz | Zadat poptávku | |
| 333 0 WHR08785 | C00314700 481251318177 | Tlačítko start-reset | 437 Kč € 17.90 | ||
| 400 0 WHR08785 | C00320847 481236158522 | motor | 3 759 Kč € 154.20 | ||
| 400 1 WHR08785 | C00332143 481250218816 | Screw P8x50 | Na dotaz | Zadat poptávku | |
| 409 0 WHR08785 | C00311127 481236248004 | Brush,carbon, Motor CESET | Na dotaz | Zadat poptávku | |
| 421 0 WHR08785 | C00311350 481212118285 | Filtr odrušovací 1 uF | 294 Kč € 12.10 | ||
| 430 0 WHR08785 | C00310955 480111100786 | Pump,draining | Na dotaz | Zadat poptávku | |
| 451 0 WHR08785 | C00318278 481225928919 | Heating element 2050W, 230V + NTC | Na dotaz | Zadat poptávku | |
| 480 0 WHR08785 | C00313012 480111100719 | Kabeláž Motor 7-pole DOMINO | 764 Kč € 31.30 | ||
| 490 0 WHR08785 | C00493173 481232128368 | Connect.cable CH | Na dotaz | Zadat poptávku | |
| 491 0 WHR08785 | C00309418 481232128367 | Přechodka | 324 Kč € 13.30 | ||
| 491 1 WHR08785 | C00318425 481250238152 | Screw 4.8x19 | Na dotaz | Zadat poptávku | |
| 521 0 WHR08785 | C00313463 480111102822 | Control unit | Na dotaz | Zadat poptávku | |
| 521 0 WHR08785 | C00427126 480111102956 | Control unit DOMINO, prog-eSam | Na dotaz | Zadat poptávku | |
| 571 0 WHR08785 | C00311060 481227128558 | Napouštěcí ventil pračky - dvoucestný, rohový | 222 Kč € 9.10 | ||
| 581 0 WHR08785 | C00311217 481227128554 | Presostat pračky | 207 Kč € 8.50 | ||
| 620 0 WHR08785 | C00309354 481223958046 | jednotka ovladaci | 2 783 Kč € 114.20 | ||
| 630 0 WHR08785 | C00311250 481228058048 | Door lock Rold DA069516 | Na dotaz | Zadat poptávku | |
| 653 0 WHR08785 | C00326821 481213418064 | Light guide prog. flow | Na dotaz | Zadat poptávku | |
| 653 1 WHR08785 | C00314404 481213418047 | kolik | 175 Kč € 7.20 | ||
| 653 2 WHR08785 | C00455000 481213418076 | Guide,light 4opt. | Na dotaz | Zadat poptávku | |
| 691 0 WHR08785 | C00313117 481228219485 | senzor NTC | 857 Kč € 35.20 | ||
| 701 0 WHR08785 | C00309500 481953028928 | hadice napousteci | Na dotaz | Zadat poptávku | |
| 701 1 WHR08785 | C00316490 481946669704 | tesneni + sitko | 173 Kč € 7.10 | ||
| 702 0 WHR08785 | C00315519 481253029405 | hadice od ventilu | 108 Kč € 4.40 | ||
| 707 1 WHR08785 | C00330775 481246279955 | Threaded cap for dispenser | Na dotaz | Zadat poptávku | |
| 707 5 WHR08785 | C00327352 481231019102 | Tryska násypky pračky | 303 Kč € 12.40 | ||
| 708 1 WHR08785 | C00313076 481253049392 | Hadice násypka-nádrž pračky Whirlpool | 534 Kč € 21.90 | ||
| 711 0 WHR08785 | C00311070 481241868391 | teleso nasypky | 1 697 Kč € 69.60 | ||
| 712 0 WHR08785 | C00313225 481241868389 | Zásuvka násypky | Na dotaz | Zadat poptávku | |
| 713 0 WHR08785 | C00312158 481241868382 | Pojistka násypky | 305 Kč € 12.50 | ||
| 718 0 WHR08785 | C00312808 481252648226 | Dávkovač aviváže | Na dotaz | Zadat poptávku | |
| 718 1 WHR08785 | C00314043 481241889066 | separator do nasypky | 1 187 Kč € 48.70 | ||
| 754 0 WHR08785 | C00313144 481253029495 | Hadice čerpadlo - nádrž pračky Whirlpool | 638 Kč € 26.20 | ||
| 754 1 WHR08785 | C00309391 481253028832 | Kulička hadice mezi vanou a čerpadlem pračky Whirpool | 894 Kč € 36.70 | ||
| 760 0 WHR08785 | C00312342 481248058385 | Filtr čerpadla Whirlpool AWO/D | 365 Kč € 15.00 | ||
| 781 0 WHR08785 | C00311421 480111100272 | Hadice výtoková Náhrada C00637045 | Na dotaz | Zadat poptávku | |
| 782 0 WHR08785 | C00312246 481253029497 | Hadice k presostatu pračky Whirlpool | 50 Kč € 2.10 | ||
| 794 2 WHR08785 | C00318107 481240118549 | Clamp hose | Na dotaz | Zadat poptávku | |
| 900 1 WHR08785 | C00327322 481229088123 | Bracket eureka | Na dotaz | Zadat poptávku | |
| 900 2 WHR08785 | C00328881 481240118501 | Svorka hadice 1 | 87 Kč € 3.60 | ||
| 900 3 WHR08785 | C00328874 481240118446 | Cable clamp | Na dotaz | Zadat poptávku | |
| 900 4 WHR08785 | C00316612 481240118414 | SPONA39,7 | 37 Kč € 1.50 | ||
| 900 5 WHR08785 | C00309461 481940118529 | Spona nádrž-čerpadlo | 105 Kč € 4.30 | ||
| 900 8 WHR08785 | C00320945 480111100143 | Holder hose right | Na dotaz | Zadat poptávku | |
| 900 9 WHR08785 | C00327126 481225518286 | Holder Hose outlet left | Na dotaz | Zadat poptávku | |
| 901 2 WHR08785 | C00327313 481229088077 | Cable clamp | Na dotaz | Zadat poptávku | |
| 910 1 WHR08785 | C00332163 481250248344 | Šroub | Na dotaz | Zadat poptávku | |
| 910 5 WHR08785 | C00312157 481250218815 | Šroub | 62 Kč € 2.50 | ||
| 930 0 WHR08785 | C00345873 481249238421 | Pružina nádrže | Na dotaz | Zadat poptávku | |
| 961 0 WHR08785 | C00333324 481953268829 | Vložka vymezovací | 305 Kč € 12.50 | ||
| 965 0 WHR08785 | C00330912 481246668545 | Záslepka otvoru po zajišťovacím šroubu bubnu pračky Whirlpool | 206 Kč € 8.40 | ||
| 993 0 WHR08785 | C00316831 481953029028 | Ohyb plastový/držák vypouštěcí hadice pračky | Na dotaz | Zadat poptávku | |
| 993 3 WHR08785 | C00328868 481239558004 | klic montazni | 64 Kč € 2.60 | ||
| 999 WHR08786 | C00364608 | Testprogram WHP | Na dotaz | Zadat poptávku | |