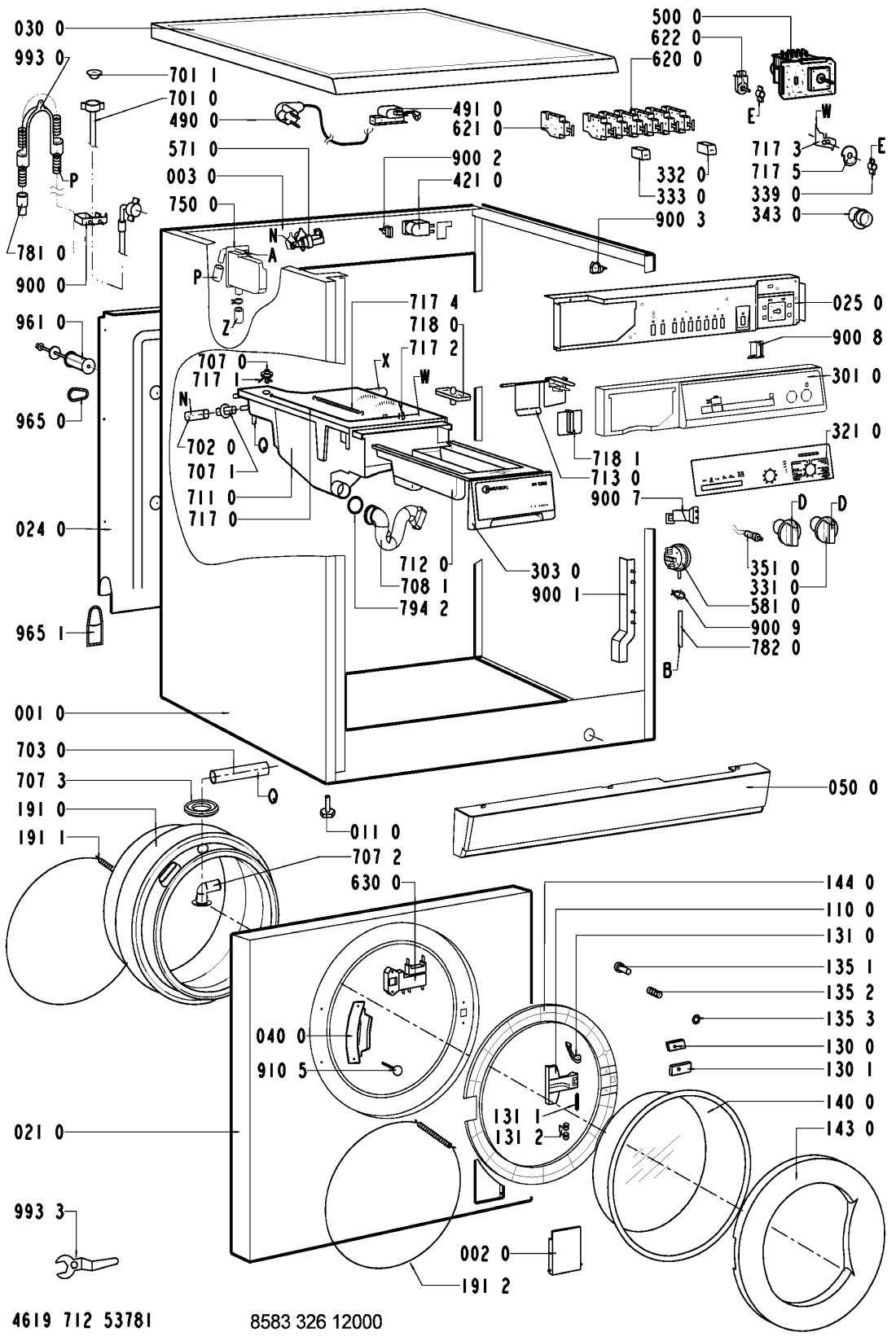
BAUKNECHT WA 5541 - NL WASHING MACHINES BK
Zeptejte se. Rádi poradíme.
Marek Proche
Zákaznická podpora
Po–Čt 8:00—17:00
Pá 8:00—15:00
poradna@servis-whirlpool.cz
| Komerční kód: | WA 5541 - NL WASHING MACHINES BK |
| Kód 12NC/I.C. kód: | 858332612000 |
| Značka: | BAUKNECHT |
| Typ produktu: | Pračky |
Potřebujete servis? Jsme tady pro Vás
Nabídka náhradních dílů
| Číslo | Kód | Název | Cena | ||
|---|---|---|---|---|---|
| 001 0 WHR76430 |
C00343946
481244018996 |
Cabinet | Na dotaz | Zadat poptávku | |
| 002 0 WHR76430 |
C00340845
481244019331 |
Flap Filter | Na dotaz | Zadat poptávku | |
| 003 0 WHR76430 |
C00342257
481246448112 |
pricka skrine zadni | Na dotaz | Zadat poptávku | |
| 011 0 WHR76430 |
C00340775
481250018068 |
Nastavitelná noha pračky | Na dotaz | Zadat poptávku | |
| 021 0 WHR76430 |
C00340697
481244019329 |
Front | Na dotaz | Zadat poptávku | |
| 024 0 WHR76430 |
C00328103
481244018998 |
Stěna přední AWM250 | Na dotaz | Zadat poptávku | |
| 025 0 WHR76430 |
C00339540
481244018994 |
Holder WA-DE-IG-BK | Na dotaz | Zadat poptávku | |
| 030 0 WHR76430 |
C00335667
481231038181 |
Table top | Na dotaz | Zadat poptávku | |
| 040 0 WHR76430 |
C00312018
481241718787 |
Závěs dveří pračky | 625 Kč
€ 25.70 |
||
| 050 0 WHR76430 |
C00337672
481245938021 |
Plinth OMEGA | Na dotaz | Zadat poptávku | |
| 061 0 WHR76430 |
C00343070
481246688458 |
zavazi horni | Na dotaz | Zadat poptávku | |
| 061 1 WHR76430 |
C00343085
481246688459 |
Counter weight front | Na dotaz | Zadat poptávku | |
| 061 2 WHR76430 |
C00332868
481931039227 |
sroub do zavazi sada | Na dotaz | Zadat poptávku | |
| 061 3 WHR76430 |
C00320457
481931039228 |
Mounting kit Weight bottom | Na dotaz | Zadat poptávku | |
| 081 0 WHR76430 |
C00312055
481252918038 |
Shock absorber until 1200 | Na dotaz | Zadat poptávku | |
| 084 0 WHR76430 |
C00330907
481246658001 |
drzak pruziny agreg. | Na dotaz | Zadat poptávku | |
| 086 0 WHR76430 |
C00316610
481240118409 |
Holder Shock Absorber | Na dotaz | Zadat poptávku | |
| 086 2 WHR76430 |
C00314527
481240118412 |
pojistka tlumice | 333 Kč
€ 13.70 |
||
| 110 0 WHR76430 |
C00339968
481249818139 |
Handle,door white | Na dotaz | Zadat poptávku | |
| 130 0 WHR76430 |
C00318057
481241728047 |
desticka uzaveru dv. | 27 Kč
€ 1.10 |
||
| 130 1 WHR76430 |
C00329782
481241728048 |
Plate Doorlock LowerDoorlock Lower | Na dotaz | Zadat poptávku | |
| 131 0 WHR76430 |
C00312433
481241728046 |
Lock Door | Na dotaz | Zadat poptávku | |
| 131 1 WHR76430 |
C00312243
481241728045 |
osa uzaveru dveri | 143 Kč
€ 5.90 |
||
| 131 2 WHR76430 |
C00312651
481249258022 |
Pružina uzávěru dveří | 237 Kč
€ 9.80 |
||
| 135 1 WHR76430 |
C00345878
481249818137 |
Knob Door safetyDoor safety | Na dotaz | Zadat poptávku | |
| 135 2 WHR76430 |
C00318221
481249258023 |
Spring Door Safety | Na dotaz | Zadat poptávku | |
| 135 3 WHR76430 |
C00313732
481229068153 |
drzak pojistky | Na dotaz | Zadat poptávku | |
| 140 0 WHR76430 |
C00339065
481245068218 |
Door glass | Na dotaz | Zadat poptávku | |
| 143 0 WHR76430 |
C00340314
481244018988 |
Glassdoor frame white | Na dotaz | Zadat poptávku | |
| 144 0 WHR76430 |
C00314075
481244019589 |
priruba dveri | 1 184 Kč
€ 48.70 |
||
| 191 0 WHR76430 |
C00373762
481246668574 |
Manžeta / těsnění dveří pračky Bauknecht, Ignis | 1 122 Kč
€ 46.20 |
||
| 191 1 WHR76430 |
C00313764
481249218017 |
spona TVO - vnitřní | 149 Kč
€ 6.10 |
||
| 191 2 WHR76430 |
C00311875
481249298011 |
spona TVO - přední stěna | 111 Kč
€ 4.60 |
||
| 200 1 WHR76430 |
C00337424
481241818214 |
TUB, HALF FRONT 48L,12 | Na dotaz | Zadat poptávku | |
| 200 2 WHR76430 |
C00636322
481241818208 |
TUB REAR PART. | Na dotaz | Zadat poptávku | |
| 200 3 WHR76430 |
C00339179
481252018065 |
Ložiskový domek AWM 250 | Na dotaz | Zadat poptávku | |
| 200 4 WHR76430 |
C00314317
481229088054 |
Spona nádrže | 378 Kč
€ 15.60 |
||
| 220 0 WHR76430 |
C00312242
481241818191 |
Drum 1200 0,5MM PP 48L | Na dotaz | Zadat poptávku | |
| 271 0 WHR76430 |
C00311078
481235818056 |
Řemen PV 1250 J4 EL pračky Whirlpool | 100 Kč
€ 4.10 |
||
| 272 0 WHR76430 |
C00337067
481252858027 |
pulley DIAM.298DIAM.298 | Na dotaz | Zadat poptávku | |
| 272 2 WHR76430 |
C00337249
481253218024 |
PODLOZKA | Na dotaz | Zadat poptávku | |
| 272 3 WHR76430 |
C00313776
481250518371 |
matice remenice | Na dotaz | Zadat poptávku | |
| 292 0 WHR76430 |
C00311501
481253058101 |
těsnění bočnice | 694 Kč
€ 28.60 |
||
| 301 0 WHR76430 |
C00605179
481245219523 |
Control panel 4+1. | Na dotaz | Zadat poptávku | |
| 303 0 WHR76430 |
C00498527
481249818138 |
Handle, drawer | Na dotaz | Zadat poptávku | |
| 321 0 WHR76430 |
C00482997
481245210361 |
Control panel WA 5541 | Na dotaz | Zadat poptávku | |
| 331 0 WHR76430 |
C00338580
481241348222 |
Knob | Na dotaz | Zadat poptávku | |
| 332 0 WHR76430 |
C00491591
481241028543 |
krytka tlacitka | Na dotaz | Zadat poptávku | |
| 333 0 WHR76430 |
C00587027
481241028544 |
Push button Start. | Na dotaz | Zadat poptávku | |
| 339 0 WHR76430 |
C00384462
481241318239 |
Shaft DE-BK | Na dotaz | Zadat poptávku | |
| 343 0 WHR76430 |
C00491643
481241318212 |
Cam indicator | Na dotaz | Zadat poptávku | |
| 351 0 WHR76430 |
C00341473
481213448243 |
Pilot lamp BK-SC1 | Na dotaz | Zadat poptávku | |
| 400 0 WHR76430 |
C00315331
481236158094 |
Motor 1000,1200 MCA52/ | Na dotaz | Zadat poptávku | |
| 400 1 WHR76430 |
C00336568
481250218401 |
sroub do zavazi | Na dotaz | Zadat poptávku | |
| 409 0 WHR76430 |
C00311127
481236248004 |
Brush,carbon, Motor CESET | Na dotaz | Zadat poptávku | |
| 421 0 WHR76430 |
C00326769
481212118142 |
Interf.filter 1,00 uF1,00 uF. | Na dotaz | Zadat poptávku | |
| 430 0 WHR76430 |
C00312598
481231018458 |
Pump SERVICE SET | Na dotaz | Zadat poptávku | |
| 451 0 WHR76430 |
C00557941
481225928758 |
NAHRADENE 481225928835 N | Na dotaz | Zadat poptávku | |
| 490 0 WHR76430 |
C00316393
481932118136 |
Flexo kabel 2 m, konektory | Na dotaz | Zadat poptávku | |
| 491 0 WHR76430 |
C00309418
481232128367 |
Přechodka | 324 Kč
€ 13.30 |
||
| 500 0 WHR76430 |
C00556477
481228218728 |
Timer.. | Na dotaz | Zadat poptávku | |
| 571 0 WHR76430 |
C00312238
481227128375 |
Napouštěcí ventil pračky - jednocestný, boční vývod | 546 Kč
€ 22.50 |
||
| 581 0 WHR76430 |
C00317379
481227128442 |
presostat | 1 176 Kč
€ 48.40 |
||
| 620 0 WHR76430 |
C00332969
481941028998 |
spinac | Na dotaz | Zadat poptávku | |
| 621 0 WHR76430 |
C00311780
481941029004 |
Spínač síťový | 128 Kč
€ 5.30 |
||
| 622 0 WHR76430 |
C00336785
481241348279 |
Rotary selector + potentiometer. | Na dotaz | Zadat poptávku | |
| 630 0 WHR76430 |
C00315131
481228058019 |
Door lock | Na dotaz | Zadat poptávku | |
| 691 0 WHR76430 |
C00317366
481228218702 |
senzor NTC | Na dotaz | Zadat poptávku | |
| 701 0 WHR76430 |
C00309500
481953028928 |
hadice napousteci | Na dotaz | Zadat poptávku | |
| 701 1 WHR76430 |
C00316490
481946669704 |
tesneni + sitko | 173 Kč
€ 7.10 |
||
| 702 0 WHR76430 |
C00313911
481953029019 |
Hadice ventil - násypka pračky Whirlpool, Ignis, Bauknecht | 105 Kč
€ 4.30 |
||
| 703 0 WHR76430 |
C00339480
481253048162 |
Hose | Na dotaz | Zadat poptávku | |
| 707 0 WHR76430 |
C00317102
481252648031 |
Tryska násypky pračky | 104 Kč
€ 4.30 |
||
| 707 1 WHR76430 |
C00332324
481252648028 |
Tryska násypky pračky | Na dotaz | Zadat poptávku | |
| 707 2 WHR76430 |
C00498636
481253048161 |
Fitting | Na dotaz | Zadat poptávku | |
| 707 3 WHR76430 |
C00332649
481253078011 |
podlozka trysky spr. | Na dotaz | Zadat poptávku | |
| 708 1 WHR76430 |
C00529916
481253048167 |
Bend BK, PL-TUB BK, PL-TUB | Na dotaz | Zadat poptávku | |
| 711 0 WHR76430 |
C00553546
481241888032 |
Dispenser.. | Na dotaz | Zadat poptávku | |
| 712 0 WHR76430 |
C00317123
481241888029 |
Drawer DetergentDetergent | Na dotaz | Zadat poptávku | |
| 713 0 WHR76430 |
C00317121
481241888019 |
vlozka nasypky klap. | Na dotaz | Zadat poptávku | |
| 717 0 WHR76430 |
C00344286
481241878925 |
Bovden komplet | Na dotaz | Zadat poptávku | |
| 717 1 WHR76430 |
C00328523
481232138013 |
Páčka trysky násypky | Na dotaz | Zadat poptávku | |
| 717 2 WHR76430 |
C00328522
481232138012 |
drzak | 26 Kč
€ 1.10 |
||
| 717 3 WHR76430 |
C00336270
481227888007 |
posouvac | Na dotaz | Zadat poptávku | |
| 717 4 WHR76430 |
C00312356
481249238359 |
Pružina trysky násypky | 13 Kč
€ 0.50 |
||
| 717 5 WHR76430 |
C00554980
481228218687 |
Cam.. | Na dotaz | Zadat poptávku | |
| 718 0 WHR76430 |
C00318585
481252648027 |
viko prepadu nasypky | 54 Kč
€ 2.20 |
||
| 718 1 WHR76430 |
C00314031
481241888018 |
ovladac | 396 Kč
€ 16.30 |
||
| 750 0 WHR76430 |
C00317158
481253048153 |
Chamber,expand. BUILT-IN | Na dotaz | Zadat poptávku | |
| 753 1 WHR76430 |
C00312723
481941868234 |
vzdusnik | Na dotaz | Zadat poptávku | |
| 754 0 WHR76430 |
C00312061
481253028826 |
Hadice nádrž-čerpadlo | Na dotaz | Zadat poptávku | |
| 754 1 WHR76430 |
C00309391
481253028832 |
Kulička hadice mezi vanou a čerpadlem pračky Whirpool | 894 Kč
€ 36.80 |
||
| 754 2 WHR76430 |
C00332413
481253028829 |
Flange eco | Na dotaz | Zadat poptávku | |
| 760 0 WHR76430 |
C00340969
481248058085 |
Filter | Na dotaz | Zadat poptávku | |
| 781 0 WHR76430 |
C00312966
481953028959 |
Hose draining 1,5m. | Na dotaz | Zadat poptávku | |
| 782 0 WHR76430 |
C00317136
481253028827 |
Hose Pressostat | Na dotaz | Zadat poptávku | |
| 783 3 WHR76430 |
C00310140
481253018001 |
Connection Part | Na dotaz | Zadat poptávku | |
| 783 4 WHR76430 |
C00498614
481253028818 |
HADICA CERPADLO-KOMORA/D | Na dotaz | Zadat poptávku | |
| 785 0 WHR76430 |
C00314984
481253028812 |
Hadice vypouštěcího čerpadla pračky Whirlpool, Bauknecht, Ignis | 584 Kč
€ 24.00 |
||
| 785 1 WHR76430 |
C00335472
481246279663 |
Threaded cap | Na dotaz | Zadat poptávku | |
| 787 0 WHR76430 |
C00315511
481253028813 |
hadice odparovaci | 447 Kč
€ 18.40 |
||
| 787 2 WHR76430 |
C00311047
481240118157 |
spona 33-55 | 117 Kč
€ 4.80 |
||
| 794 2 WHR76430 |
C00337979
481253058005 |
O-Ring | Na dotaz | Zadat poptávku | |
| 794 5 WHR76430 |
C00319466
481253058098 |
tesneni vzdusniku Náhrada 481010395017 |
Na dotaz | Zadat poptávku | |
| 900 0 WHR76430 |
C00327119
481225518204 |
Vnější držák hadic pračky Whirlpool | Na dotaz | Zadat poptávku | |
| 900 1 WHR76430 |
C00344192
481229088043 |
Bracket Door lock | Na dotaz | Zadat poptávku | |
| 900 2 WHR76430 |
C00343868
481229088046 |
Cable clamp | Na dotaz | Zadat poptávku | |
| 900 3 WHR76430 |
C00327310
481229088048 |
Cable clamp | Na dotaz | Zadat poptávku | |
| 900 4 WHR76430 |
C00316612
481240118414 |
SPONA39,7 | 37 Kč
€ 1.50 |
||
| 900 5 WHR76430 |
C00309461
481940118529 |
Spona nádrž-čerpadlo | 105 Kč
€ 4.30 |
||
| 900 6 WHR76430 |
C00317960
481240118444 |
Držák topení pračky Whirlpool, Ignis | Na dotaz | Zadat poptávku | |
| 900 7 WHR76430 |
C00327120
481225518205 |
Držák presostatu pračky Whirlpool | Na dotaz | Zadat poptávku | |
| 900 8 WHR76430 |
C00491381
481229088057 |
Clip SSR 2-step BK | Na dotaz | Zadat poptávku | |
| 900 9 WHR76430 |
C00343347
481240148569 |
Clamp hose pressostat | Na dotaz | Zadat poptávku | |
| 904 0 WHR76430 |
C00330742
481246278165 |
Threaded cap | Na dotaz | Zadat poptávku | |
| 910 0 WHR76430 |
C00336553
481250218383 |
sroub M8*25loz.domu | 70 Kč
€ 2.90 |
||
| 910 5 WHR76430 |
C00316731
481290308196 |
sroub | Na dotaz | Zadat poptávku | |
| 930 0 WHR76430 |
C00320162
481949238139 |
pruzina | Na dotaz | Zadat poptávku | |
| 941 0 WHR76430 |
C00314732
481252028004 |
Ložisko 6206 2Z C3 GJN (SKF) | 236 Kč
€ 9.70 |
||
| 941 1 WHR76430 |
C00315230
481252028066 |
Ložisko 6204 2Z C3 GJN (SKF) | 173 Kč
€ 7.10 |
||
| 941 5 WHR76430 |
C00339180
481252018067 |
Hub 1200,48L | Na dotaz | Zadat poptávku | |
| 953 0 WHR76430 |
C00313798
481253058099 |
Shaft seal 1200 | Na dotaz | Zadat poptávku | |
| 953 1 WHR76430 |
C00337964
481253058096 |
krouzek lozisk.domu | Na dotaz | Zadat poptávku | |
| 961 0 WHR76430 |
C00333324
481953268829 |
Vložka vymezovací | 305 Kč
€ 12.60 |
||
| 965 0 WHR76430 |
C00330912
481246668545 |
Záslepka otvoru po zajišťovacím šroubu bubnu pračky Whirlpool | 206 Kč
€ 8.50 |
||
| 965 1 WHR76430 |
C00338357
481244018992 |
Lid Rearcover | Na dotaz | Zadat poptávku | |
| 993 0 WHR76430 |
C00316831
481953029028 |
Ohyb plastový/držák vypouštěcí hadice pračky | Na dotaz | Zadat poptávku | |
| 993 3 WHR76430 |
C00328868
481239558004 |
klic montazni | Na dotaz | Zadat poptávku | |