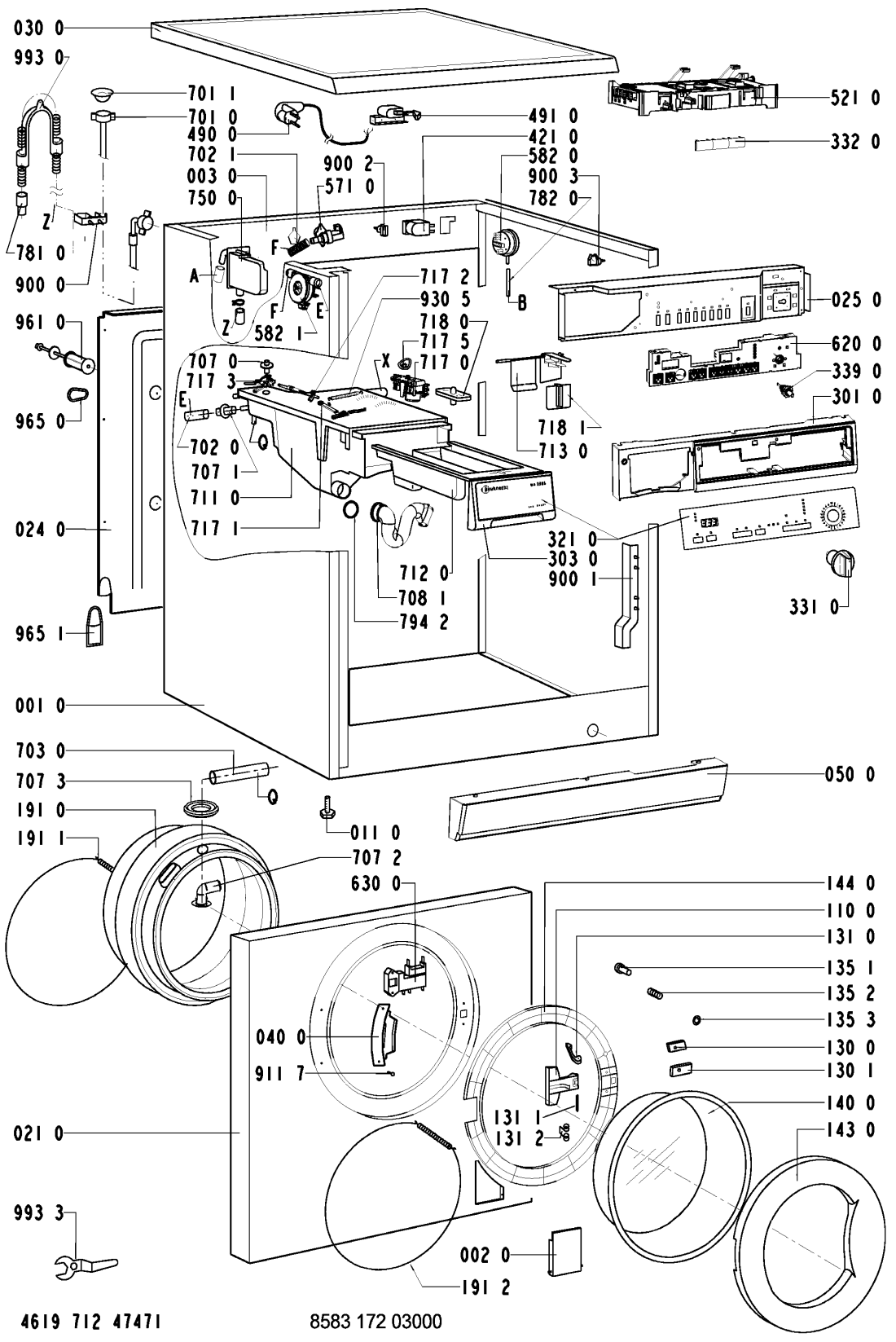
BAUKNECHT WA 7763     WASHING MACHINES          BK
 
             
                 
                
    Zeptejte se. Rádi poradíme.
    
        
            
                
                     
              
        
        
            
    
    
             
            Marek Proche
                    
Zákaznická podpora
            
Po–Čt 8:00—17:00
                
Pá 8:00—15:00             
            
        
            
        poradna@servis-whirlpool.cz     
    
    
| Komerční kód: | WA 7763 WASHING MACHINES BK | 
| Kód 12NC: | 858317203000 | 
| I.C. kód: | 858317203004 | 
| Značka: | BAUKNECHT | 
| Typ produktu: | Pračky | 
| Další podobné modely: | 858317203000 | 
Potřebujete servis? Jsme tady pro Vás
Nabídka náhradních dílů
| Číslo | Kód | Název | Cena | ||
|---|---|---|---|---|---|
| 001 0 WHR87460 | C00343945 481244010816 | Cabinet | Na dotaz | Zadat poptávku | |
| 002 0 WHR87460 | C00340841 481244010812 | Flap Filter square GW | Na dotaz | Zadat poptávku | |
| 003 0 WHR87460 | C00342257 481246448112 | pricka skrine zadni | Na dotaz | Zadat poptávku | |
| 011 0 WHR87460 | C00340775 481250018068 | Nastavitelná noha pračky | Na dotaz | Zadat poptávku | |
| 021 0 WHR87460 | C00553551 481244010814 | Front 50/SQ/LAK | Na dotaz | Zadat poptávku | |
| 024 0 WHR87460 | C00328103 481244018998 | Stěna přední AWM250 | Na dotaz | Zadat poptávku | |
| 025 0 WHR87460 | C00339540 481244018994 | Holder WA-DE-IG-BK | Na dotaz | Zadat poptávku | |
| 030 0 WHR87460 | C00344930 481244010824 | Table top GW | Na dotaz | Zadat poptávku | |
| 040 0 WHR87460 | C00312018 481241718787 | Hinge BK | Na dotaz | Zadat poptávku | |
| 050 0 WHR87460 | C00337676 481244010823 | sokl pracky GW | Na dotaz | Zadat poptávku | |
| 061 1 WHR87460 | C00498469 481246688464 | Counter weight SS-TUB, SS-TUB,1400,1600 | Na dotaz | Zadat poptávku | |
| 081 0 WHR87460 | C00336357 481246648057 | tlumic | Na dotaz | Zadat poptávku | |
| 081 1 WHR87460 | C00336591 481250218359 | Screw damper | Na dotaz | Zadat poptávku | |
| 084 0 WHR87460 | C00330907 481246658001 | drzak pruziny agreg. | Na dotaz | Zadat poptávku | |
| 084 1 WHR87460 | C00339699 481240468021 | Holder | Na dotaz | Zadat poptávku | |
| 086 0 WHR87460 | C00316610 481240118409 | Holder Shock Absorber | Na dotaz | Zadat poptávku | |
| 086 2 WHR87460 | C00314527 481240118412 | pojistka tlumice | 333 Kč € 13.70 | ||
| 110 0 WHR87460 | C00316653 481249818261 | Rukojeť dveří GW UZ NEBUDE !!!!!!! | Na dotaz | Zadat poptávku | |
| 130 0 WHR87460 | C00318057 481241728047 | desticka uzaveru dv. | 27 Kč € 1.10 | ||
| 130 1 WHR87460 | C00329782 481241728048 | Plate Doorlock LowerDoorlock Lower | Na dotaz | Zadat poptávku | |
| 131 0 WHR87460 | C00312433 481241728046 | Lock Door | Na dotaz | Zadat poptávku | |
| 131 1 WHR87460 | C00312243 481241728045 | osa uzaveru dveri | 143 Kč € 5.90 | ||
| 131 2 WHR87460 | C00312651 481249258022 | Pružina uzávěru dveří | 237 Kč € 9.70 | ||
| 135 1 WHR87460 | C00317048 481249818262 | pojistka dveri | 227 Kč € 9.30 | ||
| 135 2 WHR87460 | C00318221 481249258023 | Spring Door Safety | Na dotaz | Zadat poptávku | |
| 135 3 WHR87460 | C00313732 481229068153 | drzak pojistky | Na dotaz | Zadat poptávku | |
| 140 0 WHR87460 | C00339065 481245068218 | Door glass | Na dotaz | Zadat poptávku | |
| 143 0 WHR87460 | C00527954 481244010822 | Glassdoor frame GW | Na dotaz | Zadat poptávku | |
| 144 0 WHR87460 | C00340712 481244010785 | Frame door glas | Na dotaz | Zadat poptávku | |
| 191 0 WHR87460 | C00319757 481246668557 | Door bellow DELTA EPDM | Na dotaz | Zadat poptávku | |
| 191 1 WHR87460 | C00335947 481249218015 | Strap Fix. Bellow | Na dotaz | Zadat poptávku | |
| 191 2 WHR87460 | C00311875 481249298011 | spona TVO - přední stěna | 111 Kč € 4.60 | ||
| 200 0 WHR87460 | C00337457 481241818181 | Tub | Na dotaz | Zadat poptávku | |
| 201 0 WHR87460 | C00344300 481246448002 | bocnice | 3 087 Kč € 126.90 | ||
| 210 0 WHR87460 | C00318535 481252018034 | Crosspiece,asm. | Na dotaz | Zadat poptávku | |
| 210 1 WHR87460 | C00331290 481245218994 | Screw M8x20 A2F | Na dotaz | Zadat poptávku | |
| 220 0 WHR87460 | C00555225 481241818186 | Drum 1200-1400,48L.. | Na dotaz | Zadat poptávku | |
| 228 0 WHR87460 | C00342241 481241818096 | Crosspiece,drum | Na dotaz | Zadat poptávku | |
| 271 0 WHR87460 | C00344354 481235818157 | Řemen PV 1254 J4 pračky Whirlpool | 502 Kč € 20.60 | ||
| 272 0 WHR87460 | C00337074 481252858004 | Pulley | Na dotaz | Zadat poptávku | |
| 272 1 WHR87460 | C00344074 481253228006 | pouzdro plastove | Na dotaz | Zadat poptávku | |
| 272 2 WHR87460 | C00337249 481253218024 | PODLOZKA | Na dotaz | Zadat poptávku | |
| 272 3 WHR87460 | C00336705 481950218417 | sroub remenice NT | Na dotaz | Zadat poptávku | |
| 292 0 WHR87460 | C00340417 481253058003 | tesneni bocnice | 391 Kč € 16.10 | ||
| 301 0 WHR87460 | C00483043 481245212301 | Control panel BK GW | Na dotaz | Zadat poptávku | |
| 303 0 WHR87460 | C00529811 481249818282 | Handle, drawer GW GW | Na dotaz | Zadat poptávku | |
| 321 0 WHR87460 | C00528635 481245212401 | Insert pane WA 7763-D GW | Na dotaz | Zadat poptávku | |
| 331 0 WHR87460 | C00373798 481241318294 | knoflik | Na dotaz | Zadat poptávku | |
| 332 0 WHR87460 | C00527642 481241029093 | Button options OMEGA GW | Na dotaz | Zadat poptávku | |
| 339 0 WHR87460 | C00491644 481241318222 | AAP OVLADANIA PROGRAMATORU N | Na dotaz | Zadat poptávku | |
| 400 0 WHR87460 | C00553399 481236158091 | NAHRADA 481236158382 | Na dotaz | Zadat poptávku | |
| 400 1 WHR87460 | C00336566 481250218361 | Screw M8x30 | Na dotaz | Zadat poptávku | |
| 409 0 WHR87460 | C00311127 481236248004 | Brush,carbon, Motor CESET | Na dotaz | Zadat poptávku | |
| 421 0 WHR87460 | C00326769 481212118142 | Interf.filter 1,00 uF1,00 uF. | Na dotaz | Zadat poptávku | |
| 430 0 WHR87460 | C00312598 481231018458 | Pump SERVICE SET | Na dotaz | Zadat poptávku | |
| 451 0 WHR87460 | C00339927 481225928669 | Topné těleso pračky Whirlpool 2050 W s NTC čidlem | 955 Kč € 39.20 | ||
| 490 0 WHR87460 | C00316393 481932118136 | Flexo kabel 2 m, konektory | Na dotaz | Zadat poptávku | |
| 491 0 WHR87460 | C00309418 481232128367 | Přechodka | 324 Kč € 13.30 | ||
| 521 0 WHR87460 | C00501247 481221478597 | programator BK1 1400 | Na dotaz | Zadat poptávku | |
| 571 0 WHR87460 | C00312238 481227128375 | Napouštěcí ventil pračky - jednocestný, boční vývod | 546 Kč € 22.40 | ||
| 582 0 WHR87460 | C00317784 481227128394 | Hladinový spínač | 931 Kč € 38.30 | ||
| 582 1 WHR87460 | C00317325 481227118011 | Meter,flow OMEGA/ACCES SK 5420.06.2 | Na dotaz | Zadat poptávku | |
| 620 0 WHR87460 | C00499762 481227628371 | MODUL BK1 C, OMEGA | Na dotaz | Zadat poptávku | |
| 630 0 WHR87460 | C00315131 481228058019 | Door lock | Na dotaz | Zadat poptávku | |
| 701 0 WHR87460 | C00309500 481953028928 | hadice napousteci | Na dotaz | Zadat poptávku | |
| 701 1 WHR87460 | C00316490 481946669704 | tesneni + sitko | 173 Kč € 7.10 | ||
| 702 0 WHR87460 | C00339362 481253028872 | Hose flow-dispenser | Na dotaz | Zadat poptávku | |
| 702 1 WHR87460 | C00555643 481253028879 | Hose.. | Na dotaz | Zadat poptávku | |
| 703 0 WHR87460 | C00339480 481253048162 | Hose | Na dotaz | Zadat poptávku | |
| 707 0 WHR87460 | C00317102 481252648031 | Tryska násypky pračky | 104 Kč € 4.30 | ||
| 707 1 WHR87460 | C00332324 481252648028 | Tryska násypky pračky | Na dotaz | Zadat poptávku | |
| 707 2 WHR87460 | C00498636 481253048161 | Fitting | Na dotaz | Zadat poptávku | |
| 707 3 WHR87460 | C00332649 481253078011 | podlozka trysky spr. | Na dotaz | Zadat poptávku | |
| 708 1 WHR87460 | C00344350 481253048141 | Bend | Na dotaz | Zadat poptávku | |
| 711 0 WHR87460 | C00317065 481241868166 | těleso násypky | 1 749 Kč € 71.90 | ||
| 712 0 WHR87460 | C00317123 481241888029 | Drawer DetergentDetergent | Na dotaz | Zadat poptávku | |
| 713 0 WHR87460 | C00340880 481241889009 | Flap | Na dotaz | Zadat poptávku | |
| 717 0 WHR87460 | C00314912 481232318006 | motorek distribuce vody násypky pračky | 580 Kč € 23.80 | ||
| 717 1 WHR87460 | C00338398 481232138015 | Lever water distr. OME | Na dotaz | Zadat poptávku | |
| 717 2 WHR87460 | C00338404 481232138014 | Lever OMEGA/GAMMA | Na dotaz | Zadat poptávku | |
| 717 3 WHR87460 | C00338410 481232138016 | Lever connection OMEGAconnection OMEG | Na dotaz | Zadat poptávku | |
| 717 5 WHR87460 | C00342853 481231018459 | VACKA AKTUATORA OMEG | 265 Kč € 10.90 | ||
| 718 0 WHR87460 | C00315497 481252648157 | mrizka kryci | Na dotaz | Zadat poptávku | |
| 718 1 WHR87460 | C00314031 481241888018 | ovladac | 396 Kč € 16.30 | ||
| 750 0 WHR87460 | C00332502 481253048139 | Expanzní nádoba pračky Whirlpool, Bauknecht | 141 Kč € 5.80 | ||
| 753 1 WHR87460 | C00342744 481241868125 | Chamber,air | Na dotaz | Zadat poptávku | |
| 754 0 WHR87460 | C00498615 481253028838 | HADICA NADRZ-CERPADLO/DELTA | Na dotaz | Zadat poptávku | |
| 754 4 WHR87460 | C00343364 481240118054 | Clamp hose | Na dotaz | Zadat poptávku | |
| 760 0 WHR87460 | C00340969 481248058085 | Filter | Na dotaz | Zadat poptávku | |
| 781 0 WHR87460 | C00312966 481953028959 | Hose draining 1,5m. | Na dotaz | Zadat poptávku | |
| 782 0 WHR87460 | C00339268 481253028816 | Hose Pressostat | Na dotaz | Zadat poptávku | |
| 783 3 WHR87460 | C00310140 481253018001 | Connection Part | Na dotaz | Zadat poptávku | |
| 783 4 WHR87460 | C00498614 481253028818 | HADICA CERPADLO-KOMORA/D | Na dotaz | Zadat poptávku | |
| 785 0 WHR87460 | C00555639 481253028852 | HOSE BK,WH,BI.. | Na dotaz | Zadat poptávku | |
| 785 1 WHR87460 | C00335472 481246279663 | Threaded cap | Na dotaz | Zadat poptávku | |
| 787 0 WHR87460 | C00332411 481253028819 | Hose with hole (exhaust) | Na dotaz | Zadat poptávku | |
| 787 2 WHR87460 | C00335973 481240118401 | Strap | Na dotaz | Zadat poptávku | |
| 794 2 WHR87460 | C00337979 481253058005 | O-Ring | Na dotaz | Zadat poptávku | |
| 794 5 WHR87460 | C00498646 481253058015 | Gasket | Na dotaz | Zadat poptávku | |
| 900 0 WHR87460 | C00327119 481225518204 | Vnější držák hadic pračky Whirlpool | Na dotaz | Zadat poptávku | |
| 900 1 WHR87460 | C00344192 481229088043 | Bracket Door lock | Na dotaz | Zadat poptávku | |
| 900 2 WHR87460 | C00343868 481229088046 | Cable clamp | Na dotaz | Zadat poptávku | |
| 900 3 WHR87460 | C00327310 481229088048 | Cable clamp | Na dotaz | Zadat poptávku | |
| 900 4 WHR87460 | C00316612 481240118414 | SPONA39,7 | 37 Kč € 1.50 | ||
| 911 7 WHR87460 | C00316731 481290308196 | sroub | Na dotaz | Zadat poptávku | |
| 921 0 WHR87460 | C00336832 481201118522 | Ring,circlip 52x252x2 | Na dotaz | Zadat poptávku | |
| 930 0 WHR87460 | C00498517 481249238361 | Spring Suspension Suspension | Na dotaz | Zadat poptávku | |
| 930 5 WHR87460 | C00312356 481249238359 | Pružina trysky násypky | 13 Kč € 0.50 | ||
| 941 0 WHR87460 | C00314254 481252028003 | BEARING 6306 2Z C3 GJN | Na dotaz | Zadat poptávku | |
| 941 1 WHR87460 | C00315491 481252028005 | BEARING 6304 2Z C3 | Na dotaz | Zadat poptávku | |
| 953 0 WHR87460 | C00320177 481253068001 | tesneni bubnu VA-40 | 564 Kč € 23.20 | ||
| 961 0 WHR87460 | C00342139 481231018435 | Distance sleeve BK ser | Na dotaz | Zadat poptávku | |
| 962 0 WHR87460 | C00342374 481246638011 | Cover protect. heating element | Na dotaz | Zadat poptávku | |
| 965 0 WHR87460 | C00330912 481246668545 | Záslepka otvoru po zajišťovacím šroubu bubnu pračky Whirlpool | 206 Kč € 8.50 | ||
| 965 1 WHR87460 | C00338357 481244018992 | Lid Rearcover | Na dotaz | Zadat poptávku | |
| 993 0 WHR87460 | C00344290 481253048149 | BOW | Na dotaz | Zadat poptávku | |
| 993 3 WHR87460 | C00328868 481239558004 | klic montazni | 64 Kč € 2.60 | ||