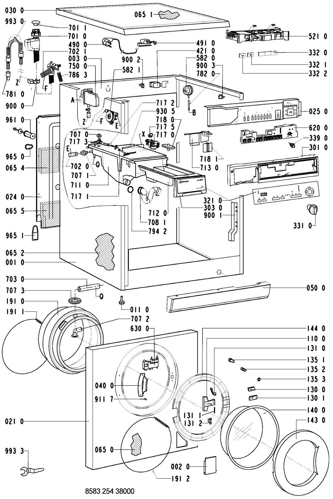
BAUKNECHT WA 8588 W - I WASHING MACHINES BK
Zeptejte se. Rádi poradíme.
Marek Proche
Zákaznická podpora
Po–Čt 8:00—17:00
Pá 8:00—15:00
poradna@servis-whirlpool.cz
| Komerční kód: | WA 8588 W - I WASHING MACHINES BK |
| Kód 12NC/I.C. kód: | 858325438000 |
| Značka: | BAUKNECHT |
| Typ produktu: | Pračky |
Potřebujete servis? Jsme tady pro Vás
Nabídka náhradních dílů
| Číslo | Kód | Název | Cena | ||
|---|---|---|---|---|---|
| 001 0 WHR58099 |
C00343946
481244018996 |
Cabinet | Na dotaz | Zadat poptávku | |
| 002 0 WHR58099 |
C00340845
481244019331 |
Flap Filter | Na dotaz | Zadat poptávku | |
| 003 0 WHR58099 |
C00342257
481246448112 |
pricka skrine zadni | Na dotaz | Zadat poptávku | |
| 004 0 WHR58099 |
C00497924
481244018993 |
ZBERAC AQUA DELTA | Na dotaz | Zadat poptávku | |
| 011 0 WHR58099 |
C00340775
481250018068 |
Nastavitelná noha pračky | Na dotaz | Zadat poptávku | |
| 021 0 WHR58099 |
C00340697
481244019329 |
Front | Na dotaz | Zadat poptávku | |
| 024 0 WHR58099 |
C00328103
481244018998 |
Stěna přední AWM250 | Na dotaz | Zadat poptávku | |
| 025 0 WHR58099 |
C00339540
481244018994 |
Holder WA-DE-IG-BK | Na dotaz | Zadat poptávku | |
| 030 0 WHR58099 |
C00335667
481231038181 |
Table top | Na dotaz | Zadat poptávku | |
| 040 0 WHR58099 |
C00312018
481241718787 |
Závěs dveří pračky | 625 Kč
€ 25.60 |
||
| 050 0 WHR58099 |
C00337672
481245938021 |
Plinth OMEGA | Na dotaz | Zadat poptávku | |
| 061 1 WHR58099 |
C00343073
481246688463 |
Counter weight SS-TUB,1000,1200 | Na dotaz | Zadat poptávku | |
| 065 0 WHR58099 |
C00497383
481231018339 |
Insulation Front Pane | Na dotaz | Zadat poptávku | |
| 065 1 WHR58099 |
C00338692
481231018236 |
Insulation table top | Na dotaz | Zadat poptávku | |
| 065 2 WHR58099 |
C00497386
481231018399 |
Insulation | Na dotaz | Zadat poptávku | |
| 065 4 WHR58099 |
C00338701
481231018335 |
Insulation Middle Pane | Na dotaz | Zadat poptávku | |
| 065 5 WHR58099 |
C00338702
481231018336 |
Insulation Lower | Na dotaz | Zadat poptávku | |
| 081 0 WHR58099 |
C00336357
481246648057 |
tlumic | Na dotaz | Zadat poptávku | |
| 081 1 WHR58099 |
C00336591
481250218359 |
Screw damper | Na dotaz | Zadat poptávku | |
| 084 0 WHR58099 |
C00330907
481246658001 |
drzak pruziny agreg. | Na dotaz | Zadat poptávku | |
| 084 1 WHR58099 |
C00339699
481240468021 |
Holder | Na dotaz | Zadat poptávku | |
| 086 0 WHR58099 |
C00316610
481240118409 |
Holder Shock Absorber | Na dotaz | Zadat poptávku | |
| 086 2 WHR58099 |
C00314527
481240118412 |
pojistka tlumice | 333 Kč
€ 13.60 |
||
| 110 0 WHR58099 |
C00339968
481249818139 |
Handle,door white | Na dotaz | Zadat poptávku | |
| 130 0 WHR58099 |
C00318057
481241728047 |
desticka uzaveru dv. | 27 Kč
€ 1.10 |
||
| 130 1 WHR58099 |
C00329782
481241728048 |
Plate Doorlock LowerDoorlock Lower | Na dotaz | Zadat poptávku | |
| 131 0 WHR58099 |
C00312433
481241728046 |
Lock Door | Na dotaz | Zadat poptávku | |
| 131 1 WHR58099 |
C00312243
481241728045 |
osa uzaveru dveri | 43 Kč
€ 1.80 |
||
| 131 2 WHR58099 |
C00312651
481249258022 |
Pružina uzávěru dveří | 237 Kč
€ 9.70 |
||
| 135 1 WHR58099 |
C00345878
481249818137 |
Knob Door safetyDoor safety | Na dotaz | Zadat poptávku | |
| 135 2 WHR58099 |
C00318221
481249258023 |
Spring Door Safety | Na dotaz | Zadat poptávku | |
| 135 3 WHR58099 |
C00313732
481229068153 |
drzak pojistky | Na dotaz | Zadat poptávku | |
| 140 0 WHR58099 |
C00339065
481245068218 |
Door glass | Na dotaz | Zadat poptávku | |
| 143 0 WHR58099 |
C00340314
481244018988 |
Glassdoor frame white | Na dotaz | Zadat poptávku | |
| 144 0 WHR58099 |
C00340711
481245928043 |
Frame,door glas | Na dotaz | Zadat poptávku | |
| 191 0 WHR58099 |
C00319757
481246668557 |
Door bellow DELTA EPDM | Na dotaz | Zadat poptávku | |
| 191 1 WHR58099 |
C00335947
481249218015 |
Strap Fix. Bellow | Na dotaz | Zadat poptávku | |
| 191 2 WHR58099 |
C00311875
481249298011 |
spona TVO - přední stěna | 111 Kč
€ 4.50 |
||
| 200 0 WHR58099 |
C00337457
481241818181 |
Tub | Na dotaz | Zadat poptávku | |
| 201 0 WHR58099 |
C00344300
481246448002 |
Bočnice nádrže pračky Whirlpool / Bauknecht | 3 087 Kč
€ 126.30 |
||
| 210 0 WHR58099 |
C00342244
481252018071 |
Crosspiece 1200 RPM | Na dotaz | Zadat poptávku | |
| 210 1 WHR58099 |
C00331290
481245218994 |
Screw M8x20 A2F | Na dotaz | Zadat poptávku | |
| 220 0 WHR58099 |
C00497801
481241818178 |
NAHRADA 481241818512 | Na dotaz | Zadat poptávku | |
| 271 0 WHR58099 |
C00344354
481235818157 |
Řemen PV 1254 J4 pračky Whirlpool | 502 Kč
€ 20.50 |
||
| 272 0 WHR58099 |
C00337074
481252858004 |
Pulley | Na dotaz | Zadat poptávku | |
| 272 1 WHR58099 |
C00344074
481253228006 |
pouzdro plastove | Na dotaz | Zadat poptávku | |
| 272 2 WHR58099 |
C00337249
481253218024 |
PODLOZKA | Na dotaz | Zadat poptávku | |
| 272 3 WHR58099 |
C00336705
481950218417 |
sroub remenice NT | Na dotaz | Zadat poptávku | |
| 292 0 WHR58099 |
C00340417
481253058003 |
tesneni bocnice | 391 Kč
€ 16.00 |
||
| 301 0 WHR58099 |
C00343718
481245219144 |
Control panel | Na dotaz | Zadat poptávku | |
| 303 0 WHR58099 |
C00498527
481249818138 |
Handle, drawer | Na dotaz | Zadat poptávku | |
| 321 0 WHR58099 |
C00605217
481245219914 |
Insert panel WA 8588 W-I. | Na dotaz | Zadat poptávku | |
| 331 0 WHR58099 |
C00341850
481241318219 |
Knob,timer | Na dotaz | Zadat poptávku | |
| 332 0 WHR58099 |
C00497620
481241028584 |
Button options OMEGA | Na dotaz | Zadat poptávku | |
| 332 1 WHR58099 |
C00343977
481241028585 |
Button temp.+ OMEGA | Na dotaz | Zadat poptávku | |
| 332 2 WHR58099 |
C00343959
481241028586 |
Buttontemp.- OMEGA | Na dotaz | Zadat poptávku | |
| 339 0 WHR58099 |
C00336439
481241318221 |
ShaftOMEGA | Na dotaz | Zadat poptávku | |
| 400 0 WHR58099 |
C00341661
481236158093 |
Motor MCA52/148-1200 | Na dotaz | Zadat poptávku | |
| 400 1 WHR58099 |
C00336566
481250218361 |
Screw M8x30 | Na dotaz | Zadat poptávku | |
| 409 0 WHR58099 |
C00311127
481236248004 |
Brush,carbon, Motor CESET | Na dotaz | Zadat poptávku | |
| 421 0 WHR58099 |
C00326769
481212118142 |
Interf.filter 1,00 uF1,00 uF. | Na dotaz | Zadat poptávku | |
| 430 0 WHR58099 |
C00312598
481231018458 |
Pump SERVICE SET | Na dotaz | Zadat poptávku | |
| 451 0 WHR58099 |
C00339927
481225928669 |
Topné těleso pračky Whirlpool 2050 W s NTC čidlem | 955 Kč
€ 39.10 |
||
| 490 0 WHR58099 |
C00316393
481932118136 |
Flexo kabel 2 m, konektory | Na dotaz | Zadat poptávku | |
| 491 0 WHR58099 |
C00309418
481232128367 |
Přechodka | 324 Kč
€ 13.30 |
||
| 521 0 WHR58099 |
C00342657
481221478268 |
CONTROL BOARD BK2 1200 | Na dotaz | Zadat poptávku | |
| 582 0 WHR58099 |
C00317784
481227128394 |
Hladinový spínač | 931 Kč
€ 38.10 |
||
| 582 1 WHR58099 |
C00317325
481227118011 |
Meter,flow OMEGA/ACCES SK 5420.06.2 | Na dotaz | Zadat poptávku | |
| 620 0 WHR58099 |
C00342142
481227628367 |
DisplayBK2 C,temp.+,- Omega | Na dotaz | Zadat poptávku | |
| 630 0 WHR58099 |
C00315131
481228058019 |
Door lock | Na dotaz | Zadat poptávku | |
| 631 0 WHR58099 |
C00317471
481227138358 |
mikrospinac plovaku | 745 Kč
€ 30.50 |
||
| 631 1 WHR58099 |
C00315271
481236058112 |
Plovák hladinového spínače pračky Whirlpool, Bauknecht | 186 Kč
€ 7.60 |
||
| 701 0 WHR58099 |
C00498604
481253018002 |
HADICA PRIVOD. AQUA, AWM031 gum | Na dotaz | Zadat poptávku | |
| 701 0 WHR58099 |
C00498613
481253028808 |
HADICA PRIVODOVA AQUA AWM031 N | Na dotaz | Zadat poptávku | |
| 701 1 WHR58099 |
C00316490
481946669704 |
tesneni + sitko | 173 Kč
€ 7.10 |
||
| 702 0 WHR58099 |
C00339362
481253028872 |
Hose flow-dispenser | Na dotaz | Zadat poptávku | |
| 702 1 WHR58099 |
C00339231
481253028873 |
Hose valve-flowmeter | Na dotaz | Zadat poptávku | |
| 703 0 WHR58099 |
C00339480
481253048162 |
Hose | Na dotaz | Zadat poptávku | |
| 707 0 WHR58099 |
C00317102
481252648031 |
Tryska násypky pračky | 104 Kč
€ 4.30 |
||
| 707 1 WHR58099 |
C00332324
481252648028 |
Tryska násypky pračky | Na dotaz | Zadat poptávku | |
| 707 2 WHR58099 |
C00498636
481253048161 |
Fitting | Na dotaz | Zadat poptávku | |
| 707 3 WHR58099 |
C00332649
481253078011 |
podlozka trysky spr. | Na dotaz | Zadat poptávku | |
| 708 1 WHR58099 |
C00344350
481253048141 |
Bend | Na dotaz | Zadat poptávku | |
| 711 0 WHR58099 |
C00317065
481241868166 |
těleso násypky | 1 749 Kč
€ 71.60 |
||
| 712 0 WHR58099 |
C00317123
481241888029 |
Drawer DetergentDetergent | Na dotaz | Zadat poptávku | |
| 713 0 WHR58099 |
C00317121
481241888019 |
vlozka nasypky klap. | Na dotaz | Zadat poptávku | |
| 717 0 WHR58099 |
C00314912
481232318006 |
motorek distribuce vody násypky pračky | 580 Kč
€ 23.70 |
||
| 717 1 WHR58099 |
C00338398
481232138015 |
Lever water distr. OME | Na dotaz | Zadat poptávku | |
| 717 2 WHR58099 |
C00338404
481232138014 |
Lever OMEGA/GAMMA | Na dotaz | Zadat poptávku | |
| 717 3 WHR58099 |
C00338410
481232138016 |
Lever connection OMEGAconnection OMEG | Na dotaz | Zadat poptávku | |
| 717 5 WHR58099 |
C00342853
481231018459 |
VACKA AKTUATORA OMEG | 265 Kč
€ 10.80 |
||
| 718 0 WHR58099 |
C00318585
481252648027 |
viko prepadu nasypky | 54 Kč
€ 2.20 |
||
| 718 1 WHR58099 |
C00314031
481241888018 |
ovladac | 396 Kč
€ 16.20 |
||
| 750 0 WHR58099 |
C00332502
481253048139 |
Expanzní nádoba pračky Whirlpool, Bauknecht | 141 Kč
€ 5.80 |
||
| 753 1 WHR58099 |
C00342744
481241868125 |
Chamber,air | Na dotaz | Zadat poptávku | |
| 754 0 WHR58099 |
C00498615
481253028838 |
HADICA NADRZ-CERPADLO/DELTA | Na dotaz | Zadat poptávku | |
| 754 4 WHR58099 |
C00343364
481240118054 |
Clamp hose | Na dotaz | Zadat poptávku | |
| 760 0 WHR58099 |
C00340969
481248058085 |
Filter | Na dotaz | Zadat poptávku | |
| 781 0 WHR58099 |
C00312966
481953028959 |
Hose draining 1,5m. | Na dotaz | Zadat poptávku | |
| 782 0 WHR58099 |
C00339268
481253028816 |
Hose Pressostat | Na dotaz | Zadat poptávku | |
| 783 1 WHR58099 |
C00332412
481253028822 |
hadice násypka-přepad | Na dotaz | Zadat poptávku | |
| 783 3 WHR58099 |
C00310140
481253018001 |
Connection Part | Na dotaz | Zadat poptávku | |
| 783 4 WHR58099 |
C00498614
481253028818 |
HADICA CERPADLO-KOMORA/D | Na dotaz | Zadat poptávku | |
| 785 0 WHR58099 |
C00314984
481253028812 |
Hadice vypouštěcího čerpadla pračky Whirlpool, Bauknecht, Ignis | 584 Kč
€ 23.90 |
||
| 785 1 WHR58099 |
C00335472
481246279663 |
Threaded cap | Na dotaz | Zadat poptávku | |
| 786 3 WHR58099 |
C00339392
481253028809 |
Hose Aqua-Stop | Na dotaz | Zadat poptávku | |
| 787 0 WHR58099 |
C00332411
481253028819 |
Hose with hole (exhaust) | Na dotaz | Zadat poptávku | |
| 787 2 WHR58099 |
C00335973
481240118401 |
Strap | Na dotaz | Zadat poptávku | |
| 794 2 WHR58099 |
C00337979
481253058005 |
O-Ring | Na dotaz | Zadat poptávku | |
| 794 5 WHR58099 |
C00498646
481253058015 |
Gasket | Na dotaz | Zadat poptávku | |
| 900 0 WHR58099 |
C00327119
481225518204 |
Vnější držák hadic pračky Whirlpool | Na dotaz | Zadat poptávku | |
| 900 1 WHR58099 |
C00344192
481229088043 |
Bracket Door lock | Na dotaz | Zadat poptávku | |
| 900 2 WHR58099 |
C00343868
481229088046 |
Cable clamp | Na dotaz | Zadat poptávku | |
| 900 3 WHR58099 |
C00327310
481229088048 |
Cable clamp | Na dotaz | Zadat poptávku | |
| 900 4 WHR58099 |
C00316612
481240118414 |
SPONA39,7 | 37 Kč
€ 1.50 |
||
| 904 0 WHR58099 |
C00336812
481252958002 |
Rivet Base | Na dotaz | Zadat poptávku | |
| 911 7 WHR58099 |
C00316731
481290308196 |
sroub | Na dotaz | Zadat poptávku | |
| 921 0 WHR58099 |
C00336837
481990300796 |
Ring security 47247x1,75 D4 | Na dotaz | Zadat poptávku | |
| 930 0 WHR58099 |
C00336071
481249238357 |
Spring SuspensionSuspension | Na dotaz | Zadat poptávku | |
| 930 5 WHR58099 |
C00312356
481249238359 |
Pružina trysky násypky | 13 Kč
€ 0.50 |
||
| 941 0 WHR58099 |
C00317100
481252028071 |
Ložisko 6305 2Z C3 GJN (SKF) | 232 Kč
€ 9.50 |
||
| 941 1 WHR58099 |
C00344390
481252028072 |
Ložisko 6303 SKF 2Z | 180 Kč
€ 7.40 |
||
| 953 0 WHR58099 |
C00320177
481253068001 |
tesneni bubnu VA-40 | 564 Kč
€ 23.10 |
||
| 961 0 WHR58099 |
C00342139
481231018435 |
Distance sleeve BK ser | Na dotaz | Zadat poptávku | |
| 962 0 WHR58099 |
C00342374
481246638011 |
Cover protect. heating element | Na dotaz | Zadat poptávku | |
| 965 0 WHR58099 |
C00330912
481246668545 |
Záslepka otvoru po zajišťovacím šroubu bubnu pračky Whirlpool | 206 Kč
€ 8.40 |
||
| 965 1 WHR58099 |
C00338357
481244018992 |
Lid Rearcover | Na dotaz | Zadat poptávku | |
| 993 0 WHR58099 |
C00316831
481953029028 |
Ohyb plastový/držák vypouštěcí hadice pračky | Na dotaz | Zadat poptávku | |
| 993 3 WHR58099 |
C00328868
481239558004 |
klic montazni | Na dotaz | Zadat poptávku | |