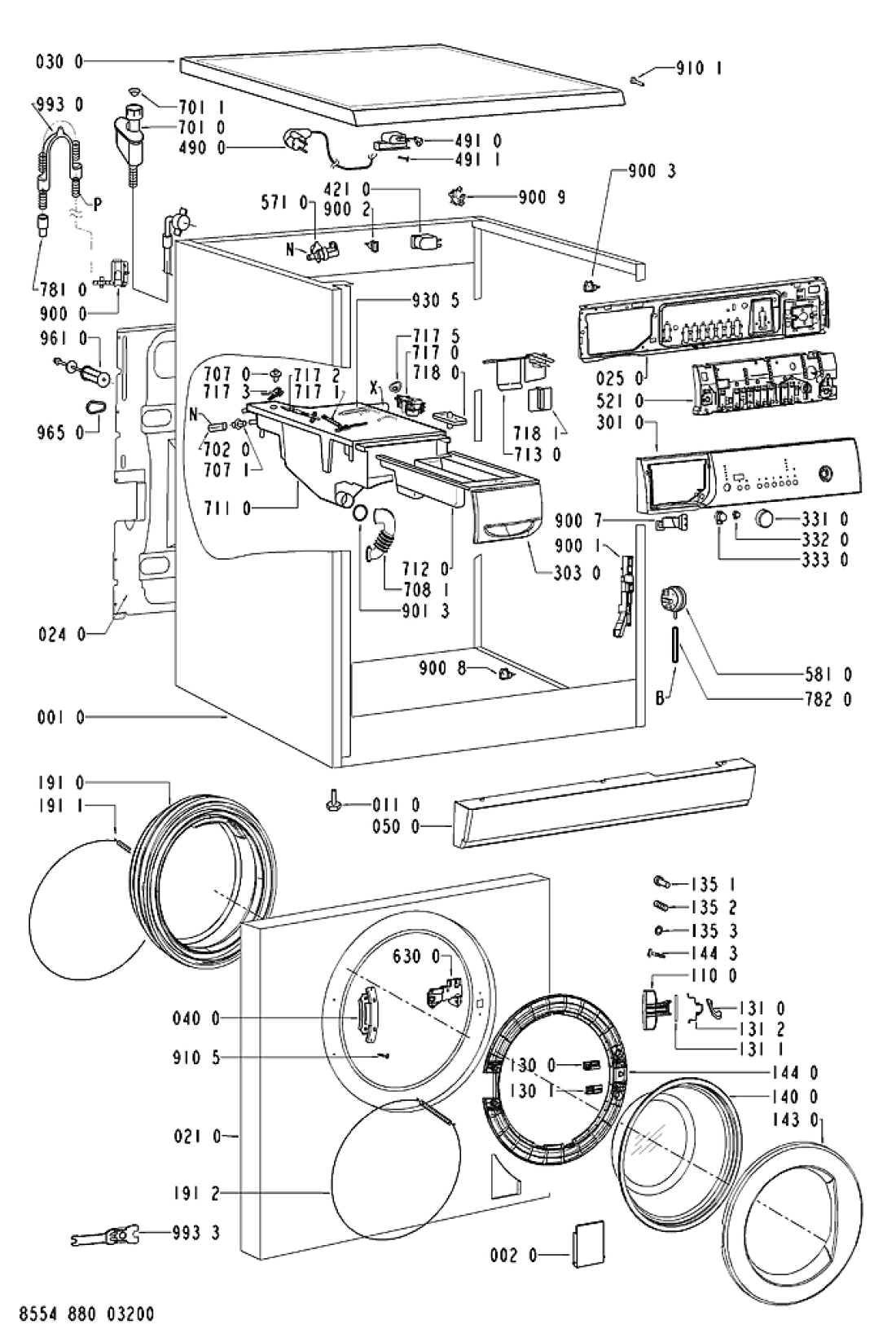
BAUKNECHT WA KOMFORT 1200 WASHING MACHINES BK
Zeptejte se. Rádi poradíme.
Marek Proche
Zákaznická podpora
Po–Čt 8:00—17:00
Pá 8:00—15:00
poradna@servis-whirlpool.cz
| Komerční kód: | WA KOMFORT 1200 WASHING MACHINES BK |
| Kód 12NC/I.C. kód: | 855488003200 |
| Značka: | BAUKNECHT |
| Typ produktu: | Pračky |
Potřebujete servis? Jsme tady pro Vás
Nabídka náhradních dílů
| Číslo | Kód | Název | Cena | ||
|---|---|---|---|---|---|
| 001 0 WHR15323 |
C00327957
481244010784 |
Cabinet GW | Na dotaz | Zadat poptávku | |
| 002 0 WHR15323 |
C00340841
481244010812 |
Flap Filter square GW | Na dotaz | Zadat poptávku | |
| 011 0 WHR15323 |
C00330679
481246248421 |
Adjust.foot | Na dotaz | Zadat poptávku | |
| 021 0 WHR15323 |
C00340649
481244010927 |
Front square flap GW 50mm | Na dotaz | Zadat poptávku | |
| 024 0 WHR15323 |
C00316521
481244011544 |
stena zadni | 1 472 Kč
€ 60.20 |
||
| 025 0 WHR15323 |
C00491728
481244011067 |
Holder GAMMA BK | Na dotaz | Zadat poptávku | |
| 030 0 WHR15323 |
C00497906
481244011072 |
Table top | Na dotaz | Zadat poptávku | |
| 040 0 WHR15323 |
C00312018
481241718787 |
Závěs dveří pračky | 625 Kč
€ 25.60 |
||
| 050 0 WHR15323 |
C00337676
481244010823 |
sokl pracky GW | Na dotaz | Zadat poptávku | |
| 061 0 WHR15323 |
C00320755
481246688833 |
zavazi horni | 1 512 Kč
€ 61.90 |
||
| 061 1 WHR15323 |
C00316001
481246688607 |
Counter weight front, bottom | Na dotaz | Zadat poptávku | |
| 061 2 WHR15323 |
C00320419
481231039135 |
Mounting kit weight top | Na dotaz | Zadat poptávku | |
| 061 3 WHR15323 |
C00320457
481931039228 |
Mounting kit Weight bottom | Na dotaz | Zadat poptávku | |
| 081 0 WHR15323 |
C00313104
481246648088 |
Tlumič třecí pro předem plněné pračky Whirlpool | 766 Kč
€ 31.30 |
||
| 084 0 WHR15323 |
C00330907
481246658001 |
drzak pruziny agreg. | Na dotaz | Zadat poptávku | |
| 086 2 WHR15323 |
C00314527
481240118412 |
pojistka tlumice | 333 Kč
€ 13.60 |
||
| 110 0 WHR15323 |
C00316653
481249818261 |
Rukojeť dveří GW UZ NEBUDE !!!!!!! | Na dotaz | Zadat poptávku | |
| 130 0 WHR15323 |
C00318057
481241728047 |
desticka uzaveru dv. | 27 Kč
€ 1.10 |
||
| 130 1 WHR15323 |
C00329782
481241728048 |
Plate Doorlock LowerDoorlock Lower | Na dotaz | Zadat poptávku | |
| 131 0 WHR15323 |
C00312433
481241728046 |
Lock Door | Na dotaz | Zadat poptávku | |
| 131 1 WHR15323 |
C00312243
481241728045 |
osa uzaveru dveri | 43 Kč
€ 1.80 |
||
| 131 2 WHR15323 |
C00312651
481249258022 |
Pružina uzávěru dveří | 237 Kč
€ 9.70 |
||
| 135 1 WHR15323 |
C00345878
481249818137 |
Knob Door safetyDoor safety | Na dotaz | Zadat poptávku | |
| 135 2 WHR15323 |
C00318221
481249258023 |
Spring Door Safety | Na dotaz | Zadat poptávku | |
| 135 3 WHR15323 |
C00313732
481229068153 |
drzak pojistky | Na dotaz | Zadat poptávku | |
| 140 0 WHR15323 |
C00320431
481245068219 |
Door glass | Na dotaz | Zadat poptávku | |
| 143 0 WHR15323 |
C00340315
481244010815 |
Glassdoor frame VBL-DELTAVBL BK GW | Na dotaz | Zadat poptávku | |
| 144 0 WHR15323 |
C00314075
481244019589 |
priruba dveri | 1 184 Kč
€ 48.50 |
||
| 144 3 WHR15323 |
C00318393
481250218669 |
sroub pojistka dv. | 267 Kč
€ 10.90 |
||
| 191 0 WHR15323 |
C00313168
481246068532 |
DOOR BELLOW grease resistance | Na dotaz | Zadat poptávku | |
| 191 1 WHR15323 |
C00313764
481249218017 |
spona TVO - vnitřní | 149 Kč
€ 6.10 |
||
| 191 2 WHR15323 |
C00318256
481953058059 |
spona TVO predni st. | Na dotaz | Zadat poptávku | |
| 200 1 WHR15323 |
C00337438
481241818283 |
nadrz predni cast | Na dotaz | Zadat poptávku | |
| 200 2 WHR15323 |
C00316959
481241818305 |
nadrz zadni cast | Na dotaz | Zadat poptávku | |
| 200 4 WHR15323 |
C00314317
481229088054 |
Spona nádrže | 378 Kč
€ 15.50 |
||
| 220 0 WHR15323 |
C00315974
481241818288 |
Buben předem plněné pračky Whirlpool / Bauknecht | Na dotaz | Zadat poptávku | |
| 271 0 WHR15323 |
C00311514
481935818152 |
Řemen PV 1248 J5 pračky Whirlpool | 145 Kč
€ 5.90 |
||
| 272 0 WHR15323 |
C00313543
481252858041 |
remenice bubnu | 1 104 Kč
€ 45.20 |
||
| 272 3 WHR15323 |
C00313776
481250518371 |
matice remenice | Na dotaz | Zadat poptávku | |
| 292 0 WHR15323 |
C00311501
481253058101 |
těsnění bočnice | 694 Kč
€ 28.40 |
||
| 301 0 WHR15323 |
C00461166
481245216951 |
Control panel WA KOMFORT 1200 | Na dotaz | Zadat poptávku | |
| 303 0 WHR15323 |
C00490182
481249818278 |
Handle, drawer VBL-BK/SILVER/DELTA* VBL | Na dotaz | Zadat poptávku | |
| 331 0 WHR15323 |
C00487560
481241458198 |
Knob timer BK GW | Na dotaz | Zadat poptávku | |
| 332 0 WHR15323 |
C00344001
481241029092 |
Button Options VBL BK GW | Na dotaz | Zadat poptávku | |
| 333 0 WHR15323 |
C00343982
481241029091 |
Button Start VBL BK GW | Na dotaz | Zadat poptávku | |
| 400 0 WHR15323 |
C00315335
481236158388 |
Motor MCA 61/64-148/WHE0 | Na dotaz | Zadat poptávku | |
| 400 1 WHR15323 |
C00332114
481250218737 |
Screw 8x38 | Na dotaz | Zadat poptávku | |
| 409 0 WHR15323 |
C00311127
481236248004 |
Brush,carbon, Motor CESET | Na dotaz | Zadat poptávku | |
| 421 0 WHR15323 |
C00311350
481212118285 |
Filtr odrušovací 1 uF | 294 Kč
€ 12.00 |
||
| 430 0 WHR15323 |
C00311139
481231028144 |
Vypouštěcí čerpadlo pračky Whirlpool / Bauknecht | 576 Kč
€ 23.60 |
||
| 451 0 WHR15323 |
C00373838
481225928905 |
Topné těleso + NTC | 1 272 Kč
€ 52.10 |
||
| 480 0 WHR15323 |
C00311380
481232178109 |
vodice svazek motor | Na dotaz | Zadat poptávku | |
| 490 0 WHR15323 |
C00316393
481932118136 |
Flexo kabel 2 m, konektory | Na dotaz | Zadat poptávku | |
| 491 0 WHR15323 |
C00309418
481232128367 |
Přechodka | 324 Kč
€ 13.30 |
||
| 491 1 WHR15323 |
C00318425
481250238152 |
Screw 4.8x19 | Na dotaz | Zadat poptávku | |
| 521 0 WHR15323 |
C00455898
481221479689 |
Control board Basic GAMMA, BK1, SAM | Na dotaz | Zadat poptávku | |
| 521 0 WHR15323 |
C00455879
481221479663 |
Control board GAMMA BK1, programmed | Na dotaz | Zadat poptávku | |
| 571 0 WHR15323 |
C00492928
481227128543 |
ventil jednocestny | 1 013 Kč
€ 41.50 |
||
| 581 0 WHR15323 |
C00311217
481227128554 |
Presostat pračky | 207 Kč
€ 8.50 |
||
| 630 0 WHR15323 |
C00311146
481228058044 |
Blokování dveří předem plněné pračky Whirlpool | Na dotaz | Zadat poptávku | |
| 691 0 WHR15323 |
C00313117
481228219485 |
senzor NTC | 857 Kč
€ 35.10 |
||
| 701 0 WHR15323 |
C00312612
481953028926 |
Hose inlet 2.5 m (Eltek) | Na dotaz | Zadat poptávku | |
| 701 0 WHR15323 |
C00332408
481253028781 |
HYDRO-SECURITY 4m 90# 10 BAR straight | Na dotaz | Zadat poptávku | |
| 701 1 WHR15323 |
C00316490
481946669704 |
tesneni + sitko | 173 Kč
€ 7.10 |
||
| 702 0 WHR15323 |
C00313911
481953029019 |
Hadice ventil - násypka pračky Whirlpool, Ignis, Bauknecht | 105 Kč
€ 4.30 |
||
| 707 0 WHR15323 |
C00317102
481252648031 |
Tryska násypky pračky | 104 Kč
€ 4.30 |
||
| 707 1 WHR15323 |
C00332324
481252648028 |
Tryska násypky pračky | Na dotaz | Zadat poptávku | |
| 708 1 WHR15323 |
C00313009
481253048143 |
hadice k násypce pračky Whirlpool uz nebude !!!! | Na dotaz | Zadat poptávku | |
| 711 0 WHR15323 |
C00481273
481241868328 |
těleso násypky | 1 848 Kč
€ 75.60 |
||
| 712 0 WHR15323 |
C00313433
481241868198 |
zasuvka nasypky | 1 157 Kč
€ 47.40 |
||
| 713 0 WHR15323 |
C00314041
481241889037 |
vlozka nasypky klap. | Na dotaz | Zadat poptávku | |
| 717 0 WHR15323 |
C00314912
481232318006 |
motorek distribuce vody násypky pračky | 580 Kč
€ 23.70 |
||
| 717 1 WHR15323 |
C00338398
481232138015 |
Lever water distr. OME | Na dotaz | Zadat poptávku | |
| 717 2 WHR15323 |
C00338404
481232138014 |
Lever OMEGA/GAMMA | Na dotaz | Zadat poptávku | |
| 717 3 WHR15323 |
C00338410
481232138016 |
Lever connection OMEGAconnection OMEG | Na dotaz | Zadat poptávku | |
| 717 5 WHR15323 |
C00342853
481231018459 |
VACKA AKTUATORA OMEG | 265 Kč
€ 10.80 |
||
| 718 0 WHR15323 |
C00332332
481252648051 |
sifon do nasypky | 462 Kč
€ 18.90 |
||
| 718 1 WHR15323 |
C00314031
481241888018 |
ovladac | 396 Kč
€ 16.20 |
||
| 753 1 WHR15323 |
C00312723
481941868234 |
vzdusnik | Na dotaz | Zadat poptávku | |
| 754 0 WHR15323 |
C00312061
481253028826 |
Hadice nádrž-čerpadlo | Na dotaz | Zadat poptávku | |
| 754 1 WHR15323 |
C00309391
481253028832 |
Kulička hadice mezi vanou a čerpadlem pračky Whirpool | 894 Kč
€ 36.60 |
||
| 754 2 WHR15323 |
C00332452
481253029352 |
Příruba eco AWT,AWO/D | 317 Kč
€ 13.00 |
||
| 760 0 WHR15323 |
C00314625
481248058105 |
Filtr čerpadla DELTA | 697 Kč
€ 28.50 |
||
| 781 0 WHR15323 |
C00332470
481253029438 |
Vypouštěcí hadice pračky Whirlpool, Bauknecht, Ignis | 302 Kč
€ 12.40 |
||
| 782 0 WHR15323 |
C00317136
481253028827 |
Hose Pressostat | Na dotaz | Zadat poptávku | |
| 787 0 WHR15323 |
C00315511
481253028813 |
hadice odparovaci | 447 Kč
€ 18.30 |
||
| 787 2 WHR15323 |
C00311154
481940118174 |
Spona odparov.hadica | 122 Kč
€ 5.00 |
||
| 794 5 WHR15323 |
C00319466
481253058098 |
tesneni vzdusniku Náhrada 481010395017 |
Na dotaz | Zadat poptávku | |
| 900 0 WHR15323 |
C00331035
481244138021 |
Holder hose outlet | Na dotaz | Zadat poptávku | |
| 900 1 WHR15323 |
C00327315
481229088086 |
Bracket | Na dotaz | Zadat poptávku | |
| 900 2 WHR15323 |
C00327313
481229088077 |
Cable clamp | Na dotaz | Zadat poptávku | |
| 900 3 WHR15323 |
C00328874
481240118446 |
Cable clamp | Na dotaz | Zadat poptávku | |
| 900 4 WHR15323 |
C00316612
481240118414 |
SPONA39,7 | 37 Kč
€ 1.50 |
||
| 900 5 WHR15323 |
C00309461
481940118529 |
Spona nádrž-čerpadlo | 105 Kč
€ 4.30 |
||
| 900 6 WHR15323 |
C00317960
481240118444 |
Držák topení pračky Whirlpool, Ignis | Na dotaz | Zadat poptávku | |
| 900 7 WHR15323 |
C00327148
481225698031 |
Holder pressostat | Na dotaz | Zadat poptávku | |
| 900 8 WHR15323 |
C00332928
481940118823 |
SPONA | Na dotaz | Zadat poptávku | |
| 900 9 WHR15323 |
C00327126
481225518286 |
Holder Hose outlet left | Na dotaz | Zadat poptávku | |
| 901 3 WHR15323 |
C00318107
481240118549 |
Clamp hose | Na dotaz | Zadat poptávku | |
| 910 1 WHR15323 |
C00332163
481250248344 |
Šroub | Na dotaz | Zadat poptávku | |
| 910 5 WHR15323 |
C00332081
481250218516 |
Screw 4,2 x 13 | Na dotaz | Zadat poptávku | |
| 930 0 WHR15323 |
C00320162
481949238139 |
pruzina | Na dotaz | Zadat poptávku | |
| 930 5 WHR15323 |
C00345870
481249238407 |
Spring Nozzle | Na dotaz | Zadat poptávku | |
| 941 0 WHR15323 |
C00314732
481252028004 |
Ložisko 6206 2Z C3 GJN (SKF) | 236 Kč
€ 9.70 |
||
| 941 1 WHR15323 |
C00344390
481252028072 |
Ložisko 6303 SKF 2Z | 180 Kč
€ 7.40 |
||
| 953 0 WHR15323 |
C00313798
481253058099 |
Shaft seal 1200 | Na dotaz | Zadat poptávku | |
| 961 0 WHR15323 |
C00333324
481953268829 |
Vložka vymezovací | 305 Kč
€ 12.50 |
||
| 965 0 WHR15323 |
C00330912
481246668545 |
Záslepka otvoru po zajišťovacím šroubu bubnu pračky Whirlpool | 206 Kč
€ 8.40 |
||
| 993 0 WHR15323 |
C00316831
481953029028 |
Ohyb plastový/držák vypouštěcí hadice pračky | Na dotaz | Zadat poptávku | |
| 993 3 WHR15323 |
C00328868
481239558004 |
klic montazni | Na dotaz | Zadat poptávku | |