WHIRLPOOL WA OKO PLUS 2400 WP
Zeptejte se. Rádi poradíme.
Marek Proche
Zákaznická podpora
Po–Čt 8:00—17:00
Pá 8:00—15:00
poradna@servis-whirlpool.cz
| Komerční kód: | WA OKO PLUS 2400 WP |
| Kód 12NC: | 858009022700 |
| I.C. kód: | 858009022705 |
| Značka: | WHIRLPOOL |
| Typ produktu: | Pračky |
| Další podobné modely: | 858009022700 |
Potřebujete servis? Jsme tady pro Vás
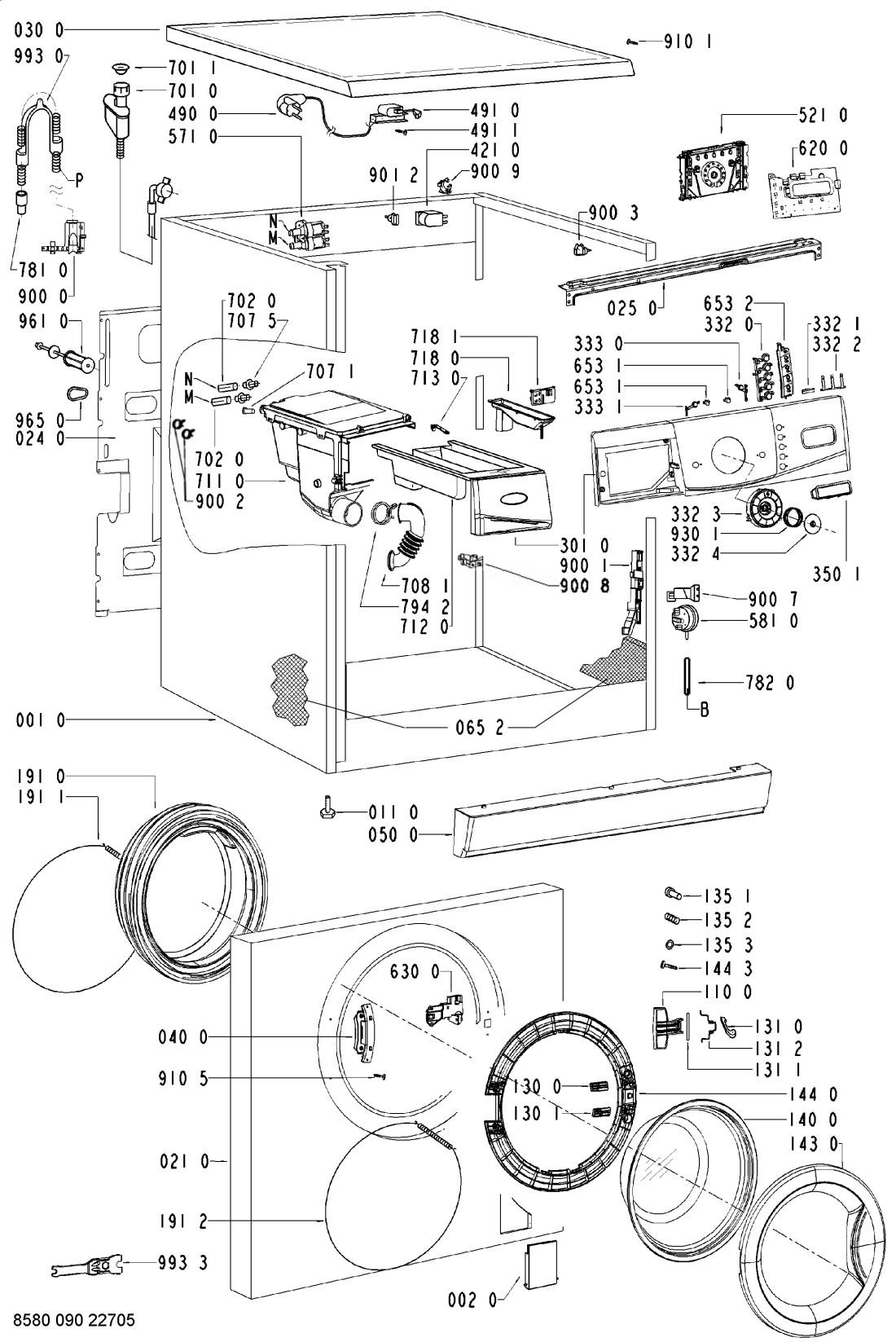
Nabídka náhradních dílů
| Číslo | Kód | Název | Cena | ||
|---|---|---|---|---|---|
| 001 0 WHR49720 |
C00321034
480111101727 |
skrin | Na dotaz | Zadat poptávku | |
| 002 0 WHR49720 |
C00316479
481244011131 |
kryt filtru | Na dotaz | Zadat poptávku | |
| 004 0 WHR49720 |
C00320966
480111100593 |
Drip tray assy | Na dotaz | Zadat poptávku | |
| 011 0 WHR49720 |
C00330679
481246248421 |
Adjust.foot | Na dotaz | Zadat poptávku | |
| 021 0 WHR49720 |
C00459143
481244011639 |
PREDNY PANEL | Na dotaz | Zadat poptávku | |
| 024 0 WHR49720 |
C00316521
481244011544 |
stena zadni | 1 472 Kč
€ 60.50 |
||
| 025 0 WHR49720 |
C00316513
481244011472 |
Support control board | Na dotaz | Zadat poptávku | |
| 030 0 WHR49720 |
C00320907
481244011691 |
Horní deska pračky Whirlpool, Bauknecht | Na dotaz | Zadat poptávku | |
| 040 0 WHR49720 |
C00312018
481241718787 |
Závěs dveří pračky | 625 Kč
€ 25.70 |
||
| 050 0 WHR49720 |
C00313304
481244089097 |
sokl pracky EBL | Na dotaz | Zadat poptávku | |
| 061 0 WHR49720 |
C00321014
480111101567 |
Counter weight upper | Na dotaz | Zadat poptávku | |
| 061 1 WHR49720 |
C00316001
481246688607 |
Counter weight front, bottom | Na dotaz | Zadat poptávku | |
| 061 2 WHR49720 |
C00320419
481231039135 |
Mounting kit weight top | Na dotaz | Zadat poptávku | |
| 065 2 WHR49720 |
C00319867
481231019136 |
Insulation | Na dotaz | Zadat poptávku | |
| 081 0 WHR49720 |
C00311556
480111100195 |
Tlumič pračky Whirlpool | 789 Kč
€ 32.40 |
||
| 084 0 WHR49720 |
C00330907
481246658001 |
drzak pruziny agreg. | Na dotaz | Zadat poptávku | |
| 110 0 WHR49720 |
C00314821
481249818361 |
Handle door | Na dotaz | Zadat poptávku | |
| 130 0 WHR49720 |
C00318057
481241728047 |
desticka uzaveru dv. | 27 Kč
€ 1.10 |
||
| 130 1 WHR49720 |
C00318073
481241728108 |
podlozka | 380 Kč
€ 15.60 |
||
| 131 0 WHR49720 |
C00312433
481241728046 |
Lock Door | Na dotaz | Zadat poptávku | |
| 131 1 WHR49720 |
C00312243
481241728045 |
osa uzaveru dveri | 143 Kč
€ 5.90 |
||
| 131 2 WHR49720 |
C00312651
481249258022 |
Pružina uzávěru dveří | 237 Kč
€ 9.70 |
||
| 135 1 WHR49720 |
C00317048
481249818262 |
pojistka dveri | 227 Kč
€ 9.30 |
||
| 135 2 WHR49720 |
C00317024
481249148004 |
Pružina | 220 Kč
€ 9.00 |
||
| 135 3 WHR49720 |
C00313732
481229068153 |
drzak pojistky | Na dotaz | Zadat poptávku | |
| 140 0 WHR49720 |
C00311241
481245059812 |
Sklo dveří | 2 067 Kč
€ 84.90 |
||
| 143 0 WHR49720 |
C00340318
481244011142 |
Rám dveří vnější EBL | Na dotaz | Zadat poptávku | |
| 144 0 WHR49720 |
C00317167
481244011575 |
Frame door glas | Na dotaz | Zadat poptávku | |
| 144 3 WHR49720 |
C00318393
481250218669 |
sroub pojistka dv. | 267 Kč
€ 11.00 |
||
| 191 0 WHR49720 |
C00311137
481246068617 |
Těsnění dveří, manžeta (TVO) pračky Whirlpool Delta | 1 147 Kč
€ 47.10 |
||
| 191 1 WHR49720 |
C00313764
481249218017 |
spona TVO - vnitřní | 149 Kč
€ 6.10 |
||
| 191 2 WHR49720 |
C00318256
481953058059 |
spona TVO predni st. | Na dotaz | Zadat poptávku | |
| 200 1 WHR49720 |
C00316603
481241818669 |
nadrz predni cast | Na dotaz | Zadat poptávku | |
| 200 2 WHR49720 |
C00314631
481241818671 |
Tub 50L,1400 rear | Na dotaz | Zadat poptávku | |
| 200 4 WHR49720 |
C00327320
481229088117 |
Clamp for Tub | Na dotaz | Zadat poptávku | |
| 220 0 WHR49720 |
C00312811
481241818587 |
Drum 50/48 L 1400 SS Bush | Na dotaz | Zadat poptávku | |
| 271 0 WHR49720 |
C00311078
481235818056 |
Řemen PV 1250 J4 EL pračky Whirlpool | 100 Kč
€ 4.10 |
||
| 272 0 WHR49720 |
C00313543
481252858041 |
remenice bubnu | 1 104 Kč
€ 45.40 |
||
| 272 3 WHR49720 |
C00313776
481250518371 |
matice remenice | Na dotaz | Zadat poptávku | |
| 292 0 WHR49720 |
C00311501
481253058101 |
těsnění bočnice | 694 Kč
€ 28.50 |
||
| 301 0 WHR49720 |
C00427065
480111102881 |
Control panel + handle drawer | Na dotaz | Zadat poptávku | |
| 332 0 WHR49720 |
C00329331
481241029526 |
tlacitko | Na dotaz | Zadat poptávku | |
| 332 1 WHR49720 |
C00319933
481241029542 |
tlacitko | Na dotaz | Zadat poptávku | |
| 332 2 WHR49720 |
C00318201
481249238414 |
pruzina tlacitka | Na dotaz | Zadat poptávku | |
| 332 3 WHR49720 |
C00320946
480111100158 |
vlozka program. uz nebude !!!!! | Na dotaz | Zadat poptávku | |
| 332 4 WHR49720 |
C00319929
481241029528 |
vlozka | Na dotaz | Zadat poptávku | |
| 333 0 WHR49720 |
C00319925
481241029525 |
tlačítko | Na dotaz | Zadat poptávku | |
| 333 1 WHR49720 |
C00319921
481241029524 |
tlačítko | Na dotaz | Zadat poptávku | |
| 350 1 WHR49720 |
C00330861
481246469316 |
rám | Na dotaz | Zadat poptávku | |
| 400 0 WHR49720 |
C00311300
481236158507 |
Motor pračky Whirlpool, Bauknecht | 4 267 Kč
€ 175.30 |
||
| 400 1 WHR49720 |
C00332114
481250218737 |
Screw 8x38 | Na dotaz | Zadat poptávku | |
| 409 0 WHR49720 |
C00311127
481236248004 |
Brush,carbon, Motor CESET | Na dotaz | Zadat poptávku | |
| 421 0 WHR49720 |
C00311350
481212118285 |
Filtr odrušovací 1 uF | 294 Kč
€ 12.10 |
||
| 430 0 WHR49720 |
C00313238
481236018578 |
Čerpadlo vypouštěcí pračky Whirlpool, Bauknecht | 1 332 Kč
€ 54.70 |
||
| 451 0 WHR49720 |
C00318278
481225928919 |
Heating element 2050W, 230V + NTC | Na dotaz | Zadat poptávku | |
| 480 0 WHR49720 |
C00313012
480111100719 |
Kabeláž Motor 7-pole DOMINO | 764 Kč
€ 31.40 |
||
| 490 0 WHR49720 |
C00316393
481932118136 |
Flexo kabel 2 m, konektory | Na dotaz | Zadat poptávku | |
| 491 0 WHR49720 |
C00309418
481232128367 |
Přechodka | 324 Kč
€ 13.30 |
||
| 491 1 WHR49720 |
C00318425
481250238152 |
Screw 4.8x19 | Na dotaz | Zadat poptávku | |
| 521 0 WHR49720 |
C00326997
481221470733 |
Control unit DOMINO,G1-basic | Na dotaz | Zadat poptávku | |
| 521 0 WHR49720 |
C00455407
481221470442 |
Control unit DOMINO, programmed | Na dotaz | Zadat poptávku | |
| 571 0 WHR49720 |
C00311060
481227128558 |
Napouštěcí ventil pračky - dvoucestný, rohový | 222 Kč
€ 9.10 |
||
| 581 0 WHR49720 |
C00311217
481227128554 |
Presostat pračky | 207 Kč
€ 8.50 |
||
| 620 0 WHR49720 |
C00314623
481223958077 |
Modul displeje pračky Whirlpool | 3 403 Kč
€ 139.80 |
||
| 630 0 WHR49720 |
C00311250
481228058048 |
Door lock Rold DA069516 | Na dotaz | Zadat poptávku | |
| 631 0 WHR49720 |
C00314788
480111100338 |
spinac | 803 Kč
€ 33.00 |
||
| 631 1 WHR49720 |
C00315271
481236058112 |
Plovák hladinového spínače pračky Whirlpool, Bauknecht | 186 Kč
€ 7.60 |
||
| 653 1 WHR49720 |
C00316219
481213448377 |
svetlovod | Na dotaz | Zadat poptávku | |
| 653 2 WHR49720 |
C00326844
481213448381 |
svetlovod | Na dotaz | Zadat poptávku | |
| 691 0 WHR49720 |
C00313117
481228219485 |
senzor NTC | 857 Kč
€ 35.20 |
||
| 701 0 WHR49720 |
C00312612
481953028926 |
Hose inlet 2.5 m (Eltek) | Na dotaz | Zadat poptávku | |
| 701 0 WHR49720 |
C00332408
481253028781 |
HYDRO-SECURITY 4m 90# 10 BAR straight | Na dotaz | Zadat poptávku | |
| 701 1 WHR49720 |
C00316490
481946669704 |
tesneni + sitko | 173 Kč
€ 7.10 |
||
| 702 0 WHR49720 |
C00315519
481253029405 |
hadice od ventilu | 108 Kč
€ 4.40 |
||
| 707 1 WHR49720 |
C00330775
481246279955 |
Threaded cap for dispenser | Na dotaz | Zadat poptávku | |
| 707 5 WHR49720 |
C00327352
481231019102 |
Tryska násypky pračky | 303 Kč
€ 12.40 |
||
| 708 1 WHR49720 |
C00313009
481253048143 |
hadice k násypce pračky Whirlpool uz nebude !!!! | Na dotaz | Zadat poptávku | |
| 711 0 WHR49720 |
C00311070
481241868391 |
teleso nasypky | 1 697 Kč
€ 69.70 |
||
| 712 0 WHR49720 |
C00320425
481241868436 |
Drawer | Na dotaz | Zadat poptávku | |
| 713 0 WHR49720 |
C00312158
481241868382 |
Pojistka násypky | 305 Kč
€ 12.50 |
||
| 718 0 WHR49720 |
C00327923
481241889098 |
Siphon blue | Na dotaz | Zadat poptávku | |
| 718 1 WHR49720 |
C00332364
481252648272 |
Separator blue | Na dotaz | Zadat poptávku | |
| 753 1 WHR49720 |
C00312723
481941868234 |
vzdusnik | Na dotaz | Zadat poptávku | |
| 754 0 WHR49720 |
C00312061
481253028826 |
Hadice nádrž-čerpadlo | Na dotaz | Zadat poptávku | |
| 754 1 WHR49720 |
C00309391
481253028832 |
Kulička hadice mezi vanou a čerpadlem pračky Whirpool | 894 Kč
€ 36.70 |
||
| 754 2 WHR49720 |
C00332452
481253029352 |
Příruba eco AWT,AWO/D | 317 Kč
€ 13.00 |
||
| 760 0 WHR49720 |
C00314625
481248058105 |
Filtr čerpadla DELTA | 697 Kč
€ 28.60 |
||
| 781 0 WHR49720 |
C00332470
481253029438 |
Vypouštěcí hadice pračky Whirlpool, Bauknecht, Ignis | 302 Kč
€ 12.40 |
||
| 782 0 WHR49720 |
C00317136
481253028827 |
Hose Pressostat | Na dotaz | Zadat poptávku | |
| 794 2 WHR49720 |
C00318107
481240118549 |
Clamp hose | Na dotaz | Zadat poptávku | |
| 794 5 WHR49720 |
C00319466
481253058098 |
tesneni vzdusniku Náhrada 481010395017 |
Na dotaz | Zadat poptávku | |
| 900 0 WHR49720 |
C00331035
481244138021 |
Holder hose outlet | Na dotaz | Zadat poptávku | |
| 900 1 WHR49720 |
C00327315
481229088086 |
Bracket | Na dotaz | Zadat poptávku | |
| 900 2 WHR49720 |
C00328881
481240118501 |
Svorka hadice 1 | 87 Kč
€ 3.60 |
||
| 900 3 WHR49720 |
C00328874
481240118446 |
Cable clamp | Na dotaz | Zadat poptávku | |
| 900 4 WHR49720 |
C00316612
481240118414 |
SPONA39,7 | 37 Kč
€ 1.50 |
||
| 900 5 WHR49720 |
C00309461
481940118529 |
Spona nádrž-čerpadlo | 105 Kč
€ 4.30 |
||
| 900 6 WHR49720 |
C00317960
481240118444 |
Držák topení pračky Whirlpool, Ignis | Na dotaz | Zadat poptávku | |
| 900 7 WHR49720 |
C00327148
481225698031 |
Holder pressostat | Na dotaz | Zadat poptávku | |
| 900 8 WHR49720 |
C00320945
480111100143 |
Holder hose right | Na dotaz | Zadat poptávku | |
| 900 9 WHR49720 |
C00327126
481225518286 |
Holder Hose outlet left | Na dotaz | Zadat poptávku | |
| 901 2 WHR49720 |
C00327313
481229088077 |
Cable clamp | Na dotaz | Zadat poptávku | |
| 910 1 WHR49720 |
C00332163
481250248344 |
Šroub | Na dotaz | Zadat poptávku | |
| 910 5 WHR49720 |
C00312157
481250218815 |
Šroub | 62 Kč
€ 2.50 |
||
| 930 0 WHR49720 |
C00320162
481949238139 |
pruzina | Na dotaz | Zadat poptávku | |
| 930 1 WHR49720 |
C00315030
481249228222 |
Pružina tlačítka | Na dotaz | Zadat poptávku | |
| 941 0 WHR49720 |
C00314254
481252028003 |
BEARING 6306 2Z C3 GJN | Na dotaz | Zadat poptávku | |
| 941 1 WHR49720 |
C00315491
481252028005 |
BEARING 6304 2Z C3 | Na dotaz | Zadat poptávku | |
| 953 0 WHR49720 |
C00332640
481253058185 |
gufero 50x70x12 | Na dotaz | Zadat poptávku | |
| 961 0 WHR49720 |
C00464886
481253268148 |
Lever,security | Na dotaz | Zadat poptávku | |
| 965 0 WHR49720 |
C00330912
481246668545 |
Záslepka otvoru po zajišťovacím šroubu bubnu pračky Whirlpool | 206 Kč
€ 8.50 |
||
| 993 0 WHR49720 |
C00316831
481953029028 |
Ohyb plastový/držák vypouštěcí hadice pračky | Na dotaz | Zadat poptávku | |
| 993 3 WHR49720 |
C00328868
481239558004 |
klic montazni | Na dotaz | Zadat poptávku | |
| 999 WHR49720 |
C00353173 | Testprogram WHP | Na dotaz | Zadat poptávku | |