BAUKNECHT WAB 1000
Zeptejte se. Rádi poradíme.
Marek Proche
Zákaznická podpora
Po–Čt 8:00—17:00
Pá 8:00—15:00
poradna@servis-whirlpool.cz
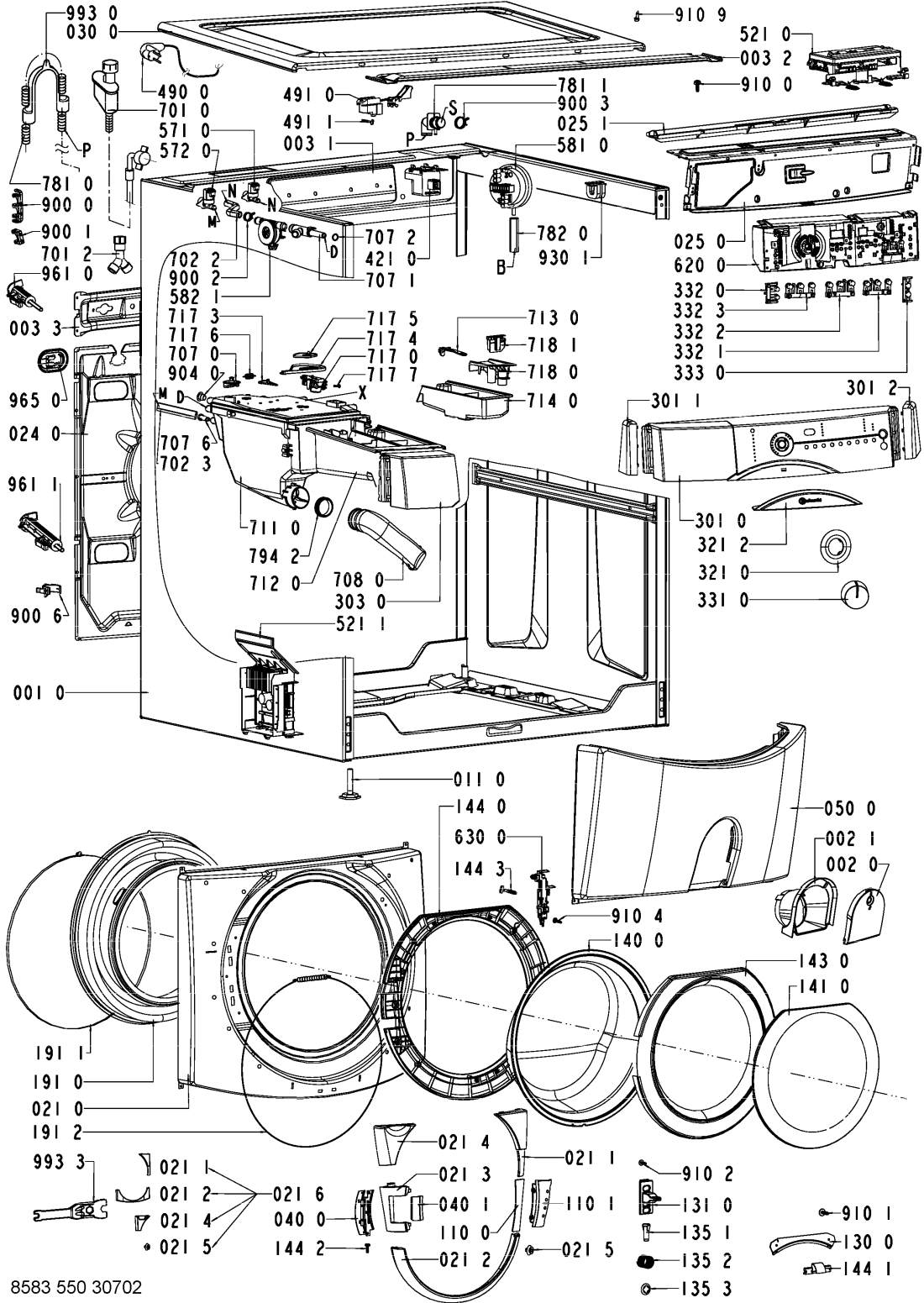
| Komerční kód: | WAB 1000 |
| Kód 12NC: | 858355030700 |
| I.C. kód: | 858355030702 |
| Značka: | BAUKNECHT |
| Typ produktu: | Pračky |
| Další podobné modely: | 858355312701, 858355312800, 858355312801, 858355030701, 858355312700, 858355030700 |
Potřebujete servis? Jsme tady pro Vás
Nabídka náhradních dílů
| Číslo | Kód | Název | Cena | ||
|---|---|---|---|---|---|
| 001 0 WHR44106 |
C00328034
481244011517 |
Cabinet Service Kit (cold + hot) | Na dotaz | Zadat poptávku | |
| 002 0 WHR44106 |
C00316453
481244010966 |
kryt filtru | Na dotaz | Zadat poptávku | |
| 002 1 WHR44106 |
C00320815
481244098221 |
Protector | Na dotaz | Zadat poptávku | |
| 003 1 WHR44106 |
C00330831
481246448169 |
Crossbar rear | Na dotaz | Zadat poptávku | |
| 003 2 WHR44106 |
C00330833
481246448175 |
Crossbar table top | Na dotaz | Zadat poptávku | |
| 003 3 WHR44106 |
C00330834
481246448176 |
Crossbar transport | Na dotaz | Zadat poptávku | |
| 004 0 WHR44106 |
C00328017
481244011483 |
Drip tray assy | Na dotaz | Zadat poptávku | |
| 011 0 WHR44106 |
C00330464
481246218303 |
Adjust. foot | Na dotaz | Zadat poptávku | |
| 021 0 WHR44106 |
C00491713
481244010624 |
Front panel white | Na dotaz | Zadat poptávku | |
| 021 1 WHR44106 |
C00493551
481244098117 |
Shield Top right, grey | Na dotaz | Zadat poptávku | |
| 021 2 WHR44106 |
C00493552
481244098118 |
Shield Base, grey | Na dotaz | Zadat poptávku | |
| 021 3 WHR44106 |
C00485156
481244098119 |
Cover hinge | Na dotaz | Zadat poptávku | |
| 021 4 WHR44106 |
C00604788
481244098116 |
Shield Top left, grey. | Na dotaz | Zadat poptávku | |
| 021 5 WHR44106 |
C00319577
481240478466 |
SPONA PLAST | Na dotaz | Zadat poptávku | |
| 021 6 WHR44106 |
C00493553
481244098153 |
Shield cpl. grey | Na dotaz | Zadat poptávku | |
| 024 0 WHR44106 |
C00328003
481244011437 |
Panel rear | Na dotaz | Zadat poptávku | |
| 025 0 WHR44106 |
C00327961
481244010789 |
Bracket control board | Na dotaz | Zadat poptávku | |
| 025 1 WHR44106 |
C00328040
481244011543 |
TRUBKA PLAST | Na dotaz | Zadat poptávku | |
| 030 0 WHR44106 |
C00327965
481244010798 |
Table top white | Na dotaz | Zadat poptávku | |
| 040 0 WHR44106 |
C00329713
481241719179 |
Hinge cpl. | Na dotaz | Zadat poptávku | |
| 040 1 WHR44106 |
C00484935
481241778083 |
Cover Hinge | Na dotaz | Zadat poptávku | |
| 050 0 WHR44106 |
C00330223
481245938064 |
Plinth white | Na dotaz | Zadat poptávku | |
| 061 0 WHR44106 |
C00331009
481246688705 |
Counter weight rear | Na dotaz | Zadat poptávku | |
| 061 1 WHR44106 |
C00331494
481246688706 |
zavazi predni | 1 291 Kč
€ 53.00 |
||
| 081 0 WHR44106 |
C00311627
481246648095 |
Tlumič pračky Whirlpool | 687 Kč
€ 28.20 |
||
| 086 0 WHR44106 |
C00331290
481245218994 |
Screw M8x20 A2F | Na dotaz | Zadat poptávku | |
| 086 1 WHR44106 |
C00332171
481250518367 |
Nut push in M 8 | Na dotaz | Zadat poptávku | |
| 110 0 WHR44106 |
C00339967
481249818274 |
vlozka | 185 Kč
€ 7.60 |
||
| 110 1 WHR44106 |
C00487766
481249818229 |
rukojet dveri | 838 Kč
€ 34.40 |
||
| 130 0 WHR44106 |
C00329783
481241728086 |
Plate door lock | Na dotaz | Zadat poptávku | |
| 131 0 WHR44106 |
C00316912
481241728087 |
hak uzaveru dveri | 448 Kč
€ 18.40 |
||
| 135 1 WHR44106 |
C00345882
481249818264 |
Pin door safety | Na dotaz | Zadat poptávku | |
| 135 2 WHR44106 |
C00345874
481249258044 |
Spring doof safety | Na dotaz | Zadat poptávku | |
| 135 3 WHR44106 |
C00332658
481253218068 |
Washer door safety | Na dotaz | Zadat poptávku | |
| 140 0 WHR44106 |
C00317746
481245078023 |
sklo dveří | Na dotaz | Zadat poptávku | |
| 141 0 WHR44106 |
C00486123
481246638083 |
Protector door LUSTRAN 32 + Foil | Na dotaz | Zadat poptávku | |
| 143 0 WHR44106 |
C00485072
481244011049 |
Glassdoor frame ALU | Na dotaz | Zadat poptávku | |
| 144 0 WHR44106 |
C00314061
481244010834 |
priruba dveri | 1 500 Kč
€ 61.60 |
||
| 144 1 WHR44106 |
C00497565
481240148585 |
Clamp | Na dotaz | Zadat poptávku | |
| 144 2 WHR44106 |
C00332749
481256018068 |
ScrewDIN 7500, CM 5x14 | Na dotaz | Zadat poptávku | |
| 144 3 WHR44106 |
C00316665
481250248015 |
Šroub 4x16 | 68 Kč
€ 2.80 |
||
| 191 0 WHR44106 |
C00311191
481246668784 |
Těsnění dveří pračky (TVO 8900) | Na dotaz | Zadat poptávku | |
| 191 0 WHR44106 |
C00313179
481246668785 |
Těsnění dveří, manžeta (TVO) pračky Whirlpool | 1 348 Kč
€ 55.40 |
||
| 191 1 WHR44106 |
C00312587
481240118657 |
spona TVO - nadrz - VYŘAZENO | Na dotaz | Zadat poptávku | |
| 191 2 WHR44106 |
C00313447
481240118621 |
spona TVO | Na dotaz | Zadat poptávku | |
| 200 1 WHR44106 |
C00312060
481241818448 |
Tub USA, Frontpart cpl. | Na dotaz | Zadat poptávku | |
| 200 2 WHR44106 |
C00312181
481241818449 |
nadrz zadni cast 8000 480111101804 | Na dotaz | Zadat poptávku | |
| 200 4 WHR44106 |
C00314317
481229088054 |
Spona nádrže | 378 Kč
€ 15.50 |
||
| 220 0 WHR44106 |
C00313847
480111101788 |
Drum high cpl. | Na dotaz | Zadat poptávku | |
| 223 0 WHR44106 |
C00312209
480111101778 |
Drum lifter 1x | Na dotaz | Zadat poptávku | |
| 223 1 WHR44106 |
C00314473
480111101779 |
Drum lifter Set 3x | Na dotaz | Zadat poptávku | |
| 271 0 WHR44106 |
C00313727
481235818209 |
Belt J7 | Na dotaz | Zadat poptávku | |
| 272 0 WHR44106 |
C00314756
481252858037 |
Řemenice bubnu | 3 018 Kč
€ 124.00 |
||
| 272 1 WHR44106 |
C00320189
481253228944 |
Nut M16 f. pulley, drum | Na dotaz | Zadat poptávku | |
| 290 0 WHR44106 |
C00312613
481253268124 |
tesneni bocnice | 622 Kč
€ 25.60 |
||
| 301 0 WHR44106 |
C00462787
481245310813 |
Control panel + handle drawer | Na dotaz | Zadat poptávku | |
| 301 1 WHR44106 |
C00491801
481245211609 |
End cap left | Na dotaz | Zadat poptávku | |
| 301 2 WHR44106 |
C00491800
481245211608 |
End cap right | Na dotaz | Zadat poptávku | |
| 303 0 WHR44106 |
C00464709
481249878718 |
Handle drawer grey, 1-10kg | Na dotaz | Zadat poptávku | |
| 321 0 WHR44106 |
C00489604
481245214258 |
Insert rear Knob | Na dotaz | Zadat poptávku | |
| 321 2 WHR44106 |
C00493564
481245211611 |
Filling piece door | Na dotaz | Zadat poptávku | |
| 331 0 WHR44106 |
C00487417
481241318285 |
Knob with spring | Na dotaz | Zadat poptávku | |
| 332 0 WHR44106 |
C00491640
481241028951 |
Button assy 2x, Opt., grey | Na dotaz | Zadat poptávku | |
| 332 1 WHR44106 |
C00491641
481241028954 |
Button assy 3x, right, grey | Na dotaz | Zadat poptávku | |
| 332 2 WHR44106 |
C00457745
481241029458 |
Button assy 3x, mid, grey | Na dotaz | Zadat poptávku | |
| 332 3 WHR44106 |
C00457746
481241029459 |
Button assy 3x, left, grey | Na dotaz | Zadat poptávku | |
| 333 0 WHR44106 |
C00491639
481241028949 |
Button Start grey | Na dotaz | Zadat poptávku | |
| 400 0 WHR44106 |
C00312017
481236158446 |
motor | Na dotaz | Zadat poptávku | |
| 421 0 WHR44106 |
C00311350
481212118285 |
Filtr odrušovací 1 uF | 294 Kč
€ 12.10 |
||
| 430 0 WHR44106 |
C00311628
481236018597 |
Pump cpl. | Na dotaz | Zadat poptávku | |
| 430 1 WHR44106 |
C00330950
481246668879 |
Damper rubber rear | Na dotaz | Zadat poptávku | |
| 430 2 WHR44106 |
C00330929
481246668758 |
Damper rubber front | Na dotaz | Zadat poptávku | |
| 451 0 WHR44106 |
C00318968
481225928871 |
topne teleso | 2 898 Kč
€ 119.10 |
||
| 451 1 WHR44106 |
C00328887
481240118581 |
drzak topeni | Na dotaz | Zadat poptávku | |
| 451 2 WHR44106 |
C00321045
480111102073 |
sroub | Na dotaz | Zadat poptávku | |
| 480 0 WHR44106 |
C00315043
480111100003 |
Cable harness motor | Na dotaz | Zadat poptávku | |
| 480 1 WHR44106 |
C00320937
480111100004 |
kabely propojovaci | Na dotaz | Zadat poptávku | |
| 480 2 WHR44106 |
C00328537
481232178367 |
Cable harness valve | Na dotaz | Zadat poptávku | |
| 490 0 WHR44106 |
C00316393
481932118136 |
Flexo kabel 2 m, konektory | Na dotaz | Zadat poptávku | |
| 491 0 WHR44106 |
C00309418
481232128367 |
Přechodka | 324 Kč
€ 13.30 |
||
| 491 1 WHR44106 |
C00318425
481250238152 |
Screw 4.8x19 | Na dotaz | Zadat poptávku | |
| 521 0 WHR44106 |
C00314534
480111100437 |
Programátor | 2 686 Kč
€ 110.40 |
||
| 521 0 WHR44106 |
C00386881
481221470834 |
Control unit OMEGA, programmed | Na dotaz | Zadat poptávku | |
| 521 1 WHR44106 |
C00321015
480111101578 |
Control unit | Na dotaz | Zadat poptávku | |
| 571 0 WHR44106 |
C00311295
481228128429 |
ventil | 984 Kč
€ 40.40 |
||
| 572 0 WHR44106 |
C00311352
481228128432 |
ventil napousteci | 1 013 Kč
€ 41.60 |
||
| 581 0 WHR44106 |
C00312320
481227128582 |
presostat | 932 Kč
€ 38.30 |
||
| 582 1 WHR44106 |
C00311355
481227128522 |
prutokomer | 1 666 Kč
€ 68.40 |
||
| 620 0 WHR44106 |
C00456585
481227628453 |
User board CUIO | Na dotaz | Zadat poptávku | |
| 630 0 WHR44106 |
C00311292
481228058041 |
Blokování dveří pračky | 5 204 Kč
€ 213.80 |
||
| 631 0 WHR44106 |
C00315275
481236058336 |
plovak | 910 Kč
€ 37.40 |
||
| 691 0 WHR44106 |
C00311549
481225928863 |
senzor NTC | 814 Kč
€ 33.40 |
||
| 701 0 WHR44106 |
C00312612
481953028926 |
Hose inlet 2.5 m (Eltek) | Na dotaz | Zadat poptávku | |
| 701 0 WHR44106 |
C00332408
481253028781 |
HYDRO-SECURITY 4m 90# 10 BAR straight | Na dotaz | Zadat poptávku | |
| 701 2 WHR44106 |
C00343062
481952648467 |
Coupling piece | Na dotaz | Zadat poptávku | |
| 702 2 WHR44106 |
C00318813
481253029264 |
Hose flowmeter | Na dotaz | Zadat poptávku | |
| 702 3 WHR44106 |
C00332428
481253029263 |
Hose valve-dispenser | Na dotaz | Zadat poptávku | |
| 707 0 WHR44106 |
C00498599
481252648143 |
Reflector hot water | Na dotaz | Zadat poptávku | |
| 707 1 WHR44106 |
C00318611
481252648228 |
Nozzle inlet cold | Na dotaz | Zadat poptávku | |
| 707 2 WHR44106 |
C00317192
481263058102 |
O-Ring 8,1 x 1,6 mm | Na dotaz | Zadat poptávku | |
| 707 6 WHR44106 |
C00332326
481252648035 |
Nozzle warm | Na dotaz | Zadat poptávku | |
| 708 0 WHR44106 |
C00332515
481253048626 |
Bend | Na dotaz | Zadat poptávku | |
| 711 0 WHR44106 |
C00379468
481241868397 |
Dispenser without window rinse | Na dotaz | Zadat poptávku | |
| 712 0 WHR44106 |
C00313376
481241889012 |
zasuvka nasypky | 1 300 Kč
€ 53.40 |
||
| 713 0 WHR44106 |
C00317127
481241889013 |
Hook drawer | Na dotaz | Zadat poptávku | |
| 714 0 WHR44106 |
C00314025
481241879819 |
vlozka nasypky | 152 Kč
€ 6.20 |
||
| 717 0 WHR44106 |
C00314912
481232318006 |
motorek distribuce vody násypky pračky | 580 Kč
€ 23.80 |
||
| 717 3 WHR44106 |
C00328524
481232138026 |
Lever connection | Na dotaz | Zadat poptávku | |
| 717 4 WHR44106 |
C00318028
481232138027 |
PACKA PLAST | 68 Kč
€ 2.80 |
||
| 717 5 WHR44106 |
C00318635
481252838069 |
VACKA PLAST | Na dotaz | Zadat poptávku | |
| 717 6 WHR44106 |
C00313668
481249258045 |
Spring f. lever | Na dotaz | Zadat poptávku | |
| 717 7 WHR44106 |
C00332095
481250218623 |
Screw PT3,5x20-TORx20 | Na dotaz | Zadat poptávku | |
| 718 0 WHR44106 |
C00316004
481252648132 |
mrizka | Na dotaz | Zadat poptávku | |
| 718 1 WHR44106 |
C00314039
481241888994 |
vlozka nasypky | 162 Kč
€ 6.70 |
||
| 753 0 WHR44106 |
C00315669
481241868292 |
Chamber,air | Na dotaz | Zadat poptávku | |
| 754 0 WHR44106 |
C00315244
481253029414 |
hadice k cerpadlu | Na dotaz | Zadat poptávku | |
| 754 1 WHR44106 |
C00332473
481253029445 |
Lock eco ball | Na dotaz | Zadat poptávku | |
| 754 4 WHR44106 |
C00328901
481240118623 |
Clamp 98,5 mm | Na dotaz | Zadat poptávku | |
| 760 0 WHR44106 |
C00315672
481248058317 |
filtr cerpadla 8900 | Na dotaz | Zadat poptávku | |
| 760 1 WHR44106 |
C00314405
481246688707 |
Těsnění | 716 Kč
€ 29.40 |
||
| 781 0 WHR44106 |
C00315517
481253029376 |
Vypouštěcí hadice pračky Whirlpool | 434 Kč
€ 17.80 |
||
| 781 1 WHR44106 |
C00332437
481253029282 |
Hose connection outlet | Na dotaz | Zadat poptávku | |
| 782 0 WHR44106 |
C00314458
481253029196 |
Hose pressostat,with protector | Na dotaz | Zadat poptávku | |
| 783 4 WHR44106 |
C00314898
481253029413 |
hadice | Na dotaz | Zadat poptávku | |
| 785 0 WHR44106 |
C00313794
481253029303 |
hadice cerpadlo vyp. | Na dotaz | Zadat poptávku | |
| 785 1 WHR44106 |
C00498413
481246279641 |
Stopper | Na dotaz | Zadat poptávku | |
| 787 0 WHR44106 |
C00315511
481253028813 |
hadice odparovaci | 447 Kč
€ 18.40 |
||
| 787 1 WHR44106 |
C00311154
481940118174 |
Spona odparov.hadica | 122 Kč
€ 5.00 |
||
| 787 5 WHR44106 |
C00328902
481240118624 |
spona | 68 Kč
€ 2.80 |
||
| 794 2 WHR44106 |
C00317164
481253058164 |
Sealing | Na dotaz | Zadat poptávku | |
| 794 5 WHR44106 |
C00319466
481253058098 |
tesneni vzdusniku Náhrada 481010395017 |
Na dotaz | Zadat poptávku | |
| 900 0 WHR44106 |
C00327127
481225518288 |
Holder Hose outlet | Na dotaz | Zadat poptávku | |
| 900 1 WHR44106 |
C00327128
481225518289 |
holder Hose outlet, single | Na dotaz | Zadat poptávku | |
| 900 2 WHR44106 |
C00328881
481240118501 |
Svorka hadice 1 | 87 Kč
€ 3.60 |
||
| 900 3 WHR44106 |
C00328904
481240118626 |
Clamp 32,7 mm | Na dotaz | Zadat poptávku | |
| 900 4 WHR44106 |
C00328905
481240118627 |
Clamp 40 mm | Na dotaz | Zadat poptávku | |
| 900 5 WHR44106 |
C00328906
481240118628 |
Clamp hose 15,5 mm | Na dotaz | Zadat poptávku | |
| 900 6 WHR44106 |
C00327122
481225518249 |
Holder drainhose inner | Na dotaz | Zadat poptávku | |
| 904 0 WHR44106 |
C00330758
481246279893 |
Threaded cap for dispenser | Na dotaz | Zadat poptávku | |
| 910 0 WHR44106 |
C00332163
481250248344 |
Šroub | Na dotaz | Zadat poptávku | |
| 910 1 WHR44106 |
C00332096
481250218624 |
Screw 3.5x10-F A2F | Na dotaz | Zadat poptávku | |
| 910 2 WHR44106 |
C00332153
481250238352 |
Screw 4x10 | Na dotaz | Zadat poptávku | |
| 910 4 WHR44106 |
C00316741
481293008022 |
Šroub | Na dotaz | Zadat poptávku | |
| 910 5 WHR44106 |
C00345895
481250218382 |
Screw M8 X 35 | Na dotaz | Zadat poptávku | |
| 910 6 WHR44106 |
C00332154
481250238355 |
Screw 4,2x16 T20 | Na dotaz | Zadat poptávku | |
| 910 9 WHR44106 |
C00332147
481250218827 |
Screw 4.2x14.2 | Na dotaz | Zadat poptávku | |
| 921 0 WHR44106 |
C00325593
481201118523 |
spona | 94 Kč
€ 3.90 |
||
| 930 0 WHR44106 |
C00345084
481249238403 |
Pružina agregátu-sada 2ks | Na dotaz | Zadat poptávku | |
| 930 1 WHR44106 |
C00345868
481249238388 |
Silent bloc | 41 Kč
€ 1.70 |
||
| 941 0 WHR44106 |
C00315000
481252028183 |
Ložisko 6307 2Z C3 GJN (SKF) | Na dotaz | Zadat poptávku | |
| 941 1 WHR44106 |
C00314732
481252028004 |
Ložisko 6206 2Z C3 GJN (SKF) | 236 Kč
€ 9.70 |
||
| 952 1 WHR44106 |
C00332314
481252448014 |
Bushingf. shaft seal | Na dotaz | Zadat poptávku | |
| 953 0 WHR44106 |
C00332646
481253068029 |
Shaft seal | Na dotaz | Zadat poptávku | |
| 961 0 WHR44106 |
C00327221
481226818018 |
Distance sleeve upper | Na dotaz | Zadat poptávku | |
| 961 1 WHR44106 |
C00327222
481226818019 |
kus distancni | Na dotaz | Zadat poptávku | |
| 965 0 WHR44106 |
C00330934
481246668812 |
Cover | Na dotaz | Zadat poptávku | |
| 965 1 WHR44106 |
C00317606
481226278011 |
Threaded cap tub rear part | Na dotaz | Zadat poptávku | |
| 993 0 WHR44106 |
C00316831
481953029028 |
Ohyb plastový/držák vypouštěcí hadice pračky | Na dotaz | Zadat poptávku | |
| 993 3 WHR44106 |
C00328868
481239558004 |
klic montazni | Na dotaz | Zadat poptávku | |
| 999 WHR44106 |
C00355552 | Testprogram WHP | Na dotaz | Zadat poptávku | |