BAUKNECHT WAE 8988/2 WASHING MACHINES BK
Zeptejte se. Rádi poradíme.
Marek Proche
Zákaznická podpora
Po–Čt 8:00—17:00
Pá 8:00—15:00
poradna@servis-whirlpool.cz
| Komerční kód: | WAE 8988/2 WASHING MACHINES BK |
| Kód 12NC/I.C. kód: | 858356372900 |
| Značka: | BAUKNECHT |
| Typ produktu: | Pračky |
| Další podobné modely: | 858356372000 |
Potřebujete servis? Jsme tady pro Vás
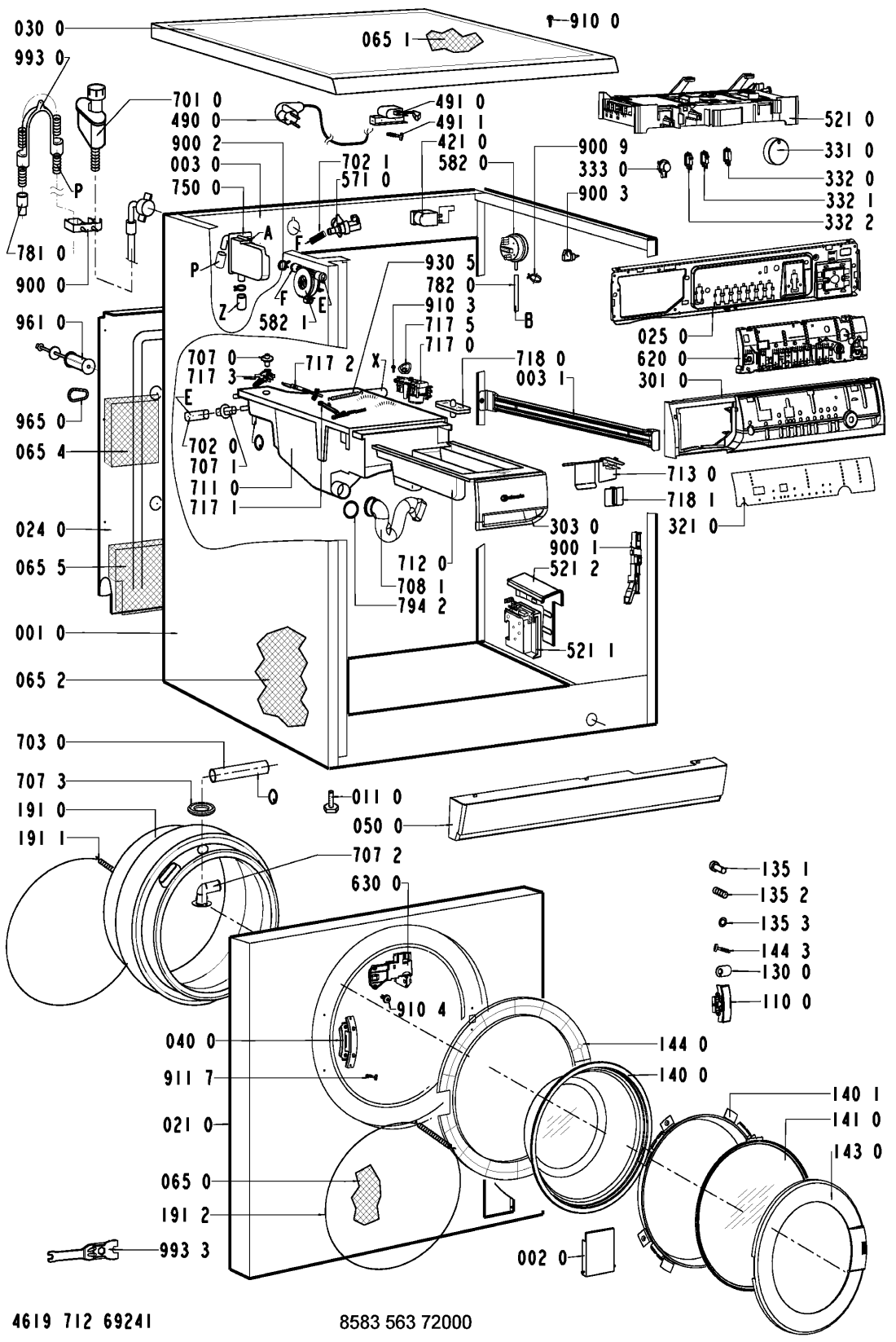
Nabídka náhradních dílů
| Číslo | Kód | Název | Cena | ||
|---|---|---|---|---|---|
| 001 0 WHR42761 |
C00343945
481244010816 |
Cabinet | Na dotaz | Zadat poptávku | |
| 002 0 WHR42761 |
C00340841
481244010812 |
Flap Filter square GW | Na dotaz | Zadat poptávku | |
| 003 0 WHR42761 |
C00342257
481246448112 |
pricka skrine zadni | Na dotaz | Zadat poptávku | |
| 003 1 WHR42761 |
C00319647
481246448161 |
sada odhlučňovací | Na dotaz | Zadat poptávku | |
| 004 0 WHR42761 |
C00497924
481244018993 |
ZBERAC AQUA DELTA | Na dotaz | Zadat poptávku | |
| 011 0 WHR42761 |
C00340814
481946248472 |
Foot | Na dotaz | Zadat poptávku | |
| 021 0 WHR42761 |
C00491723
481244010827 |
Front chopper, square Flap GW | Na dotaz | Zadat poptávku | |
| 024 0 WHR42761 |
C00341514
481231018653 |
Panel, rear SS KIT | Na dotaz | Zadat poptávku | |
| 025 0 WHR42761 |
C00527933
481244010467 |
Holder VBL BK | Na dotaz | Zadat poptávku | |
| 030 0 WHR42761 |
C00553557
481244010926 |
Table top BK3/D | Na dotaz | Zadat poptávku | |
| 040 0 WHR42761 |
C00488944
481241719023 |
Hinge door cpl. VBL BK | Na dotaz | Zadat poptávku | |
| 050 0 WHR42761 |
C00489312
481244089046 |
Plinth VBL BK GW | Na dotaz | Zadat poptávku | |
| 061 1 WHR42761 |
C00498469
481246688464 |
Counter weight SS-TUB, SS-TUB,1400,1600 | Na dotaz | Zadat poptávku | |
| 065 0 WHR42761 |
C00497383
481231018339 |
Insulation Front Pane | Na dotaz | Zadat poptávku | |
| 065 1 WHR42761 |
C00338692
481231018236 |
Insulation table top | Na dotaz | Zadat poptávku | |
| 065 2 WHR42761 |
C00497386
481231018399 |
Insulation | Na dotaz | Zadat poptávku | |
| 065 4 WHR42761 |
C00338701
481231018335 |
Insulation Middle Pane | Na dotaz | Zadat poptávku | |
| 065 5 WHR42761 |
C00338702
481231018336 |
Insulation Lower | Na dotaz | Zadat poptávku | |
| 081 0 WHR42761 |
C00336357
481246648057 |
tlumic | Na dotaz | Zadat poptávku | |
| 081 1 WHR42761 |
C00336592
481250218424 |
Screw damper | Na dotaz | Zadat poptávku | |
| 084 0 WHR42761 |
C00330907
481246658001 |
drzak pruziny agreg. | Na dotaz | Zadat poptávku | |
| 084 1 WHR42761 |
C00339699
481240468021 |
Holder | Na dotaz | Zadat poptávku | |
| 086 0 WHR42761 |
C00316610
481240118409 |
Holder Shock Absorber | Na dotaz | Zadat poptávku | |
| 086 2 WHR42761 |
C00314527
481240118412 |
pojistka tlumice | 333 Kč
€ 13.60 |
||
| 110 0 WHR42761 |
C00555584
481249818316 |
.andle,door.. | Na dotaz | Zadat poptávku | |
| 130 0 WHR42761 |
C00491661
481241728074 |
Fixation Plate VBL BK | Na dotaz | Zadat poptávku | |
| 135 1 WHR42761 |
C00317048
481249818262 |
pojistka dveri | 227 Kč
€ 9.30 |
||
| 135 2 WHR42761 |
C00318221
481249258023 |
Spring Door Safety | Na dotaz | Zadat poptávku | |
| 135 3 WHR42761 |
C00313732
481229068153 |
drzak pojistky | Na dotaz | Zadat poptávku | |
| 140 0 WHR42761 |
C00339065
481245068218 |
Door glass | Na dotaz | Zadat poptávku | |
| 140 1 WHR42761 |
C00491722
481244010825 |
Fastener f. door glas GW | Na dotaz | Zadat poptávku | |
| 141 0 WHR42761 |
C00485255
481245058551 |
Glass door safety touch VBL BK | Na dotaz | Zadat poptávku | |
| 143 0 WHR42761 |
C00485056
481244010701 |
Glassdoor frame VBL BK alu dull | Na dotaz | Zadat poptávku | |
| 144 0 WHR42761 |
C00485058
481244010826 |
Frame,door glas VBL BK GW | Na dotaz | Zadat poptávku | |
| 144 3 WHR42761 |
C00316665
481250248015 |
Šroub 4x16 | 68 Kč
€ 2.80 |
||
| 191 0 WHR42761 |
C00319757
481246668557 |
Door bellow DELTA EPDM | Na dotaz | Zadat poptávku | |
| 191 1 WHR42761 |
C00335947
481249218015 |
Strap Fix. Bellow | Na dotaz | Zadat poptávku | |
| 191 2 WHR42761 |
C00311875
481249298011 |
spona TVO - přední stěna | 111 Kč
€ 4.50 |
||
| 200 0 WHR42761 |
C00337457
481241818181 |
Tub | Na dotaz | Zadat poptávku | |
| 201 0 WHR42761 |
C00344300
481246448002 |
Bočnice nádrže pračky Whirlpool / Bauknecht | 3 087 Kč
€ 126.30 |
||
| 210 0 WHR42761 |
C00318535
481252018034 |
Crosspiece,asm. | Na dotaz | Zadat poptávku | |
| 210 1 WHR42761 |
C00331290
481245218994 |
Screw M8x20 A2F | Na dotaz | Zadat poptávku | |
| 220 0 WHR42761 |
C00341187
481241818246 |
DRUM 1600/SS/48L/D | Na dotaz | Zadat poptávku | |
| 228 0 WHR42761 |
C00342241
481241818096 |
Crosspiece,drum | Na dotaz | Zadat poptávku | |
| 271 0 WHR42761 |
C00344354
481235818157 |
Řemen PV 1254 J4 pračky Whirlpool | 502 Kč
€ 20.50 |
||
| 272 0 WHR42761 |
C00337074
481252858004 |
Pulley | Na dotaz | Zadat poptávku | |
| 272 1 WHR42761 |
C00344074
481253228006 |
pouzdro plastove | Na dotaz | Zadat poptávku | |
| 272 2 WHR42761 |
C00337249
481253218024 |
PODLOZKA | Na dotaz | Zadat poptávku | |
| 272 3 WHR42761 |
C00336705
481950218417 |
sroub remenice NT | Na dotaz | Zadat poptávku | |
| 292 0 WHR42761 |
C00340417
481253058003 |
tesneni bocnice | 391 Kč
€ 16.00 |
||
| 301 0 WHR42761 |
C00483046
481245212334 |
Control panel GW | Na dotaz | Zadat poptávku | |
| 303 0 WHR42761 |
C00490182
481249818278 |
Handle, drawer VBL-BK/SILVER/DELTA* VBL | Na dotaz | Zadat poptávku | |
| 321 0 WHR42761 |
C00489555
481245213816 |
Insert panel WAE 8988/2 | Na dotaz | Zadat poptávku | |
| 331 0 WHR42761 |
C00487418
481241318287 |
Knob timer VBL BK alu dull | Na dotaz | Zadat poptávku | |
| 332 0 WHR42761 |
C00344001
481241029092 |
Button Options VBL BK GW | Na dotaz | Zadat poptávku | |
| 332 1 WHR42761 |
C00344045
481241029128 |
Button | Na dotaz | Zadat poptávku | |
| 332 2 WHR42761 |
C00344054
481241029129 |
Button | Na dotaz | Zadat poptávku | |
| 333 0 WHR42761 |
C00493364
481241028982 |
Button Start VBL BK alu dull | Na dotaz | Zadat poptávku | |
| 400 0 WHR42761 |
C00316554
481236158148 |
Motor MCC61/64 Chopper | Na dotaz | Zadat poptávku | |
| 400 1 WHR42761 |
C00336566
481250218361 |
Screw M8x30 | Na dotaz | Zadat poptávku | |
| 409 0 WHR42761 |
C00311127
481236248004 |
Brush,carbon, Motor CESET | Na dotaz | Zadat poptávku | |
| 421 0 WHR42761 |
C00326769
481212118142 |
Interf.filter 1,00 uF1,00 uF. | Na dotaz | Zadat poptávku | |
| 430 0 WHR42761 |
C00311139
481231028144 |
Vypouštěcí čerpadlo pračky Whirlpool / Bauknecht | 576 Kč
€ 23.60 |
||
| 451 0 WHR42761 |
C00339927
481225928669 |
Topné těleso pračky Whirlpool 2050 W s NTC čidlem | 955 Kč
€ 39.10 |
||
| 480 0 WHR42761 |
C00342879
481232178112 |
Cable Motor Omega-ChopMotor Omega-Chop | Na dotaz | Zadat poptávku | |
| 490 0 WHR42761 |
C00316393
481932118136 |
Flexo kabel 2 m, konektory | Na dotaz | Zadat poptávku | |
| 491 0 WHR42761 |
C00309418
481232128367 |
Přechodka | 324 Kč
€ 13.30 |
||
| 491 1 WHR42761 |
C00318425
481250238152 |
Screw 4.8x19 | Na dotaz | Zadat poptávku | |
| 521 0 WHR42761 |
C00378922
481221478919 |
Control board VBL BK OMEGA 1600 | Na dotaz | Zadat poptávku | |
| 521 1 WHR42761 |
C00497271
481221478349 |
Control unit motor | Na dotaz | Zadat poptávku | |
| 521 2 WHR42761 |
C00335844
481225698023 |
Support control unit motor | Na dotaz | Zadat poptávku | |
| 571 0 WHR42761 |
C00312238
481227128375 |
Napouštěcí ventil pračky - jednocestný, boční vývod | 546 Kč
€ 22.30 |
||
| 582 0 WHR42761 |
C00317784
481227128394 |
Hladinový spínač | 931 Kč
€ 38.10 |
||
| 582 1 WHR42761 |
C00317325
481227118011 |
Meter,flow OMEGA/ACCES SK 5420.06.2 | Na dotaz | Zadat poptávku | |
| 620 0 WHR42761 |
C00527045
481227628406 |
Module - basic S-module VBL BK OMEGA | Na dotaz | Zadat poptávku | |
| 630 0 WHR42761 |
C00315131
481228058019 |
Door lock | Na dotaz | Zadat poptávku | |
| 631 0 WHR42761 |
C00317471
481227138358 |
mikrospinac plovaku | 745 Kč
€ 30.50 |
||
| 631 1 WHR42761 |
C00315271
481236058112 |
Plovák hladinového spínače pračky Whirlpool, Bauknecht | 186 Kč
€ 7.60 |
||
| 701 0 WHR42761 |
C00312612
481953028926 |
Hose inlet 2.5 m (Eltek) | Na dotaz | Zadat poptávku | |
| 701 0 WHR42761 |
C00332408
481253028781 |
HYDRO-SECURITY 4m 90# 10 BAR straight | Na dotaz | Zadat poptávku | |
| 702 0 WHR42761 |
C00493727
481253029126 |
Hose flow-dispenser VBL BK | Na dotaz | Zadat poptávku | |
| 702 1 WHR42761 |
C00587272
481253029125 |
Hose valve-flowmeter VBL BK. | Na dotaz | Zadat poptávku | |
| 703 0 WHR42761 |
C00339211
481253048466 |
Hosedoor rinsing 535 MM | Na dotaz | Zadat poptávku | |
| 707 0 WHR42761 |
C00317102
481252648031 |
Tryska násypky pračky | 104 Kč
€ 4.30 |
||
| 707 1 WHR42761 |
C00332324
481252648028 |
Tryska násypky pračky | Na dotaz | Zadat poptávku | |
| 707 2 WHR42761 |
C00498636
481253048161 |
Fitting | Na dotaz | Zadat poptávku | |
| 707 3 WHR42761 |
C00332649
481253078011 |
podlozka trysky spr. | Na dotaz | Zadat poptávku | |
| 708 1 WHR42761 |
C00538542
481253048355 |
Bend OMEGA VBL BK | Na dotaz | Zadat poptávku | |
| 711 0 WHR42761 |
C00317065
481241868166 |
těleso násypky | 1 749 Kč
€ 71.60 |
||
| 712 0 WHR42761 |
C00312119
481241888051 |
zasuvka nasypky | Na dotaz | Zadat poptávku | |
| 713 0 WHR42761 |
C00340880
481241889009 |
Flap | Na dotaz | Zadat poptávku | |
| 717 0 WHR42761 |
C00314912
481232318006 |
motorek distribuce vody násypky pračky | 580 Kč
€ 23.70 |
||
| 717 1 WHR42761 |
C00338398
481232138015 |
Lever water distr. OME | Na dotaz | Zadat poptávku | |
| 717 2 WHR42761 |
C00338404
481232138014 |
Lever OMEGA/GAMMA | Na dotaz | Zadat poptávku | |
| 717 3 WHR42761 |
C00338410
481232138016 |
Lever connection OMEGAconnection OMEG | Na dotaz | Zadat poptávku | |
| 717 5 WHR42761 |
C00342853
481231018459 |
VACKA AKTUATORA OMEG | 265 Kč
€ 10.80 |
||
| 718 0 WHR42761 |
C00315497
481252648157 |
mrizka kryci | Na dotaz | Zadat poptávku | |
| 718 1 WHR42761 |
C00314031
481241888018 |
ovladac | 396 Kč
€ 16.20 |
||
| 750 0 WHR42761 |
C00332502
481253048139 |
Expanzní nádoba pračky Whirlpool, Bauknecht | 141 Kč
€ 5.80 |
||
| 753 1 WHR42761 |
C00342744
481241868125 |
Chamber,air | Na dotaz | Zadat poptávku | |
| 754 0 WHR42761 |
C00498615
481253028838 |
HADICA NADRZ-CERPADLO/DELTA | Na dotaz | Zadat poptávku | |
| 754 4 WHR42761 |
C00343364
481240118054 |
Clamp hose | Na dotaz | Zadat poptávku | |
| 760 0 WHR42761 |
C00314625
481248058105 |
Filtr čerpadla DELTA | 697 Kč
€ 28.50 |
||
| 781 0 WHR42761 |
C00312966
481953028959 |
Hose draining 1,5m. | Na dotaz | Zadat poptávku | |
| 782 0 WHR42761 |
C00339268
481253028816 |
Hose Pressostat | Na dotaz | Zadat poptávku | |
| 783 1 WHR42761 |
C00332412
481253028822 |
hadice násypka-přepad | Na dotaz | Zadat poptávku | |
| 783 3 WHR42761 |
C00310140
481253018001 |
Connection Part | Na dotaz | Zadat poptávku | |
| 783 4 WHR42761 |
C00498614
481253028818 |
HADICA CERPADLO-KOMORA/D | Na dotaz | Zadat poptávku | |
| 787 0 WHR42761 |
C00332411
481253028819 |
Hose with hole (exhaust) | Na dotaz | Zadat poptávku | |
| 787 2 WHR42761 |
C00332932
481940118868 |
SPONA HADICE AW | Na dotaz | Zadat poptávku | |
| 794 2 WHR42761 |
C00337979
481253058005 |
O-Ring | Na dotaz | Zadat poptávku | |
| 794 5 WHR42761 |
C00498646
481253058015 |
Gasket | Na dotaz | Zadat poptávku | |
| 900 0 WHR42761 |
C00327119
481225518204 |
Vnější držák hadic pračky Whirlpool | Na dotaz | Zadat poptávku | |
| 900 1 WHR42761 |
C00344192
481229088043 |
Bracket Door lock | Na dotaz | Zadat poptávku | |
| 900 2 WHR42761 |
C00328881
481240118501 |
Svorka hadice 1 | 69 Kč
€ 2.80 |
||
| 900 3 WHR42761 |
C00327310
481229088048 |
Cable clamp | Na dotaz | Zadat poptávku | |
| 900 4 WHR42761 |
C00316612
481240118414 |
SPONA39,7 | 37 Kč
€ 1.50 |
||
| 900 9 WHR42761 |
C00343347
481240148569 |
Clamp hose pressostat | Na dotaz | Zadat poptávku | |
| 910 0 WHR42761 |
C00332163
481250248344 |
Šroub | Na dotaz | Zadat poptávku | |
| 910 3 WHR42761 |
C00332062
481250218409 |
Screw cam actuator | Na dotaz | Zadat poptávku | |
| 910 4 WHR42761 |
C00316741
481293008022 |
Šroub | Na dotaz | Zadat poptávku | |
| 911 7 WHR42761 |
C00316731
481290308196 |
sroub | Na dotaz | Zadat poptávku | |
| 921 0 WHR42761 |
C00336832
481201118522 |
Ring,circlip 52x252x2 | Na dotaz | Zadat poptávku | |
| 930 0 WHR42761 |
C00498517
481249238361 |
Spring Suspension Suspension | Na dotaz | Zadat poptávku | |
| 930 5 WHR42761 |
C00312356
481249238359 |
Pružina trysky násypky | 13 Kč
€ 0.50 |
||
| 941 0 WHR42761 |
C00314254
481252028003 |
BEARING 6306 2Z C3 GJN | Na dotaz | Zadat poptávku | |
| 941 1 WHR42761 |
C00315491
481252028005 |
BEARING 6304 2Z C3 | Na dotaz | Zadat poptávku | |
| 953 0 WHR42761 |
C00320177
481253068001 |
tesneni bubnu VA-40 | 564 Kč
€ 23.10 |
||
| 961 0 WHR42761 |
C00342138
481239598005 |
Distance sleeve Delta | Na dotaz | Zadat poptávku | |
| 962 0 WHR42761 |
C00342374
481246638011 |
Cover protect. heating element | Na dotaz | Zadat poptávku | |
| 965 0 WHR42761 |
C00330912
481246668545 |
Záslepka otvoru po zajišťovacím šroubu bubnu pračky Whirlpool | 206 Kč
€ 8.40 |
||
| 993 0 WHR42761 |
C00316831
481953029028 |
Ohyb plastový/držák vypouštěcí hadice pračky | Na dotaz | Zadat poptávku | |
| 993 3 WHR42761 |
C00328868
481239558004 |
klic montazni | Na dotaz | Zadat poptávku | |