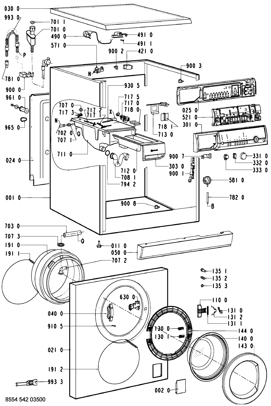
BAUKNECHT WAK 4000  WASHING MACHINES        BK
 
             
                 
                
    Zeptejte se. Rádi poradíme.
    
        
            
                
                     
              
        
        
            
    
    
             
            Marek Proche
                    
Zákaznická podpora
            
Po–Čt 8:00—17:00
                
Pá 8:00—15:00             
            
        
            
        poradna@servis-whirlpool.cz     
    
    
| Komerční kód: | WAK 4000 WASHING MACHINES BK | 
| Kód 12NC: | 855454203500 | 
| I.C. kód: | 855454203501 | 
| Značka: | BAUKNECHT | 
| Typ produktu: | Pračky | 
| Další podobné modely: | 855454203507, 855454203508, 855454203500 | 
Potřebujete servis? Jsme tady pro Vás
Nabídka náhradních dílů
| Číslo | Kód | Název | Cena | ||
|---|---|---|---|---|---|
| 001 0 WHR15089 | C00327957 481244010784 | Cabinet GW | Na dotaz | Zadat poptávku | |
| 002 0 WHR15089 | C00340841 481244010812 | Flap Filter square GW | Na dotaz | Zadat poptávku | |
| 011 0 WHR15089 | C00330679 481246248421 | Adjust.foot | Na dotaz | Zadat poptávku | |
| 021 0 WHR15089 | C00340649 481244010927 | Front square flap GW 50mm | Na dotaz | Zadat poptávku | |
| 024 0 WHR15089 | C00328103 481244018998 | Stěna přední AWM250 | Na dotaz | Zadat poptávku | |
| 025 0 WHR15089 | C00491728 481244011067 | Holder GAMMA BK | Na dotaz | Zadat poptávku | |
| 030 0 WHR15089 | C00497906 481244011072 | Table top | Na dotaz | Zadat poptávku | |
| 040 0 WHR15089 | C00312018 481241718787 | Hinge BK | Na dotaz | Zadat poptávku | |
| 050 0 WHR15089 | C00337676 481244010823 | sokl pracky GW | Na dotaz | Zadat poptávku | |
| 061 0 WHR15089 | C00320755 481246688833 | zavazi horni | 1 512 Kč € 62.00 | ||
| 061 1 WHR15089 | C00316001 481246688607 | Counter weight front, bottom | Na dotaz | Zadat poptávku | |
| 061 2 WHR15089 | C00332868 481931039227 | sroub do zavazi sada | Na dotaz | Zadat poptávku | |
| 061 3 WHR15089 | C00320457 481931039228 | Mounting kit Weight bottom | Na dotaz | Zadat poptávku | |
| 081 0 WHR15089 | C00313104 481246648088 | Tlumič třecí pro předem plněné pračky Whirlpool | 766 Kč € 31.40 | ||
| 084 0 WHR15089 | C00330907 481246658001 | drzak pruziny agreg. | Na dotaz | Zadat poptávku | |
| 086 2 WHR15089 | C00314527 481240118412 | pojistka tlumice | 333 Kč € 13.70 | ||
| 110 0 WHR15089 | C00316653 481249818261 | Rukojeť dveří GW UZ NEBUDE !!!!!!! | Na dotaz | Zadat poptávku | |
| 130 0 WHR15089 | C00318057 481241728047 | desticka uzaveru dv. | 27 Kč € 1.10 | ||
| 130 1 WHR15089 | C00329782 481241728048 | Plate Doorlock LowerDoorlock Lower | Na dotaz | Zadat poptávku | |
| 131 0 WHR15089 | C00312433 481241728046 | Lock Door | Na dotaz | Zadat poptávku | |
| 131 1 WHR15089 | C00312243 481241728045 | osa uzaveru dveri | 143 Kč € 5.90 | ||
| 131 2 WHR15089 | C00312651 481249258022 | Pružina uzávěru dveří | 237 Kč € 9.70 | ||
| 135 1 WHR15089 | C00317048 481249818262 | pojistka dveri | 227 Kč € 9.30 | ||
| 135 2 WHR15089 | C00318221 481249258023 | Spring Door Safety | Na dotaz | Zadat poptávku | |
| 135 3 WHR15089 | C00313732 481229068153 | drzak pojistky | Na dotaz | Zadat poptávku | |
| 140 0 WHR15089 | C00339065 481245068218 | Door glass | Na dotaz | Zadat poptávku | |
| 143 0 WHR15089 | C00340315 481244010815 | Glassdoor frame VBL-DELTAVBL BK GW | Na dotaz | Zadat poptávku | |
| 144 0 WHR15089 | C00340747 481244010833 | priruba dveri GW | Na dotaz | Zadat poptávku | |
| 191 0 WHR15089 | C00373762 481246668574 | Manžeta / těsnění dveří pračky Bauknecht, Ignis | 1 122 Kč € 46.00 | ||
| 191 1 WHR15089 | C00313764 481249218017 | spona TVO - vnitřní | 149 Kč € 6.10 | ||
| 191 2 WHR15089 | C00318256 481953058059 | spona TVO predni st. | Na dotaz | Zadat poptávku | |
| 200 1 WHR15089 | C00493536 481241818425 | Tub, half 48 l front | Na dotaz | Zadat poptávku | |
| 200 2 WHR15089 | C00312574 481241818368 | Tub, half rear 48l, 1400 | Na dotaz | Zadat poptávku | |
| 200 4 WHR15089 | C00314317 481229088054 | Spona nádrže | 378 Kč € 15.50 | ||
| 220 0 WHR15089 | C00313428 481241818353 | buben MONACO 1400 | Na dotaz | Zadat poptávku | |
| 271 0 WHR15089 | C00311078 481235818056 | Řemen PV 1250 J4 EL pračky Whirlpool | 100 Kč € 4.10 | ||
| 272 0 WHR15089 | C00313543 481252858041 | remenice bubnu | 1 104 Kč € 45.30 | ||
| 272 3 WHR15089 | C00313776 481250518371 | matice remenice | Na dotaz | Zadat poptávku | |
| 292 0 WHR15089 | C00311501 481253058101 | těsnění bočnice | 694 Kč € 28.50 | ||
| 301 0 WHR15089 | C00483326 481245214926 | Control panel WAK 4000 | Na dotaz | Zadat poptávku | |
| 303 0 WHR15089 | C00490182 481249818278 | Handle, drawer VBL-BK/SILVER/DELTA* VBL | Na dotaz | Zadat poptávku | |
| 331 0 WHR15089 | C00487560 481241458198 | Knob timer BK GW | Na dotaz | Zadat poptávku | |
| 332 0 WHR15089 | C00344001 481241029092 | Button Options VBL BK GW | Na dotaz | Zadat poptávku | |
| 333 0 WHR15089 | C00343982 481241029091 | Button Start VBL BK GW | Na dotaz | Zadat poptávku | |
| 400 0 WHR15089 | C00311341 481236158377 | motor | 4 029 Kč € 165.30 | ||
| 400 1 WHR15089 | C00336568 481250218401 | sroub do zavazi | Na dotaz | Zadat poptávku | |
| 409 0 WHR15089 | C00311127 481236248004 | Brush,carbon, Motor CESET | Na dotaz | Zadat poptávku | |
| 421 0 WHR15089 | C00311350 481212118285 | Filtr odrušovací 1 uF | 294 Kč € 12.10 | ||
| 430 0 WHR15089 | C00311139 481231028144 | Čerpadlo vypouštěcí DELTA | 576 Kč € 23.60 | ||
| 451 0 WHR15089 | C00318278 481225928919 | Heating element 2050W, 230V + NTC | Na dotaz | Zadat poptávku | |
| 480 0 WHR15089 | C00311380 481232178109 | vodice svazek motor | Na dotaz | Zadat poptávku | |
| 490 0 WHR15089 | C00316393 481932118136 | Flexo kabel 2 m, konektory | Na dotaz | Zadat poptávku | |
| 491 0 WHR15089 | C00309418 481232128367 | Přechodka | 324 Kč € 13.30 | ||
| 491 1 WHR15089 | C00318425 481250238152 | Screw 4.8x19 | Na dotaz | Zadat poptávku | |
| 521 0 WHR15089 | C00501259 481221479204 | Control board GAMMA (DS-EC) 1400 | Na dotaz | Zadat poptávku | |
| 521 0 WHR15089 | C00455897 481221479688 | PLATINE CONTROLE | Na dotaz | Zadat poptávku | |
| 571 0 WHR15089 | C00312238 481227128375 | Napouštěcí ventil pračky - jednocestný, boční vývod | 546 Kč € 22.40 | ||
| 581 0 WHR15089 | C00491022 481227128531 | Pressostat 50/30 R. 2.5 | Na dotaz | Zadat poptávku | |
| 630 0 WHR15089 | C00311146 481228058044 | Blokování dveří předem plněné pračky Whirlpool | 483 Kč € 19.80 | ||
| 691 0 WHR15089 | C00313117 481228219485 | senzor NTC | 857 Kč € 35.20 | ||
| 701 0 WHR15089 | C00312612 481953028926 | Hose inlet 2.5 m (Eltek) | Na dotaz | Zadat poptávku | |
| 701 0 WHR15089 | C00332408 481253028781 | HYDRO-SECURITY 4m 90# 10 BAR straight | Na dotaz | Zadat poptávku | |
| 701 1 WHR15089 | C00316490 481946669704 | tesneni + sitko | 173 Kč € 7.10 | ||
| 702 0 WHR15089 | C00313911 481953029019 | Hadice ventil - násypka pračky Whirlpool, Ignis, Bauknecht | 105 Kč € 4.30 | ||
| 703 0 WHR15089 | C00339211 481253048466 | Hosedoor rinsing 535 MM | Na dotaz | Zadat poptávku | |
| 707 0 WHR15089 | C00317102 481252648031 | Tryska násypky pračky | 104 Kč € 4.30 | ||
| 707 1 WHR15089 | C00332324 481252648028 | Tryska násypky pračky | Na dotaz | Zadat poptávku | |
| 707 2 WHR15089 | C00498636 481253048161 | Fitting | Na dotaz | Zadat poptávku | |
| 707 3 WHR15089 | C00332649 481253078011 | podlozka trysky spr. | Na dotaz | Zadat poptávku | |
| 708 1 WHR15089 | C00538542 481253048355 | Bend OMEGA VBL BK | Na dotaz | Zadat poptávku | |
| 711 0 WHR15089 | C00485013 481241868311 | Dispenser 3 ch. | Na dotaz | Zadat poptávku | |
| 712 0 WHR15089 | C00313433 481241868198 | zasuvka nasypky | 1 157 Kč € 47.50 | ||
| 713 0 WHR15089 | C00314041 481241889037 | vlozka nasypky klap. | Na dotaz | Zadat poptávku | |
| 717 0 WHR15089 | C00314912 481232318006 | motorek distribuce vody násypky pračky | 580 Kč € 23.80 | ||
| 717 1 WHR15089 | C00338398 481232138015 | Lever water distr. OME | Na dotaz | Zadat poptávku | |
| 717 2 WHR15089 | C00338404 481232138014 | Lever OMEGA/GAMMA | Na dotaz | Zadat poptávku | |
| 717 3 WHR15089 | C00338410 481232138016 | Lever connection OMEGAconnection OMEG | Na dotaz | Zadat poptávku | |
| 717 5 WHR15089 | C00342853 481231018459 | VACKA AKTUATORA OMEG | 265 Kč € 10.90 | ||
| 718 0 WHR15089 | C00332332 481252648051 | sifon do nasypky | 462 Kč € 18.90 | ||
| 718 1 WHR15089 | C00314031 481241888018 | ovladac | 396 Kč € 16.20 | ||
| 753 1 WHR15089 | C00312723 481941868234 | vzdusnik | Na dotaz | Zadat poptávku | |
| 754 0 WHR15089 | C00312061 481253028826 | Hadice nádrž-čerpadlo | Na dotaz | Zadat poptávku | |
| 754 1 WHR15089 | C00309391 481253028832 | Kulička hadice mezi vanou a čerpadlem pračky Whirpool | 894 Kč € 36.70 | ||
| 754 2 WHR15089 | C00332413 481253028829 | Flange eco | Na dotaz | Zadat poptávku | |
| 760 0 WHR15089 | C00314625 481248058105 | Filtr čerpadla DELTA | 697 Kč € 28.60 | ||
| 781 0 WHR15089 | C00318230 481953028847 | Hose,draining | Na dotaz | Zadat poptávku | |
| 782 0 WHR15089 | C00317136 481253028827 | Hose Pressostat | Na dotaz | Zadat poptávku | |
| 787 0 WHR15089 | C00315511 481253028813 | hadice odparovaci | 447 Kč € 18.30 | ||
| 787 2 WHR15089 | C00311154 481940118174 | Spona odparov.hadica | 122 Kč € 5.00 | ||
| 794 2 WHR15089 | C00337979 481253058005 | O-Ring | Na dotaz | Zadat poptávku | |
| 794 5 WHR15089 | C00319466 481253058098 | tesneni vzdusniku Náhrada 481010395017 | Na dotaz | Zadat poptávku | |
| 900 0 WHR15089 | C00327119 481225518204 | Vnější držák hadic pračky Whirlpool | Na dotaz | Zadat poptávku | |
| 900 1 WHR15089 | C00327315 481229088086 | Bracket | Na dotaz | Zadat poptávku | |
| 900 2 WHR15089 | C00327313 481229088077 | Cable clamp | Na dotaz | Zadat poptávku | |
| 900 3 WHR15089 | C00328874 481240118446 | Cable clamp | Na dotaz | Zadat poptávku | |
| 900 4 WHR15089 | C00316612 481240118414 | SPONA39,7 | 37 Kč € 1.50 | ||
| 900 5 WHR15089 | C00309461 481940118529 | Spona nádrž-čerpadlo | 105 Kč € 4.30 | ||
| 900 6 WHR15089 | C00317960 481240118444 | Držák topení pračky Whirlpool, Ignis | Na dotaz | Zadat poptávku | |
| 900 7 WHR15089 | C00327148 481225698031 | Holder pressostat | Na dotaz | Zadat poptávku | |
| 900 8 WHR15089 | C00332928 481940118823 | SPONA | Na dotaz | Zadat poptávku | |
| 910 5 WHR15089 | C00332081 481250218516 | Screw 4,2 x 13 | Na dotaz | Zadat poptávku | |
| 930 0 WHR15089 | C00320162 481949238139 | pruzina | Na dotaz | Zadat poptávku | |
| 930 5 WHR15089 | C00312356 481249238359 | Pružina trysky násypky | 13 Kč € 0.50 | ||
| 941 0 WHR15089 | C00314254 481252028003 | BEARING 6306 2Z C3 GJN | Na dotaz | Zadat poptávku | |
| 941 1 WHR15089 | C00315491 481252028005 | BEARING 6304 2Z C3 | Na dotaz | Zadat poptávku | |
| 953 0 WHR15089 | C00314432 481253058142 | gufero 35x75x12 | Na dotaz | Zadat poptávku | |
| 961 0 WHR15089 | C00333324 481953268829 | Vložka vymezovací | 305 Kč € 12.50 | ||
| 965 0 WHR15089 | C00330912 481246668545 | Záslepka otvoru po zajišťovacím šroubu bubnu pračky Whirlpool | 206 Kč € 8.40 | ||
| 993 0 WHR15089 | C00316831 481953029028 | Ohyb plastový/držák vypouštěcí hadice pračky | Na dotaz | Zadat poptávku | |
| 993 3 WHR15089 | C00328868 481239558004 | klic montazni | 64 Kč € 2.60 | ||