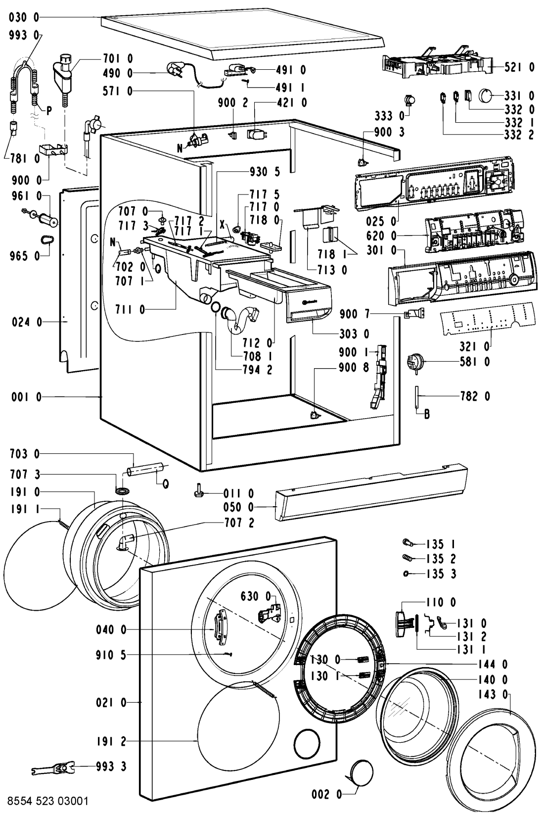
BAUKNECHT WAK 6552 WASHING MACHINES BK
Zeptejte se. Rádi poradíme.
Marek Proche
Zákaznická podpora
Po–Čt 8:00—17:00
Pá 8:00—15:00
poradna@servis-whirlpool.cz
| Komerční kód: | WAK 6552 WASHING MACHINES BK |
| Kód 12NC: | 855452303000 |
| I.C. kód: | 855452303004 |
| Značka: | BAUKNECHT |
| Typ produktu: | Pračky |
| Další podobné modely: | 855452303001, 855452303005, 855452303000 |
Potřebujete servis? Jsme tady pro Vás
Nabídka náhradních dílů
| Číslo | Kód | Název | Cena | ||
|---|---|---|---|---|---|
| 001 0 WHR43900 |
C00327957
481244010784 |
Cabinet GW | Na dotaz | Zadat poptávku | |
| 002 0 WHR43900 |
C00340844
481244010876 |
Flap Filter round + Holder GW | Na dotaz | Zadat poptávku | |
| 004 0 WHR43900 |
C00497924
481244018993 |
ZBERAC AQUA DELTA | Na dotaz | Zadat poptávku | |
| 011 0 WHR43900 |
C00340814
481946248472 |
Foot | Na dotaz | Zadat poptávku | |
| 021 0 WHR43900 |
C00340652
481244010897 |
stena predni | Na dotaz | Zadat poptávku | |
| 024 0 WHR43900 |
C00328103
481244018998 |
Stěna přední AWM250 | Na dotaz | Zadat poptávku | |
| 025 0 WHR43900 |
C00527933
481244010467 |
Holder VBL BK | Na dotaz | Zadat poptávku | |
| 030 0 WHR43900 |
C00491721
481244010813 |
Table top VBL BK GW | Na dotaz | Zadat poptávku | |
| 040 0 WHR43900 |
C00312018
481241718787 |
Závěs dveří pračky | 625 Kč
€ 25.60 |
||
| 050 0 WHR43900 |
C00489312
481244089046 |
Plinth VBL BK GW | Na dotaz | Zadat poptávku | |
| 061 0 WHR43900 |
C00343070
481246688458 |
zavazi horni | Na dotaz | Zadat poptávku | |
| 061 1 WHR43900 |
C00316001
481246688607 |
Counter weight front, bottom | Na dotaz | Zadat poptávku | |
| 061 2 WHR43900 |
C00332868
481931039227 |
sroub do zavazi sada | Na dotaz | Zadat poptávku | |
| 061 3 WHR43900 |
C00320457
481931039228 |
Mounting kit Weight bottom | Na dotaz | Zadat poptávku | |
| 081 0 WHR43900 |
C00312055
481252918038 |
Shock absorber until 1200 | Na dotaz | Zadat poptávku | |
| 084 0 WHR43900 |
C00330907
481246658001 |
drzak pruziny agreg. | Na dotaz | Zadat poptávku | |
| 086 0 WHR43900 |
C00316610
481240118409 |
Holder Shock Absorber | Na dotaz | Zadat poptávku | |
| 086 1 WHR43900 |
C00312274
481240118413 |
Čep tlumiče | 1 772 Kč
€ 72.50 |
||
| 086 2 WHR43900 |
C00314527
481240118412 |
pojistka tlumice | 333 Kč
€ 13.60 |
||
| 110 0 WHR43900 |
C00316653
481249818261 |
Rukojeť dveří GW UZ NEBUDE !!!!!!! | Na dotaz | Zadat poptávku | |
| 130 0 WHR43900 |
C00318057
481241728047 |
desticka uzaveru dv. | 27 Kč
€ 1.10 |
||
| 130 1 WHR43900 |
C00329782
481241728048 |
Plate Doorlock LowerDoorlock Lower | Na dotaz | Zadat poptávku | |
| 131 0 WHR43900 |
C00312433
481241728046 |
Lock Door | Na dotaz | Zadat poptávku | |
| 131 1 WHR43900 |
C00312243
481241728045 |
osa uzaveru dveri | 43 Kč
€ 1.80 |
||
| 131 2 WHR43900 |
C00312651
481249258022 |
Pružina uzávěru dveří | 237 Kč
€ 9.70 |
||
| 135 1 WHR43900 |
C00317048
481249818262 |
pojistka dveri | 227 Kč
€ 9.30 |
||
| 135 2 WHR43900 |
C00318221
481249258023 |
Spring Door Safety | Na dotaz | Zadat poptávku | |
| 135 3 WHR43900 |
C00313732
481229068153 |
drzak pojistky | Na dotaz | Zadat poptávku | |
| 140 0 WHR43900 |
C00339065
481245068218 |
Door glass | Na dotaz | Zadat poptávku | |
| 143 0 WHR43900 |
C00340315
481244010815 |
Glassdoor frame VBL-DELTAVBL BK GW | Na dotaz | Zadat poptávku | |
| 144 0 WHR43900 |
C00340712
481244010785 |
Frame door glas | Na dotaz | Zadat poptávku | |
| 191 0 WHR43900 |
C00373762
481246668574 |
Manžeta / těsnění dveří pračky Bauknecht, Ignis | 1 122 Kč
€ 45.90 |
||
| 191 1 WHR43900 |
C00313764
481249218017 |
spona TVO - vnitřní | 149 Kč
€ 6.10 |
||
| 191 2 WHR43900 |
C00318256
481953058059 |
spona TVO predni st. | Na dotaz | Zadat poptávku | |
| 200 1 WHR43900 |
C00538523
481241818424 |
Tub, half 48 l front | Na dotaz | Zadat poptávku | |
| 200 2 WHR43900 |
C00311099
481241818318 |
Nádrž - zadní část | Na dotaz | Zadat poptávku | |
| 200 4 WHR43900 |
C00314317
481229088054 |
Spona nádrže | 378 Kč
€ 15.50 |
||
| 220 0 WHR43900 |
C00312242
481241818191 |
Drum 1200 0,5MM PP 48L | Na dotaz | Zadat poptávku | |
| 271 0 WHR43900 |
C00311078
481235818056 |
Řemen PV 1250 J4 EL pračky Whirlpool | 100 Kč
€ 4.10 |
||
| 272 0 WHR43900 |
C00337067
481252858027 |
pulley DIAM.298DIAM.298 | Na dotaz | Zadat poptávku | |
| 272 2 WHR43900 |
C00337249
481253218024 |
PODLOZKA | Na dotaz | Zadat poptávku | |
| 272 3 WHR43900 |
C00313776
481250518371 |
matice remenice | Na dotaz | Zadat poptávku | |
| 292 0 WHR43900 |
C00311501
481253058101 |
těsnění bočnice | 694 Kč
€ 28.40 |
||
| 301 0 WHR43900 |
C00506802
481245212305 |
Control panel GW | Na dotaz | Zadat poptávku | |
| 303 0 WHR43900 |
C00490182
481249818278 |
Handle, drawer VBL-BK/SILVER/DELTA* VBL | Na dotaz | Zadat poptávku | |
| 321 0 WHR43900 |
C00489505
481245213194 |
Insert panel WAK 6552 GW | Na dotaz | Zadat poptávku | |
| 331 0 WHR43900 |
C00497685
481241318292 |
Knoflík časovače | Na dotaz | Zadat poptávku | |
| 332 0 WHR43900 |
C00344001
481241029092 |
Button Options VBL BK GW | Na dotaz | Zadat poptávku | |
| 332 1 WHR43900 |
C00493387
481241029088 |
Button Temp.+ OMEGA VBL BK GW | Na dotaz | Zadat poptávku | |
| 332 2 WHR43900 |
C00499789
481241029089 |
Button Temp.- OMEGA VBL BK GW | Na dotaz | Zadat poptávku | |
| 333 0 WHR43900 |
C00343982
481241029091 |
Button Start VBL BK GW | Na dotaz | Zadat poptávku | |
| 400 0 WHR43900 |
C00315331
481236158094 |
Motor 1000,1200 MCA52/ | Na dotaz | Zadat poptávku | |
| 400 1 WHR43900 |
C00336568
481250218401 |
sroub do zavazi | Na dotaz | Zadat poptávku | |
| 409 0 WHR43900 |
C00311127
481236248004 |
Brush,carbon, Motor CESET | Na dotaz | Zadat poptávku | |
| 421 0 WHR43900 |
C00326769
481212118142 |
Interf.filter 1,00 uF1,00 uF. | Na dotaz | Zadat poptávku | |
| 430 0 WHR43900 |
C00311139
481231028144 |
Vypouštěcí čerpadlo pračky Whirlpool / Bauknecht | 576 Kč
€ 23.60 |
||
| 451 0 WHR43900 |
C00557941
481225928758 |
NAHRADENE 481225928835 N | Na dotaz | Zadat poptávku | |
| 480 0 WHR43900 |
C00311380
481232178109 |
vodice svazek motor | Na dotaz | Zadat poptávku | |
| 490 0 WHR43900 |
C00316393
481932118136 |
Flexo kabel 2 m, konektory | Na dotaz | Zadat poptávku | |
| 491 0 WHR43900 |
C00309418
481232128367 |
Přechodka | 324 Kč
€ 13.30 |
||
| 491 1 WHR43900 |
C00318425
481250238152 |
Screw 4.8x19 | Na dotaz | Zadat poptávku | |
| 521 0 WHR43900 |
C00526852
481221478735 |
Control board 1200 VBL 1200 VBL BK | Na dotaz | Zadat poptávku | |
| 571 0 WHR43900 |
C00312238
481227128375 |
Napouštěcí ventil pračky - jednocestný, boční vývod | 546 Kč
€ 22.30 |
||
| 581 0 WHR43900 |
C00337540
481227128382 |
Presostat pračky | Na dotaz | Zadat poptávku | |
| 620 0 WHR43900 |
C00482538
481227628401 |
PLATINE CONTROLE VIERGE BK1 C, OMEGA | Na dotaz | Zadat poptávku | |
| 630 0 WHR43900 |
C00315131
481228058019 |
Door lock | Na dotaz | Zadat poptávku | |
| 631 0 WHR43900 |
C00317471
481227138358 |
mikrospinac plovaku | 745 Kč
€ 30.50 |
||
| 631 1 WHR43900 |
C00315271
481236058112 |
Plovák hladinového spínače pračky Whirlpool, Bauknecht | 186 Kč
€ 7.60 |
||
| 691 0 WHR43900 |
C00317366
481228218702 |
senzor NTC | Na dotaz | Zadat poptávku | |
| 701 0 WHR43900 |
C00312612
481953028926 |
Hose inlet 2.5 m (Eltek) | Na dotaz | Zadat poptávku | |
| 701 0 WHR43900 |
C00332408
481253028781 |
HYDRO-SECURITY 4m 90# 10 BAR straight | Na dotaz | Zadat poptávku | |
| 702 0 WHR43900 |
C00313911
481953029019 |
Hadice ventil - násypka pračky Whirlpool, Ignis, Bauknecht | 105 Kč
€ 4.30 |
||
| 703 0 WHR43900 |
C00339211
481253048466 |
Hosedoor rinsing 535 MM | Na dotaz | Zadat poptávku | |
| 707 0 WHR43900 |
C00317102
481252648031 |
Tryska násypky pračky | 104 Kč
€ 4.30 |
||
| 707 1 WHR43900 |
C00332324
481252648028 |
Tryska násypky pračky | Na dotaz | Zadat poptávku | |
| 707 2 WHR43900 |
C00498636
481253048161 |
Fitting | Na dotaz | Zadat poptávku | |
| 707 3 WHR43900 |
C00332649
481253078011 |
podlozka trysky spr. | Na dotaz | Zadat poptávku | |
| 708 1 WHR43900 |
C00538614
481253048356 |
KOLENO VBL BK | Na dotaz | Zadat poptávku | |
| 711 0 WHR43900 |
C00500825
481241868243 |
NASYPKA 3-KOMOROVA PLAST N | Na dotaz | Zadat poptávku | |
| 712 0 WHR43900 |
C00313433
481241868198 |
zasuvka nasypky | 1 157 Kč
€ 47.40 |
||
| 713 0 WHR43900 |
C00340880
481241889009 |
Flap | Na dotaz | Zadat poptávku | |
| 717 0 WHR43900 |
C00314912
481232318006 |
motorek distribuce vody násypky pračky | 580 Kč
€ 23.70 |
||
| 717 1 WHR43900 |
C00338398
481232138015 |
Lever water distr. OME | Na dotaz | Zadat poptávku | |
| 717 2 WHR43900 |
C00338404
481232138014 |
Lever OMEGA/GAMMA | Na dotaz | Zadat poptávku | |
| 717 3 WHR43900 |
C00338410
481232138016 |
Lever connection OMEGAconnection OMEG | Na dotaz | Zadat poptávku | |
| 717 5 WHR43900 |
C00342853
481231018459 |
VACKA AKTUATORA OMEG | 265 Kč
€ 10.80 |
||
| 718 0 WHR43900 |
C00332332
481252648051 |
sifon do nasypky | 462 Kč
€ 18.90 |
||
| 718 1 WHR43900 |
C00314031
481241888018 |
ovladac | 396 Kč
€ 16.20 |
||
| 753 1 WHR43900 |
C00312723
481941868234 |
vzdusnik | Na dotaz | Zadat poptávku | |
| 754 0 WHR43900 |
C00312061
481253028826 |
Hadice nádrž-čerpadlo | Na dotaz | Zadat poptávku | |
| 754 1 WHR43900 |
C00309391
481253028832 |
Kulička hadice mezi vanou a čerpadlem pračky Whirpool | 894 Kč
€ 36.60 |
||
| 754 2 WHR43900 |
C00332413
481253028829 |
Flange eco | Na dotaz | Zadat poptávku | |
| 760 0 WHR43900 |
C00314625
481248058105 |
Filtr čerpadla DELTA | 697 Kč
€ 28.50 |
||
| 781 0 WHR43900 |
C00318230
481953028847 |
Hose,draining | Na dotaz | Zadat poptávku | |
| 782 0 WHR43900 |
C00317136
481253028827 |
Hose Pressostat | Na dotaz | Zadat poptávku | |
| 783 1 WHR43900 |
C00332412
481253028822 |
hadice násypka-přepad | Na dotaz | Zadat poptávku | |
| 787 0 WHR43900 |
C00315511
481253028813 |
hadice odparovaci | 447 Kč
€ 18.30 |
||
| 787 2 WHR43900 |
C00332932
481940118868 |
SPONA HADICE AW | Na dotaz | Zadat poptávku | |
| 794 2 WHR43900 |
C00337979
481253058005 |
O-Ring | Na dotaz | Zadat poptávku | |
| 794 5 WHR43900 |
C00340485
481253058095 |
tesneni vzdusniku | 16 Kč
€ 0.70 |
||
| 900 0 WHR43900 |
C00327119
481225518204 |
Vnější držák hadic pračky Whirlpool | Na dotaz | Zadat poptávku | |
| 900 1 WHR43900 |
C00327315
481229088086 |
Bracket | Na dotaz | Zadat poptávku | |
| 900 2 WHR43900 |
C00327313
481229088077 |
Cable clamp | Na dotaz | Zadat poptávku | |
| 900 3 WHR43900 |
C00328874
481240118446 |
Cable clamp | Na dotaz | Zadat poptávku | |
| 900 4 WHR43900 |
C00316612
481240118414 |
SPONA39,7 | 37 Kč
€ 1.50 |
||
| 900 5 WHR43900 |
C00309461
481940118529 |
Spona nádrž-čerpadlo | 105 Kč
€ 4.30 |
||
| 900 6 WHR43900 |
C00317960
481240118444 |
Držák topení pračky Whirlpool, Ignis | Na dotaz | Zadat poptávku | |
| 900 7 WHR43900 |
C00327148
481225698031 |
Holder pressostat | Na dotaz | Zadat poptávku | |
| 900 8 WHR43900 |
C00332928
481940118823 |
SPONA | Na dotaz | Zadat poptávku | |
| 910 5 WHR43900 |
C00332081
481250218516 |
Screw 4,2 x 13 | Na dotaz | Zadat poptávku | |
| 930 0 WHR43900 |
C00320162
481949238139 |
pruzina | Na dotaz | Zadat poptávku | |
| 930 5 WHR43900 |
C00312356
481249238359 |
Pružina trysky násypky | 13 Kč
€ 0.50 |
||
| 941 0 WHR43900 |
C00314732
481252028004 |
Ložisko 6206 2Z C3 GJN (SKF) | 236 Kč
€ 9.70 |
||
| 941 1 WHR43900 |
C00315230
481252028066 |
Ložisko 6204 2Z C3 GJN (SKF) | 173 Kč
€ 7.10 |
||
| 953 0 WHR43900 |
C00313798
481253058099 |
Shaft seal 1200 | Na dotaz | Zadat poptávku | |
| 961 0 WHR43900 |
C00333324
481953268829 |
Vložka vymezovací | 305 Kč
€ 12.50 |
||
| 965 0 WHR43900 |
C00330912
481246668545 |
Záslepka otvoru po zajišťovacím šroubu bubnu pračky Whirlpool | 206 Kč
€ 8.40 |
||
| 993 0 WHR43900 |
C00316831
481953029028 |
Ohyb plastový/držák vypouštěcí hadice pračky | Na dotaz | Zadat poptávku | |
| 993 3 WHR43900 |
C00328868
481239558004 |
klic montazni | Na dotaz | Zadat poptávku | |