BAUKNECHT WAK 7508         BK
 
             
                 
                
    Zeptejte se. Rádi poradíme.
    
        
            
                
                     
              
        
        
            
    
    
             
            Marek Proche
                    
Zákaznická podpora
            
Po–Čt 8:00—17:00
                
Pá 8:00—15:00             
            
        
            
        poradna@servis-whirlpool.cz     
    
    
| Komerční kód: | WAK 7508 BK | 
| Kód 12NC: | 858361042000 | 
| I.C. kód: | 858361042005 | 
| Značka: | BAUKNECHT | 
| Typ produktu: | Pračky | 
| Další podobné modely: | 858361042000 | 
Potřebujete servis? Jsme tady pro Vás
Nabídka náhradních dílů
| Číslo | Kód | Název | Cena | ||
|---|---|---|---|---|---|
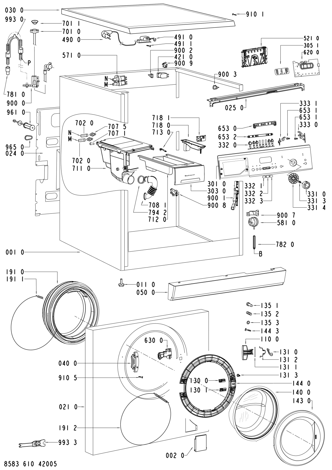
| 001 0 WHR09766 | C00320961 480111100339 | skelet | Na dotaz | Zadat poptávku | |
| 002 0 WHR09766 | C00316479 481244011131 | kryt filtru | Na dotaz | Zadat poptávku | |
| 011 0 WHR09766 | C00330679 481246248421 | Adjust.foot | Na dotaz | Zadat poptávku | |
| 021 0 WHR09766 | C00459143 481244011639 | PREDNY PANEL | Na dotaz | Zadat poptávku | |
| 024 0 WHR09766 | C00316521 481244011544 | stena zadni | 1 472 Kč € 60.50 | ||
| 025 0 WHR09766 | C00316513 481244011472 | Support control board | Na dotaz | Zadat poptávku | |
| 030 0 WHR09766 | C00328070 481244011661 | deska horni | Na dotaz | Zadat poptávku | |
| 040 0 WHR09766 | C00312018 481241718787 | Hinge BK | Na dotaz | Zadat poptávku | |
| 050 0 WHR09766 | C00313304 481244089097 | sokl pracky EBL | Na dotaz | Zadat poptávku | |
| 061 0 WHR09766 | C00331527 481246688936 | Counter weight upper | Na dotaz | Zadat poptávku | |
| 061 1 WHR09766 | C00316001 481246688607 | Counter weight front, bottom | Na dotaz | Zadat poptávku | |
| 061 2 WHR09766 | C00320419 481231039135 | Mounting kit weight top | Na dotaz | Zadat poptávku | |
| 081 0 WHR09766 | C00311556 480111100195 | Tlumič pračky Whirlpool | 789 Kč € 32.40 | ||
| 084 0 WHR09766 | C00330907 481246658001 | drzak pruziny agreg. | Na dotaz | Zadat poptávku | |
| 110 0 WHR09766 | C00405333 481249818676 | Handle,door | Na dotaz | Zadat poptávku | |
| 130 0 WHR09766 | C00318057 481241728047 | desticka uzaveru dv. | 27 Kč € 1.10 | ||
| 130 1 WHR09766 | C00318073 481241728108 | podlozka | 380 Kč € 15.60 | ||
| 131 0 WHR09766 | C00312433 481241728046 | Lock Door | Na dotaz | Zadat poptávku | |
| 131 1 WHR09766 | C00312243 481241728045 | osa uzaveru dveri | 143 Kč € 5.90 | ||
| 131 2 WHR09766 | C00312651 481249258022 | Pružina uzávěru dveří | 237 Kč € 9.70 | ||
| 131 3 WHR09766 | C00345875 481249258056 | Spring Door Lock Child | Na dotaz | Zadat poptávku | |
| 135 1 WHR09766 | C00317048 481249818262 | pojistka dveri | 227 Kč € 9.30 | ||
| 135 2 WHR09766 | C00317024 481249148004 | Pružina | 220 Kč € 9.00 | ||
| 135 3 WHR09766 | C00313732 481229068153 | drzak pojistky | Na dotaz | Zadat poptávku | |
| 140 0 WHR09766 | C00311241 481245059812 | Sklo dveří | 2 067 Kč € 84.90 | ||
| 143 0 WHR09766 | C00328006 481244011453 | Glassdoor frame EBL BK | Na dotaz | Zadat poptávku | |
| 144 0 WHR09766 | C00317167 481244011575 | Frame door glas | Na dotaz | Zadat poptávku | |
| 144 3 WHR09766 | C00318393 481250218669 | sroub pojistka dv. | 267 Kč € 11.00 | ||
| 191 0 WHR09766 | C00311137 481246068617 | Těsnění dveří, manžeta (TVO) pračky Whirlpool Delta | 1 147 Kč € 47.10 | ||
| 191 1 WHR09766 | C00313764 481249218017 | spona TVO - vnitřní | 149 Kč € 6.10 | ||
| 191 2 WHR09766 | C00318256 481953058059 | spona TVO predni st. | Na dotaz | Zadat poptávku | |
| 200 1 WHR09766 | C00316958 481241818656 | nadrz predni cast | Na dotaz | Zadat poptávku | |
| 200 2 WHR09766 | C00314367 481241818675 | Tub rear,1200-7KG. | Na dotaz | Zadat poptávku | |
| 200 4 WHR09766 | C00314317 481229088054 | Spona nádrže | 378 Kč € 15.50 | ||
| 220 0 WHR09766 | C00313504 481241818612 | buben | Na dotaz | Zadat poptávku | |
| 271 0 WHR09766 | C00311514 481935818152 | Řemen PV 1248 J5 pračky Whirlpool | 145 Kč € 6.00 | ||
| 272 0 WHR09766 | C00313543 481252858041 | remenice bubnu | 1 104 Kč € 45.40 | ||
| 272 3 WHR09766 | C00313776 481250518371 | matice remenice | Na dotaz | Zadat poptávku | |
| 292 0 WHR09766 | C00311501 481253058101 | těsnění bočnice | 694 Kč € 28.50 | ||
| 301 0 WHR09766 | C00404116 481245311079 | Control panel + handle drawer | Na dotaz | Zadat poptávku | |
| 303 0 WHR09766 | C00388310 480111101035 | Handle drawer | Na dotaz | Zadat poptávku | |
| 305 1 WHR09766 | C00462481 481245310423 | Sticker LEDBAR 1200rpm | Na dotaz | Zadat poptávku | |
| 331 0 WHR09766 | C00329536 481241458338 | Knoflík | 319 Kč € 13.10 | ||
| 331 3 WHR09766 | C00311525 481241458307 | Unašeč knoflíku AWO/D | 399 Kč € 16.40 | ||
| 331 4 WHR09766 | C00329535 481241458337 | Disc Knob timer, silver | Na dotaz | Zadat poptávku | |
| 332 0 WHR09766 | C00402265 481241029557 | Push button SET | 508 Kč € 20.90 | ||
| 332 1 WHR09766 | C00457773 481241029554 | Button left | Na dotaz | Zadat poptávku | |
| 332 2 WHR09766 | C00457774 481241029555 | Button middle | Na dotaz | Zadat poptávku | |
| 332 3 WHR09766 | C00457775 481241029556 | Button right | Na dotaz | Zadat poptávku | |
| 333 0 WHR09766 | C00402266 481241029558 | Push button BGW-2 opt. | Na dotaz | Zadat poptávku | |
| 333 1 WHR09766 | C00402267 481241029559 | Push button BGW-1 opt. | Na dotaz | Zadat poptávku | |
| 400 0 WHR09766 | C00311587 481236158505 | motor | Na dotaz | Zadat poptávku | |
| 400 1 WHR09766 | C00332114 481250218737 | Screw 8x38 | Na dotaz | Zadat poptávku | |
| 409 0 WHR09766 | C00311255 481236248442 | Brush,carbon ACC sub 481281719419 | Na dotaz | Zadat poptávku | |
| 421 0 WHR09766 | C00311350 481212118285 | Filtr odrušovací 1 uF | 294 Kč € 12.10 | ||
| 430 0 WHR09766 | C00313238 481236018578 | Čerpadlo vypouštěcí pračky Whirlpool, Bauknecht | 1 332 Kč € 54.70 | ||
| 451 0 WHR09766 | C00373838 481225928905 | Topné těleso + NTC | 1 272 Kč € 52.30 | ||
| 480 0 WHR09766 | C00312121 481232178351 | Cable DOMINO-MOT 7 | Na dotaz | Zadat poptávku | |
| 490 0 WHR09766 | C00457199 481232118311 | Cable mains Israel | Na dotaz | Zadat poptávku | |
| 491 0 WHR09766 | C00309418 481232128367 | Přechodka | 324 Kč € 13.30 | ||
| 491 1 WHR09766 | C00318425 481250238152 | Screw 4.8x19 | Na dotaz | Zadat poptávku | |
| 521 0 WHR09766 | C00317775 481221470694 | Control unit DOM,C3 basic | Na dotaz | Zadat poptávku | |
| 521 0 WHR09766 | C00455622 481221470757 | Control unit DOMINO, programmed | Na dotaz | Zadat poptávku | |
| 571 0 WHR09766 | C00311060 481227128558 | Napouštěcí ventil pračky - dvoucestný, rohový | 222 Kč € 9.10 | ||
| 581 0 WHR09766 | C00311217 481227128554 | Presostat pračky | 207 Kč € 8.50 | ||
| 620 0 WHR09766 | C00456461 481223958093 | Module B3 | Na dotaz | Zadat poptávku | |
| 630 0 WHR09766 | C00311250 481228058048 | Door lock Rold DA069516 | Na dotaz | Zadat poptávku | |
| 653 0 WHR09766 | C00455026 481213448393 | Light guide ALARMS-LED-BK | Na dotaz | Zadat poptávku | |
| 653 1 WHR09766 | C00326847 481213448391 | Guide,light BGW-single | Na dotaz | Zadat poptávku | |
| 653 2 WHR09766 | C00326846 481213448389 | Guide,light opt. | Na dotaz | Zadat poptávku | |
| 691 0 WHR09766 | C00313117 481228219485 | senzor NTC | 857 Kč € 35.20 | ||
| 701 0 WHR09766 | C00314963 481953028848 | hadicenapousteci | Na dotaz | Zadat poptávku | |
| 701 1 WHR09766 | C00316490 481946669704 | tesneni + sitko | 173 Kč € 7.10 | ||
| 702 0 WHR09766 | C00315519 481253029405 | hadice od ventilu | 108 Kč € 4.40 | ||
| 707 1 WHR09766 | C00330775 481246279955 | Threaded cap for dispenser | Na dotaz | Zadat poptávku | |
| 707 5 WHR09766 | C00327352 481231019102 | Tryska násypky pračky | 303 Kč € 12.50 | ||
| 708 1 WHR09766 | C00313009 481253048143 | hadice k násypce pračky Whirlpool uz nebude !!!! | Na dotaz | Zadat poptávku | |
| 711 0 WHR09766 | C00311070 481241868391 | teleso nasypky | 1 697 Kč € 69.70 | ||
| 712 0 WHR09766 | C00320425 481241868436 | Drawer | Na dotaz | Zadat poptávku | |
| 713 0 WHR09766 | C00312158 481241868382 | Pojistka násypky | 305 Kč € 12.50 | ||
| 718 0 WHR09766 | C00327923 481241889098 | Siphon blue | Na dotaz | Zadat poptávku | |
| 718 1 WHR09766 | C00332364 481252648272 | Separator blue | Na dotaz | Zadat poptávku | |
| 753 1 WHR09766 | C00312723 481941868234 | vzdusnik | Na dotaz | Zadat poptávku | |
| 754 0 WHR09766 | C00312061 481253028826 | Hadice nádrž-čerpadlo | Na dotaz | Zadat poptávku | |
| 754 1 WHR09766 | C00309391 481253028832 | Kulička hadice mezi vanou a čerpadlem pračky Whirpool | 894 Kč € 36.70 | ||
| 754 2 WHR09766 | C00332452 481253029352 | Příruba eco AWT,AWO/D | 317 Kč € 13.00 | ||
| 760 0 WHR09766 | C00314625 481248058105 | Filtr čerpadla DELTA | 697 Kč € 28.60 | ||
| 781 0 WHR09766 | C00332470 481253029438 | Vypouštěcí hadice pračky Whirlpool, Bauknecht, Ignis | 302 Kč € 12.40 | ||
| 782 0 WHR09766 | C00317136 481253028827 | Hose Pressostat | Na dotaz | Zadat poptávku | |
| 794 2 WHR09766 | C00318107 481240118549 | Clamp hose | Na dotaz | Zadat poptávku | |
| 794 5 WHR09766 | C00319466 481253058098 | tesneni vzdusniku Náhrada 481010395017 | Na dotaz | Zadat poptávku | |
| 900 0 WHR09766 | C00331035 481244138021 | Holder hose outlet | Na dotaz | Zadat poptávku | |
| 900 1 WHR09766 | C00327315 481229088086 | Bracket | Na dotaz | Zadat poptávku | |
| 900 2 WHR09766 | C00327313 481229088077 | Cable clamp | Na dotaz | Zadat poptávku | |
| 900 3 WHR09766 | C00328874 481240118446 | Cable clamp | Na dotaz | Zadat poptávku | |
| 900 4 WHR09766 | C00316612 481240118414 | SPONA39,7 | 37 Kč € 1.50 | ||
| 900 5 WHR09766 | C00309461 481940118529 | Spona nádrž-čerpadlo | 105 Kč € 4.30 | ||
| 900 6 WHR09766 | C00317960 481240118444 | Držák topení pračky Whirlpool, Ignis | Na dotaz | Zadat poptávku | |
| 900 7 WHR09766 | C00327148 481225698031 | Holder pressostat | Na dotaz | Zadat poptávku | |
| 900 8 WHR09766 | C00320945 480111100143 | Holder hose right | Na dotaz | Zadat poptávku | |
| 900 9 WHR09766 | C00327126 481225518286 | Holder Hose outlet left | Na dotaz | Zadat poptávku | |
| 910 1 WHR09766 | C00332163 481250248344 | Šroub | Na dotaz | Zadat poptávku | |
| 910 5 WHR09766 | C00312157 481250218815 | Šroub | 62 Kč € 2.50 | ||
| 930 0 WHR09766 | C00345869 481249238391 | Spring Suspension 53l, 1400 | Na dotaz | Zadat poptávku | |
| 941 0 WHR09766 | C00314254 481252028003 | BEARING 6306 2Z C3 GJN | Na dotaz | Zadat poptávku | |
| 941 1 WHR09766 | C00317100 481252028071 | Ložisko 6305 2Z C3 GJN (SKF) | 232 Kč € 9.50 | ||
| 953 0 WHR09766 | C00332640 481253058185 | gufero 50x70x12 | Na dotaz | Zadat poptávku | |
| 961 0 WHR09766 | C00333324 481953268829 | Vložka vymezovací | 305 Kč € 12.50 | ||
| 965 0 WHR09766 | C00330912 481246668545 | Záslepka otvoru po zajišťovacím šroubu bubnu pračky Whirlpool | 206 Kč € 8.50 | ||
| 993 0 WHR09766 | C00316831 481953029028 | Ohyb plastový/držák vypouštěcí hadice pračky | Na dotaz | Zadat poptávku | |
| 993 3 WHR09766 | C00328868 481239558004 | klic montazni | 64 Kč € 2.60 | ||
| 999 WHR09766 | C00364608 | Testprogram WHP | Na dotaz | Zadat poptávku | |