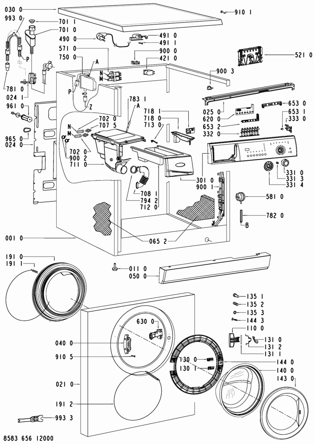
BAUKNECHT WAK 7570
Zeptejte se. Rádi poradíme.
Marek Proche
Zákaznická podpora
Po–Čt 8:00—17:00
Pá 8:00—15:00
poradna@servis-whirlpool.cz
| Komerční kód: | WAK 7570 |
| Kód 12NC/I.C. kód: | 858365612000 |
| Značka: | BAUKNECHT |
| Typ produktu: | Pračky |
| Další podobné modely: | 858365612005, 858365612007 |
Potřebujete servis? Jsme tady pro Vás
Nabídka náhradních dílů
| Číslo | Kód | Název | Cena | ||
|---|---|---|---|---|---|
| 001 0 WHR10170 |
C00328039
481244011538 |
skrin | Na dotaz | Zadat poptávku | |
| 011 0 WHR10170 |
C00330679
481246248421 |
Adjust.foot | Na dotaz | Zadat poptávku | |
| 021 0 WHR10170 |
C00311725
481244011564 |
stena predni | 2 720 Kč
€ 111.80 |
||
| 024 0 WHR10170 |
C00316521
481244011544 |
stena zadni | 1 472 Kč
€ 60.50 |
||
| 024 1 WHR10170 |
C00331035
481244138021 |
Holder hose outlet | Na dotaz | Zadat poptávku | |
| 025 0 WHR10170 |
C00316513
481244011472 |
Support control board | Na dotaz | Zadat poptávku | |
| 030 0 WHR10170 |
C00328061
481244011645 |
Table top 42/50 DOM. UBS possible | Na dotaz | Zadat poptávku | |
| 040 0 WHR10170 |
C00312018
481241718787 |
Závěs dveří pračky | 625 Kč
€ 25.70 |
||
| 050 0 WHR10170 |
C00312706
481244010779 |
sokl pracky GW | Na dotaz | Zadat poptávku | |
| 061 0 WHR10170 |
C00313390
481246689017 |
Counter weight upper, Eureka 50-54l | Na dotaz | Zadat poptávku | |
| 061 1 WHR10170 |
C00312633
481246689034 |
zavazi | 1 448 Kč
€ 59.50 |
||
| 061 2 WHR10170 |
C00312077
481231039249 |
sroub+podlozka | 81 Kč
€ 3.30 |
||
| 065 2 WHR10170 |
C00319867
481231019136 |
Insulation | Na dotaz | Zadat poptávku | |
| 081 0 WHR10170 |
C00313104
481246648088 |
Tlumič třecí pro předem plněné pračky Whirlpool | 766 Kč
€ 31.50 |
||
| 084 0 WHR10170 |
C00330907
481246658001 |
drzak pruziny agreg. | Na dotaz | Zadat poptávku | |
| 086 0 WHR10170 |
C00314609
481240118894 |
Fixation eureka | Na dotaz | Zadat poptávku | |
| 086 2 WHR10170 |
C00314527
481240118412 |
pojistka tlumice | 333 Kč
€ 13.70 |
||
| 110 0 WHR10170 |
C00340099
481249818701 |
Handle door | Na dotaz | Zadat poptávku | |
| 130 0 WHR10170 |
C00318057
481241728047 |
desticka uzaveru dv. | 27 Kč
€ 1.10 |
||
| 130 1 WHR10170 |
C00318073
481241728108 |
podlozka | 380 Kč
€ 15.60 |
||
| 131 0 WHR10170 |
C00312433
481241728046 |
Lock Door | Na dotaz | Zadat poptávku | |
| 131 1 WHR10170 |
C00312243
481241728045 |
osa uzaveru dveri | 143 Kč
€ 5.90 |
||
| 131 2 WHR10170 |
C00312651
481249258022 |
Pružina uzávěru dveří | 237 Kč
€ 9.70 |
||
| 135 1 WHR10170 |
C00317048
481249818262 |
pojistka dveri | 227 Kč
€ 9.30 |
||
| 135 2 WHR10170 |
C00317024
481249148004 |
Pružina | 220 Kč
€ 9.00 |
||
| 135 3 WHR10170 |
C00313732
481229068153 |
drzak pojistky | Na dotaz | Zadat poptávku | |
| 140 0 WHR10170 |
C00311241
481245059812 |
Sklo dveří | 2 067 Kč
€ 84.90 |
||
| 143 0 WHR10170 |
C00328044
481244011577 |
Glassdoor frame BK | Na dotaz | Zadat poptávku | |
| 144 0 WHR10170 |
C00317167
481244011575 |
Frame door glas | Na dotaz | Zadat poptávku | |
| 144 3 WHR10170 |
C00318393
481250218669 |
sroub pojistka dv. | 267 Kč
€ 11.00 |
||
| 191 0 WHR10170 |
C00311125
481246068633 |
Těsnění dveří, manžeta pračky Whirlpool | 350 Kč
€ 14.40 |
||
| 191 1 WHR10170 |
C00312650
481249218028 |
spona TVO - vnitřní | 54 Kč
€ 2.20 |
||
| 191 2 WHR10170 |
C00318256
481953058059 |
spona TVO predni st. | Na dotaz | Zadat poptávku | |
| 200 0 WHR10170 |
C00312326
480111100364 |
Wash unit | Na dotaz | Zadat poptávku | |
| 223 0 WHR10170 |
C00313097
481241848987 |
drum lifter 54LT | Na dotaz | Zadat poptávku | |
| 271 0 WHR10170 |
C00311514
481935818152 |
Řemen PV 1248 J5 pračky Whirlpool | 145 Kč
€ 6.00 |
||
| 272 0 WHR10170 |
C00314580
481252858044 |
Pulley Eureka/MR+HR | Na dotaz | Zadat poptávku | |
| 272 3 WHR10170 |
C00313276
481250218817 |
sroub remenice | Na dotaz | Zadat poptávku | |
| 301 0 WHR10170 |
C00425363
480111100396 |
Control panel + handle drawer | Na dotaz | Zadat poptávku | |
| 331 0 WHR10170 |
C00457965
481241458321 |
Knob timer BK | Na dotaz | Zadat poptávku | |
| 331 3 WHR10170 |
C00311525
481241458307 |
Unašeč knoflíku AWO/D | 399 Kč
€ 16.40 |
||
| 331 4 WHR10170 |
C00329530
481241458317 |
Knob timer ring-VB 06 | Na dotaz | Zadat poptávku | |
| 332 0 WHR10170 |
C00464786
481251318178 |
Push button 7 opt. | Na dotaz | Zadat poptávku | |
| 333 0 WHR10170 |
C00314700
481251318177 |
Tlačítko start-reset | 437 Kč
€ 18.00 |
||
| 400 0 WHR10170 |
C00311155
480111100362 |
motor | 3 655 Kč
€ 150.20 |
||
| 400 1 WHR10170 |
C00332143
481250218816 |
Screw P8x50 | Na dotaz | Zadat poptávku | |
| 409 0 WHR10170 |
C00311255
481236248442 |
Brush,carbon ACC sub 481281719419 | Na dotaz | Zadat poptávku | |
| 421 0 WHR10170 |
C00311350
481212118285 |
Filtr odrušovací 1 uF | 294 Kč
€ 12.10 |
||
| 430 0 WHR10170 |
C00313045
481236018559 |
Pump | Na dotaz | Zadat poptávku | |
| 451 0 WHR10170 |
C00318278
481225928919 |
Heating element 2050W, 230V + NTC | Na dotaz | Zadat poptávku | |
| 480 0 WHR10170 |
C00314183
481232178419 |
Cable DOM-MOT 7-EU/VB | Na dotaz | Zadat poptávku | |
| 490 0 WHR10170 |
C00316393
481932118136 |
Flexo kabel 2 m, konektory | Na dotaz | Zadat poptávku | |
| 491 0 WHR10170 |
C00309418
481232128367 |
Přechodka | 324 Kč
€ 13.30 |
||
| 491 1 WHR10170 |
C00318425
481250238152 |
Screw 4.8x19 | Na dotaz | Zadat poptávku | |
| 521 0 WHR10170 |
C00425286
480111100268 |
Control unit DOMINO,C1I,basic | Na dotaz | Zadat poptávku | |
| 521 0 WHR10170 |
C00425308
480111100301 |
Control unit DOMINO I, programmed | Na dotaz | Zadat poptávku | |
| 571 0 WHR10170 |
C00311060
481227128558 |
Napouštěcí ventil pračky - dvoucestný, rohový | 222 Kč
€ 9.10 |
||
| 581 0 WHR10170 |
C00311861
481227128585 |
Pressostat 50/25 INVENS. | Na dotaz | Zadat poptávku | |
| 620 0 WHR10170 |
C00312517
481223958061 |
jednotka ovladaci | 3 050 Kč
€ 125.30 |
||
| 630 0 WHR10170 |
C00311250
481228058048 |
Door lock Rold DA069516 | Na dotaz | Zadat poptávku | |
| 653 0 WHR10170 |
C00326821
481213418064 |
Light guide prog. flow | Na dotaz | Zadat poptávku | |
| 653 1 WHR10170 |
C00314404
481213418047 |
kolik | 175 Kč
€ 7.20 |
||
| 653 2 WHR10170 |
C00455019
481213448368 |
Light guide 7 opt. | Na dotaz | Zadat poptávku | |
| 691 0 WHR10170 |
C00313117
481228219485 |
senzor NTC | 857 Kč
€ 35.20 |
||
| 701 0 WHR10170 |
C00312612
481953028926 |
Hose inlet 2.5 m (Eltek) | Na dotaz | Zadat poptávku | |
| 701 0 WHR10170 |
C00332408
481253028781 |
HYDRO-SECURITY 4m 90# 10 BAR straight | Na dotaz | Zadat poptávku | |
| 701 1 WHR10170 |
C00316490
481946669704 |
tesneni + sitko | 173 Kč
€ 7.10 |
||
| 702 0 WHR10170 |
C00315519
481253029405 |
hadice od ventilu | 108 Kč
€ 4.40 |
||
| 707 5 WHR10170 |
C00327352
481231019102 |
Tryska násypky pračky | 303 Kč
€ 12.40 |
||
| 708 1 WHR10170 |
C00313076
481253049392 |
Hadice násypka-nádrž pračky Whirlpool | 535 Kč
€ 22.00 |
||
| 711 0 WHR10170 |
C00311070
481241868391 |
teleso nasypky | 1 697 Kč
€ 69.70 |
||
| 712 0 WHR10170 |
C00313225
481241868389 |
Zásuvka násypky | Na dotaz | Zadat poptávku | |
| 713 0 WHR10170 |
C00312158
481241868382 |
Pojistka násypky | 305 Kč
€ 12.50 |
||
| 718 0 WHR10170 |
C00312808
481252648226 |
Dávkovač aviváže | Na dotaz | Zadat poptávku | |
| 718 1 WHR10170 |
C00314043
481241889066 |
separator do nasypky | 401 Kč
€ 16.50 |
||
| 750 0 WHR10170 |
C00332502
481253048139 |
Expanzní nádoba pračky Whirlpool, Bauknecht | 141 Kč
€ 5.80 |
||
| 754 0 WHR10170 |
C00313144
481253029495 |
Hadice čerpadlo - nádrž pračky Whirlpool | 639 Kč
€ 26.30 |
||
| 754 1 WHR10170 |
C00309391
481253028832 |
Kulička hadice mezi vanou a čerpadlem pračky Whirpool | 894 Kč
€ 36.70 |
||
| 760 0 WHR10170 |
C00312342
481248058385 |
Filtr čerpadla Whirlpool AWO/D | 365 Kč
€ 15.00 |
||
| 781 0 WHR10170 |
C00315777
480111100312 |
Hose draining outlet,int. | Na dotaz | Zadat poptávku | |
| 782 0 WHR10170 |
C00312246
481253029497 |
Hadice k presostatu pračky Whirlpool | 50 Kč
€ 2.10 |
||
| 783 1 WHR10170 |
C00332488
481253029473 |
hadice k nasypce | Na dotaz | Zadat poptávku | |
| 783 4 WHR10170 |
C00314522
481253029392 |
Hose pump/tank | Na dotaz | Zadat poptávku | |
| 794 2 WHR10170 |
C00318107
481240118549 |
Clamp hose | Na dotaz | Zadat poptávku | |
| 900 0 WHR10170 |
C00327130
481225518298 |
držák | Na dotaz | Zadat poptávku | |
| 900 1 WHR10170 |
C00327322
481229088123 |
Bracket eureka | Na dotaz | Zadat poptávku | |
| 900 2 WHR10170 |
C00328881
481240118501 |
Svorka hadice 1 | 87 Kč
€ 3.60 |
||
| 900 3 WHR10170 |
C00328874
481240118446 |
Cable clamp | Na dotaz | Zadat poptávku | |
| 900 4 WHR10170 |
C00316612
481240118414 |
SPONA39,7 | 37 Kč
€ 1.50 |
||
| 900 5 WHR10170 |
C00309461
481940118529 |
Spona nádrž-čerpadlo | 105 Kč
€ 4.30 |
||
| 910 1 WHR10170 |
C00332163
481250248344 |
Šroub | Na dotaz | Zadat poptávku | |
| 910 5 WHR10170 |
C00316731
481290308196 |
sroub | Na dotaz | Zadat poptávku | |
| 930 0 WHR10170 |
C00345873
481249238421 |
Pružina nádrže | Na dotaz | Zadat poptávku | |
| 961 0 WHR10170 |
C00333324
481953268829 |
Vložka vymezovací | 305 Kč
€ 12.50 |
||
| 965 0 WHR10170 |
C00330912
481246668545 |
Záslepka otvoru po zajišťovacím šroubu bubnu pračky Whirlpool | 206 Kč
€ 8.50 |
||
| 993 0 WHR10170 |
C00316831
481953029028 |
Ohyb plastový/držák vypouštěcí hadice pračky | Na dotaz | Zadat poptávku | |
| 993 3 WHR10170 |
C00328868
481239558004 |
klic montazni | Na dotaz | Zadat poptávku | |
| 999 WHR10170 |
C00364608 | Testprogram WHP | Na dotaz | Zadat poptávku | |