BAUKNECHT WAK 840
 
             
                 
                
    Zeptejte se. Rádi poradíme.
    
        
            
                
                     
              
        
        
            
    
    
             
            Marek Proche
                    
Zákaznická podpora
            
Po–Čt 8:00—17:00
                
Pá 8:00—15:00             
            
        
            
        poradna@servis-whirlpool.cz     
    
    
| Komerční kód: | WAK 840 | 
| Kód 12NC: | 858300010010 | 
| I.C. kód: | 858300010014 | 
| Značka: | BAUKNECHT | 
| Typ produktu: | Pračky | 
| Další podobné modely: | 858300010010 | 
Potřebujete servis? Jsme tady pro Vás
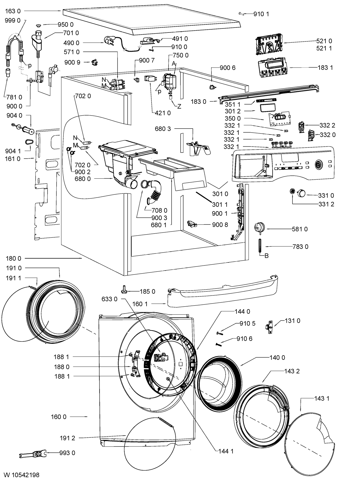
Nabídka náhradních dílů
| Číslo | Kód | Název | Cena | ||
|---|---|---|---|---|---|
| 1310 WHR09435 | C00315153 481010339786 | hak dveri | Na dotaz | Zadat poptávku | |
| 1400 WHR09435 | C00311824 481071423981 | Sklo dveří pračky | 1 687 Kč € 69.20 | ||
| 1431 WHR09435 | C00317904 481010467590 | Screening | Na dotaz | Zadat poptávku | |
| 1432 WHR09435 | C00314057 481010643150 | Glass door black + Grip silver | Na dotaz | Zadat poptávku | |
| 1440 WHR09435 | C00316608 481010467198 | Frame door glass | Na dotaz | Zadat poptávku | |
| 1441 WHR09435 | C00312553 481071428351 | Fixation | Na dotaz | Zadat poptávku | |
| 1600 WHR09435 | C00320855 481010500434 | Front white | Na dotaz | Zadat poptávku | |
| 1601 WHR09435 | C00314611 480111102161 | Sokl | 1 201 Kč € 49.30 | ||
| 1610 WHR09435 | C00316521 481244011544 | stena zadni | 1 472 Kč € 60.40 | ||
| 1630 WHR09435 | C00312507 480111100218 | deska horni | Na dotaz | Zadat poptávku | |
| 1800 WHR09435 | C00319115 481074652392 | Cabinet | Na dotaz | Zadat poptávku | |
| 1810 WHR09435 | C00313078 480111102361 | Tlumič pračky Whirlpool FSCR | 432 Kč € 17.70 | ||
| 1820 WHR09435 | C00314406 480111100193 | Závaží horní | 1 674 Kč € 68.70 | ||
| 1821 WHR09435 | C00313353 480111101442 | Counter weight front, Eureka, 58l | Na dotaz | Zadat poptávku | |
| 1822 WHR09435 | C00312077 481231039249 | sroub+podlozka | 81 Kč € 3.30 | ||
| 1830 WHR09435 | C00316513 481244011472 | Support control board | Na dotaz | Zadat poptávku | |
| 1831 WHR09435 | C00321055 480111102202 | Support Display | Na dotaz | Zadat poptávku | |
| 1850 WHR09435 | C00313162 481246248054 | Noha pračky přední | 38 Kč € 1.60 | ||
| 1880 WHR09435 | C00311610 481071424041 | zaves dveri | 654 Kč € 26.80 | ||
| 1881 WHR09435 | C00311991 481071424051 | pouzdro závěsu | 38 Kč € 1.60 | ||
| 1910 WHR09435 | C00311135 480111100188 | Těsnění dveří pračky (TVO) | 392 Kč € 16.10 | ||
| 1911 WHR09435 | C00311853 480111100191 | Spona těsnění dveří pračky (TVO) | 208 Kč € 8.50 | ||
| 1912 WHR09435 | C00311661 480111100189 | Ring Bellow-Panel, Eureka 490 | Na dotaz | Zadat poptávku | |
| 2000 WHR09435 | C00311150 480111101444 | Nádrž kompletní | Na dotaz | Zadat poptávku | |
| 2230 WHR09435 | C00310980 480111104175 | Žebro bubnu pračky Whirlpool | 334 Kč € 13.70 | ||
| 2710 WHR09435 | C00313085 480111101441 | Řemen 5 PJE 1249 pračky Whirlpool | 576 Kč € 23.60 | ||
| 2720 WHR09435 | C00311999 480111102563 | Řemenice bubnu | 1 090 Kč € 44.70 | ||
| 3010 WHR09435 | C00437151 481010419885 | Control panel + handle drawer | Na dotaz | Zadat poptávku | |
| 3011 WHR09435 | C00324297 481010433685 | Čelo násypky pračky Bauknecht | 295 Kč € 12.10 | ||
| 3012 WHR09435 | C00321056 480111102203 | Sklíčko dispeje | 1 673 Kč € 68.60 | ||
| 3310 WHR09435 | C00315698 481071419922 | Knob timer white | Na dotaz | Zadat poptávku | |
| 3312 WHR09435 | C00312359 480111100231 | pouzdro | 270 Kč € 11.10 | ||
| 3320 WHR09435 | C00312376 480111102172 | tlacitko | 154 Kč € 6.30 | ||
| 3321 WHR09435 | C00321058 480111102213 | Button assy | Na dotaz | Zadat poptávku | |
| 3322 WHR09435 | C00317131 480111102238 | Button option | Na dotaz | Zadat poptávku | |
| 3500 WHR09435 | C00314309 480111104523 | displej | Na dotaz | Zadat poptávku | |
| 3511 WHR09435 | C00321057 480111102204 | Light guide MR BK08 | Na dotaz | Zadat poptávku | |
| 4000 WHR09435 | C00312464 481010448538 | motor | 3 912 Kč € 160.50 | ||
| 4009 WHR09435 | C00311010 481281719419 | Uhlíky motoru | 519 Kč € 21.30 | ||
| 4210 WHR09435 | C00314577 481010503697 | Odrušovací filtr pračky Whirlpool, Indesit, Ignis | 378 Kč € 15.50 | ||
| 4300 WHR09435 | C00310955 480111100786 | Pump,draining | Na dotaz | Zadat poptávku | |
| 4510 WHR09435 | C00310413 481010567082 | Heating element 2050W, 230V, double gr. | Na dotaz | Zadat poptávku | |
| 4800 WHR09435 | C00313012 480111100719 | Kabeláž Motor 7-pole DOMINO | 764 Kč € 31.30 | ||
| 4900 WHR09435 | C00316393 481932118136 | Flexo kabel 2 m, konektory | Na dotaz | Zadat poptávku | |
| 4910 WHR09435 | C00309418 481232128367 | Přechodka | 324 Kč € 13.30 | ||
| 5210 WHR09435 | C00378524 481010522154 | Control unit WAVE ECO, progr. | Na dotaz | Zadat poptávku | |
| 5211 WHR09435 | C00313169 481010438427 | Control unit WAVE_2, K3A2 tf/hf, basic | Na dotaz | Zadat poptávku | |
| 5710 WHR09435 | C00311009 480111100199 | Napouštěcí ventil dvoucestný přímý pračky Whirlpool AWS 51011, AWSX 63213, WWDC 7122. | 290 Kč € 11.90 | ||
| 5810 WHR09435 | C00311217 481227128554 | Presostat pračky | 207 Kč € 8.50 | ||
| 6330 WHR09435 | C00311157 480111101392 | Blokování dveří předem plněné pračky Whirlpool | 217 Kč € 8.90 | ||
| 6800 WHR09435 | C00312411 481074670981 | těleso násypky náhrada 481010613478 | Na dotaz | Zadat poptávku | |
| 6801 WHR09435 | C00311979 481010367725 | Drawer-SB481271240389/AI-483272291008 | Na dotaz | Zadat poptávku | |
| 6803 WHR09435 | C00314196 481074668291 | Vložka násypky | Na dotaz | Zadat poptávku | |
| 6910 WHR09435 | C00313117 481228219485 | senzor NTC | 857 Kč € 35.20 | ||
| 7010 WHR09435 | C00437554 481010433354 | Hose inlet | Na dotaz | Zadat poptávku | |
| 7020 WHR09435 | C00317154 480111100201 | Hose valve-dispenser | Na dotaz | Zadat poptávku | |
| 7080 WHR09435 | C00313076 481253049392 | Hadice násypka-nádrž pračky Whirlpool | 534 Kč € 21.90 | ||
| 7500 WHR09435 | C00311839 481010467662 | Chamber expand. | Na dotaz | Zadat poptávku | |
| 7540 WHR09435 | C00313144 481253029495 | Hadice čerpadlo - nádrž pračky Whirlpool | 638 Kč € 26.20 | ||
| 7541 WHR09435 | C00309391 481253028832 | Kulička hadice mezi vanou a čerpadlem pračky Whirpool | 894 Kč € 36.70 | ||
| 7551 WHR09435 | C00312415 480111100207 | Hadička násypka/nádrž | 323 Kč € 13.20 | ||
| 7630 WHR09435 | C00312342 481248058385 | Filtr čerpadla Whirlpool AWO/D | 365 Kč € 15.00 | ||
| 7810 WHR09435 | C00311863 480111100342 | Vypouštěcí hadice pračky Whirlpool, Bauknecht | 463 Kč € 19.00 | ||
| 7811 WHR09435 | C00312724 480111100206 | Hadice | Na dotaz | Zadat poptávku | |
| 7830 WHR09435 | C00312246 481253029497 | Hadice k presostatu pračky Whirlpool | 50 Kč € 2.10 | ||
| 7850 WHR09435 | C00319405 480111105006 | Hadice | 184 Kč € 7.50 | ||
| 9000 WHR09435 | C00320981 480111100785 | Holder hose outlet | Na dotaz | Zadat poptávku | |
| 9001 WHR09435 | C00320950 480111100204 | Bracket cable, Eureka 490 | Na dotaz | Zadat poptávku | |
| 9002 WHR09435 | C00328881 481240118501 | Svorka hadice 1 | 87 Kč € 3.60 | ||
| 9003 WHR09435 | C00321158 480111104423 | Clamp hose | Na dotaz | Zadat poptávku | |
| 9004 WHR09435 | C00316612 481240118414 | SPONA39,7 | 37 Kč € 1.50 | ||
| 9005 WHR09435 | C00309461 481940118529 | Spona nádrž-čerpadlo | 105 Kč € 4.30 | ||
| 9006 WHR09435 | C00328874 481240118446 | Cable clamp | Na dotaz | Zadat poptávku | |
| 9007 WHR09435 | C00327313 481229088077 | Cable clamp | Na dotaz | Zadat poptávku | |
| 9008 WHR09435 | C00320945 480111100143 | Holder hose right | Na dotaz | Zadat poptávku | |
| 9009 WHR09435 | C00327126 481225518286 | Holder Hose outlet left | Na dotaz | Zadat poptávku | |
| 9040 WHR09435 | C00333324 481953268829 | Vložka vymezovací | 305 Kč € 12.50 | ||
| 9041 WHR09435 | C00330912 481246668545 | Záslepka otvoru po zajišťovacím šroubu bubnu pračky Whirlpool | 206 Kč € 8.40 | ||
| 9049 WHR09435 | C00316582 480111101846 | Silent bloc | 181 Kč € 7.40 | ||
| 9100 WHR09435 | C00318425 481250238152 | Screw 4.8x19 | Na dotaz | Zadat poptávku | |
| 9101 WHR09435 | C00332163 481250248344 | Šroub | Na dotaz | Zadat poptávku | |
| 9103 WHR09435 | C00313276 481250218817 | sroub remenice | Na dotaz | Zadat poptávku | |
| 9104 WHR09435 | C00309518 481250218828 | Šroub | 134 Kč € 5.50 | ||
| 9105 WHR09435 | C00316665 481250248015 | Šroub 4x16 | 68 Kč € 2.80 | ||
| 9106 WHR09435 | C00326402 481021201061 | Screw ST H T 3 Z P4X18.5 | Na dotaz | Zadat poptávku | |
| 9300 WHR09435 | C00320949 480111100197 | pružina nádrže pračky Whirlpool | 266 Kč € 10.90 | ||
| 9500 WHR09435 | C00316490 481946669704 | tesneni + sitko | 173 Kč € 7.10 | ||
| 9930 WHR09435 | C00328868 481239558004 | klic montazni | 64 Kč € 2.60 | ||
| 999 WHR09435 | C00352384 | Testprogram WHP | Na dotaz | Zadat poptávku | |
| 9990 WHR09435 | C00316831 481953029028 | Ohyb plastový/držák vypouštěcí hadice pračky | Na dotaz | Zadat poptávku | |