BAUKNECHT WAK EXCLUSIV 1200 WASHING MACHINES BK
            
    Zeptejte se. Rádi poradíme.
    
        
            
                
                    
              
        
        
            
    
    
            
            Marek Proche
                    
Zákaznická podpora
            
Po–Čt 8:00—17:00
                
Pá 8:00—15:00             
            
        
            
        poradna@servis-whirlpool.cz     
    
    
| Komerční kód: | WAK EXCLUSIV 1200 WASHING MACHINES BK | 
| Kód 12NC: | 855456003600 | 
| I.C. kód: | 855456003608 | 
| Značka: | BAUKNECHT | 
| Typ produktu: | Pračky | 
| Další podobné modely: | 855456003609 | 
Potřebujete servis? Jsme tady pro Vás
Nabídka náhradních dílů
| Číslo | Kód | Název | Cena | ||
|---|---|---|---|---|---|
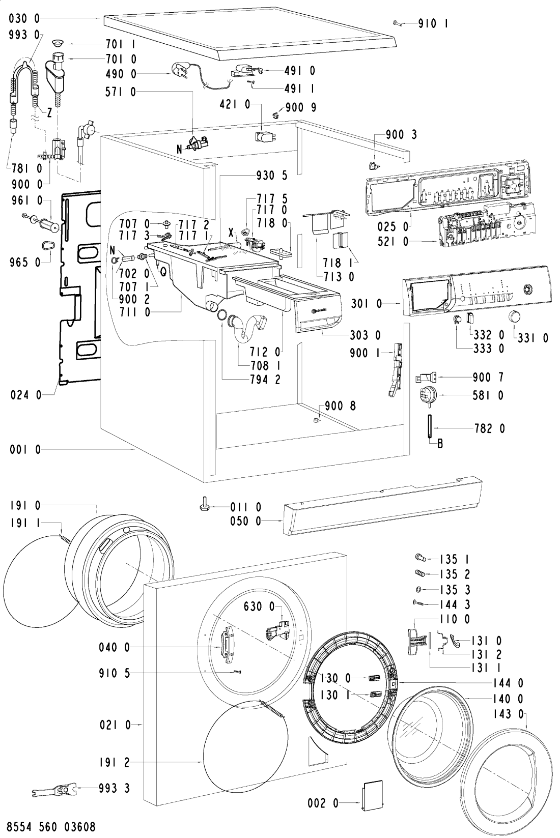
| 001 0 WHR15121  | 
                        
                        C00327957
                         481244010784  | 
                        
                        Cabinet GW | Na dotaz | Zadat poptávku | |
| 002 0 WHR15121  | 
                        
                        C00340841
                         481244010812  | 
                        
                        Flap Filter square GW | Na dotaz | Zadat poptávku | |
| 011 0 WHR15121  | 
                        
                        C00330679
                         481246248421  | 
                        
                        Adjust.foot | Na dotaz | Zadat poptávku | |
| 021 0 WHR15121  | 
                        
                        C00340649
                         481244010927  | 
                        
                        Front square flap GW 50mm | Na dotaz | Zadat poptávku | |
| 024 0 WHR15121  | 
                        
                        C00316521
                         481244011544  | 
                        
                        stena zadni | 1 472 Kč
                             € 60.50  | 
                        
                        ||
| 025 0 WHR15121  | 
                        
                        C00491728
                         481244011067  | 
                        
                        Holder GAMMA BK | Na dotaz | Zadat poptávku | |
| 030 0 WHR15121  | 
                        
                        C00497906
                         481244011072  | 
                        
                        Table top | Na dotaz | Zadat poptávku | |
| 040 0 WHR15121  | 
                        
                        C00312018
                         481241718787  | 
                        
                        Hinge BK | Na dotaz | Zadat poptávku | |
| 050 0 WHR15121  | 
                        
                        C00337676
                         481244010823  | 
                        
                        sokl pracky GW | Na dotaz | Zadat poptávku | |
| 061 0 WHR15121  | 
                        
                        C00320755
                         481246688833  | 
                        
                        zavazi horni | 1 512 Kč
                             € 62.10  | 
                        
                        ||
| 061 1 WHR15121  | 
                        
                        C00316001
                         481246688607  | 
                        
                        Counter weight front, bottom | Na dotaz | Zadat poptávku | |
| 061 2 WHR15121  | 
                        
                        C00332868
                         481931039227  | 
                        
                        sroub do zavazi sada | Na dotaz | Zadat poptávku | |
| 061 3 WHR15121  | 
                        
                        C00320457
                         481931039228  | 
                        
                        Mounting kit Weight bottom | Na dotaz | Zadat poptávku | |
| 081 0 WHR15121  | 
                        
                        C00312055
                         481252918038  | 
                        
                        Shock absorber until 1200 | Na dotaz | Zadat poptávku | |
| 084 0 WHR15121  | 
                        
                        C00330907
                         481246658001  | 
                        
                        drzak pruziny agreg. | Na dotaz | Zadat poptávku | |
| 086 2 WHR15121  | 
                        
                        C00314527
                         481240118412  | 
                        
                        pojistka tlumice | 333 Kč
                             € 13.70  | 
                        
                        ||
| 110 0 WHR15121  | 
                        
                        C00316653
                         481249818261  | 
                        
                        Rukojeť dveří GW UZ NEBUDE !!!!!!! | Na dotaz | Zadat poptávku | |
| 130 0 WHR15121  | 
                        
                        C00318057
                         481241728047  | 
                        
                        desticka uzaveru dv. | 27 Kč
                             € 1.10  | 
                        
                        ||
| 130 1 WHR15121  | 
                        
                        C00329782
                         481241728048  | 
                        
                        Plate Doorlock LowerDoorlock Lower | Na dotaz | Zadat poptávku | |
| 131 0 WHR15121  | 
                        
                        C00312433
                         481241728046  | 
                        
                        Lock Door | Na dotaz | Zadat poptávku | |
| 131 1 WHR15121  | 
                        
                        C00312243
                         481241728045  | 
                        
                        osa uzaveru dveri | 143 Kč
                             € 5.90  | 
                        
                        ||
| 131 2 WHR15121  | 
                        
                        C00312651
                         481249258022  | 
                        
                        Pružina uzávěru dveří | 237 Kč
                             € 9.70  | 
                        
                        ||
| 135 1 WHR15121  | 
                        
                        C00317048
                         481249818262  | 
                        
                        pojistka dveri | 227 Kč
                             € 9.30  | 
                        
                        ||
| 135 2 WHR15121  | 
                        
                        C00318221
                         481249258023  | 
                        
                        Spring Door Safety | Na dotaz | Zadat poptávku | |
| 135 3 WHR15121  | 
                        
                        C00313732
                         481229068153  | 
                        
                        drzak pojistky | Na dotaz | Zadat poptávku | |
| 140 0 WHR15121  | 
                        
                        C00320431
                         481245068219  | 
                        
                        Door glass | Na dotaz | Zadat poptávku | |
| 143 0 WHR15121  | 
                        
                        C00340315
                         481244010815  | 
                        
                        Glassdoor frame VBL-DELTAVBL BK GW | Na dotaz | Zadat poptávku | |
| 144 0 WHR15121  | 
                        
                        C00314075
                         481244019589  | 
                        
                        priruba dveri | 1 184 Kč
                             € 48.60  | 
                        
                        ||
| 144 3 WHR15121  | 
                        
                        C00318393
                         481250218669  | 
                        
                        sroub pojistka dv. | 267 Kč
                             € 11.00  | 
                        
                        ||
| 191 0 WHR15121  | 
                        
                        C00313168
                         481246068532  | 
                        
                        DOOR BELLOW grease resistance | Na dotaz | Zadat poptávku | |
| 191 1 WHR15121  | 
                        
                        C00313764
                         481249218017  | 
                        
                        spona TVO - vnitřní | 149 Kč
                             € 6.10  | 
                        
                        ||
| 191 2 WHR15121  | 
                        
                        C00318256
                         481953058059  | 
                        
                        spona TVO predni st. | Na dotaz | Zadat poptávku | |
| 200 1 WHR15121  | 
                        
                        C00315540
                         481241818369  | 
                        
                        Tub, half front 48 l | Na dotaz | Zadat poptávku | |
| 200 2 WHR15121  | 
                        
                        C00311099
                         481241818318  | 
                        
                        Nádrž - zadní část | Na dotaz | Zadat poptávku | |
| 200 4 WHR15121  | 
                        
                        C00314317
                         481229088054  | 
                        
                        Spona nádrže | 378 Kč
                             € 15.50  | 
                        
                        ||
| 220 0 WHR15121  | 
                        
                        C00312242
                         481241818191  | 
                        
                        Drum 1200 0,5MM PP 48L | Na dotaz | Zadat poptávku | |
| 271 0 WHR15121  | 
                        
                        C00311078
                         481235818056  | 
                        
                        Řemen PV 1250 J4 EL pračky Whirlpool | 100 Kč
                             € 4.10  | 
                        
                        ||
| 272 0 WHR15121  | 
                        
                        C00313543
                         481252858041  | 
                        
                        remenice bubnu | 1 104 Kč
                             € 45.40  | 
                        
                        ||
| 272 3 WHR15121  | 
                        
                        C00313776
                         481250518371  | 
                        
                        matice remenice | Na dotaz | Zadat poptávku | |
| 292 0 WHR15121  | 
                        
                        C00311501
                         481253058101  | 
                        
                        těsnění bočnice | 694 Kč
                             € 28.50  | 
                        
                        ||
| 301 0 WHR15121  | 
                        
                        C00461067
                         481245216829  | 
                        
                        Control panel WAK EXCLUSIV | Na dotaz | Zadat poptávku | |
| 303 0 WHR15121  | 
                        
                        C00490182
                         481249818278  | 
                        
                        Handle, drawer VBL-BK/SILVER/DELTA* VBL | Na dotaz | Zadat poptávku | |
| 331 0 WHR15121  | 
                        
                        C00487560
                         481241458198  | 
                        
                        Knob timer BK GW | Na dotaz | Zadat poptávku | |
| 332 0 WHR15121  | 
                        
                        C00344001
                         481241029092  | 
                        
                        Button Options VBL BK GW | Na dotaz | Zadat poptávku | |
| 333 0 WHR15121  | 
                        
                        C00343982
                         481241029091  | 
                        
                        Button Start VBL BK GW | Na dotaz | Zadat poptávku | |
| 400 0 WHR15121  | 
                        
                        C00311192
                         481236158376  | 
                        
                        motor | 3 687 Kč
                             € 151.50  | 
                        
                        ||
| 400 1 WHR15121  | 
                        
                        C00332114
                         481250218737  | 
                        
                        Screw 8x38 | Na dotaz | Zadat poptávku | |
| 409 0 WHR15121  | 
                        
                        C00311127
                         481236248004  | 
                        
                        Brush,carbon, Motor CESET | Na dotaz | Zadat poptávku | |
| 421 0 WHR15121  | 
                        
                        C00311350
                         481212118285  | 
                        
                        Filtr odrušovací 1 uF | 294 Kč
                             € 12.10  | 
                        
                        ||
| 430 0 WHR15121  | 
                        
                        C00311139
                         481231028144  | 
                        
                        Čerpadlo vypouštěcí DELTA | 576 Kč
                             € 23.70  | 
                        
                        ||
| 451 0 WHR15121  | 
                        
                        C00318278
                         481225928919  | 
                        
                        Heating element 2050W, 230V + NTC | Na dotaz | Zadat poptávku | |
| 480 0 WHR15121  | 
                        
                        C00311380
                         481232178109  | 
                        
                        vodice svazek motor | Na dotaz | Zadat poptávku | |
| 490 0 WHR15121  | 
                        
                        C00316393
                         481932118136  | 
                        
                        Flexo kabel 2 m, konektory | Na dotaz | Zadat poptávku | |
| 491 0 WHR15121  | 
                        
                        C00309418
                         481232128367  | 
                        
                        Přechodka | 324 Kč
                             € 13.30  | 
                        
                        ||
| 491 1 WHR15121  | 
                        
                        C00318425
                         481250238152  | 
                        
                        Screw 4.8x19 | Na dotaz | Zadat poptávku | |
| 521 0 WHR15121  | 
                        
                        C00455897
                         481221479688  | 
                        
                        PLATINE CONTROLE | Na dotaz | Zadat poptávku | |
| 521 0 WHR15121  | 
                        
                        C00455161
                         481221470033  | 
                        
                        Control board GAMMA programmed | Na dotaz | Zadat poptávku | |
| 571 0 WHR15121  | 
                        
                        C00312238
                         481227128375  | 
                        
                        Napouštěcí ventil pračky - jednocestný, boční vývod | 546 Kč
                             € 22.40  | 
                        
                        ||
| 581 0 WHR15121  | 
                        
                        C00311217
                         481227128554  | 
                        
                        Presostat pračky | 207 Kč
                             € 8.50  | 
                        
                        ||
| 630 0 WHR15121  | 
                        
                        C00311146
                         481228058044  | 
                        
                        Blokování dveří předem plněné pračky Whirlpool | 483 Kč
                             € 19.80  | 
                        
                        ||
| 691 0 WHR15121  | 
                        
                        C00313117
                         481228219485  | 
                        
                        senzor NTC | 857 Kč
                             € 35.20  | 
                        
                        ||
| 701 0 WHR15121  | 
                        
                        C00312612
                         481953028926  | 
                        
                        Hose inlet 2.5 m (Eltek) | Na dotaz | Zadat poptávku | |
| 701 0 WHR15121  | 
                        
                        C00332408
                         481253028781  | 
                        
                        HYDRO-SECURITY 4m 90# 10 BAR straight | Na dotaz | Zadat poptávku | |
| 701 1 WHR15121  | 
                        
                        C00316490
                         481946669704  | 
                        
                        tesneni + sitko | 173 Kč
                             € 7.10  | 
                        
                        ||
| 702 0 WHR15121  | 
                        
                        C00313911
                         481953029019  | 
                        
                        Hadice ventil - násypka pračky Whirlpool, Ignis, Bauknecht | 105 Kč
                             € 4.30  | 
                        
                        ||
| 707 0 WHR15121  | 
                        
                        C00317102
                         481252648031  | 
                        
                        Tryska násypky pračky | 104 Kč
                             € 4.30  | 
                        
                        ||
| 707 1 WHR15121  | 
                        
                        C00332324
                         481252648028  | 
                        
                        Tryska násypky pračky | Na dotaz | Zadat poptávku | |
| 708 1 WHR15121  | 
                        
                        C00313009
                         481253048143  | 
                        
                        hadice k násypce pračky Whirlpool uz nebude !!!! | Na dotaz | Zadat poptávku | |
| 711 0 WHR15121  | 
                        
                        C00481273
                         481241868328  | 
                        
                        těleso násypky | 1 848 Kč
                             € 75.90  | 
                        
                        ||
| 712 0 WHR15121  | 
                        
                        C00313433
                         481241868198  | 
                        
                        zasuvka nasypky | 1 157 Kč
                             € 47.50  | 
                        
                        ||
| 713 0 WHR15121  | 
                        
                        C00314041
                         481241889037  | 
                        
                        vlozka nasypky klap. | Na dotaz | Zadat poptávku | |
| 717 0 WHR15121  | 
                        
                        C00314912
                         481232318006  | 
                        
                        motorek distribuce vody násypky pračky | 580 Kč
                             € 23.80  | 
                        
                        ||
| 717 1 WHR15121  | 
                        
                        C00338398
                         481232138015  | 
                        
                        Lever water distr. OME | Na dotaz | Zadat poptávku | |
| 717 2 WHR15121  | 
                        
                        C00338404
                         481232138014  | 
                        
                        Lever OMEGA/GAMMA | Na dotaz | Zadat poptávku | |
| 717 3 WHR15121  | 
                        
                        C00338410
                         481232138016  | 
                        
                        Lever connection OMEGAconnection OMEG | Na dotaz | Zadat poptávku | |
| 717 5 WHR15121  | 
                        
                        C00342853
                         481231018459  | 
                        
                        VACKA AKTUATORA OMEG | 265 Kč
                             € 10.90  | 
                        
                        ||
| 718 0 WHR15121  | 
                        
                        C00332332
                         481252648051  | 
                        
                        sifon do nasypky | 462 Kč
                             € 19.00  | 
                        
                        ||
| 718 1 WHR15121  | 
                        
                        C00314031
                         481241888018  | 
                        
                        ovladac | 396 Kč
                             € 16.30  | 
                        
                        ||
| 753 1 WHR15121  | 
                        
                        C00312723
                         481941868234  | 
                        
                        vzdusnik | Na dotaz | Zadat poptávku | |
| 754 0 WHR15121  | 
                        
                        C00312061
                         481253028826  | 
                        
                        Hadice nádrž-čerpadlo | Na dotaz | Zadat poptávku | |
| 754 1 WHR15121  | 
                        
                        C00309391
                         481253028832  | 
                        
                        Kulička hadice mezi vanou a čerpadlem pračky Whirpool | 894 Kč
                             € 36.70  | 
                        
                        ||
| 754 2 WHR15121  | 
                        
                        C00332413
                         481253028829  | 
                        
                        Flange eco | Na dotaz | Zadat poptávku | |
| 760 0 WHR15121  | 
                        
                        C00314625
                         481248058105  | 
                        
                        Filtr čerpadla DELTA | 697 Kč
                             € 28.60  | 
                        
                        ||
| 781 0 WHR15121  | 
                        
                        C00314652
                         481253029455  | 
                        
                        Hose draining outlet, COD | Na dotaz | Zadat poptávku | |
| 782 0 WHR15121  | 
                        
                        C00317136
                         481253028827  | 
                        
                        Hose Pressostat | Na dotaz | Zadat poptávku | |
| 787 0 WHR15121  | 
                        
                        C00315511
                         481253028813  | 
                        
                        hadice odparovaci | 447 Kč
                             € 18.40  | 
                        
                        ||
| 787 2 WHR15121  | 
                        
                        C00311154
                         481940118174  | 
                        
                        Spona odparov.hadica | 122 Kč
                             € 5.00  | 
                        
                        ||
| 794 2 WHR15121  | 
                        
                        C00318107
                         481240118549  | 
                        
                        Clamp hose | Na dotaz | Zadat poptávku | |
| 794 5 WHR15121  | 
                        
                        C00319466
                         481253058098  | 
                        
                        tesneni vzdusniku Náhrada 481010395017  | 
                        
                        Na dotaz | Zadat poptávku | |
| 900 0 WHR15121  | 
                        
                        C00331035
                         481244138021  | 
                        
                        Holder hose outlet | Na dotaz | Zadat poptávku | |
| 900 1 WHR15121  | 
                        
                        C00327315
                         481229088086  | 
                        
                        Bracket | Na dotaz | Zadat poptávku | |
| 900 2 WHR15121  | 
                        
                        C00327313
                         481229088077  | 
                        
                        Cable clamp | Na dotaz | Zadat poptávku | |
| 900 3 WHR15121  | 
                        
                        C00328874
                         481240118446  | 
                        
                        Cable clamp | Na dotaz | Zadat poptávku | |
| 900 4 WHR15121  | 
                        
                        C00316612
                         481240118414  | 
                        
                        SPONA39,7 | 37 Kč
                             € 1.50  | 
                        
                        ||
| 900 5 WHR15121  | 
                        
                        C00309461
                         481940118529  | 
                        
                        Spona nádrž-čerpadlo | 105 Kč
                             € 4.30  | 
                        
                        ||
| 900 6 WHR15121  | 
                        
                        C00317960
                         481240118444  | 
                        
                        Držák topení pračky Whirlpool, Ignis | Na dotaz | Zadat poptávku | |
| 900 7 WHR15121  | 
                        
                        C00327148
                         481225698031  | 
                        
                        Holder pressostat | Na dotaz | Zadat poptávku | |
| 900 8 WHR15121  | 
                        
                        C00332928
                         481940118823  | 
                        
                        SPONA | Na dotaz | Zadat poptávku | |
| 900 9 WHR15121  | 
                        
                        C00327126
                         481225518286  | 
                        
                        Holder Hose outlet left | Na dotaz | Zadat poptávku | |
| 910 1 WHR15121  | 
                        
                        C00332163
                         481250248344  | 
                        
                        Šroub | Na dotaz | Zadat poptávku | |
| 910 5 WHR15121  | 
                        
                        C00332081
                         481250218516  | 
                        
                        Screw 4,2 x 13 | Na dotaz | Zadat poptávku | |
| 930 0 WHR15121  | 
                        
                        C00320162
                         481949238139  | 
                        
                        pruzina | Na dotaz | Zadat poptávku | |
| 930 5 WHR15121  | 
                        
                        C00345870
                         481249238407  | 
                        
                        Spring Nozzle | Na dotaz | Zadat poptávku | |
| 941 0 WHR15121  | 
                        
                        C00314732
                         481252028004  | 
                        
                        Ložisko 6206 2Z C3 GJN (SKF) | 236 Kč
                             € 9.70  | 
                        
                        ||
| 941 1 WHR15121  | 
                        
                        C00315230
                         481252028066  | 
                        
                        Ložisko 6204 2Z C3 GJN (SKF) | 173 Kč
                             € 7.10  | 
                        
                        ||
| 953 0 WHR15121  | 
                        
                        C00317160
                         481253058097  | 
                        
                        gufero | Na dotaz | Zadat poptávku | |
| 961 0 WHR15121  | 
                        
                        C00333324
                         481953268829  | 
                        
                        Vložka vymezovací | 305 Kč
                             € 12.50  | 
                        
                        ||
| 965 0 WHR15121  | 
                        
                        C00330912
                         481246668545  | 
                        
                        Záslepka otvoru po zajišťovacím šroubu bubnu pračky Whirlpool | 206 Kč
                             € 8.50  | 
                        
                        ||
| 993 0 WHR15121  | 
                        
                        C00316831
                         481953029028  | 
                        
                        Ohyb plastový/držák vypouštěcí hadice pračky | Na dotaz | Zadat poptávku | |
| 993 3 WHR15121  | 
                        
                        C00328868
                         481239558004  | 
                        
                        klic montazni | 64 Kč
                             € 2.60  | 
                        
                        ||