BAUKNECHT WAK SYMPH 1665 WASHING MACHINES BK
Zeptejte se. Rádi poradíme.
Marek Proche
Zákaznická podpora
Po–Čt 8:00—17:00
Pá 8:00—15:00
poradna@servis-whirlpool.cz
| Komerční kód: | WAK SYMPH 1665 WASHING MACHINES BK |
| Kód 12NC: | 855474412000 |
| I.C. kód: | 855474412001 |
| Značka: | BAUKNECHT |
| Typ produktu: | Pračky |
| Další podobné modely: | 855474412000 |
Potřebujete servis? Jsme tady pro Vás
Nabídka náhradních dílů
| Číslo | Kód | Název | Cena | ||
|---|---|---|---|---|---|
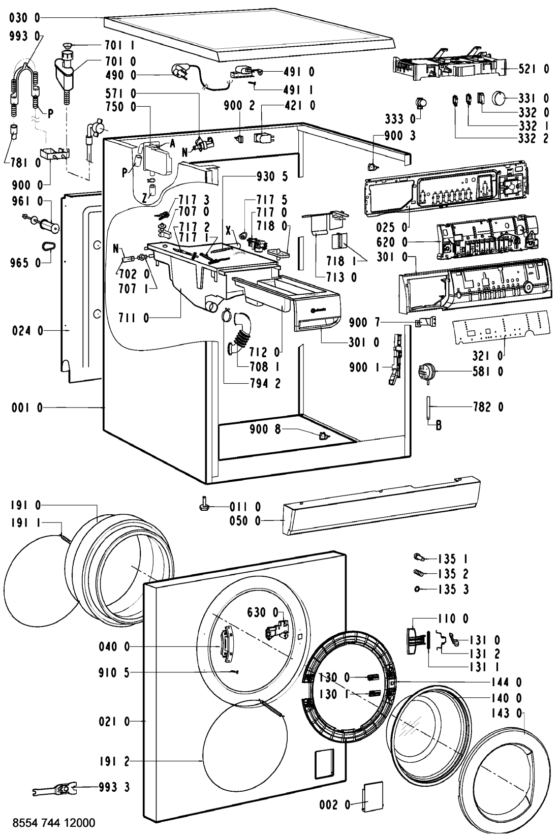
| 001 0 WHR15263 |
C00327957
481244010784 |
Cabinet GW | Na dotaz | Zadat poptávku | |
| 002 0 WHR15263 |
C00340841
481244010812 |
Flap Filter square GW | Na dotaz | Zadat poptávku | |
| 004 0 WHR15263 |
C00497924
481244018993 |
ZBERAC AQUA DELTA | Na dotaz | Zadat poptávku | |
| 011 0 WHR15263 |
C00330679
481246248421 |
Adjust.foot | Na dotaz | Zadat poptávku | |
| 021 0 WHR15263 |
C00340649
481244010927 |
Front square flap GW 50mm | Na dotaz | Zadat poptávku | |
| 024 0 WHR15263 |
C00328103
481244018998 |
Stěna přední AWM250 | Na dotaz | Zadat poptávku | |
| 025 0 WHR15263 |
C00339638
481240438744 |
Holder control board, BK | Na dotaz | Zadat poptávku | |
| 030 0 WHR15263 |
C00497906
481244011072 |
Table top | Na dotaz | Zadat poptávku | |
| 040 0 WHR15263 |
C00312018
481241718787 |
Závěs dveří pračky | 625 Kč
€ 25.60 |
||
| 050 0 WHR15263 |
C00337676
481244010823 |
sokl pracky GW | Na dotaz | Zadat poptávku | |
| 061 0 WHR15263 |
C00331509
481246688818 |
Counter weight upper 1600 | Na dotaz | Zadat poptávku | |
| 061 1 WHR15263 |
C00331510
481246688819 |
Counter weight bottom 1600 | Na dotaz | Zadat poptávku | |
| 061 3 WHR15263 |
C00326731
481209498006 |
Mounting kit Weight bottom, 1600 | Na dotaz | Zadat poptávku | |
| 061 4 WHR15263 |
C00331511
481246688821 |
Counter weight front 1600 | Na dotaz | Zadat poptávku | |
| 061 5 WHR15263 |
C00326732
481209498007 |
Mounting kit weight front, 1600 | Na dotaz | Zadat poptávku | |
| 081 0 WHR15263 |
C00313104
481246648088 |
Tlumič třecí pro předem plněné pračky Whirlpool | 766 Kč
€ 31.30 |
||
| 084 0 WHR15263 |
C00330907
481246658001 |
drzak pruziny agreg. | Na dotaz | Zadat poptávku | |
| 086 2 WHR15263 |
C00314527
481240118412 |
pojistka tlumice | 333 Kč
€ 13.60 |
||
| 110 0 WHR15263 |
C00316653
481249818261 |
Rukojeť dveří GW UZ NEBUDE !!!!!!! | Na dotaz | Zadat poptávku | |
| 130 0 WHR15263 |
C00318057
481241728047 |
desticka uzaveru dv. | 27 Kč
€ 1.10 |
||
| 130 1 WHR15263 |
C00329782
481241728048 |
Plate Doorlock LowerDoorlock Lower | Na dotaz | Zadat poptávku | |
| 131 0 WHR15263 |
C00312433
481241728046 |
Lock Door | Na dotaz | Zadat poptávku | |
| 131 1 WHR15263 |
C00312243
481241728045 |
osa uzaveru dveri | 43 Kč
€ 1.80 |
||
| 131 2 WHR15263 |
C00312651
481249258022 |
Pružina uzávěru dveří | 237 Kč
€ 9.70 |
||
| 135 1 WHR15263 |
C00317048
481249818262 |
pojistka dveri | 227 Kč
€ 9.30 |
||
| 135 2 WHR15263 |
C00318221
481249258023 |
Spring Door Safety | Na dotaz | Zadat poptávku | |
| 135 3 WHR15263 |
C00313732
481229068153 |
drzak pojistky | Na dotaz | Zadat poptávku | |
| 140 0 WHR15263 |
C00331123
481245058983 |
Door glass | Na dotaz | Zadat poptávku | |
| 143 0 WHR15263 |
C00485043
481244010496 |
Glassdoor frame silver VBL BK | Na dotaz | Zadat poptávku | |
| 144 0 WHR15263 |
C00340747
481244010833 |
priruba dveri GW | Na dotaz | Zadat poptávku | |
| 191 0 WHR15263 |
C00311499
481246668841 |
Door bellow short 1600 EPDM | Na dotaz | Zadat poptávku | |
| 191 1 WHR15263 |
C00328913
481240118673 |
Strap 1600 | Na dotaz | Zadat poptávku | |
| 191 2 WHR15263 |
C00318256
481953058059 |
spona TVO predni st. | Na dotaz | Zadat poptávku | |
| 200 1 WHR15263 |
C00329838
481241818534 |
Tub, half front 53l, 1600 | Na dotaz | Zadat poptávku | |
| 200 2 WHR15263 |
C00319018
481241818533 |
Tub, half rear 53l, 1600 | Na dotaz | Zadat poptávku | |
| 200 4 WHR15263 |
C00314317
481229088054 |
Spona nádrže | 378 Kč
€ 15.50 |
||
| 220 0 WHR15263 |
C00318240
481241818532 |
Drum 1600, 53l, PP | Na dotaz | Zadat poptávku | |
| 271 0 WHR15263 |
C00328555
481235818194 |
Belt POLY-5 1272 J 5 | Na dotaz | Zadat poptávku | |
| 272 0 WHR15263 |
C00332370
481252858039 |
Pulley 1600 | Na dotaz | Zadat poptávku | |
| 272 3 WHR15263 |
C00313776
481250518371 |
matice remenice | Na dotaz | Zadat poptávku | |
| 292 0 WHR15263 |
C00332635
481253058176 |
Gasket Tub 1600 | Na dotaz | Zadat poptávku | |
| 301 0 WHR15263 |
C00483299
481245214778 |
Control panel + handle drawer | Na dotaz | Zadat poptávku | |
| 321 0 WHR15263 |
C00489699
481245214967 |
Insert panel | Na dotaz | Zadat poptávku | |
| 331 0 WHR15263 |
C00487418
481241318287 |
Knob timer VBL BK alu dull | Na dotaz | Zadat poptávku | |
| 332 0 WHR15263 |
C00344001
481241029092 |
Button Options VBL BK GW | Na dotaz | Zadat poptávku | |
| 332 1 WHR15263 |
C00343979
481241029268 |
Button Temp. + | Na dotaz | Zadat poptávku | |
| 332 2 WHR15263 |
C00493444
481241029269 |
Button Temp. - | Na dotaz | Zadat poptávku | |
| 333 0 WHR15263 |
C00493364
481241028982 |
Button Start VBL BK alu dull | Na dotaz | Zadat poptávku | |
| 400 0 WHR15263 |
C00312930
481236158413 |
Motor MCA 61/64-148/WHE8, 1600 Delta | Na dotaz | Zadat poptávku | |
| 400 1 WHR15263 |
C00336568
481250218401 |
sroub do zavazi | Na dotaz | Zadat poptávku | |
| 409 0 WHR15263 |
C00315357
481236248443 |
Brush,carbon BS. | Na dotaz | Zadat poptávku | |
| 421 0 WHR15263 |
C00311350
481212118285 |
Filtr odrušovací 1 uF | 294 Kč
€ 12.00 |
||
| 430 0 WHR15263 |
C00311139
481231028144 |
Vypouštěcí čerpadlo pračky Whirlpool / Bauknecht | 576 Kč
€ 23.60 |
||
| 451 0 WHR15263 |
C00373838
481225928905 |
Topné těleso + NTC | 1 272 Kč
€ 52.10 |
||
| 480 0 WHR15263 |
C00311380
481232178109 |
vodice svazek motor | Na dotaz | Zadat poptávku | |
| 490 0 WHR15263 |
C00316393
481932118136 |
Flexo kabel 2 m, konektory | Na dotaz | Zadat poptávku | |
| 491 0 WHR15263 |
C00309418
481232128367 |
Přechodka | 324 Kč
€ 13.30 |
||
| 491 1 WHR15263 |
C00318425
481250238152 |
Screw 4.8x19 | Na dotaz | Zadat poptávku | |
| 521 0 WHR15263 |
C00506325
481221478941 |
Control board Basic Omega | Na dotaz | Zadat poptávku | |
| 521 0 WHR15263 |
C00526888
481221479436 |
Control board OMEGA 1600, 53l | Na dotaz | Zadat poptávku | |
| 571 0 WHR15263 |
C00492928
481227128543 |
ventil jednocestny | 1 013 Kč
€ 41.50 |
||
| 581 0 WHR15263 |
C00337540
481227128382 |
Presostat pračky | Na dotaz | Zadat poptávku | |
| 620 0 WHR15263 |
C00400765
481223958055 |
Module | Na dotaz | Zadat poptávku | |
| 630 0 WHR15263 |
C00311146
481228058044 |
Blokování dveří předem plněné pračky Whirlpool | Na dotaz | Zadat poptávku | |
| 631 0 WHR15263 |
C00317471
481227138358 |
mikrospinac plovaku | 745 Kč
€ 30.50 |
||
| 631 1 WHR15263 |
C00315271
481236058112 |
Plovák hladinového spínače pračky Whirlpool, Bauknecht | 186 Kč
€ 7.60 |
||
| 691 0 WHR15263 |
C00313117
481228219485 |
senzor NTC | 857 Kč
€ 35.10 |
||
| 701 0 WHR15263 |
C00312612
481953028926 |
Hose inlet 2.5 m (Eltek) | Na dotaz | Zadat poptávku | |
| 701 0 WHR15263 |
C00332408
481253028781 |
HYDRO-SECURITY 4m 90# 10 BAR straight | Na dotaz | Zadat poptávku | |
| 701 1 WHR15263 |
C00316490
481946669704 |
tesneni + sitko | 173 Kč
€ 7.10 |
||
| 702 0 WHR15263 |
C00313911
481953029019 |
Hadice ventil - násypka pračky Whirlpool, Ignis, Bauknecht | 105 Kč
€ 4.30 |
||
| 707 0 WHR15263 |
C00317102
481252648031 |
Tryska násypky pračky | 104 Kč
€ 4.30 |
||
| 707 1 WHR15263 |
C00332324
481252648028 |
Tryska násypky pračky | Na dotaz | Zadat poptávku | |
| 708 1 WHR15263 |
C00313009
481253048143 |
hadice k násypce pračky Whirlpool uz nebude !!!! | Na dotaz | Zadat poptávku | |
| 711 0 WHR15263 |
C00485011
481241868287 |
Dispenser | Na dotaz | Zadat poptávku | |
| 712 0 WHR15263 |
C00313433
481241868198 |
zasuvka nasypky | 1 157 Kč
€ 47.40 |
||
| 713 0 WHR15263 |
C00314041
481241889037 |
vlozka nasypky klap. | Na dotaz | Zadat poptávku | |
| 717 0 WHR15263 |
C00314912
481232318006 |
motorek distribuce vody násypky pračky | 580 Kč
€ 23.70 |
||
| 717 1 WHR15263 |
C00338398
481232138015 |
Lever water distr. OME | Na dotaz | Zadat poptávku | |
| 717 2 WHR15263 |
C00338404
481232138014 |
Lever OMEGA/GAMMA | Na dotaz | Zadat poptávku | |
| 717 3 WHR15263 |
C00338410
481232138016 |
Lever connection OMEGAconnection OMEG | Na dotaz | Zadat poptávku | |
| 717 5 WHR15263 |
C00342853
481231018459 |
VACKA AKTUATORA OMEG | 265 Kč
€ 10.80 |
||
| 718 0 WHR15263 |
C00332332
481252648051 |
sifon do nasypky | 462 Kč
€ 18.90 |
||
| 718 1 WHR15263 |
C00314031
481241888018 |
ovladac | 396 Kč
€ 16.20 |
||
| 750 0 WHR15263 |
C00332502
481253048139 |
Expanzní nádoba pračky Whirlpool, Bauknecht | 141 Kč
€ 5.80 |
||
| 753 1 WHR15263 |
C00312723
481941868234 |
vzdusnik | Na dotaz | Zadat poptávku | |
| 754 0 WHR15263 |
C00312061
481253028826 |
Hadice nádrž-čerpadlo | Na dotaz | Zadat poptávku | |
| 754 1 WHR15263 |
C00309391
481253028832 |
Kulička hadice mezi vanou a čerpadlem pračky Whirpool | 894 Kč
€ 36.60 |
||
| 754 2 WHR15263 |
C00332452
481253029352 |
Příruba eco AWT,AWO/D | 317 Kč
€ 13.00 |
||
| 760 0 WHR15263 |
C00314625
481248058105 |
Filtr čerpadla DELTA | 697 Kč
€ 28.50 |
||
| 781 0 WHR15263 |
C00312966
481953028959 |
Hose draining 1,5m. | Na dotaz | Zadat poptávku | |
| 782 0 WHR15263 |
C00317136
481253028827 |
Hose Pressostat | Na dotaz | Zadat poptávku | |
| 783 1 WHR15263 |
C00332453
481253029353 |
Steam hose | Na dotaz | Zadat poptávku | |
| 783 3 WHR15263 |
C00310140
481253018001 |
Connection Part | Na dotaz | Zadat poptávku | |
| 783 4 WHR15263 |
C00317150
481253029354 |
Hose | Na dotaz | Zadat poptávku | |
| 787 0 WHR15263 |
C00332411
481253028819 |
Hose with hole (exhaust) | Na dotaz | Zadat poptávku | |
| 787 2 WHR15263 |
C00311154
481940118174 |
Spona odparov.hadica | 122 Kč
€ 5.00 |
||
| 794 2 WHR15263 |
C00318107
481240118549 |
Clamp hose | Na dotaz | Zadat poptávku | |
| 794 5 WHR15263 |
C00319466
481253058098 |
tesneni vzdusniku Náhrada 481010395017 |
Na dotaz | Zadat poptávku | |
| 900 0 WHR15263 |
C00327119
481225518204 |
Vnější držák hadic pračky Whirlpool | Na dotaz | Zadat poptávku | |
| 900 1 WHR15263 |
C00327315
481229088086 |
Bracket | Na dotaz | Zadat poptávku | |
| 900 2 WHR15263 |
C00327313
481229088077 |
Cable clamp | Na dotaz | Zadat poptávku | |
| 900 3 WHR15263 |
C00328874
481240118446 |
Cable clamp | Na dotaz | Zadat poptávku | |
| 900 4 WHR15263 |
C00316612
481240118414 |
SPONA39,7 | 37 Kč
€ 1.50 |
||
| 900 5 WHR15263 |
C00309461
481940118529 |
Spona nádrž-čerpadlo | 105 Kč
€ 4.30 |
||
| 900 6 WHR15263 |
C00317960
481240118444 |
Držák topení pračky Whirlpool, Ignis | Na dotaz | Zadat poptávku | |
| 900 7 WHR15263 |
C00327148
481225698031 |
Holder pressostat | Na dotaz | Zadat poptávku | |
| 900 8 WHR15263 |
C00332928
481940118823 |
SPONA | Na dotaz | Zadat poptávku | |
| 910 0 WHR15263 |
C00336553
481250218383 |
sroub M8*25loz.domu | 70 Kč
€ 2.90 |
||
| 910 5 WHR15263 |
C00332081
481250218516 |
Screw 4,2 x 13 | Na dotaz | Zadat poptávku | |
| 910 6 WHR15263 |
C00332107
481250218678 |
Screw 10.9-M8X50-F | Na dotaz | Zadat poptávku | |
| 910 7 WHR15263 |
C00332108
481250218682 |
Screw P6X40 | Na dotaz | Zadat poptávku | |
| 930 0 WHR15263 |
C00345869
481249238391 |
Spring Suspension 53l, 1400 | Na dotaz | Zadat poptávku | |
| 930 5 WHR15263 |
C00312356
481249238359 |
Pružina trysky násypky | 13 Kč
€ 0.50 |
||
| 941 0 WHR15263 |
C00332295
481252028186 |
Ložisko 6208 SKF 2Z, 6208 2Z C3 | 963 Kč
€ 39.40 |
||
| 941 1 WHR15263 |
C00318543
481252028001 |
Bearing,ball BB1-0625 DD | Na dotaz | Zadat poptávku | |
| 953 0 WHR15263 |
C00332636
481253058177 |
gufero 50x93x12,5/9 | 556 Kč
€ 22.80 |
||
| 961 0 WHR15263 |
C00333324
481953268829 |
Vložka vymezovací | 305 Kč
€ 12.50 |
||
| 965 0 WHR15263 |
C00330912
481246668545 |
Záslepka otvoru po zajišťovacím šroubu bubnu pračky Whirlpool | 206 Kč
€ 8.40 |
||
| 993 0 WHR15263 |
C00316831
481953029028 |
Ohyb plastový/držák vypouštěcí hadice pračky | Na dotaz | Zadat poptávku | |
| 993 3 WHR15263 |
C00328868
481239558004 |
klic montazni | Na dotaz | Zadat poptávku | |