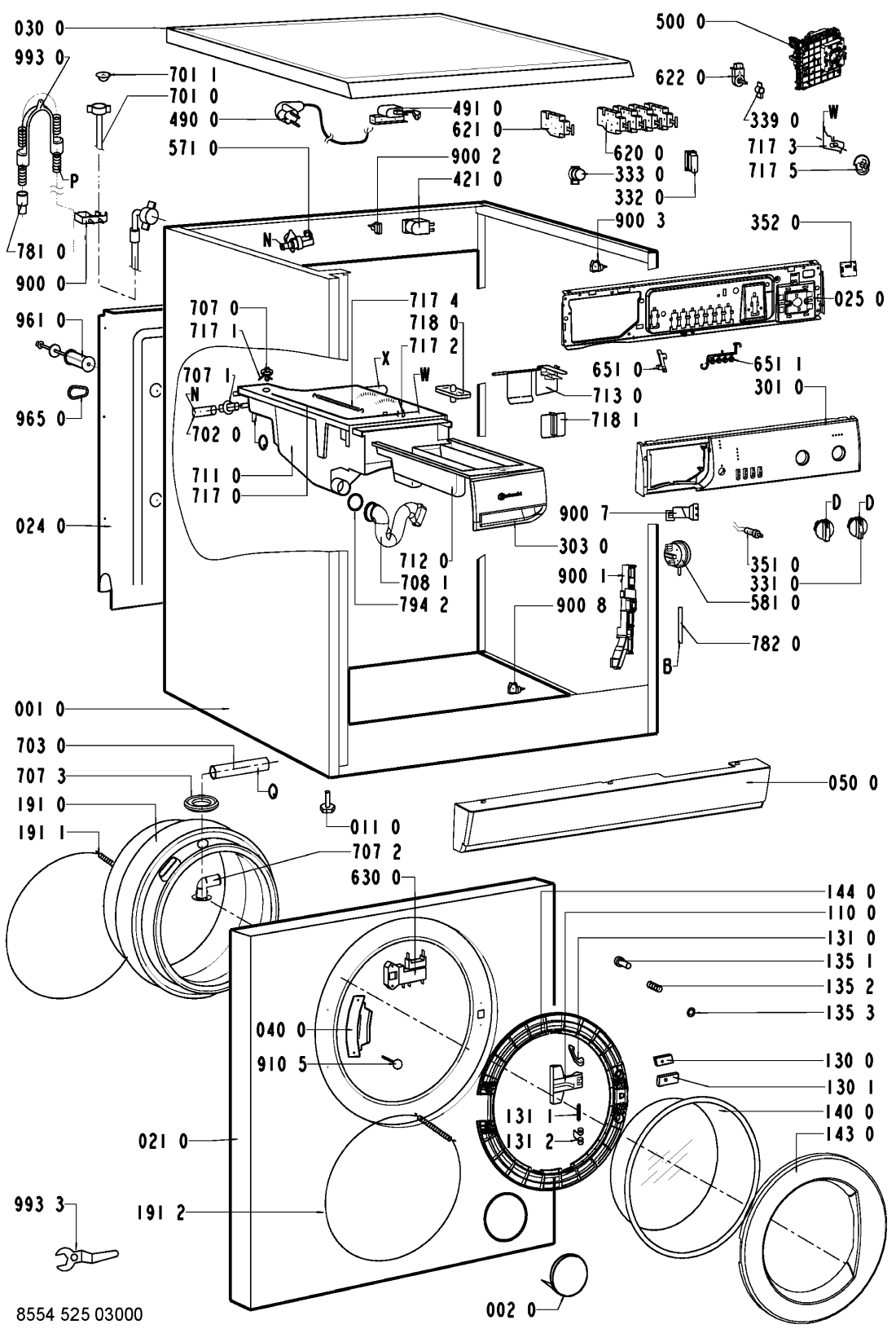
BAUKNECHT WAS 4740 WASHING MACHINES BK



Zeptejte se. Rádi poradíme.

Marek Proche
Zákaznická podpora
Po–Čt 8:00—17:00
Pá 8:00—15:00
poradna@servis-whirlpool.cz
Komerční kód: | WAS 4740 WASHING MACHINES BK |
Kód 12NC: | 855452503000 |
I.C. kód: | 855452503003 |
Značka: | BAUKNECHT |
Typ produktu: | Pračky |
Další podobné modely: | 855452503000 |
Potřebujete servis? Jsme tady pro Vás
Nabídka náhradních dílů
Číslo | Kód | Název | Cena | ||
---|---|---|---|---|---|
001 0 WHR40112 |
C00327957
481244010784 |
Cabinet GW | Na dotaz | Zadat poptávku | |
002 0 WHR40112 |
C00340844
481244010876 |
Flap Filter round + Holder GW | Na dotaz | Zadat poptávku | |
011 0 WHR40112 |
C00340814
481946248472 |
Foot | Na dotaz | Zadat poptávku | |
021 0 WHR40112 |
C00340652
481244010897 |
stena predni | Na dotaz | Zadat poptávku | |
024 0 WHR40112 |
C00328103
481244018998 |
Stěna přední AWM250 | Na dotaz | Zadat poptávku | |
025 0 WHR40112 |
C00527933
481244010467 |
Holder VBL BK | Na dotaz | Zadat poptávku | |
030 0 WHR40112 |
C00491721
481244010813 |
Table top VBL BK GW | Na dotaz | Zadat poptávku | |
040 0 WHR40112 |
C00312018
481241718787 |
Hinge BK | Na dotaz | Zadat poptávku | |
050 0 WHR40112 |
C00489312
481244089046 |
Plinth VBL BK GW | Na dotaz | Zadat poptávku | |
061 0 WHR40112 |
C00343070
481246688458 |
zavazi horni | Na dotaz | Zadat poptávku | |
061 1 WHR40112 |
C00316001
481246688607 |
Counter weight front, bottom | Na dotaz | Zadat poptávku | |
061 2 WHR40112 |
C00332868
481931039227 |
sroub do zavazi sada | Na dotaz | Zadat poptávku | |
061 3 WHR40112 |
C00320457
481931039228 |
Mounting kit Weight bottom | Na dotaz | Zadat poptávku | |
081 0 WHR40112 |
C00313104
481246648088 |
Tlumič třecí pro předem plněné pračky Whirlpool | 766 Kč
€ 31.50 |
||
084 0 WHR40112 |
C00330907
481246658001 |
drzak pruziny agreg. | Na dotaz | Zadat poptávku | |
086 1 WHR40112 |
C00312274
481240118413 |
Čep tlumiče | 1 772 Kč
€ 72.90 |
||
086 2 WHR40112 |
C00314527
481240118412 |
pojistka tlumice | 333 Kč
€ 13.70 |
||
110 0 WHR40112 |
C00316653
481249818261 |
Rukojeť dveří GW UZ NEBUDE !!!!!!! | Na dotaz | Zadat poptávku | |
130 0 WHR40112 |
C00318057
481241728047 |
desticka uzaveru dv. | 27 Kč
€ 1.10 |
||
130 1 WHR40112 |
C00329782
481241728048 |
Plate Doorlock LowerDoorlock Lower | Na dotaz | Zadat poptávku | |
131 0 WHR40112 |
C00312433
481241728046 |
Lock Door | Na dotaz | Zadat poptávku | |
131 1 WHR40112 |
C00312243
481241728045 |
osa uzaveru dveri | 143 Kč
€ 5.90 |
||
131 2 WHR40112 |
C00312651
481249258022 |
Pružina uzávěru dveří | 237 Kč
€ 9.70 |
||
135 1 WHR40112 |
C00317048
481249818262 |
pojistka dveri | 227 Kč
€ 9.30 |
||
135 2 WHR40112 |
C00318221
481249258023 |
Spring Door Safety | Na dotaz | Zadat poptávku | |
135 3 WHR40112 |
C00313732
481229068153 |
drzak pojistky | Na dotaz | Zadat poptávku | |
140 0 WHR40112 |
C00339065
481245068218 |
Door glass | Na dotaz | Zadat poptávku | |
143 0 WHR40112 |
C00340315
481244010815 |
Glassdoor frame VBL-DELTAVBL BK GW | Na dotaz | Zadat poptávku | |
144 0 WHR40112 |
C00340712
481244010785 |
Frame door glas | Na dotaz | Zadat poptávku | |
191 0 WHR40112 |
C00373762
481246668574 |
TVO | 1 122 Kč
€ 46.10 |
||
191 1 WHR40112 |
C00313764
481249218017 |
spona TVO - vnitřní | 149 Kč
€ 6.10 |
||
191 2 WHR40112 |
C00318256
481953058059 |
spona TVO predni st. | Na dotaz | Zadat poptávku | |
200 1 WHR40112 |
C00493536
481241818425 |
Tub, half 48 l front | Na dotaz | Zadat poptávku | |
200 2 WHR40112 |
C00312574
481241818368 |
Tub, half rear 48l, 1400 | Na dotaz | Zadat poptávku | |
200 4 WHR40112 |
C00314317
481229088054 |
Spona nádrže | 378 Kč
€ 15.50 |
||
220 0 WHR40112 |
C00313428
481241818353 |
buben MONACO 1400 | Na dotaz | Zadat poptávku | |
271 0 WHR40112 |
C00311078
481235818056 |
Řemen PV 1250 J4 EL pračky Whirlpool | 100 Kč
€ 4.10 |
||
272 0 WHR40112 |
C00337067
481252858027 |
pulley DIAM.298DIAM.298 | Na dotaz | Zadat poptávku | |
272 2 WHR40112 |
C00337249
481253218024 |
PODLOZKA | Na dotaz | Zadat poptávku | |
272 3 WHR40112 |
C00313776
481250518371 |
matice remenice | Na dotaz | Zadat poptávku | |
292 0 WHR40112 |
C00311501
481253058101 |
těsnění bočnice | 694 Kč
€ 28.50 |
||
301 0 WHR40112 |
C00591746
481245213204 |
Control panel WAS 4740 GW. | Na dotaz | Zadat poptávku | |
303 0 WHR40112 |
C00490182
481249818278 |
Handle, drawer VBL-BK/SILVER/DELTA* VBL | Na dotaz | Zadat poptávku | |
331 0 WHR40112 |
C00487561
481241458203 |
Knob VBL BK GW | Na dotaz | Zadat poptávku | |
332 0 WHR40112 |
C00493395
481241029111 |
Button Options VBL BK GW | Na dotaz | Zadat poptávku | |
333 0 WHR40112 |
C00493394
481241029109 |
Button Start VBL BK GW | Na dotaz | Zadat poptávku | |
339 0 WHR40112 |
C00317982
481223318006 |
unasec knofliku | 311 Kč
€ 12.80 |
||
351 0 WHR40112 |
C00314291
481213418011 |
Lamp | Na dotaz | Zadat poptávku | |
352 0 WHR40112 |
C00488468
481223958007 |
Indication unit progra | Na dotaz | Zadat poptávku | |
400 0 WHR40112 |
C00314760
481236158337 |
Motor MCA61 | Na dotaz | Zadat poptávku | |
409 0 WHR40112 |
C00311127
481236248004 |
Brush,carbon, Motor CESET | Na dotaz | Zadat poptávku | |
421 0 WHR40112 |
C00326769
481212118142 |
Interf.filter 1,00 uF1,00 uF. | Na dotaz | Zadat poptávku | |
430 0 WHR40112 |
C00311139
481231028144 |
Čerpadlo vypouštěcí DELTA | 576 Kč
€ 23.70 |
||
451 0 WHR40112 |
C00557941
481225928758 |
NAHRADENE 481225928835 N | Na dotaz | Zadat poptávku | |
480 0 WHR40112 |
C00311380
481232178109 |
vodice svazek motor | Na dotaz | Zadat poptávku | |
490 0 WHR40112 |
C00316393
481932118136 |
Flexo kabel 2 m, konektory | Na dotaz | Zadat poptávku | |
491 0 WHR40112 |
C00309418
481232128367 |
Přechodka | 324 Kč
€ 13.30 |
||
500 0 WHR40112 |
C00501371
481228219373 |
programator SC1 | Na dotaz | Zadat poptávku | |
571 0 WHR40112 |
C00312238
481227128375 |
Napouštěcí ventil pračky - jednocestný, boční vývod | 546 Kč
€ 22.50 |
||
581 0 WHR40112 |
C00317379
481227128442 |
presostat | 1 176 Kč
€ 48.40 |
||
620 0 WHR40112 |
C00332969
481941028998 |
spinac | Na dotaz | Zadat poptávku | |
621 0 WHR40112 |
C00311780
481941029004 |
Spínač síťový | 128 Kč
€ 5.30 |
||
622 0 WHR40112 |
C00336785
481241348279 |
Rotary selector + potentiometer. | Na dotaz | Zadat poptávku | |
630 0 WHR40112 |
C00315131
481228058019 |
Door lock | Na dotaz | Zadat poptávku | |
651 0 WHR40112 |
C00484593
481213448272 |
Light guide on/off VBL BK | Na dotaz | Zadat poptávku | |
651 1 WHR40112 |
C00484594
481213448273 |
Light guide Program VBL BK | Na dotaz | Zadat poptávku | |
691 0 WHR40112 |
C00317366
481228218702 |
senzor NTC | Na dotaz | Zadat poptávku | |
701 0 WHR40112 |
C00314963
481953028848 |
hadicenapousteci | Na dotaz | Zadat poptávku | |
701 1 WHR40112 |
C00316490
481946669704 |
tesneni + sitko | 173 Kč
€ 7.10 |
||
702 0 WHR40112 |
C00313911
481953029019 |
Hadice ventil - násypka pračky Whirlpool, Ignis, Bauknecht | 105 Kč
€ 4.30 |
||
703 0 WHR40112 |
C00339211
481253048466 |
Hosedoor rinsing 535 MM | Na dotaz | Zadat poptávku | |
707 0 WHR40112 |
C00317102
481252648031 |
Tryska násypky pračky | 104 Kč
€ 4.30 |
||
707 1 WHR40112 |
C00332324
481252648028 |
Tryska násypky pračky | Na dotaz | Zadat poptávku | |
707 2 WHR40112 |
C00498636
481253048161 |
Fitting | Na dotaz | Zadat poptávku | |
707 3 WHR40112 |
C00332649
481253078011 |
podlozka trysky spr. | Na dotaz | Zadat poptávku | |
708 1 WHR40112 |
C00538614
481253048356 |
KOLENO VBL BK | Na dotaz | Zadat poptávku | |
711 0 WHR40112 |
C00500825
481241868243 |
NASYPKA 3-KOMOROVA PLAST N | Na dotaz | Zadat poptávku | |
712 0 WHR40112 |
C00313433
481241868198 |
zasuvka nasypky | 1 157 Kč
€ 47.60 |
||
713 0 WHR40112 |
C00340880
481241889009 |
Flap | Na dotaz | Zadat poptávku | |
717 0 WHR40112 |
C00311569
481932128092 |
Bovden komplet | 398 Kč
€ 16.40 |
||
717 1 WHR40112 |
C00328523
481232138013 |
Páčka trysky násypky | Na dotaz | Zadat poptávku | |
717 2 WHR40112 |
C00328522
481232138012 |
drzak | 26 Kč
€ 1.10 |
||
717 3 WHR40112 |
C00318843
481227888018 |
posouvac | Na dotaz | Zadat poptávku | |
717 4 WHR40112 |
C00312356
481249238359 |
Pružina trysky násypky | 13 Kč
€ 0.50 |
||
717 5 WHR40112 |
C00317980
481223318004 |
vacka | Na dotaz | Zadat poptávku | |
718 0 WHR40112 |
C00332332
481252648051 |
sifon do nasypky | 462 Kč
€ 19.00 |
||
718 1 WHR40112 |
C00314031
481241888018 |
ovladac | 396 Kč
€ 16.30 |
||
753 1 WHR40112 |
C00312723
481941868234 |
vzdusnik | Na dotaz | Zadat poptávku | |
754 0 WHR40112 |
C00312061
481253028826 |
Hadice nádrž-čerpadlo | Na dotaz | Zadat poptávku | |
754 1 WHR40112 |
C00309391
481253028832 |
Kulička hadice mezi vanou a čerpadlem pračky Whirpool | 894 Kč
€ 36.80 |
||
754 2 WHR40112 |
C00332413
481253028829 |
Flange eco | Na dotaz | Zadat poptávku | |
760 0 WHR40112 |
C00314625
481248058105 |
Filtr čerpadla DELTA | 697 Kč
€ 28.70 |
||
781 0 WHR40112 |
C00318230
481953028847 |
Hose,draining | Na dotaz | Zadat poptávku | |
782 0 WHR40112 |
C00317136
481253028827 |
Hose Pressostat | Na dotaz | Zadat poptávku | |
787 0 WHR40112 |
C00315511
481253028813 |
hadice odparovaci | 447 Kč
€ 18.40 |
||
787 2 WHR40112 |
C00332932
481940118868 |
SPONA HADICE AW | Na dotaz | Zadat poptávku | |
794 2 WHR40112 |
C00337979
481253058005 |
O-Ring | Na dotaz | Zadat poptávku | |
794 5 WHR40112 |
C00340485
481253058095 |
tesneni vzdusniku | 16 Kč
€ 0.70 |
||
900 0 WHR40112 |
C00327119
481225518204 |
Vnější držák hadic pračky Whirlpool | Na dotaz | Zadat poptávku | |
900 1 WHR40112 |
C00327315
481229088086 |
Bracket | Na dotaz | Zadat poptávku | |
900 2 WHR40112 |
C00327313
481229088077 |
Cable clamp | Na dotaz | Zadat poptávku | |
900 3 WHR40112 |
C00328874
481240118446 |
Cable clamp | Na dotaz | Zadat poptávku | |
900 4 WHR40112 |
C00332933
481940118872 |
SPONA HADICE AW | 67 Kč
€ 2.80 |
||
900 5 WHR40112 |
C00309461
481940118529 |
Spona nádrž-čerpadlo | 105 Kč
€ 4.30 |
||
900 6 WHR40112 |
C00317960
481240118444 |
Držák topení pračky Whirlpool, Ignis | Na dotaz | Zadat poptávku | |
900 7 WHR40112 |
C00327148
481225698031 |
Holder pressostat | Na dotaz | Zadat poptávku | |
900 8 WHR40112 |
C00332928
481940118823 |
SPONA | Na dotaz | Zadat poptávku | |
910 5 WHR40112 |
C00332081
481250218516 |
Screw 4,2 x 13 | Na dotaz | Zadat poptávku | |
930 0 WHR40112 |
C00320162
481949238139 |
pruzina | Na dotaz | Zadat poptávku | |
941 0 WHR40112 |
C00314254
481252028003 |
BEARING 6306 2Z C3 GJN | Na dotaz | Zadat poptávku | |
941 1 WHR40112 |
C00315491
481252028005 |
BEARING 6304 2Z C3 | Na dotaz | Zadat poptávku | |
953 0 WHR40112 |
C00314432
481253058142 |
gufero 35x75x12 | Na dotaz | Zadat poptávku | |
961 0 WHR40112 |
C00333324
481953268829 |
Vložka vymezovací | 305 Kč
€ 12.50 |
||
965 0 WHR40112 |
C00330912
481246668545 |
kryt odjisteni prack | 206 Kč
€ 8.50 |
||
993 0 WHR40112 |
C00316831
481953029028 |
Ohyb plastový/držák vypouštěcí hadice pračky | Na dotaz | Zadat poptávku | |
993 3 WHR40112 |
C00328868
481239558004 |
klic montazni | 64 Kč
€ 2.60 |