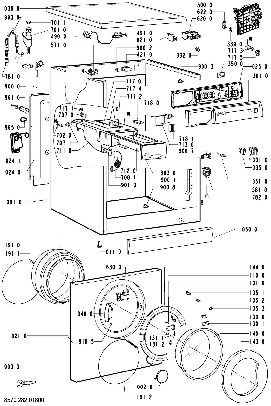
IKEA WHM 142 W 800 488 71
Zeptejte se. Rádi poradíme.
Marek Proche
Zákaznická podpora
Po–Čt 8:00—17:00
Pá 8:00—15:00
poradna@servis-whirlpool.cz
| Komerční kód: | WHM 142 W 800 488 71 |
| Kód 12NC: | 857028201800 |
| I.C. kód: | 857028201803 |
| Značka: | IKEA |
| Typ produktu: | Pračky |
| Další podobné modely: | 857028201800, 857028201804 |
Potřebujete servis? Jsme tady pro Vás
Nabídka náhradních dílů
| Číslo | Kód | Název | Cena | ||
|---|---|---|---|---|---|
| 001 0 WHR99708 |
C00327957
481244010784 |
Cabinet GW | Na dotaz | Zadat poptávku | |
| 002 0 WHR99708 |
C00340831
481244010778 |
kryt filtru | Na dotaz | Zadat poptávku | |
| 004 0 WHR99708 |
C00497943
481244019583 |
NASYPKA PLAST N | Na dotaz | Zadat poptávku | |
| 011 0 WHR99708 |
C00340814
481946248472 |
Foot | Na dotaz | Zadat poptávku | |
| 021 0 WHR99708 |
C00314059
481244010783 |
stena predni | 2 766 Kč
€ 113.50 |
||
| 024 0 WHR99708 |
C00341563
481944019892 |
Panel rear | Na dotaz | Zadat poptávku | |
| 024 1 WHR99708 |
C00344275
481941879837 |
Box hose | Na dotaz | Zadat poptávku | |
| 025 0 WHR99708 |
C00339637
481244019346 |
Holder Control Device | Na dotaz | Zadat poptávku | |
| 030 0 WHR99708 |
C00316451
481244010899 |
Table top GW | Na dotaz | Zadat poptávku | |
| 040 0 WHR99708 |
C00312018
481241718787 |
Závěs dveří předem plněné pračky Whirlpool / Bauknecht | 625 Kč
€ 25.60 |
||
| 050 0 WHR99708 |
C00312706
481244010779 |
sokl pracky GW | Na dotaz | Zadat poptávku | |
| 061 0 WHR99708 |
C00343070
481246688458 |
zavazi horni | Na dotaz | Zadat poptávku | |
| 061 1 WHR99708 |
C00316001
481246688607 |
Counter weight front, bottom | Na dotaz | Zadat poptávku | |
| 061 2 WHR99708 |
C00332868
481931039227 |
sroub do zavazi sada | Na dotaz | Zadat poptávku | |
| 061 3 WHR99708 |
C00320457
481931039228 |
Mounting kit Weight bottom | Na dotaz | Zadat poptávku | |
| 081 0 WHR99708 |
C00312055
481252918038 |
Shock absorber until 1200 | Na dotaz | Zadat poptávku | |
| 084 0 WHR99708 |
C00330907
481246658001 |
drzak pruziny agreg. | Na dotaz | Zadat poptávku | |
| 086 1 WHR99708 |
C00312274
481240118413 |
Čep tlumiče | 1 772 Kč
€ 72.70 |
||
| 086 2 WHR99708 |
C00314527
481240118412 |
pojistka tlumice | 333 Kč
€ 13.70 |
||
| 110 0 WHR99708 |
C00316653
481249818261 |
Rukojeť dveří GW UZ NEBUDE !!!!!!! | Na dotaz | Zadat poptávku | |
| 130 0 WHR99708 |
C00318057
481241728047 |
desticka uzaveru dv. | 27 Kč
€ 1.10 |
||
| 130 1 WHR99708 |
C00329782
481241728048 |
Plate Doorlock LowerDoorlock Lower | Na dotaz | Zadat poptávku | |
| 131 0 WHR99708 |
C00312433
481241728046 |
Lock Door | Na dotaz | Zadat poptávku | |
| 131 1 WHR99708 |
C00312243
481241728045 |
osa uzaveru dveri | 43 Kč
€ 1.80 |
||
| 131 2 WHR99708 |
C00312651
481249258022 |
Pružina uzávěru dveří | 237 Kč
€ 9.70 |
||
| 135 1 WHR99708 |
C00317048
481249818262 |
pojistka dveri | 227 Kč
€ 9.30 |
||
| 135 2 WHR99708 |
C00317024
481249148004 |
Pružina | 220 Kč
€ 9.00 |
||
| 135 3 WHR99708 |
C00313732
481229068153 |
drzak pojistky | Na dotaz | Zadat poptávku | |
| 140 0 WHR99708 |
C00320431
481245068219 |
Door glass | Na dotaz | Zadat poptávku | |
| 143 0 WHR99708 |
C00340317
481244010782 |
ram dveri | Na dotaz | Zadat poptávku | |
| 144 0 WHR99708 |
C00340712
481244010785 |
Frame door glas | Na dotaz | Zadat poptávku | |
| 191 0 WHR99708 |
C00313168
481246068532 |
DOOR BELLOW grease resistance | Na dotaz | Zadat poptávku | |
| 191 0 WHR99708 |
C00313381
481246068527 |
Door bellow standard | Na dotaz | Zadat poptávku | |
| 191 1 WHR99708 |
C00313764
481249218017 |
spona TVO - vnitřní | 149 Kč
€ 6.10 |
||
| 191 2 WHR99708 |
C00318256
481953058059 |
spona TVO predni st. | Na dotaz | Zadat poptávku | |
| 200 1 WHR99708 |
C00337439
481241818296 |
Tub 42l front | Na dotaz | Zadat poptávku | |
| 200 2 WHR99708 |
C00311099
481241818318 |
Nádrž - zadní část | Na dotaz | Zadat poptávku | |
| 200 4 WHR99708 |
C00314317
481229088054 |
Spona nádrže | 378 Kč
€ 15.50 |
||
| 220 0 WHR99708 |
C00311571
481941818379 |
Drum 42l, 1200 | Na dotaz | Zadat poptávku | |
| 271 0 WHR99708 |
C00311078
481235818056 |
Řemen PV 1250 J4 EL pračky Whirlpool | 100 Kč
€ 4.10 |
||
| 272 0 WHR99708 |
C00337067
481252858027 |
pulley DIAM.298DIAM.298 | Na dotaz | Zadat poptávku | |
| 272 2 WHR99708 |
C00337249
481253218024 |
PODLOZKA | Na dotaz | Zadat poptávku | |
| 272 3 WHR99708 |
C00313776
481250518371 |
matice remenice | Na dotaz | Zadat poptávku | |
| 292 0 WHR99708 |
C00311501
481253058101 |
těsnění bočnice | 694 Kč
€ 28.50 |
||
| 301 0 WHR99708 |
C00759100
481245213097 |
Control panel | Na dotaz | Zadat poptávku | |
| 303 0 WHR99708 |
C00487880
481249878502 |
Handle drawer | Na dotaz | Zadat poptávku | |
| 331 0 WHR99708 |
C00488808
481241318301 |
Knob timer | Na dotaz | Zadat poptávku | |
| 332 0 WHR99708 |
C00316694
481241029106 |
TLACITKO | 200 Kč
€ 8.20 |
||
| 335 0 WHR99708 |
C00373800
481241259012 |
Knob thermostat GW | Na dotaz | Zadat poptávku | |
| 339 0 WHR99708 |
C00344646
481241318198 |
Adapter f. button | Na dotaz | Zadat poptávku | |
| 350 0 WHR99708 |
C00759088
481223958015 |
Module Aquastop "IS" | Na dotaz | Zadat poptávku | |
| 351 0 WHR99708 |
C00314291
481213418011 |
Lamp | Na dotaz | Zadat poptávku | |
| 400 0 WHR99708 |
C00315331
481236158094 |
Motor 1000,1200 MCA52/ | Na dotaz | Zadat poptávku | |
| 409 0 WHR99708 |
C00311127
481236248004 |
Brush,carbon, Motor CESET | Na dotaz | Zadat poptávku | |
| 421 0 WHR99708 |
C00326769
481212118142 |
Interf.filter 1,00 uF1,00 uF. | Na dotaz | Zadat poptávku | |
| 430 0 WHR99708 |
C00311139
481231028144 |
Vypouštěcí čerpadlo pračky Whirlpool / Bauknecht | 576 Kč
€ 23.60 |
||
| 451 0 WHR99708 |
C00557941
481225928758 |
NAHRADENE 481225928835 N | Na dotaz | Zadat poptávku | |
| 480 0 WHR99708 |
C00311380
481232178109 |
vodice svazek motor | Na dotaz | Zadat poptávku | |
| 490 0 WHR99708 |
C00493173
481232128368 |
Connect.cable CH | Na dotaz | Zadat poptávku | |
| 491 0 WHR99708 |
C00309418
481232128367 |
Přechodka | 324 Kč
€ 13.30 |
||
| 500 0 WHR99708 |
C00500429
481228219249 |
Timer SC1 programmed | Na dotaz | Zadat poptávku | |
| 571 0 WHR99708 |
C00312238
481227128375 |
Napouštěcí ventil pračky - jednocestný, boční vývod | 546 Kč
€ 22.40 |
||
| 581 0 WHR99708 |
C00337541
481227128448 |
Pressostat SC1 65/40 | Na dotaz | Zadat poptávku | |
| 620 0 WHR99708 |
C00332969
481941028998 |
spinac | Na dotaz | Zadat poptávku | |
| 621 0 WHR99708 |
C00311780
481941029004 |
Spínač síťový | 128 Kč
€ 5.30 |
||
| 622 0 WHR99708 |
C00336785
481241348279 |
Rotary selector + potentiometer. | Na dotaz | Zadat poptávku | |
| 630 0 WHR99708 |
C00315131
481228058019 |
Door lock | Na dotaz | Zadat poptávku | |
| 631 0 WHR99708 |
C00317471
481227138358 |
mikrospinac plovaku | 745 Kč
€ 30.60 |
||
| 631 1 WHR99708 |
C00315271
481236058112 |
Plovák hladinového spínače pro pračky Whirlpool / Bauknecht | 186 Kč
€ 7.60 |
||
| 691 0 WHR99708 |
C00317366
481228218702 |
senzor NTC | Na dotaz | Zadat poptávku | |
| 701 0 WHR99708 |
C00312612
481953028926 |
Hose inlet 2.5 m (Eltek) | Na dotaz | Zadat poptávku | |
| 701 0 WHR99708 |
C00332408
481253028781 |
HYDRO-SECURITY 4m 90# 10 BAR straight | Na dotaz | Zadat poptávku | |
| 701 1 WHR99708 |
C00316490
481946669704 |
tesneni + sitko | 173 Kč
€ 7.10 |
||
| 702 0 WHR99708 |
C00313911
481953029019 |
Hadice napouštěcí ventil–násypka pračky Whirlpool / IKEA | 105 Kč
€ 4.30 |
||
| 707 0 WHR99708 |
C00317102
481252648031 |
Tryska násypky pračky | 104 Kč
€ 4.30 |
||
| 707 1 WHR99708 |
C00332324
481252648028 |
Tryska násypky pračky | Na dotaz | Zadat poptávku | |
| 708 1 WHR99708 |
C00313009
481253048143 |
hadice k násypce pračky Whirlpool uz nebude !!!! | Na dotaz | Zadat poptávku | |
| 711 0 WHR99708 |
C00317871
481241888025 |
teleso nasypky | Na dotaz | Zadat poptávku | |
| 712 0 WHR99708 |
C00317123
481241888029 |
Drawer DetergentDetergent | Na dotaz | Zadat poptávku | |
| 713 0 WHR99708 |
C00340880
481241889009 |
Flap | Na dotaz | Zadat poptávku | |
| 717 0 WHR99708 |
C00311569
481932128092 |
Bovden komplet | 398 Kč
€ 16.30 |
||
| 717 1 WHR99708 |
C00328523
481232138013 |
Páčka trysky násypky | Na dotaz | Zadat poptávku | |
| 717 2 WHR99708 |
C00328522
481232138012 |
drzak | 26 Kč
€ 1.10 |
||
| 717 3 WHR99708 |
C00318843
481227888018 |
posouvac | Na dotaz | Zadat poptávku | |
| 717 4 WHR99708 |
C00312356
481249238359 |
Pružina trysky násypky | 13 Kč
€ 0.50 |
||
| 717 5 WHR99708 |
C00342847
481252838062 |
Cam incl. adapter | Na dotaz | Zadat poptávku | |
| 718 0 WHR99708 |
C00315497
481252648157 |
mrizka kryci | Na dotaz | Zadat poptávku | |
| 718 1 WHR99708 |
C00314031
481241888018 |
ovladac | 396 Kč
€ 16.20 |
||
| 753 1 WHR99708 |
C00312723
481941868234 |
vzdusnik | Na dotaz | Zadat poptávku | |
| 754 0 WHR99708 |
C00312061
481253028826 |
Hadice nádrž-čerpadlo | Na dotaz | Zadat poptávku | |
| 754 1 WHR99708 |
C00309391
481253028832 |
Kulička hadice mezi vanou a čerpadlem pračky Whirpool | 894 Kč
€ 36.70 |
||
| 754 2 WHR99708 |
C00332413
481253028829 |
Flange eco | Na dotaz | Zadat poptávku | |
| 760 0 WHR99708 |
C00314625
481248058105 |
Filtr čerpadla včetně tělesa pračky Whirlpool / Bauknecht | 697 Kč
€ 28.60 |
||
| 781 0 WHR99708 |
C00318230
481953028847 |
Hose,draining | Na dotaz | Zadat poptávku | |
| 782 0 WHR99708 |
C00317136
481253028827 |
Hose Pressostat | Na dotaz | Zadat poptávku | |
| 783 1 WHR99708 |
C00332412
481253028822 |
hadice násypka-přepad | Na dotaz | Zadat poptávku | |
| 787 0 WHR99708 |
C00315511
481253028813 |
hadice odparovaci | 447 Kč
€ 18.30 |
||
| 787 2 WHR99708 |
C00332932
481940118868 |
SPONA HADICE AW | Na dotaz | Zadat poptávku | |
| 794 5 WHR99708 |
C00340485
481253058095 |
tesneni vzdusniku | 16 Kč
€ 0.70 |
||
| 900 0 WHR99708 |
C00327119
481225518204 |
Vnější držák hadic pračky Whirlpool | Na dotaz | Zadat poptávku | |
| 900 1 WHR99708 |
C00327311
481229088049 |
Bracket | Na dotaz | Zadat poptávku | |
| 900 2 WHR99708 |
C00327313
481229088077 |
Cable clamp | Na dotaz | Zadat poptávku | |
| 900 3 WHR99708 |
C00328874
481240118446 |
Cable clamp | Na dotaz | Zadat poptávku | |
| 900 4 WHR99708 |
C00332933
481940118872 |
SPONA HADICE AW | 67 Kč
€ 2.70 |
||
| 900 5 WHR99708 |
C00309461
481940118529 |
Spona nádrž-čerpadlo | 105 Kč
€ 4.30 |
||
| 900 6 WHR99708 |
C00317960
481240118444 |
Držák topení pračky Whirlpool, Ignis | Na dotaz | Zadat poptávku | |
| 900 7 WHR99708 |
C00327120
481225518205 |
Držák presostatu pračky Whirlpool | Na dotaz | Zadat poptávku | |
| 900 8 WHR99708 |
C00332928
481940118823 |
SPONA | Na dotaz | Zadat poptávku | |
| 901 3 WHR99708 |
C00318107
481240118549 |
Clamp hose | Na dotaz | Zadat poptávku | |
| 910 5 WHR99708 |
C00332081
481250218516 |
Screw 4,2 x 13 | Na dotaz | Zadat poptávku | |
| 930 0 WHR99708 |
C00320162
481949238139 |
pruzina | Na dotaz | Zadat poptávku | |
| 941 0 WHR99708 |
C00314732
481252028004 |
Ložisko 6206 2Z C3 GJN SKF pro pračku Whirlpool / Bauknecht | 236 Kč
€ 9.70 |
||
| 941 1 WHR99708 |
C00315230
481252028066 |
Ložisko 6204 2Z C3 GJN pro pračku Whirlpool / Indesit | 173 Kč
€ 7.10 |
||
| 953 0 WHR99708 |
C00313798
481253058099 |
Shaft seal 1200 | Na dotaz | Zadat poptávku | |
| 961 0 WHR99708 |
C00333324
481953268829 |
Vložka vymezovací | 305 Kč
€ 12.50 |
||
| 965 0 WHR99708 |
C00330912
481246668545 |
Záslepka otvoru po zajišťovacím šroubu bubnu pračky Whirlpool | 206 Kč
€ 8.50 |
||
| 993 0 WHR99708 |
C00316831
481953029028 |
Ohyb plastový/držák vypouštěcí hadice pračky | Na dotaz | Zadat poptávku | |
| 993 3 WHR99708 |
C00328868
481239558004 |
klic montazni | Na dotaz | Zadat poptávku | |