WHIRLPOOL AWM 1404/4 WASHING MACHINES WP
Zeptejte se. Rádi poradíme.
Marek Proche
Zákaznická podpora
Po–Čt 8:00—17:00
Pá 8:00—15:00
poradna@servis-whirlpool.cz
| Komerční kód: | AWM 1404/4 WASHING MACHINES WP |
| Kód 12NC/I.C. kód: | 857024715590 |
| Značka: | WHIRLPOOL |
| Typ produktu: | Pračky |
| Další podobné modely: | 857024715597, 857024715592, 857024715598, 857024715391 |
Potřebujete servis? Jsme tady pro Vás
Nabídka náhradních dílů
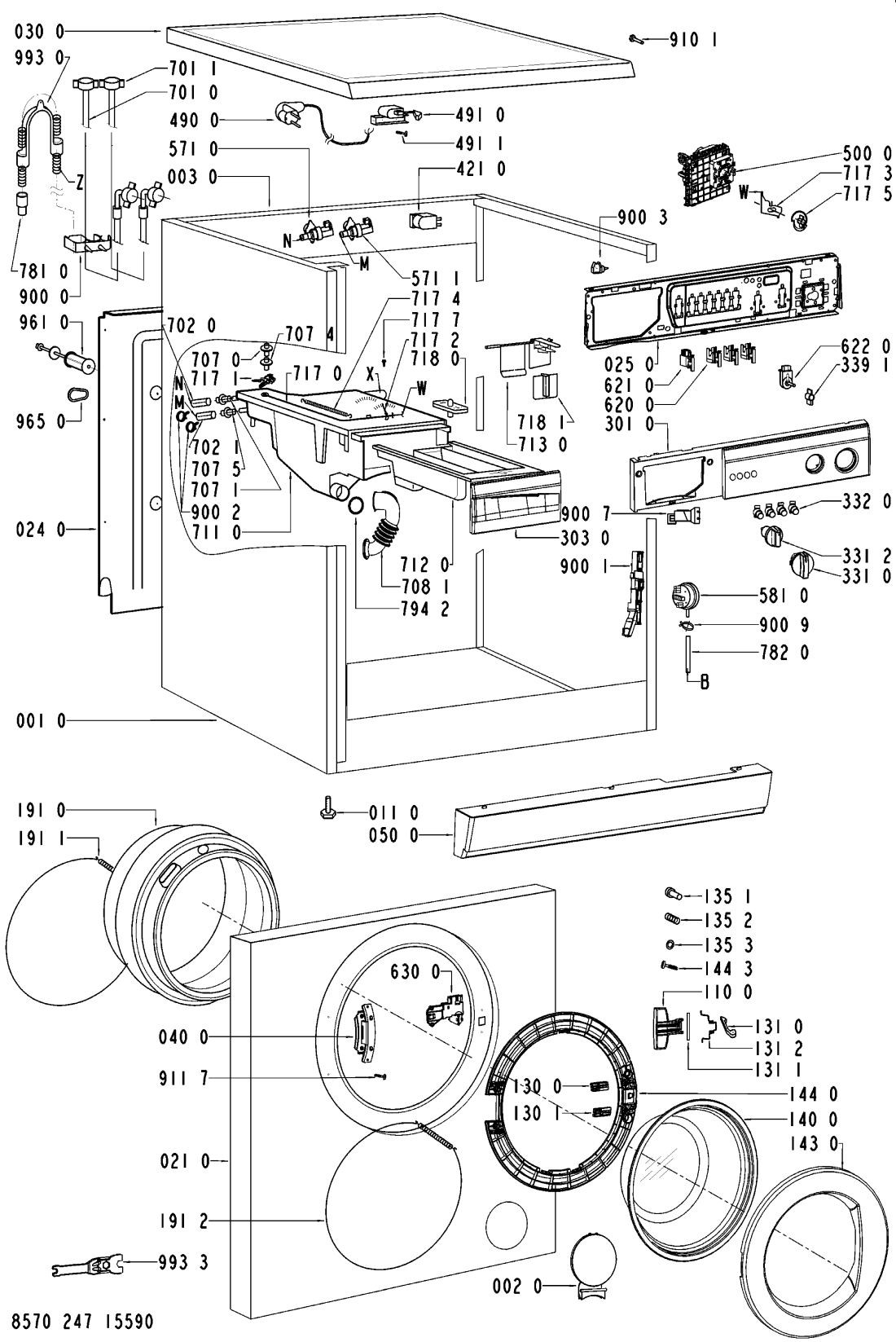
| Číslo | Kód | Název | Cena | ||
|---|---|---|---|---|---|
| 001 0 WHR86991 |
C00327957
481244010784 |
Cabinet GW | Na dotaz | Zadat poptávku | |
| 002 0 WHR86991 |
C00340831
481244010778 |
kryt filtru | Na dotaz | Zadat poptávku | |
| 003 0 WHR86991 |
C00342262
481246448192 |
Crossbar | Na dotaz | Zadat poptávku | |
| 011 0 WHR86991 |
C00311705
481250018099 |
noha pracky M8*34/A | Na dotaz | Zadat poptávku | |
| 021 0 WHR86991 |
C00340692
481244011225 |
stena predni | Na dotaz | Zadat poptávku | |
| 024 0 WHR86991 |
C00341563
481944019892 |
Panel rear | Na dotaz | Zadat poptávku | |
| 025 0 WHR86991 |
C00332949
481940479271 |
Holder Contr. Device | Na dotaz | Zadat poptávku | |
| 030 0 WHR86991 |
C00316451
481244010899 |
Table top GW | Na dotaz | Zadat poptávku | |
| 040 0 WHR86991 |
C00312018
481241718787 |
Závěs dveří pračky | 625 Kč
€ 25.60 |
||
| 050 0 WHR86991 |
C00312706
481244010779 |
sokl pracky GW | Na dotaz | Zadat poptávku | |
| 061 0 WHR86991 |
C00343070
481246688458 |
zavazi horni | Na dotaz | Zadat poptávku | |
| 061 1 WHR86991 |
C00316001
481246688607 |
Counter weight front, bottom | Na dotaz | Zadat poptávku | |
| 061 2 WHR86991 |
C00332868
481931039227 |
sroub do zavazi sada | Na dotaz | Zadat poptávku | |
| 061 3 WHR86991 |
C00320457
481931039228 |
Mounting kit Weight bottom | Na dotaz | Zadat poptávku | |
| 081 0 WHR86991 |
C00313104
481246648088 |
Tlumič třecí pro předem plněné pračky Whirlpool | 766 Kč
€ 31.30 |
||
| 084 0 WHR86991 |
C00330907
481246658001 |
drzak pruziny agreg. | Na dotaz | Zadat poptávku | |
| 086 2 WHR86991 |
C00314527
481240118412 |
pojistka tlumice | 333 Kč
€ 13.60 |
||
| 110 0 WHR86991 |
C00316653
481249818261 |
Rukojeť dveří GW UZ NEBUDE !!!!!!! | Na dotaz | Zadat poptávku | |
| 130 0 WHR86991 |
C00318057
481241728047 |
desticka uzaveru dv. | 27 Kč
€ 1.10 |
||
| 130 1 WHR86991 |
C00329782
481241728048 |
Plate Doorlock LowerDoorlock Lower | Na dotaz | Zadat poptávku | |
| 131 0 WHR86991 |
C00312433
481241728046 |
Lock Door | Na dotaz | Zadat poptávku | |
| 131 1 WHR86991 |
C00312243
481241728045 |
osa uzaveru dveri | 43 Kč
€ 1.80 |
||
| 131 2 WHR86991 |
C00312651
481249258022 |
Pružina uzávěru dveří | 237 Kč
€ 9.70 |
||
| 135 1 WHR86991 |
C00317048
481249818262 |
pojistka dveri | 227 Kč
€ 9.30 |
||
| 135 2 WHR86991 |
C00318221
481249258023 |
Spring Door Safety | Na dotaz | Zadat poptávku | |
| 135 3 WHR86991 |
C00313732
481229068153 |
drzak pojistky | Na dotaz | Zadat poptávku | |
| 140 0 WHR86991 |
C00331123
481245058983 |
Door glass | Na dotaz | Zadat poptávku | |
| 143 0 WHR86991 |
C00340317
481244010782 |
ram dveri | Na dotaz | Zadat poptávku | |
| 144 0 WHR86991 |
C00314075
481244019589 |
priruba dveri | 1 184 Kč
€ 48.50 |
||
| 144 3 WHR86991 |
C00318393
481250218669 |
sroub pojistka dv. | 267 Kč
€ 10.90 |
||
| 191 0 WHR86991 |
C00313168
481246068532 |
DOOR BELLOW grease resistance | Na dotaz | Zadat poptávku | |
| 191 1 WHR86991 |
C00313764
481249218017 |
spona TVO - vnitřní | 149 Kč
€ 6.10 |
||
| 191 2 WHR86991 |
C00311875
481249298011 |
spona TVO - přední stěna | 111 Kč
€ 4.50 |
||
| 200 1 WHR86991 |
C00337425
481241818508 |
Tub, half front 42l | Na dotaz | Zadat poptávku | |
| 200 2 WHR86991 |
C00312574
481241818368 |
Tub, half rear 48l, 1400 | Na dotaz | Zadat poptávku | |
| 200 4 WHR86991 |
C00314317
481229088054 |
Spona nádrže | 378 Kč
€ 15.50 |
||
| 220 0 WHR86991 |
C00311478
481241818466 |
buben | Na dotaz | Zadat poptávku | |
| 271 0 WHR86991 |
C00311078
481235818056 |
Řemen PV 1250 J4 EL pračky Whirlpool | 100 Kč
€ 4.10 |
||
| 272 0 WHR86991 |
C00313543
481252858041 |
remenice bubnu | 1 104 Kč
€ 45.20 |
||
| 272 3 WHR86991 |
C00313776
481250518371 |
matice remenice | Na dotaz | Zadat poptávku | |
| 292 0 WHR86991 |
C00311501
481253058101 |
těsnění bočnice | 694 Kč
€ 28.40 |
||
| 301 0 WHR86991 |
C00594432
481245215107 |
Control panel + handle drawer | Na dotaz | Zadat poptávku | |
| 303 0 WHR86991 |
C00490208
481249878651 |
Handle drawer | Na dotaz | Zadat poptávku | |
| 331 0 WHR86991 |
C00341895
481241258991 |
Knob timer (C3) GW | Na dotaz | Zadat poptávku | |
| 331 2 WHR86991 |
C00338452
481241258989 |
Knob therm./potent. GW | Na dotaz | Zadat poptávku | |
| 332 0 WHR86991 |
C00344000
481251318133 |
Button Options GW | Na dotaz | Zadat poptávku | |
| 339 1 WHR86991 |
C00344638
481941328035 |
Adapter Pos. 2 | Na dotaz | Zadat poptávku | |
| 400 0 WHR86991 |
C00311341
481236158377 |
motor | 4 029 Kč
€ 164.90 |
||
| 400 1 WHR86991 |
C00345895
481250218382 |
Screw M8 X 35 | Na dotaz | Zadat poptávku | |
| 409 0 WHR86991 |
C00311127
481236248004 |
Brush,carbon, Motor CESET | Na dotaz | Zadat poptávku | |
| 421 0 WHR86991 |
C00326769
481212118142 |
Interf.filter 1,00 uF1,00 uF. | Na dotaz | Zadat poptávku | |
| 430 0 WHR86991 |
C00311139
481231028144 |
Vypouštěcí čerpadlo pračky Whirlpool / Bauknecht | 576 Kč
€ 23.60 |
||
| 451 0 WHR86991 |
C00311143
481225928823 |
Heating element 240 V + NTC | Na dotaz | Zadat poptávku | |
| 480 0 WHR86991 |
C00319093
481232178218 |
Cable SC1D-MOT 7 | Na dotaz | Zadat poptávku | |
| 490 0 WHR86991 |
C00319506
481232118043 |
Connect.cable 5m | Na dotaz | Zadat poptávku | |
| 491 0 WHR86991 |
C00309418
481232128367 |
Přechodka | 324 Kč
€ 13.30 |
||
| 491 1 WHR86991 |
C00318425
481250238152 |
Screw 4.8x19 | Na dotaz | Zadat poptávku | |
| 500 0 WHR86991 |
C00378926
481228219882 |
Timer SC1 | Na dotaz | Zadat poptávku | |
| 571 0 WHR86991 |
C00313050
481228128382 |
Valve,magnet cold cold. | Na dotaz | Zadat poptávku | |
| 571 1 WHR86991 |
C00312072
481227128449 |
Valve magnet hot | Na dotaz | Zadat poptávku | |
| 581 0 WHR86991 |
C00314441
481227128518 |
presostat 60/35 | 1 159 Kč
€ 47.40 |
||
| 620 0 WHR86991 |
C00332969
481941028998 |
spinac | Na dotaz | Zadat poptávku | |
| 621 0 WHR86991 |
C00311780
481941029004 |
Spínač síťový | 128 Kč
€ 5.20 |
||
| 622 0 WHR86991 |
C00327276
481227348002 |
prepinac otocny | Na dotaz | Zadat poptávku | |
| 630 0 WHR86991 |
C00311146
481228058044 |
Blokování dveří předem plněné pračky Whirlpool | Na dotaz | Zadat poptávku | |
| 691 0 WHR86991 |
C00313117
481228219485 |
senzor NTC | 857 Kč
€ 35.10 |
||
| 701 0 WHR86991 |
C00315515
481253029329 |
Hose, inlet EN 11770 Reflex | Na dotaz | Zadat poptávku | |
| 701 1 WHR86991 |
C00318779
481253028971 |
Hose inlet hot | Na dotaz | Zadat poptávku | |
| 702 0 WHR86991 |
C00313911
481953029019 |
Hadice ventil - násypka pračky Whirlpool, Ignis, Bauknecht | 105 Kč
€ 4.30 |
||
| 702 1 WHR86991 |
C00314283
481953028971 |
Hose intern | Na dotaz | Zadat poptávku | |
| 707 0 WHR86991 |
C00341590
481252648036 |
Nozzle cold/hot | Na dotaz | Zadat poptávku | |
| 707 1 WHR86991 |
C00332324
481252648028 |
Tryska násypky pračky | Na dotaz | Zadat poptávku | |
| 707 4 WHR86991 |
C00332325
481252648034 |
Nozzle hot | Na dotaz | Zadat poptávku | |
| 707 5 WHR86991 |
C00332326
481252648035 |
Nozzle warm | Na dotaz | Zadat poptávku | |
| 708 1 WHR86991 |
C00313009
481253048143 |
hadice k násypce pračky Whirlpool uz nebude !!!! | Na dotaz | Zadat poptávku | |
| 711 0 WHR86991 |
C00313093
481241879985 |
teleso nasypky komp. | 1 941 Kč
€ 79.40 |
||
| 712 0 WHR86991 |
C00317123
481241888029 |
Drawer DetergentDetergent | Na dotaz | Zadat poptávku | |
| 713 0 WHR86991 |
C00314041
481241889037 |
vlozka nasypky klap. | Na dotaz | Zadat poptávku | |
| 717 0 WHR86991 |
C00311569
481932128092 |
Bovden komplet | 398 Kč
€ 16.30 |
||
| 717 1 WHR86991 |
C00328523
481232138013 |
Páčka trysky násypky | Na dotaz | Zadat poptávku | |
| 717 2 WHR86991 |
C00328522
481232138012 |
drzak | 26 Kč
€ 1.10 |
||
| 717 3 WHR86991 |
C00318843
481227888018 |
posouvac | Na dotaz | Zadat poptávku | |
| 717 4 WHR86991 |
C00312356
481249238359 |
Pružina trysky násypky | 13 Kč
€ 0.50 |
||
| 717 5 WHR86991 |
C00342847
481252838062 |
Cam incl. adapter | Na dotaz | Zadat poptávku | |
| 717 7 WHR86991 |
C00332062
481250218409 |
Screw cam actuator | Na dotaz | Zadat poptávku | |
| 718 0 WHR86991 |
C00315497
481252648157 |
mrizka kryci | Na dotaz | Zadat poptávku | |
| 718 1 WHR86991 |
C00314031
481241888018 |
ovladac | 396 Kč
€ 16.20 |
||
| 753 1 WHR86991 |
C00312723
481941868234 |
vzdusnik | Na dotaz | Zadat poptávku | |
| 754 0 WHR86991 |
C00312061
481253028826 |
Hadice nádrž-čerpadlo | Na dotaz | Zadat poptávku | |
| 754 1 WHR86991 |
C00309391
481253028832 |
Kulička hadice mezi vanou a čerpadlem pračky Whirpool | 894 Kč
€ 36.60 |
||
| 754 2 WHR86991 |
C00332413
481253028829 |
Flange eco | Na dotaz | Zadat poptávku | |
| 760 0 WHR86991 |
C00314883
481948058106 |
Filtr čerpadla | 38 Kč
€ 1.60 |
||
| 781 0 WHR86991 |
C00315242
481253029349 |
Hose draining | Na dotaz | Zadat poptávku | |
| 782 0 WHR86991 |
C00317136
481253028827 |
Hose Pressostat | Na dotaz | Zadat poptávku | |
| 785 0 WHR86991 |
C00314984
481253028812 |
Hadice vypouštěcího čerpadla pračky Whirlpool, Bauknecht, Ignis | 584 Kč
€ 23.90 |
||
| 785 1 WHR86991 |
C00335472
481246279663 |
Threaded cap | Na dotaz | Zadat poptávku | |
| 787 0 WHR86991 |
C00315511
481253028813 |
hadice odparovaci | 447 Kč
€ 18.30 |
||
| 787 2 WHR86991 |
C00311154
481940118174 |
Spona odparov.hadica | 122 Kč
€ 5.00 |
||
| 794 2 WHR86991 |
C00337979
481253058005 |
O-Ring | Na dotaz | Zadat poptávku | |
| 794 5 WHR86991 |
C00319466
481253058098 |
tesneni vzdusniku Náhrada 481010395017 |
Na dotaz | Zadat poptávku | |
| 900 0 WHR86991 |
C00327119
481225518204 |
Vnější držák hadic pračky Whirlpool | Na dotaz | Zadat poptávku | |
| 900 1 WHR86991 |
C00327311
481229088049 |
Bracket | Na dotaz | Zadat poptávku | |
| 900 2 WHR86991 |
C00328881
481240118501 |
Svorka hadice 1 | 69 Kč
€ 2.80 |
||
| 900 3 WHR86991 |
C00328874
481240118446 |
Cable clamp | Na dotaz | Zadat poptávku | |
| 900 4 WHR86991 |
C00316612
481240118414 |
SPONA39,7 | 37 Kč
€ 1.50 |
||
| 900 5 WHR86991 |
C00309461
481940118529 |
Spona nádrž-čerpadlo | 105 Kč
€ 4.30 |
||
| 900 6 WHR86991 |
C00327583
481229018031 |
Clamp heatingelement+screw | Na dotaz | Zadat poptávku | |
| 900 7 WHR86991 |
C00327120
481225518205 |
Držák presostatu pračky Whirlpool | Na dotaz | Zadat poptávku | |
| 900 9 WHR86991 |
C00343347
481240148569 |
Clamp hose pressostat | Na dotaz | Zadat poptávku | |
| 910 1 WHR86991 |
C00332163
481250248344 |
Šroub | Na dotaz | Zadat poptávku | |
| 911 7 WHR86991 |
C00316731
481290308196 |
sroub | Na dotaz | Zadat poptávku | |
| 930 0 WHR86991 |
C00320162
481949238139 |
pruzina | Na dotaz | Zadat poptávku | |
| 941 0 WHR86991 |
C00314254
481252028003 |
BEARING 6306 2Z C3 GJN | Na dotaz | Zadat poptávku | |
| 941 1 WHR86991 |
C00315491
481252028005 |
BEARING 6304 2Z C3 | Na dotaz | Zadat poptávku | |
| 953 0 WHR86991 |
C00314432
481253058142 |
gufero 35x75x12 | 430 Kč
€ 17.60 |
||
| 961 0 WHR86991 |
C00333324
481953268829 |
Vložka vymezovací | 305 Kč
€ 12.50 |
||
| 965 0 WHR86991 |
C00330912
481246668545 |
Záslepka otvoru po zajišťovacím šroubu bubnu pračky Whirlpool | 206 Kč
€ 8.40 |
||
| 993 0 WHR86991 |
C00316831
481953029028 |
Ohyb plastový/držák vypouštěcí hadice pračky | Na dotaz | Zadat poptávku | |
| 993 3 WHR86991 |
C00328868
481239558004 |
klic montazni | Na dotaz | Zadat poptávku | |